Каталог запасных частей к технике: ЧСДМ Погрузчик В-138. Захват челюстной (В138.84.00.000)
1
2
2
3
3
3
3
4
5
6
7
7
8
9
9
10
10
11
11
12
12
13
14
14
14
15
16
17
18
19
20
21
21
22
22
23
24
25
26
27
28
29
30
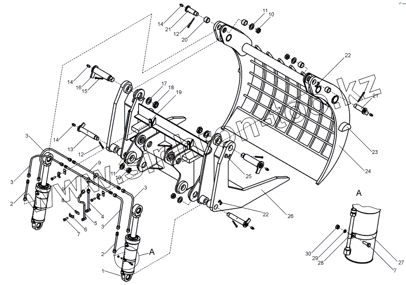
| Позиция на иллюстрации | Заводской номер детали | Название детали | |
|---|---|---|---|
| 1 | В138.82.07.000 | Гидроцилиндр | |
| 2 | B138.82.06.140 | Труба | |
| 3 | РВД16.90.450.0,2.11 | Рукав РВД16.90.450.0,2.11/11.М27х1,5/М27х1,5-У1 | |
| 4 | B138.83.06.120 | Труба | |
| 5 | B138.83.06.130 | Труба | |
| 6 | Д395Б-31-023 | Хомут | |
| 7 | Болт M10-6gx35.58.019(S16) | Болт M10-6gx35.58.019(S16) | |
| 8 | Д395Б-31-024 | Прокладка | |
| 9 | B138.83.06.110 | Труба | |
| 10 | 067.13.12.091 | Гайка прорезная | |
| 11 | 067.14.11.092 | Шайба | |
| 12 | Шплинт 8х71.019 | Шплинт 8х71.019 | |
| 13 | TO-40.25.15.020-03 | Ось | |
| 14 | Масленка 1.2.Ц6 | Масленка 1.2.Ц6 | |
| 15 | Шплинт 8х80.019 | Шплинт 8х80.019 | |
| 16 | В138.84.00.010 | Ось | |
| 17 | 067.14.12.131 | Шайба | |
| 18 | 067.13.12.102 | Гайка | |
| 19 | В138.83.00.001 | Планка | |
| 20 | TO-40.25.15.004-02 | Втулка | |
| 21 | TO-40.25.15.020-02 | Ось | |
| 22 | TO-40.25.15.039 | Скоба | |
| 23 | В138.83.00.003 | Упор | |
| 24 | В138.84.20.000 | Захват | |
| 25 | ДЗ-152-1.10.006 | Скоба | |
| 26 | В138.84.10.000 | Челюсть | |
| 27 | 067.36.11.124 | Хомут | |
| 28 | ДЗ-98.43.00.102 | Хомут | |
| 29 | Шайба 10.65Г.019 | Шайба 10.65Г.019 | |
| 30 | Гайка М10-6Н.5.019(S16) | Гайка М10-6Н.5.019(S16) |
Содержащиеся в справочниках-каталогах запасные части и детали не предлагаются к продаже, а носят исключительно информационный характер