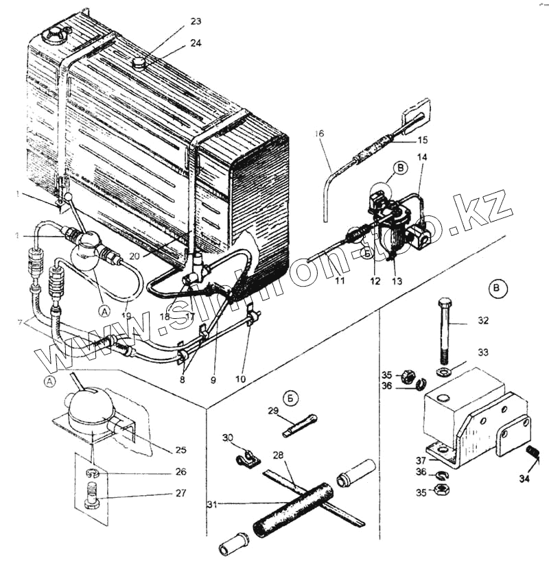
Каталог запасных частей к технике: ЧСДМ ДЗ-98В. Топливная система
1
7
8
9
10
11
12
13
14
15
16
17
18
19
20
21
23
24
25
26
27
28
29
30
31
32
33
34
35
35
36
36
37
| Позиция на иллюстрации | Заводской номер детали | Название детали | |
|---|---|---|---|
| 1 | ДЗ-98В.31.00 030 | Бак топливный | |
| 2 | ДЗ-98А.31.00 780 | Трубка | |
| 3 | 048.05.01 037 | Штуцер | |
| 4 | 067.34.11.066 | Прокладка | |
| 5 | Д395Б.31.068 | Гайка | |
| 6 | ДЗ-98А.31.00.790 | Трубка | |
| 7 | ДЗ-98А.31.00.222 | Шланг | |
| 8 | 067.36.11.562 | Хомут | |
| 9 | ДЗ-98Б.31.00.870 | Трубка | |
| 10 | 067.36.11.561 | Хомут | |
| 11 | ДЗ-98А.31.00.223 | Трубка | |
| 12 | ДЗ-98.31.00.150 | Трубка | |
| 13 | ФГ-75 | Фильтр | |
| 14 | ДЗ-98.31.00.160 | Трубка | |
| 15 | Д395-0303.026 | Шланг | |
| 16 | ДЗ-98.31.00.177 | Трубка дренажная | |
| 17 | 048.08.00.001 | Гайка | |
| 18 | ДЗ-98В.31.00.051 | Ниппель | |
| 19 | ДЗ-98А.31.00.780-01 | Трубка | |
| 20 | Д395В.31.000.030 | Лента | |
| 21 | М16-6Н 5.019 5915 | Гайка | |
| 22 | Д395В.31.00.001 | Прокладка | |
| 23 | 067.44.11.016 | Пробка | |
| 24 | Д395Б.02.029 | Прокладка | |
| 25 | РНМ-1КУ2 | Насос ручной топливоподкачивающий | |
| 26 | 6.65Г.069 6402 | Шайба | |
| 27 | М6-6gх20.58.019 7798 | Болт | |
| 28 | Д3953.31.00.009 | Лента | |
| 29 | 6,3х36.019 39 | Шплинт | |
| 30 | 700-41-3442 | Рамка | |
| 31 | Д395В.31.00.002 | Шланг | |
| 32 | М12-6gх120.58.019 7798 | Болт | |
| 33 | 12.01.019 11371 | Шайба | |
| 34 | М12-6gх40.58 018 7798 | Болт | |
| 35 | М12-6Н.5.019 5915 | Гайка | |
| 36 | 12.65Г.069 6402 | Шайба | |
| 37 | ДЗ-98.31.00.158 | Кронштейн фильтра |
Содержащиеся в справочниках-каталогах запасные части и детали не предлагаются к продаже, а носят исключительно информационный характер