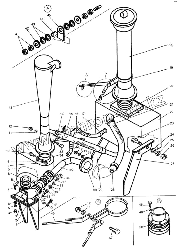
Каталог запасных частей к технике: ЧСДМ ДЗ-98В. Система всасывания и выхлопа
1
2
3
4
4
4
5
5
6
6
7
8
9
10
11
11
11
11
11
12
12
12
12
13
14
15
16
17
18
19
20
21
22
23
24
25
26
27
28
29
30
31
32
33
34
35
36
37
37
38
39
40
41
42
43
44
45
46
47
48
49
50
| Позиция на иллюстрации | Заводской номер детали | Название детали | |
|---|---|---|---|
| 1 | 067.32.00.538 | Косынка | |
| 2 | ДЗ-98В.21.03.018 | Платик | |
| 3 | ДЗ-98В.32.00.142 | Кронштейн | |
| 4 | М12-6Н.5.019 5915 | Гайка | |
| 5 | 12 65Г.019 6402 | Шайба | |
| 6 | С12.02.019 11371 | Шайба | |
| 7 | М12-6gх35.58.019 7798 | Болт | |
| 8 | 067.44.12.007 | Пробка | |
| 9 | ДЗ-140А.32.00.510 | Глушитель | |
| 10 | М12-6gх55.58 019 7798 | Болт | |
| 11 | 10 65Г.019 6402 | Шайба | |
| 12 | М10-6Н.5.019 5915 | Гайка | |
| 13 | ДЗ-98В.32.10 200-01 | Эжектор | |
| 14 | ДЗ-98.43.00.480-02 | Хомут | |
| 15 | ДЗ-98В9.32 00.009 | Рукав | |
| 16 | ДЗ-98В9.32.00.008 | Рукав | |
| 17 | ДЗ-98.43.00.480-03 | Хомут | |
| 18 | ДЗ-98В.32.00.200 | Воздухозаборная труба | |
| 19 | 067.36.11.142 | Хомут | |
| 20 | ДЗ-98В.32.00.130 | Хомут | |
| 21 | 125х925 ТУ38.105.1480 | Рукав | |
| 22 | ДЗ-98В9.32.10.010 | Воздухоочиститель | |
| 23 | М16-6gх40 58.019 7798 | Болт | |
| 24 | С16.02.019 11371 | Шайба | |
| 25 | 16 65Г.019 6402 | Шайба | |
| 26 | М16-6Н.5.019 5915 | Гайка | |
| 27 | ДЗ-98В.32.11.014-01 | Стойка | |
| 28 | 067.44.12021 | Пробка | |
| 29 | ДЗ-98В.32.11.014 | Стойка | |
| 30 | ДЗ-98В9.32.00.007 | Прокладка | |
| 31 | С10.02.019 11371 | Шайба | |
| 32 | ДЗ-98В5.32.00.450 | Патрубок | |
| 33 | М10-6gх85.58.019 7798 | Болт | |
| 34 | 067.36.11.117 | Хомут | |
| 35 | ДЗ-98В9.32.00.020 | Труба | |
| 36 | М10-6gх30.58.019 7798 | Болт | |
| 37 | ДЗ-98.32.00 059 | Прокладка | |
| 38 | ДЗ-98.32.00.590 | Компенсатор | |
| 39 | М10-6gх25.58.019 7798 | Болт | |
| 40 | ДЗ-98В.32.00.141 | Переходник | |
| 41 | М12-6gх25.58.019 7798 | Болт | |
| 42 | ДЗ-98В1.33.00 003-01 | Шайба | |
| 43 | ДЗ-98В1.33.00.006 | Кольцо | |
| 44 | ДЗ-98В1.33.00.007 | Втулка | |
| 45 | ДЗ-98В.32.00.153 | Стойка | |
| 46 | ДЗ-98В.32.00.120-01 | Стяжка | |
| 47 | М10-6gх45.58.019 7798 | Болт | |
| 48 | М8-6gх25.58.019 7798 | Болт | |
| 49 | 8 65Г.019 6402 | Шайба | |
| 50 | ДЗ-98В.32.00.157 | Прокладка |
Содержащиеся в справочниках-каталогах запасные части и детали не предлагаются к продаже, а носят исключительно информационный характер