Вернуться на главную
Поиск
Каталоги запчастей к технике
Спецтехника
ЧСДМ
ДЗ-98В
Механизм переключения мультипликатора
Каталог запасных частей к технике: ЧСДМ ДЗ-98В. Механизм переключения мультипликатора
zoom-in
zoom-out
enlarge
shrink
circle-right
circle-left
file-text2
info
cart
Тип техники
Не выбрано
Легковые автомобили
Грузовые автомобили и прицепы
Автобусы
Сельхозтехника
Спецтехника
Двигатели
Мототехника
Марка
Не выбрано
Ammann
BOMAG
CARMIX
CASE IH
Changlin
ChengGong
Dimex
Doosan
DYNAPAC
Foton
HAMM
Hidromek
Hitachi
Hyundai
JCB
JLG
John Deere
Komatsu
LIEBHERR
LiuGong
Lonking (LongGong)
Luneng
MANITOU
Mitsuber
New Holland
PENGPU
RM-Terex
SANY
SDLG
SEM
Shantui
Shehwa HBXG
Soosan
TIGARBO
VOGELE
Volvo
WAY
WIRTGEN
XCMG
XGMA
Xiamen
YTO
Yuchai
Zoomlion
Автокран
АЗСМ
Алтайлесмаш
Амкодор
АОМЗ
Атек
АТЗ
Балканкар Рекорд
БелАЗ
Беловеж
Борекс
Брянский Арсенал
Булат
ВЭКС
ГАЗ
Геомаш
Гидромаш
Донекс
Дормаш
Дормашина
Дорэлектромаш
ДЭЗ
ЕлАЗ
ЗЗГТ
Ижнефтемаш
Канаш-электрокар
КЗКТ
ККЗ
Клевер
Клинцовский автокрановый завод
КМЗ
КМЗ 1 Мая
Ковровец
Коммаш
Кранэкс
КЭЗ
КЭМЗ
ЛЗА
МАЗ
МЗИК
МЗКМ
МЗКТ
Михневский РМЗ
МоАЗ
Мозырский МЗ
МТЗ
ОЗП
Онежец
ПАО "ТЗА"
ППС Детва
Промтрактор
ПТЗ
Раскат
СпецАгрегат
ТВЭКС
ТТМ
УВЗ
Угличмаш
УЗТМ
ХТЗ
ЧЗКМ
ЧСДМ
ЧТЗ
ЭКСКО
ЭКСМАШ
ЮрМаш
Модель
Не выбрано
TL-150 (2016)
TL-155 (2018)
TL-155 (2022)
А-120 (2003)
В-140 (2010)
В-160 (2010)
ДЗ-98В (2003)
ДЗ-98В (2015)
ДЗ-98В (2022)
ДЗ-98В.1 (2010)
ДЗ-98В.1 (дополнение) (2010)
Погрузчик В-138 (2009)
Схема
>
Не выбрано
Кабина
Кабина
Кабина
Кабина
Дверь
Площадка оператора
Капот и облицовка
Установка крыльев
Топливная система
Топливная система
Топливная система
Топливная система
Топливная система
Топливная система
Бак топливный
Система всасывания и выхлопа
Система всасывания и выхлопа
Система всасывания и выхлопа
Система всасывания и выхлопа
Система всасывания и выхлопа
Система всасывания и выхлопа
Воздухоочиститель
Система охлаждения и разогрева двигателя
Система охлаждения и разогрева двигателя
Система охлаждения и разогрева двигателя
Система охлаждения и разогрева двигателя
Система охлаждения и разогрева двигателя
Система охлаждения и разогрева двигателя
Система охлаждения и разогрева двигателя
Система охлаждения и разогрева двигателя
Система охлаждения и разогрева двигателя
Система охлаждения и разогрева двигателя
Система смазки
Система смазки
Бак масляный в сборе
Клапан редукционный
Система смазки
Система смазки
Трансмиссия
Трансмиссия
Трансмиссия
Редуктор раздаточный
Редуктор раздаточный
Редуктор раздаточный
Редуктор раздаточный
Редуктор промежуточный
Редуктор промежуточный
Редуктор промежуточный
Редуктор промежуточный
Муфта сцепления
Муфта сцепления
Механизм управления муфтой сцепления
Механизм управления муфтой сцепления
Установка сервомеханизма
Сервомеханизм
Сервомеханизм
Коробка передач
Коробка передач
Коробка передач
Коробка передач
Коробка передач
Коробка передач
Механизм переключения передач
Механизм переключения передач
Вал ведущий
Вал реверса
Вал промежуточный
Вал мультипликатора
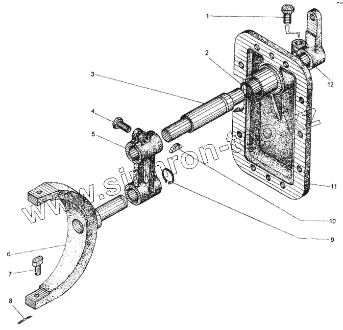
Механизм переключения мультипликатора
Управление коробкой перемены передач
Передача карданная
Вал промежуточный
Опора промежуточная
Вал карданный заднего моста
Мост передний ведущий
Мост передний ведущий
Мост передний ведущий
Мост передний ведущий
Мост передний ведущий
Мост задний ведущий
Мост задний ведущий
Мост задний ведущий
Мост задний ведущий
Мост задний ведущий
Мост задний ведущий
Рама
Рама
Рама
Подвеска задних мостов
Колесо
Колонка рулевая
Колонка рулевая
Колонка рулевая
Колонка рулевая
Колонка рулевая
Пульт управления
Гидроруль
Пульт управления
Гидроруль
Управление рулевое
Тяга поперечная
Клапан предохранительный
Цилиндр гидравлического усилителя руля
Тормоз стояночный
Тормоз стояночный
Управление колесными тормозами
Управление стояночным тормозом
Управление регулятором
Управление регулятором
Управление регулятором
Управление регулятором
Управление регулятором
Система пневматическая
Система пневматическая
Система пневматическая
Пневмраспредеритель
Система пневматическая
Гидросистема автогрейдера
Установка электрооборудования
Установка электрооборудования
Установка электрооборудования
Установка электрооборудования
Установка электрооборудования
Установка электрооборудования
Электрооборудование кабины
Электрооборудование кабины
Электрооборудование кабины
Электрооборудование кабины
Электрооборудование кабины
Электрооборудование кабины
Установка электрооборудования
Электрооборудование кабины
Установка электрооборудования
Установка электрооборудования
Установка электрооборудования
Установка электрооборудования
Установка электрооборудования
Установка электрооборудования
Щиток приборов
Инструмент
Инструмент
Чехол утеплительный
Установка распределителей
Установка распределителей
Установка распределителей
Гидроцилиндр
Гидроцилиндр
Гидроцилиндр
Установка гидрозамка
Гидроцилиндр
Круг поворотный
Отвал
Редуктор поворота отвала
Редуктор поворота отвала
Подвеска тяговой рамы
Кирковщик
Оборудование бульдозерное
Оборудование бульдозерное
Отвал
Оборудование рыхлительное
Рыхлитель
Отвал
Оборудование путепрокладочное
Оборудование путепрокладочное
Отвал
Оборудование путепрокладочное
Автогрейдер ДЗ-98 В (внешний вид)
1
2
2
3
4
5
6
7
8
9
10
11
12
Позиция на иллюстрации
Заводской номер детали
Название детали
1
М12-6gх25.58.019 7796
Болт
2
024-030-36-2-2
Кольцо
2
18829/9833
Кольцо
3
ДЗ-98.10.04.169
Вал
4
М10-6g25.58.019 7796
Болт
5
Д395Б.04.089
Рычаг
6
Д395Б.04.180
Вилка
7
Д395Б.04.071
Сухарик
8
2х20 397
Шплинт
9
1Б25 13942
Кольцо
10
Д395Б.03.028
Шпонка сегментная
11
ДЗ-98. 10. 04. 175
Крышка
12
Д395В. 13.01. 110
Рычаг
Содержащиеся в справочниках-каталогах запасные части и детали не предлагаются к продаже, а носят исключительно информационный характер
Дополнительная информация
×
Название:
Номер:
Примечание: