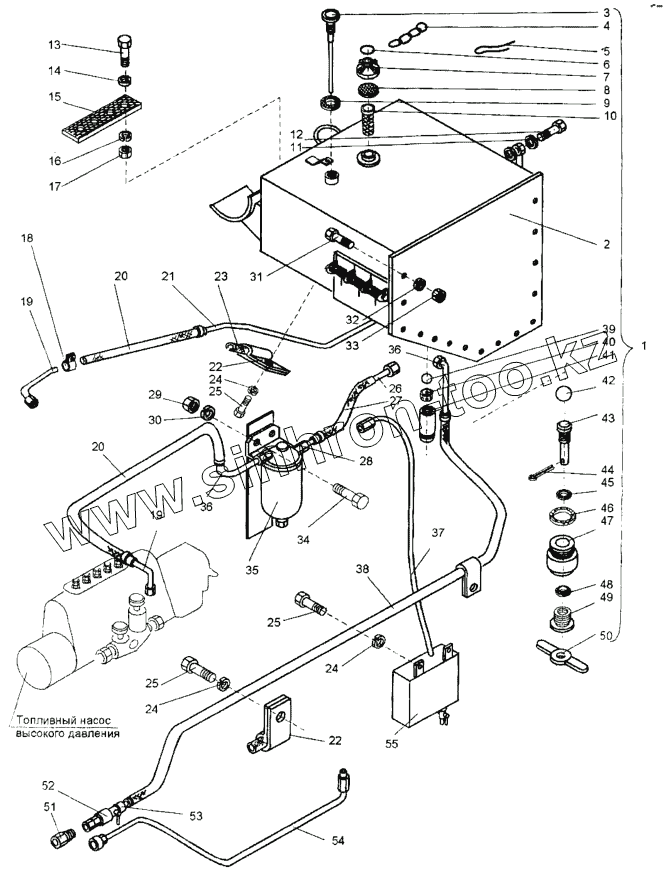
Каталог запасных частей к технике: ЧСДМ А-120. Система топливная (А121.31.00.000)
[Топливный насос высокого давления]
А121.31.00.000
1
2
3
4
5
6
7
8
9
10
11
12
13
14
15
16
17
18
19
19
20
20
21
22
22
23
24
24
24
25
25
25
26
27
28
29
30
31
32
33
34
35
36
36
37
38
39
40
41
42
43
44
45
46
47
48
49
50
51
52
53
54
55
| Позиция на иллюстрации | Заводской номер детали | Название детали | |
|---|---|---|---|
| [Топливный насос высокого давления] | [Топливный насос высокого давления] | Топливный насос высокого давления | |
| А121.31.00.000 | А121.31.00.000 | Система топливная | |
| 1 | А121.31.02.000 | Бак топливный | |
| 2 | А121.31.02.010 | Бак топливный | |
| 3 | А121.31.02.040 | Линейка топливомерная | |
| 4 | [Цепь сварная 081-20,1 L=250 мм.] | Цепь сварная 081-20,1 L=250 мм. | |
| 5 | [Проволока 3,0-0-С ГОСТ 3282-74] | Проволока 3,0-0-С ГОСТ 3282-74 | |
| 6 | ДЗ-98Б.31.00.237 | Кольцо | |
| 7 | Д395.0313.985 | Пробка | |
| 8 | ТО-40.31.00.033 | Прокладка | |
| 9 | Д395.0313.122 | Прокладка | |
| 10 | ДЗ-98.38.00.050 | Сетка | |
| 11 | Д395Б.02.029 | Прокладка | |
| 12 | Д395.0303.035 | Болт | |
| 13 | [Болт М16-6gх50.58.019 (S24) ГОСТ 7798-70] | Болт М16-6gх50.58.019 (S24) ГОСТ 7798-70 | |
| 14 | [Шайба С16.02.019 ГОСТ 11371-78] | Шайба С16.02.019 ГОСТ 11371-78 | |
| 15 | А121.31.00.002 | Прокладка | |
| 16 | [Шайба 16.65Г.019 ГОСТ 6402-70] | Шайба 16.65Г.019 ГОСТ 6402-70 | |
| 17 | [Гайка М16-6Н.5.019 (S24) ГОСТ 5915-70] | Гайка М16-6Н.5.019 (S24) ГОСТ 5915-70 | |
| 18 | [Хомут винтовой Н-6] | Хомут винтовой Н-6 | |
| 19 | А121.31.00.010 | Трубка | |
| 20 | А121.31.00.001-01 | Рукав | |
| 21 | А121.31.00.020 | Трубка | |
| 22 | 067.36.11.561 | Хомут | |
| 23 | ДЗ-98В9.31.00.008 | Прокладка | |
| 24 | [Шайба 10.65Г.019 ГОСТ 6402-70] | Шайба 10.65Г.019 ГОСТ 6402-70 | |
| 25 | [Болт М10-6gх25.58.019 (S16) ГОСТ 7798-70] | Болт М10-6gх25.58.019 (S16) ГОСТ 7798-70 | |
| 26 | Д395.0303.909 | Трубка в сборе | |
| 27 | А121.31.00.001 | Рукав | |
| 28 | Д394-0402.058 | Ниппель | |
| 29 | [Гайка М8-6gх30.58.019 (S13) ГОСТ 5915-70] | Гайка М8-6gх30.58.019 (S13) ГОСТ 5915-70 | |
| 30 | [Шайба 8.65Г.019 ГОСТ 6402-70] | Шайба 8.65Г.019 ГОСТ 6402-70 | |
| 31 | [Болт М12-6gх30.58.019 (S18) ГОСТ 7798-70] | Болт М12-6gх30.58.019 (S18) ГОСТ 7798-70 | |
| 32 | [Шайба 12.65Г.019 ГОСТ 6402-70] | Шайба 12.65Г.019 ГОСТ 6402-70 | |
| 33 | [Гайка М12-6Н.5.019 (S18) ГОСТ 5915-70] | Гайка М12-6Н.5.019 (S18) ГОСТ 5915-70 | |
| 34 | [Болт М8-6gх30.58.019 (S13) ГОСТ 7798-70] | Болт М8-6gх30.58.019 (S13) ГОСТ 7798-70 | |
| 35 | ГО204А-1105510-Б | Фильтр | |
| 36 | ДЗ-98В9.38.00.010 | Трубка | |
| 37 | ДЗ-98В9.31.00.040 | Трубка слива | |
| 38 | А121.31.00.001-02 | Рукав | |
| 39 | [Шарик 16-60+/-100 ГОСТ 3722-81] | Шарик 16-60+/-100 ГОСТ 3722-81 | |
| 40 | Д144.33.025 | Шайба специальная | |
| 41 | ДЗ-98А.31.00.209 | Штуцер | |
| 42 | [Шарик 18-60+/-100 ГОСТ 3722-81] | Шарик 18-60+/-100 ГОСТ 3722-81 | |
| 43 | Д144.33.041 | Упор | |
| 44 | [Шплинт 2x20.019 ГОСТ 397-79] | Шплинт 2x20.019 ГОСТ 397-79 | |
| 45 | Д144.33.044 | Прокладка | |
| 46 | Д144.33.043 | Прокладка | |
| 47 | Д144.33.040 | Штуцер | |
| 48 | Д144.33.045 | Набивка | |
| 49 | Д144.33.042 | Штуцер | |
| 50 | ДЗ-98А.31.00.193 | Ручка краника | |
| 51 | А120.31.00.009 | Штуцер | |
| 52 | 2201С-28-Б | Краник проходной | |
| 53 | Д395А.0402.272 | Штуцер | |
| 54 | ДЗ-98.33.00.160 | Трубка подачи топлива | |
| 55 | ДЗ-98В.31.00.200 | Бачок |
Содержащиеся в справочниках-каталогах запасные части и детали не предлагаются к продаже, а носят исключительно информационный характер