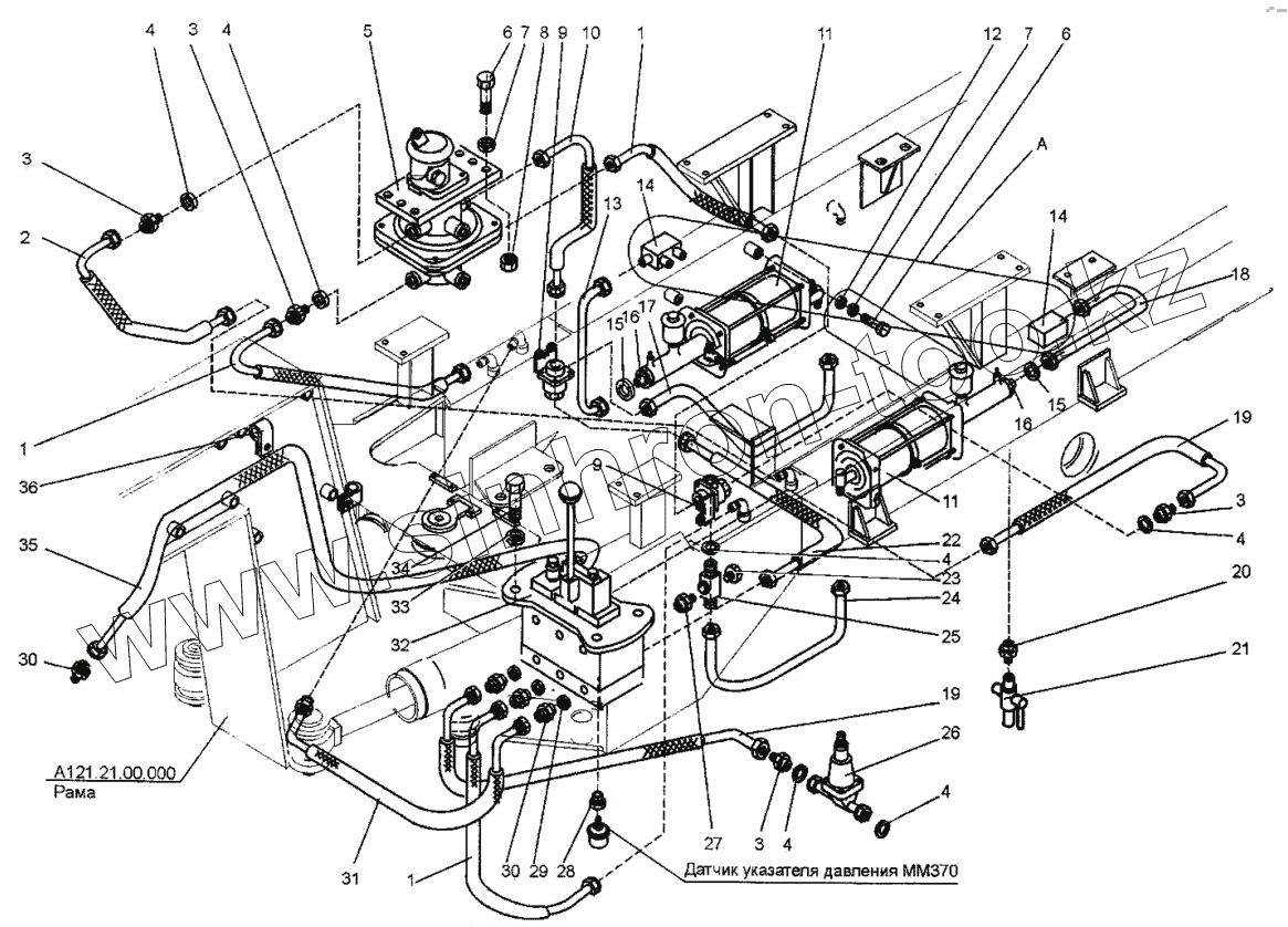
Каталог запасных частей к технике: ЧСДМ А-120. Пневмосистема автогрейдера (А121.42.00.000)
А121.21.00.000
А121.42.00.000
1
1
1
2
3
3
3
3
4
4
4
4
4
4
5
6
6
7
7
8
9
9
10
11
11
12
13
14
14
15
15
16
16
17
18
19
19
20
21
22
23
24
25
26
27
28
29
30
30
31
32
33
34
35
36
| Позиция на иллюстрации | Заводской номер детали | Название детали | |
|---|---|---|---|
| А121.21.00.000 | А121.21.00.000 | Рама | |
| А121.42.00.000 | А121.42.00.000 | Пневмосистема автогрейдера | |
| 1 | А121.42.00.140 | Рукав | |
| 2 | А121.42.00.140-01 | Рукав | |
| 3 | 048.05.02.065 | Штуцер | |
| 4 | 067.34.13.041 | Прокладка | |
| 5 | 100-3514008 | Кран тормозной двухсекционный | |
| 6 | [Болт М10-6gх30.58.019 (S16) ГОСТ 7798-70] | Болт М10-6gх30.58.019 (S16) ГОСТ 7798-70 | |
| 7 | [Шайба 10.65Г.019 ГОСТ 6402-70] | Шайба 10.65Г.019 ГОСТ 6402-70 | |
| 8 | [Гайка М10-6Н.5.019 (S16) ГОСТ 5915-70] | Гайка М10-6Н.5.019 (S16) ГОСТ 5915-70 | |
| 9 | 100-3562010 | Клапан двухмагистральный | |
| 10 | А121.42.00.160 | Рукав | |
| 11 | [Усилитель тормоза 4320-3510011] | Усилитель тормоза пневматический 4320-3510011 | |
| 12 | [Шайба С10.02.019 ГОСТ 11371-78] | Шайба С10.02.019 ГОСТ 11371-78 | |
| 13 | А121.42.00.130-03 | Трубка | |
| 14 | А121.42.00.260 | Переходник | |
| 15 | А120.42.00.003 | Шайба | |
| 16 | А120.42.00.002 | Штуцер | |
| 17 | А121.42.00.130-02 | Трубка | |
| 18 | А121.42.00.130-01 | Трубка | |
| 19 | А121.42.00.160-01 | Рукав | |
| 20 | Д395А-0402.272 | Штуцер | |
| 21 | 2201С-28-Б | Краник проходной | |
| 22 | А121.42.00.160-02 | Рукав | |
| 23 | ДЗ-98.43.00.034 | Пробка коническая | |
| 24 | А121.42.00.130 | Трубка | |
| 25 | ДЗ-98А.42.00.082 | Переходник | |
| 26 | 100-3515010 | Клапан защитный одинарный | |
| 27 | ДЗ-98В.42.00.001-01 | Штуцер | |
| 28 | ДЗ-98В.42.00.001 | Штуцер | |
| 29 | Д395Б.02.029 | Прокладка | |
| 30 | Д394-0402.058 | Ниппель | |
| 31 | А121.42.00.140-02 | Рукав | |
| 32 | ДЗ-98В.42.00.010 | Пневмораспределитель | |
| 33 | [Шайба 8.65Г.019 ГОСТ 6402-70] | Шайба 8.65Г.019 ГОСТ 6402-70 | |
| 34 | [Болт М8-6gх20.58.019 (S13) ГОСТ 7798-70] | Болт М8-6gх20.58.019 (S13) ГОСТ 7798-70 | |
| 35 | А121.42.00.140-03 | Рукав | |
| 36 | 067.36.11.571-01 | Хомут |
Содержащиеся в справочниках-каталогах запасные части и детали не предлагаются к продаже, а носят исключительно информационный характер