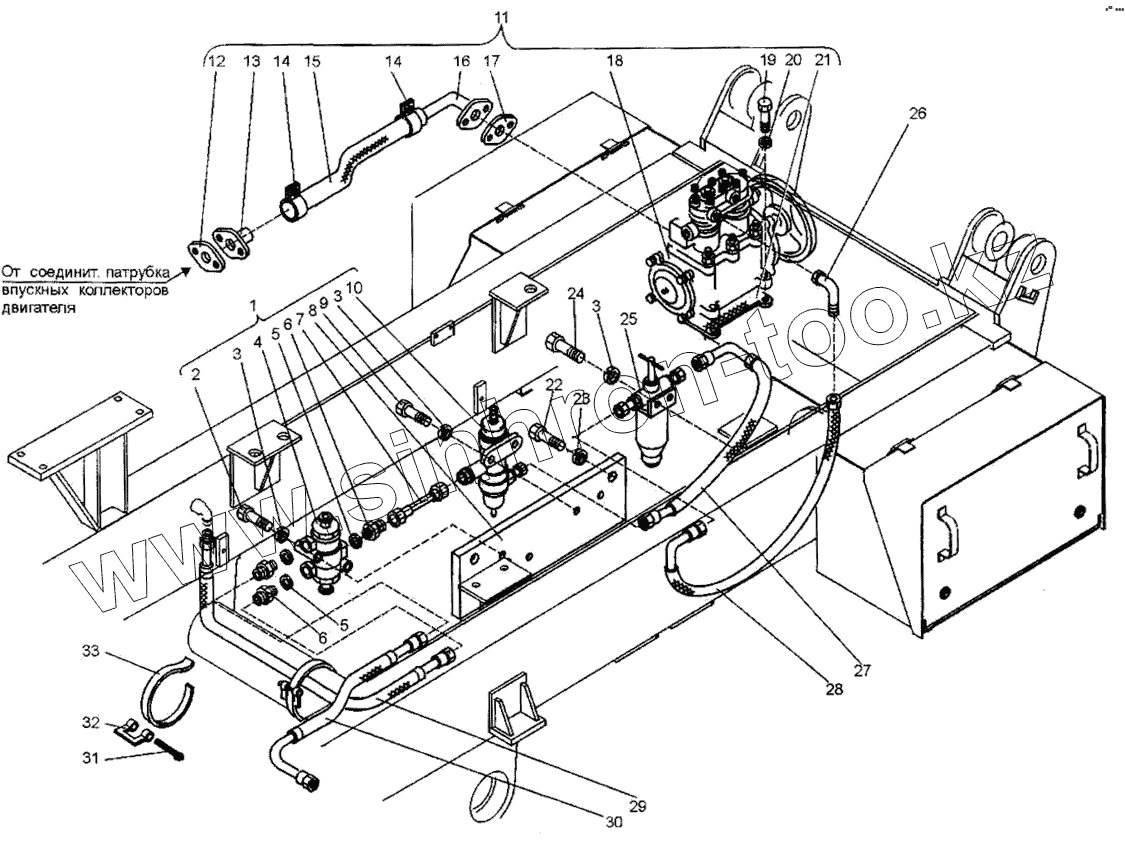
Каталог запасных частей к технике: ЧСДМ А-120. Пневмосистема автогрейдера (А121.42.00.000)
А121.42.00.000
1
2
3
3
3
4
5
5
6
6
7
8
9
10
11
12
13
14
14
15
16
17
18
19
20
21
22
23
24
25
26
27
28
29
30
31
32
33
| Позиция на иллюстрации | Заводской номер детали | Название детали | |
|---|---|---|---|
| А121.42.00.000 | А121.42.00.000 | Пневмосистема автогрейдера | |
| 1 | А121.42.00.360 | Плита | |
| 2 | 067.11.11.023 | Болт | |
| 3 | [Шайба 8.65Г.019 ГОСТ 6402-70] | Шайба 8.65Г.019 ГОСТ 6402-70 | |
| 4 | 100-3515110 | Клапан защитный | |
| 5 | 067.34.13.041 | Прокладка | |
| 6 | 048.05.02.083 | Штуцер | |
| 7 | А121.42.00.110 | Трубка | |
| 8 | А121.42.00.104 | Лист | |
| 9 | [Болт М8-6gх25.58.019 (S13) ГОСТ 7798-70] | Болт М8-6gх25.58.019 (S13) ГОСТ 7798-70 | |
| 10 | 100-3512010 | Регулятор давления с предохранительным клапаном в сборе ОСТ 37.001.085-76 | |
| 11 | А121.42.10.000 | Установка компрессора | |
| 12 | А121.42.10.002 | Прокладка | |
| 13 | А121.42.10.010 | Патрубок | |
| 14 | ДЗ-98.43.00.480-03 | Хомут | |
| 15 | А121.42.10.001 | Рукав | |
| 16 | ДЗ-98В4.42.10.010 | Патрубок | |
| 17 | Д395-0304.062 | Прокладка | |
| 18 | 500-3509015-Б1 | Компрессор | |
| 19 | [Болт М10-6gх25.58.019 (S16) ГОСТ 7798-70] | Болт М10-6gх25.58.019 (S16) ГОСТ 7798-70 | |
| 20 | [Шайбы 10.65Г.019 ГОСТ 6402-70] | Шайбы 10.65Г.019 ГОСТ 6402-70 | |
| 21 | Д395-0304.039 | Прокладка | |
| 22 | [Болт М12-6gх20.58.019 (S16) ГОСТ 7798-70] | Болт М12-6gх20.58.019 (S16) ГОСТ 7798-70 | |
| 23 | [Шайба 12.65Г.019 ГОСТ 6402-70] | Шайба 12.65Г.019 ГОСТ 6402-70 | |
| 24 | 067.11.11.023 | Болт | |
| 25 | Г-100-3536010 | Предохранитель против замерзания ТУ 37.366.104-75 | |
| 26 | ДЗ-98А.42.00.078 | Угольник | |
| 27 | А121.42.00.330 | Рукав | |
| 28 | А121.42.00.340 | Рукав | |
| 29 | А121.42.00.320 | Рукав | |
| 30 | А121.42.00.310 | Рукав | |
| 31 | [Шплинт 6,3x36.019 ГОСТ 397-79] | Шплинт 6,3x36.019 ГОСТ 397-79 | |
| 32 | ХР700-41-3442 | Рамка | |
| 33 | Д394-0402.090 | Лента |
Содержащиеся в справочниках-каталогах запасные части и детали не предлагаются к продаже, а носят исключительно информационный характер