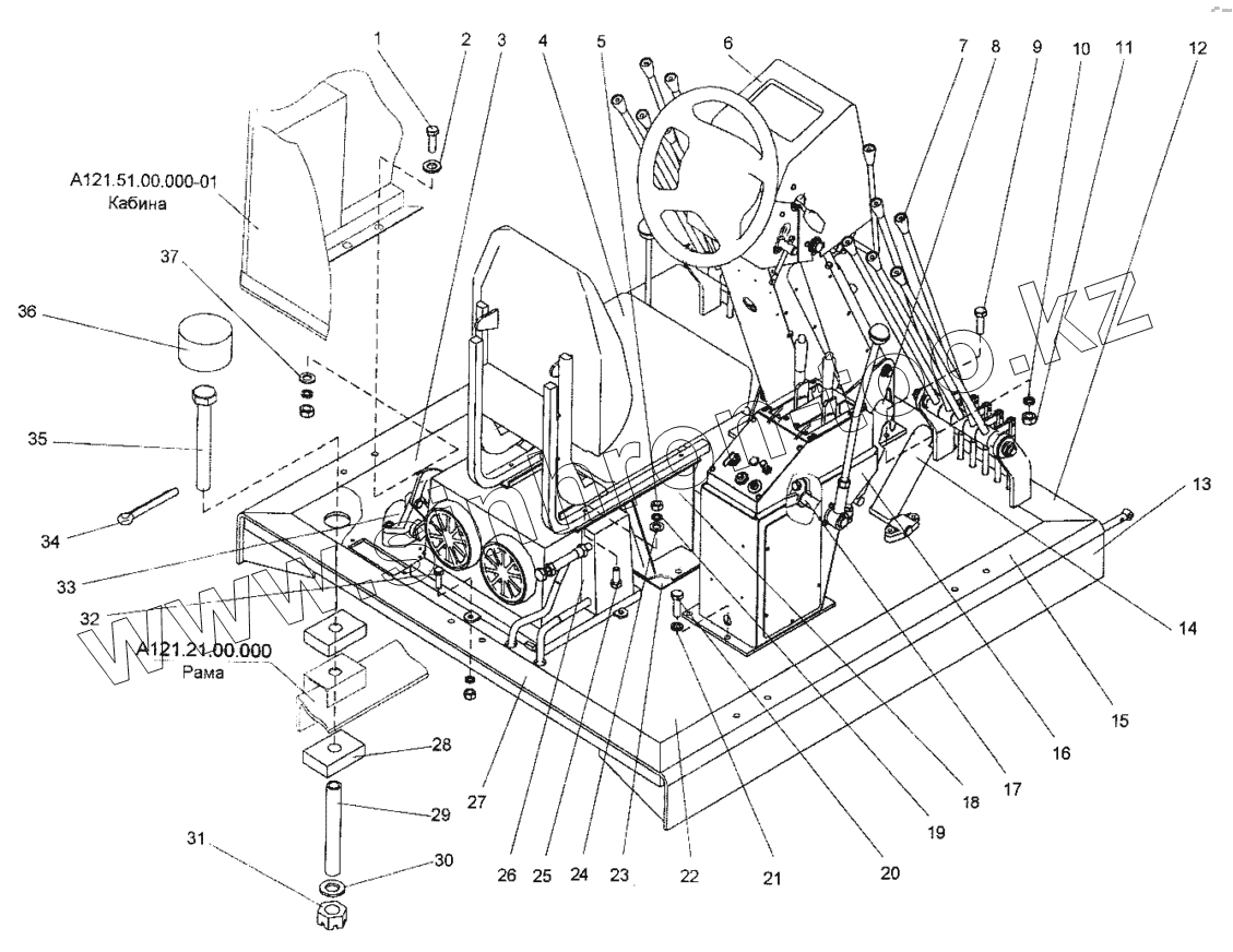
Каталог запасных частей к технике: ЧСДМ А-120. Площадка оператора (А121.13.00.000)
А121.21.00.000
А121.13.00.000
А121.51.00.000-01
1
2
3
4
5
6
7
8
9
10
11
12
13
14
15
16
17
18
19
20
21
22
23
24
25
26
27
28
29
30
31
32
33
34
35
36
37
| Позиция на иллюстрации | Заводской номер детали | Название детали | |
|---|---|---|---|
| А121.21.00.000 | А121.21.00.000 | Рама | |
| А121.13.00.000 | А121.13.00.000 | Площадка оператора | |
| А121.51.00.000-01 | А121.51.00.000-01 | Кабина | |
| 1 | [Болт М10-6gх35.58.019 (S16) ГОСТ 7798-70] | Болт М10-6gх35.58.019 (S16) ГОСТ 7798-70 | |
| 2 | 067.14.11.026 | Шайба | |
| 3 | А121.13.00.050 | Коврик левый | |
| 4 | [Сиденье У7920.01Б-2 ТУ-206 РСФСР 21-01-90] | Сиденье У7920.01Б-2 ТУ-206 РСФСР 21-01-90 | |
| 5 | [Гайка М8-6Н.5.019 (S12) ГОСТ 5915-70] | Гайка М8-6Н.5.019 (S12) ГОСТ 5915-70 | |
| 6 | А121.13.06.000 | Колонка рулевая | |
| 7 | А121.13.07.000 | Установка гидрораспределителей | |
| 8 | А121.13.03.000 | Управление колесными тормозами | |
| 9 | [Болт М10-6gх45.58.019 (S16) ГОСТ 7798-70] | Болт М10-6gх45.58.019 (S16) ГОСТ 7798-70 | |
| 10 | [Шайба 10.65Г.019 ГОСТ 6402-70] | Шайба 10.65Г.019 ГОСТ 6402-70 | |
| 11 | [Гайка М10-6Н.5.019 (S16) ГОСТ 5915-70] | Гайка М10-6Н.5.019 (S16) ГОСТ 5915-70 | |
| 12 | А121.13.00.007 | Уплотнение переднее | |
| 13 | А121.13.00.010 | Площадка рабочая | |
| 14 | А121.13.05.000 | Управление всережимным регулятором | |
| 15 | ДЗ-140А.51.02.029 | Уплотнение | |
| 16 | А121.13.09.000 | Пульт управления | |
| 17 | А121.13.02.000 | Управление переключением КПП | |
| 18 | А121.13.00.080 | Кронштейн сиденья | |
| 19 | [Шайба 8.65Г.019 ГОСТ 6402-70] | Шайба 8.65Г.019 ГОСТ 6402-70 | |
| 20 | [Болт М12-6gх35.58.019 (S18) ГОСТ 7798-70] | Болт М12-6gх35.58.019 (S18) ГОСТ 7798-70 | |
| 21 | [Шайба 12.65Г.019 ГОСТ 6402-70] | Шайба 12.65Г.019 ГОСТ 6402-70 | |
| 22 | А121.13.00.040 | Коврик правый | |
| 23 | А121.13.00.008 | Уплотнение | |
| 24 | [Шайба С8.02.019 ГОСТ 11371-78] | Шайба С8.02.019 ГОСТ 11371-78 | |
| 25 | [Болт М8-6gх35.58.019(S12) ГОСТ 7798-70] | Болт М8-6gх35.58.019(S12) ГОСТ 7798-70 | |
| 26 | [Отопитель ОТ-2] | Отопитель ОТ-2 | |
| 27 | А120.13.00.011 | Уплотнение заднее | |
| 28 | А120.13.00.007 | Амортизатор | |
| 29 | А120.13.00.012 | Втулка | |
| 30 | ПКТ0100.0014 | Шайба | |
| 31 | [Гайка М20-6Н.5.019 (S30) ГОСТ 5918-73] | Гайка М20-6Н.5.019 (S30) ГОСТ 5918-73 | |
| 32 | [Болт М8-6gх25.58.019 (S12) ГОСТ 7798-70] | Болт М8-6gх25.58.019 (S12) ГОСТ 7798-70 | |
| 33 | А120.13.04.000-01 | Управление стояночным тормозом | |
| 34 | [Шплинт 3,2x32.019 ГОСТ 397-79] | Шплинт 3,2x32.019 ГОСТ 397-79 | |
| 35 | 067.11.17.105 | Болт | |
| 36 | ДЗ-98.50.00.012 | Заглушка | |
| 37 | [Шайба С10.02.019 ГОСТ 11371-78] | Шайба С10.02.019 ГОСТ 11371-78 |
Содержащиеся в справочниках-каталогах запасные части и детали не предлагаются к продаже, а носят исключительно информационный характер