Вернуться на главную
Поиск
Каталоги запчастей к технике
Спецтехника
ЧСДМ
А-120
Оборудование рыхлительное (А121.25.03.000)
Каталог запасных частей к технике: ЧСДМ А-120. Оборудование рыхлительное (А121.25.03.000)
zoom-in
zoom-out
enlarge
shrink
circle-right
circle-left
file-text2
info
cart
Тип техники
Не выбрано
Легковые автомобили
Грузовые автомобили и прицепы
Автобусы
Сельхозтехника
Спецтехника
Двигатели
Мототехника
Марка
Не выбрано
Ammann
BOMAG
CARMIX
CASE IH
Changlin
ChengGong
Dimex
Doosan
DYNAPAC
Foton
HAMM
Hidromek
Hitachi
Hyundai
JCB
JLG
John Deere
Komatsu
LIEBHERR
LiuGong
Lonking (LongGong)
Luneng
MANITOU
Mitsuber
New Holland
PENGPU
RM-Terex
SANY
SDLG
SEM
Shantui
Shehwa HBXG
Soosan
TIGARBO
VOGELE
Volvo
WAY
WIRTGEN
XCMG
XGMA
Xiamen
YTO
Yuchai
Zoomlion
Автокран
АЗСМ
Алтайлесмаш
Амкодор
АОМЗ
Атек
АТЗ
Балканкар Рекорд
БелАЗ
Беловеж
Борекс
Брянский Арсенал
Булат
ВЭКС
ГАЗ
Геомаш
Гидромаш
Донекс
Дормаш
Дормашина
Дорэлектромаш
ДЭЗ
ЕлАЗ
ЗЗГТ
Ижнефтемаш
Канаш-электрокар
КЗКТ
ККЗ
Клевер
Клинцовский автокрановый завод
КМЗ
КМЗ 1 Мая
Ковровец
Коммаш
Кранэкс
КЭЗ
КЭМЗ
ЛЗА
МАЗ
МЗИК
МЗКМ
МЗКТ
Михневский РМЗ
МоАЗ
Мозырский МЗ
МТЗ
ОЗП
Онежец
ПАО "ТЗА"
ППС Детва
Промтрактор
ПТЗ
Раскат
СпецАгрегат
ТВЭКС
ТТМ
УВЗ
Угличмаш
УЗТМ
ХТЗ
ЧЗКМ
ЧСДМ
ЧТЗ
ЭКСКО
ЭКСМАШ
ЮрМаш
Модель
Не выбрано
TL-150 (2016)
TL-155 (2018)
TL-155 (2022)
А-120 (2003)
В-140 (2010)
В-160 (2010)
ДЗ-98В (2003)
ДЗ-98В (2015)
ДЗ-98В (2022)
ДЗ-98В.1 (2010)
ДЗ-98В.1 (дополнение) (2010)
Погрузчик В-138 (2009)
Схема
>
Не выбрано
Кабина (А120.51.00.000-01)
Кабина (А120.51.00.000-01)
Кабина (А120.51.00.000-01)
Калитка (ДЗ-140А.51.01.300-10)
Калитка (ДЗ-140А.51.01.300-11)
Площадка оператора (А121.13.00.000)
Капот (А121.52.00.000)
Установка крыльев (А120.53.00.000)
Установка силовая (А121.11.00.000)
Установка силовая (А121.11.00.000)
Система топливная (А121.31.00.000)
Система всасывания и выхлопа (А121.32.00.000)
Система охлаждения и разогрева двигателя (А121.33.00.000-01)
Система охлаждения и разогрева двигателя (А121.33.00.000-01)
Система смазки (А121.38.00.000)
Редуктор (А121.11.01.000)
Редуктор (А121.11.01.000)
Установка гидромеханической передачи (А120.10.00.000)
Гидросистема гидромеханической передачи (А121.12.00.000)
Передача карданная (А120.16.00.000-01)
Мост передний (А120.61.00.500)
Мост передний (А120.61.00.500)
Мост передний (А120.61.00.500)
Мост передний (А120.61.00.500)
Тележка балансирная (А120.03.00.000-01)
Рама (А121.21.00.000)
Рама (А121.21.00.000)
Рама (А121.21.00.000)
Рама (А121.21.00.000)
Рама (А121.21.00.000)
Рама (А121.21.00.000)
Балансир (А121.03.01.000)
Балансир (А121.03.01.000)
Тяга поперечная (А120.61.00.550)
Ступица (А120.61.01.400)
Ступица (А120.61.01.400-01)
Колесо (А120.24.00.000)
Управление переключением КПП (А121.13.02.000)
Управление всережимным регулятором (А121.13.05.000)
Пульт управления (А121.13.06.010)
Установка гидрораспределителей (А121.13.07.000)
Пульт управления А121.13.09.000
Блок управления (А121.13.09.030)
Блок управления (А120.10.12.200)
Гидроцилиндры (А120.14.01.000, А120.14.01.000-01)
Управление рулевое (А121.14.00.000)
Колонка рулевая (А121.13.06.000)
Гидроруль (А121.13.06.020)
Управление стояночным тормозом (А120.13.04.000-01)
Управление колесными тормозами (А121.13.03.000)
Тормоз стояночный (А120.10.07.000)
Пневмосистема автогрейдера (А121.42.00.000)
Пневмосистема автогрейдера (А121.42.00.000)
Пневмосистема автогрейдера (А121.42.00.000)
Пневмораспределитель (ДЗ-98В.42.00.010)
Электрооборудование автогрейдера (А121.41.00.000)
Электрооборудование автогрейдера (А121.41.00.000)
Электрооборудование автогрейдера (А121.41.00.000)
Электрооборудование автогрейдера (А121.41.00.000)
Электрооборудование автогрейдера (А121.41.00.000)
Электрооборудование кабины (А120.41.01.000-01)
Электрооборудование кабины (А120.41.01.000-01)
Электрооборудование кабины (А120.41.01.000-01)
Электрооборудование кабины (А120.41.01.000-01)
Электрооборудование кабины (А120.41.01.000-01)
Электрооборудование кабины (А120.41.01.000-01)
Электрооборудование передней рамы (А120.41.02.000)
Электрооборудование передней рамы (А120.41.02.000)
Щиток переключателей (А121.41.01.040)
Лист левый в сборе (А120.41.01.180)
Панель замка зажигания (А121.41.01.190)
Лист средний в сборе (ДЗ-98В.41.01.170)
Табло сигнальное (ДЗ-140А.41.27.100-05)
Щиток приборов (А121.41.01.020)
Гидроцилиндр в сборе (А121.43.00.010)
Гидроцилиндр в сборе (А121.43.00.010-01)
Гидроцилиндр в сборе (А121.43.00.010-02)
Гидроцилиндр (А121.43.01.000)
Гидроцилиндр (А121.43.01.000-01)
Гидроцилиндр (А121.43.01.000-02)
Гидроцилиндр (А120.43.02.000)
Гидроцилиндр (А121.43.03.000)
Гидроцилиндр (А121.43.03.000-01)
Гидроцилиндр (А120.43.03.050)
Гидроцилиндр (А120.43.03.050-01)
Гидроцилиндр (А120.43.03.100)
Гидроцилиндр (А121.43.05.000)
Гидросистема автогрейдера (А121.43.00.000)
Гидросистема автогрейдера (А121.43.00.000)
Гидросистема автогрейдера (А121.43.00.000)
Гидросистема автогрейдера (А121.43.00.000)
Гидрозамок (А121.43.13.210)
Блок клапанов (А121.43.13.400)
Бак масляный (А121.43.15.070)
Клапан заборный (А121.43.15.100)
Гидроцилиндр (А121.43.17.000)
Гидросистема отвала (А121.43.13.000)
Подвеска тяговой рамы (А120.30.00.000)
Рама тяговая (А121.34.00.000-02)
Рама тяговая (А121.34.00.000-02)
Оборудование с кирковщиком (А121.25.01.000)
Оборудование с неповоротным отвалом (А121.25.02.000)
Оборудование рыхлительное (А121.25.03.000)
Отвал (А121.25.05.100)
Оборудование с поворотным отвалом (А121.25.05.000)
Оборудование снегоочистительное (А121.25.06.000)
Автогрейдер А-120, его модификации и комплектации (А120.00.00.000)
А121.21.00.000
А121.25.03.000
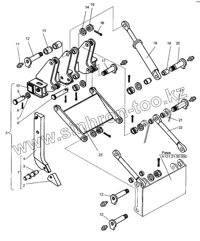
1
2
3
4
5
6
7
8
9
10
11
12
12
12
13
14
15
16
17
17
18
19
20
21
22
23
Позиция на иллюстрации
Заводской номер детали
Название детали
А121.21.00.000
А121.21.00.000
Рама
А121.25.03.000
А121.25.03.000
Оборудование рыхлительное
1
А121.25.03.200
Зуб
2
ДЗ-116В.12.002
Наконечник
3
ТО-40.25.11.010
Палец
4
А121.25.03.201
Стойка
5
А121.25.03.400
Рыхлитель
6
А120.25.03.401
Палец
7
Д395Б.04.018
Шайба
8
[Шплинт 8x71 ГОСТ 397-79]
Шплинт 8x71 ГОСТ 397-79
9
067.43.11.265
Палец
10
А121.25.03.100
Балка рабочая
11
[Масленка 1.2.Ц6 ГОСТ 19853-74]
Масленка 1.2.Ц6 ГОСТ 19853-74
12
ТО-40.25.15.020-04
Ось
13
ТО-40.25.15.004-03
Втулка
14
067.14.11.092
Шайба
15
067.13.12.091
Гайка прорезная
16
[Шплинт 8x71.019 ГОСТ 397-79]
Шплинт 8x71.019 ГОСТ 397-79
17
ТО-40.25.15.020-06
Ось
18
А120.43.03.000
Гидроцилиндр
19
ТО-40.25.15.004
Втулка
20
ТО-40.25.15.020
Ось
21
А120.25.02.004
Втулка
22
А120.25.03.300-01
Тяга
23
А120.25.03.200
Рама
Содержащиеся в справочниках-каталогах запасные части и детали не предлагаются к продаже, а носят исключительно информационный характер
Дополнительная информация
×
Название:
Номер:
Примечание: