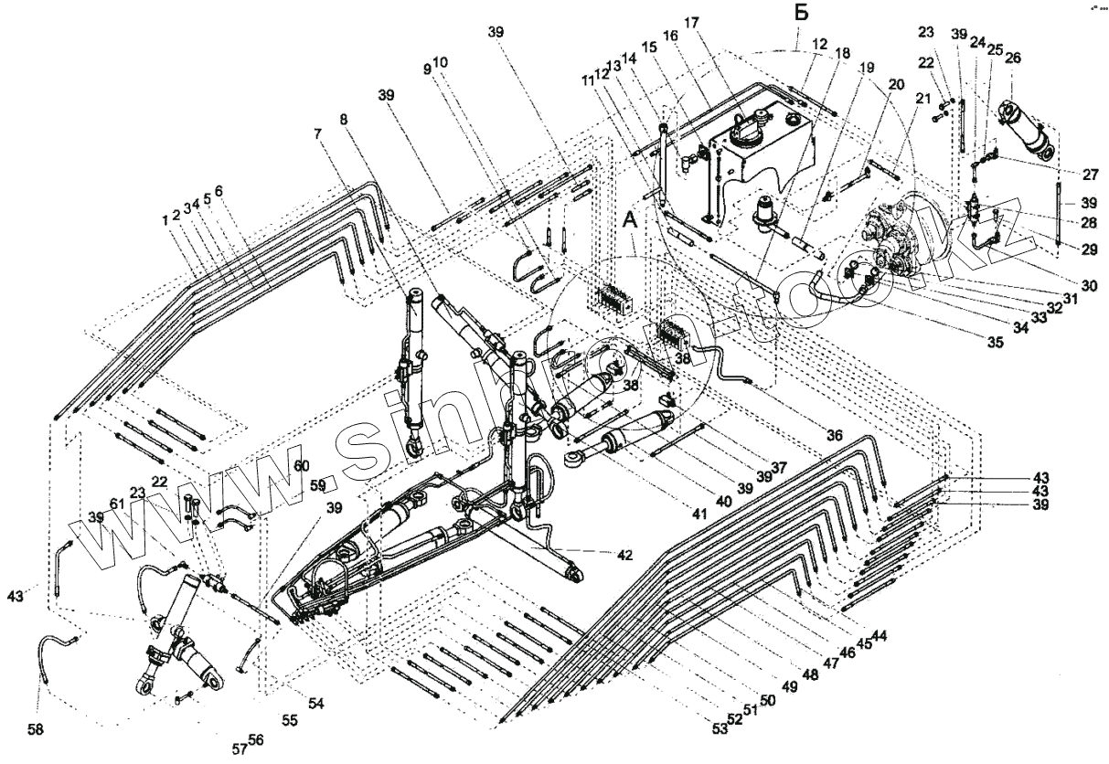
Каталог запасных частей к технике: ЧСДМ А-120. Гидросистема автогрейдера (А121.43.00.000)
А121.43.00.000
1
2
3
4
5
6
7
8
9
10
11
12
12
13
14
15
16
17
18
19
20
21
22
22
23
23
24
25
26
27
28
29
30
31
32
33
34
35
36
37
38
38
39
39
39
39
39
39
39
39
39
40
41
42
43
43
43
44
45
46
47
48
49
50
51
52
53
54
55
56
57
58
59
60
61
| Позиция на иллюстрации | Заводской номер детали | Название детали | |
|---|---|---|---|
| А121.43.00.000 | А121.43.00.000 | Гидросистема автогрейдера | |
| 1 | А121.43.00.170-01 | Труба | |
| 2 | А121.43.00.170 | Труба | |
| 3 | А121.43.00.090 | Труба | |
| 4 | А121.43.00.100 | Труба | |
| 5 | А121.43.00.080 | Труба | |
| 6 | А121.43.00.070 | Труба | |
| 7 | А121.43.00.010-02 | Гидроцилиндр в сборе | |
| 8 | А121.43.00.010 | Гидроцилиндр в сборе | |
| 9 | А121.43.00.470-01 | Труба | |
| 10 | А121.43.00.470 | Труба | |
| 11 | А121.43.00.047 | Шланг | |
| 12 | РВДZ 16-20-1050 | Рукав ТУ 22-166-29-91 | |
| 13 | А121.43.00.510 | Труба | |
| 14 | А121.43.00.320 | Тройник | |
| 15 | А121.43.00.240 | Штуцер | |
| 16 | А121.43.00.050 | Труба | |
| 17 | А121.43.15.070 | Бак масляный | |
| 18 | А121.43.00.520 | Труба | |
| 19 | А121.43.00.002 | Шланг | |
| 20 | А121.43.00.400 | Труба | |
| 21 | РВДZ 20-15-850 | Рукав ТУ 22-4756-80 | |
| 22 | [Болт М8-6gх50.58.019 (S13) ГОСТ 7798-70] | Болт М8-6gх50.58.019 (S13) ГОСТ 7798-70 | |
| 23 | [Шайба 8.65Г.019 ГОСТ 6402-70] | Шайба 8.65Г.019 ГОСТ 6402-70 | |
| 24 | А121.43.00.210 | Труба | |
| 25 | А121.43.00.350 | Угольник | |
| 26 | А121.43.03.000 | Гидроцилиндр | |
| 27 | 067.36.11.561 | Хомут | |
| 28 | [Болт М10-6gх20.58.019 (S16) ГОСТ 7798-70] | Болт М10-6gх20.58.019 (S16) ГОСТ 7798-70 | |
| 29 | А121.43.13.210 | Гидрозамок | |
| 30 | А121.43.00.220 | Труба | |
| 31 | 032-038-36-2-2 | Кольцо | |
| 32 | 034-040-36-2-2 | Кольцо ГОСТ 18829-73/ГОСТ 9833-73 | |
| 33 | А121.43.00.260 | Штуцер | |
| 34 | А121.43.00.250 | Штуцер | |
| 35 | А121.43.00.270 | Труба заборная | |
| 36 | А121.43.00.046 | Шланг | |
| 37 | А121.43.00.140 | Переходник | |
| 38 | РВД Z 12-25-850 | Рукав ТУ 22-4756-80 | |
| 39 | РВДZ 12-25-1050 | Рукав ТУ 22-4756-80 | |
| 40 | А121.43.03.000-01 | Гидроцилиндр | |
| 41 | А121.43.00.010-01 | Гидроцилиндр в сборе | |
| 42 | А121.43.13.000 | Гидросистема отвала | |
| 43 | РВДZ 12-25-1250 | Рукав ТУ 22-4756-80 | |
| 44 | А121.43.00.120 | Труба | |
| 45 | А121.43.00.110 | Труба | |
| 46 | А121.43.00.150 | Труба | |
| 47 | А121.43.00.150-01 | Труба | |
| 48 | А121.43.00.150-02 | Труба | |
| 49 | А121.43.00.150-03 | Труба | |
| 50 | А121.43.00.150-05 | Труба | |
| 51 | А121.43.00.150-04 | Труба | |
| 52 | А121.43.00.450 | Труба | |
| 53 | А121.43.00.450-01 | Труба | |
| 54 | А121.43.00.410 | Труба | |
| 55 | А121.43.05.000 | Гидроцилиндр | |
| 56 | А121.43.00.370 | Труба | |
| 57 | А121.43.17.000 | Гидроцилиндр | |
| 58 | РВДZ 12-25-1650 | Рукав ТУ 22-4756-80 | |
| 59 | А121.43.00.230 | Труба | |
| 60 | А121.43.00.230-01 | Труба | |
| 61 | А121.43.00.130 | Угольник |
Содержащиеся в справочниках-каталогах запасные части и детали не предлагаются к продаже, а носят исключительно информационный характер