Вернуться на главную
Поиск
Каталоги запчастей к технике
Спецтехника
ChengGong
CG-958G
Z50G03T5 Torque Converter Transmission
Каталог запасных частей к технике: ChengGong CG-958G. Z50G03T5 Torque Converter Transmission
zoom-in
zoom-out
enlarge
shrink
circle-right
circle-left
file-text2
info
cart
Тип техники
Не выбрано
Легковые автомобили
Грузовые автомобили и прицепы
Автобусы
Сельхозтехника
Спецтехника
Двигатели
Мототехника
Марка
Не выбрано
Ammann
BOMAG
CARMIX
CASE IH
Changlin
ChengGong
Dimex
Doosan
DYNAPAC
Foton
HAMM
Hidromek
Hitachi
Hyundai
JCB
JLG
John Deere
Komatsu
LIEBHERR
LiuGong
Lonking (LongGong)
Luneng
MANITOU
Mitsuber
New Holland
PENGPU
RM-Terex
SANY
SDLG
SEM
Shantui
Shehwa HBXG
Soosan
TIGARBO
VOGELE
Volvo
WAY
WIRTGEN
XCMG
XGMA
Xiamen
YTO
Yuchai
Zoomlion
Автокран
АЗСМ
Алтайлесмаш
Амкодор
АОМЗ
Атек
АТЗ
Балканкар Рекорд
БелАЗ
Беловеж
Борекс
Брянский Арсенал
Булат
ВЭКС
ГАЗ
Геомаш
Гидромаш
Донекс
Дормаш
Дормашина
Дорэлектромаш
ДЭЗ
ЕлАЗ
ЗЗГТ
Ижнефтемаш
Канаш-электрокар
КЗКТ
ККЗ
Клевер
Клинцовский автокрановый завод
КМЗ
КМЗ 1 Мая
Ковровец
Коммаш
Кранэкс
КЭЗ
КЭМЗ
ЛЗА
МАЗ
МЗИК
МЗКМ
МЗКТ
Михневский РМЗ
МоАЗ
Мозырский МЗ
МТЗ
ОЗП
Онежец
ПАО "ТЗА"
ППС Детва
Промтрактор
ПТЗ
Раскат
СпецАгрегат
ТВЭКС
ТТМ
УВЗ
Угличмаш
УЗТМ
ХТЗ
ЧЗКМ
ЧСДМ
ЧТЗ
ЭКСКО
ЭКСМАШ
ЮрМаш
Модель
Не выбрано
CG-932H (2014)
CG-932H (2014)
CG-935G (2006)
CG-935H (2014)
CG-938H (2006)
CG-956C (2014)
CG-956G (2014)
CG-958G (2006)
CG-958H (2006)
Схема
>
Не выбрано
Z50G01T7 Engine Assembly
Z50G0101T7 Fuel Tank
Z50G0102T7 Cooling System
Z50G0103T7 Input System
Z50G010301T7 Air Cleaner Support
A768-010 Air Cleaner
Z50G0104T7 Outlet Assembly
XH.G439X.W Muffler
Z50G0107T7 Fuel Pipe
Z50G0111T7 Inlet Hose Assembly
Z50G0112T7 Outlet Hose Assembly
Z50G03T5 Torque Converter Transmission
Z50G04T7 Transmission Oil Line and Control
06F0001 Front Axle, 06E0001 Rear Axle
06F0106 Rim Assembly
06E0104 Front Support Carrier, 06E0103 Rear Support Carrier
06F0101 Front Axle Differential (I), 06E0101 Front Axle Differential (I)
06F0101 Front Axle Differential (II), 06E0101 Front Axle Differential (II)
06F0101 Front Axle Differential (III) 06E0101 Rear Axle Differential (III)
06F0102 Hub Reducer
Z50G07 Front Drive Shaft, Middle Drive Shaft
Z50G08T7 Steeing System
Z50G0801T7 Suction Pipe
Z50G0802T7 Valve
Z50G0803T7 Lash-up Clamp
12869-00 Lash-up Clamp
BZZ1-1000/FK-15/20 Steering Unit
CL90X45/488 EG-00 Steering Cylinder
Z50G09T7 Braking system
Z50G0901T7 Traveling Accumulator
Z50G0902T1 Pedal Brake Valve Assembly
06-466-210 Valve
Z50G0903T1 Parking Accumulator Assembly
Z50G0902T7 Compositive Valve
Z50G0904T7 Dual Charge valve assembly
06-463-230 Valve
Z50G10T7 Implement Hydraulic System
Z50G1001T7 Hydraulic Oil Tank
Z50G1002T7 Steel Tube Assembly
Z50G1003T7 Steel Tube Assembly
Z50G1004T7 Steel Tube Assembly
Z50G1005T7 Valve
Z50F1016 Clip
Z50G1004T1 Steel Tube Assembly
Z50G1009T7 Multi-Way Inverter Valve
Z50G1005T1 Steel Tube Assembly
Z50G1010T7 Steel Tube Assembly
Z50G1009T7 Steel Tube Assembly
Z50G1006T7 Tilting Cylinder Assembly
CF200X90/550EE-00B Tilting Cylinder
Z50G1007T7 Left Lift Cylinder Assembly
Z50G1008T7 Ringht Lift Cylinder Assembly
CF160X80/880ER/E-00B Lift Cylinder
Z50G1012T7 Pilot Hydraulic System
DKF1-00 Valve
Z50G11 Rear Drive Shaft
Z50G12T7 Frame Group (I)
Z50G12T7 Frame Group (II)
Z50G12T7 Frame Group (III)
Z50G12T7 Frame Group (IV)
ZL50G12T7 Frame Group (V)
Z50G13T7 Cab
Z50G13T7 Cab
Z50G13T7 Cab
Z50E130103T38 Right Door, Z50E130102T38 Left Door
Z50G13T7 Cab
GMS502 lock assembly
GMS502C.00-00 Handgrip assembly
Z50G1303T7 Control box Assembly
Z50G14 Implement (I)
Z50G14 Implement (II)
Z50G14 Implement (III)
ZL50G(T7) Electrical Component
Z50F16 Bucket Positioner-Tilt Adjustment Bucket Lift kickout
Z50G17T7 Air-conditioner System
YTCG35H/2-81030000 Evaporator
YTCG50E-II-81010000 condensator assembly
Z50G18T7 Fan Control System
Z50G1801T7 Motor Bracket Assembly
Z50G19T7 The safety support of lift cylinder
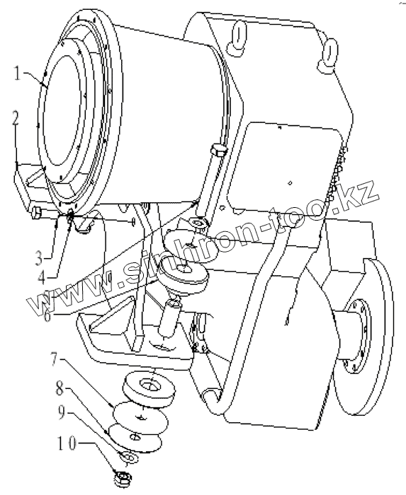
1
2
3
4
5
6
7
8
9
10
Позиция на иллюстрации
Заводской номер детали
Название детали
1
ZF4WG-200
TorqueConverter Transmission
2
Z5EH0302T4
Support
3
GB5783-86
Bolt M8x20
4
GB97.2-85
Washer 16
5
GB5783-86
Bolt M8x20
6
CB-2205-2
Pamper
7
Z5EH030000002T4
Washer
8
Z5EH030000003T4
Adjusting Shim
9
GB97.2-85
Washer 16
10
GB/T6185-86
Nut M24
Содержащиеся в справочниках-каталогах запасные части и детали не предлагаются к продаже, а носят исключительно информационный характер
Дополнительная информация
×
Название:
Номер:
Примечание: