Каталог запасных частей к технике: ChengGong CG-956C. YJSW315-6 Torque Converter
2
3
4
6
7
8
9
10
11
12
15
18
19
20
21
22
23
24
25
26
27
28
29
30
B1
B2
B2
B2
B2
В3
В4
В5
В5
В7
В12
В13
В14
В15
В16
В17
В17
В20
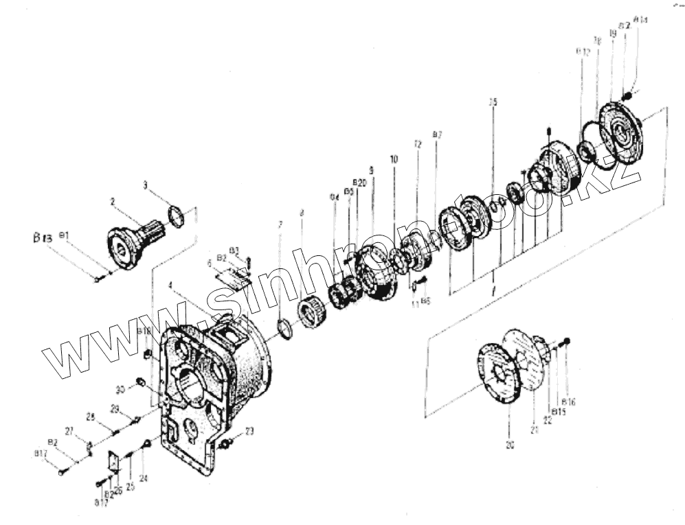
| Позиция на иллюстрации | Заводской номер детали | Название детали | |
|---|---|---|---|
| 1 | YJSW315.6.08/09 | Cross Turbine | |
| 2 | YJSW315.6.20С | Stator Seat | |
| 3 | YJSW315.6.21 | Seal Ring | |
| 4 | YJSW315.6.01-Х | Pump Body | |
| 5 | YJSW315.6.12 | Gasket | |
| 6 | YJSW315.6.10 | Plate | |
| 7 | YJSW315.6.18 | Seal Ring | |
| 8 | YJSW315.6.16 | Gear | |
| 9 | YJSW315.6.13 | Impeller | |
| 10 | YJSW315.6.19 | Gasket | |
| 11 | YJSW315.6.23 | Gasket | |
| 12 | YJSW315.6.14 | Stator | |
| 15 | YJSW315.6.07 | Adjusting Shim | |
| 18 | YJSW315.6.03 | O-ring | |
| 19 | YJSW315.6.05С | Housing | |
| 20 | YJSW315.6.02 | Plate | |
| 21 | YJSW315.6.04 | Spring Plate | |
| 22 | YJSW315.6.06 | Horn Driving Sleeve | |
| 23 | YJSW315.6.28C-AD | Connector | |
| 24 | YJSW315.6.31 | Valve Rod | |
| 25 | YJSW315.6.29 | Spring | |
| 26 | YJSW315.6.30 | Plate | |
| 27 | YJSW315.6.26 | Cover | |
| 28 | YJSW315.6.25 | Spring | |
| 29 | YJSW315.6.24 | Valve Rod | |
| 30 | YJSW315.6.22 | Plug | |
| B1 | GB/T93-87 | Washer 20 | |
| B2 | GB/T93-87 | Washer 20 | |
| В3 | GB/T5783-2000 | Connector | |
| В4 | GB/T276-94 | Bearing | |
| В5 | GB/T5783-2000 | Connector | |
| В6 | GB/T5783-2000 | Connector | |
| В7 | GB/T894.1-86 | Snap Ring | |
| В12 | GB/T276-94 | Bearing | |
| В13 | GB/T5783-2000 | Connector | |
| В14 | GB/T6170-2000 | Nut M14 | |
| В15 | GB/T93-87 | Washer 20 | |
| В16 | GB/T5783-2000 | Connector | |
| В17 | GB/T5783-2000 | Connector | |
| В20 | GB/T848-2002 | Washer |
Содержащиеся в справочниках-каталогах запасные части и детали не предлагаются к продаже, а носят исключительно информационный характер