Вернуться на главную
Поиск
Каталоги запчастей к технике
Спецтехника
ChengGong
CG-938H
Ride Control Valve Assembly
Каталог запасных частей к технике: ChengGong CG-938H. Ride Control Valve Assembly
zoom-in
zoom-out
enlarge
shrink
circle-right
circle-left
file-text2
info
cart
Тип техники
Не выбрано
Легковые автомобили
Грузовые автомобили и прицепы
Автобусы
Сельхозтехника
Спецтехника
Двигатели
Мототехника
Марка
Не выбрано
Ammann
BOMAG
CARMIX
CASE IH
Changlin
ChengGong
Dimex
Doosan
DYNAPAC
Foton
HAMM
Hidromek
Hitachi
Hyundai
JCB
JLG
John Deere
Komatsu
LIEBHERR
LiuGong
Lonking (LongGong)
Luneng
MANITOU
Mitsuber
New Holland
PENGPU
RM-Terex
SANY
SDLG
SEM
Shantui
Shehwa HBXG
Soosan
TIGARBO
VOGELE
Volvo
WAY
WIRTGEN
XCMG
XGMA
Xiamen
YTO
Yuchai
Zoomlion
Автокран
АЗСМ
Алтайлесмаш
Амкодор
АОМЗ
Атек
АТЗ
Балканкар Рекорд
БелАЗ
Беловеж
Борекс
Брянский Арсенал
Булат
ВЭКС
ГАЗ
Геомаш
Гидромаш
Донекс
Дормаш
Дормашина
Дорэлектромаш
ДЭЗ
ЕлАЗ
ЗЗГТ
Ижнефтемаш
Канаш-электрокар
КЗКТ
ККЗ
Клевер
Клинцовский автокрановый завод
КМЗ
КМЗ 1 Мая
Ковровец
Коммаш
Кранэкс
КЭЗ
КЭМЗ
ЛЗА
МАЗ
МЗИК
МЗКМ
МЗКТ
Михневский РМЗ
МоАЗ
Мозырский МЗ
МТЗ
ОЗП
Онежец
ПАО "ТЗА"
ППС Детва
Промтрактор
ПТЗ
Раскат
СпецАгрегат
ТВЭКС
ТТМ
УВЗ
Угличмаш
УЗТМ
ХТЗ
ЧЗКМ
ЧСДМ
ЧТЗ
ЭКСКО
ЭКСМАШ
ЮрМаш
Модель
Не выбрано
CG-932H (2014)
CG-932H (2014)
CG-935G (2006)
CG-935H (2014)
CG-938H (2006)
CG-956C (2014)
CG-956G (2014)
CG-958G (2006)
CG-958H (2006)
Схема
>
Не выбрано
Engine Assembly
Fuel Tank Assembly
Cooling Assembly
Admission Assembly
Exhaust Assembly
Inlet Water Pipe Assembly
Outlet Water Pipe Assembly
Torque Converter Transmission
Transmission Oil Line And Control System
Rear Axle, front Axle
Differential
Differential
Hub Reducer
Rim Assembly
Front Support Carrier, rear Support Carrier
Front Drive Shaft
Steering System
Steering Unit
Suction Pipe
Valve
Lash-up Clamp
Lash-up Clamp
Confluence Body Valve
Steering Cylinder
Braking System
Valve Assembly
Control manifold Assembly
Control manifold
Safety valve
Valve Assembly
Valve Assembly
Service Brakes
Service Brakes
Implement Hydraulic System
Hydraulic Oil Tank Assembly
Hydraulic Oil Tank
L Plate Assembly
Plate Assembly
Plate Assembly
Plate Assembly
Steel Tube Assembly
Steel Tube Assembly
Ride Control Valve Assembly
Accumulator Assembly
Multi-way valve Assembly
Tilting Cylinder Assembly
Assembly
Tilting Cylinder Assembly
Steel Tube Assembly
Steel Tube Assembly
Tilting Cylinder Assembly
Steel Tube Assembly
Steel Tube Assembly
Steel Tube Assembly
Steel Tube Assembly
Steel Tube Assembly
Steel Tube Assembly
Multi-way Valve T Meatus Assembly
Pilot Hydraulic System
Ride Control Valve Assembly
Rear Drive Shaft
Frame Group(I)
Frame Group(II)
Frame Group(III)
Frame Group(IV)
Cab
Cab
Cab
Cab
Cab
Implement (I)
Implement (II)
Implement (III)
Electrical Component, chassis Wiring
Cab Electrical Equipment Group
Vehicle Rear Video System
Battery Wiring
Level Device
Bracket
Seat
Seat
Position Pole
Air-conditioner System
Fan Control System
Motor Bracket Assembly
The safety support of lift cylinder
Manual Centralized Lubricating System
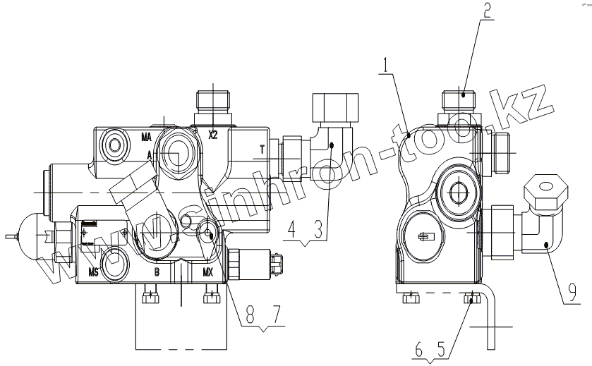
1
2
3
4
5
6
7
8
9
Позиция на иллюстрации
Заводской номер детали
Название детали
1
RSM2-16B2X/A250B12 0G24C4V01
Ride Control Valve
2
1DG-36-16Z
Connector
3
1CG-30-16Z
Connector
4
2C9-30Z
Connector
5
GB/T5783-2000
Connector
6
GB/T93-1987
Valve
7
5GM-04-14Z
Connector
8
PT-3-DKL
Connector
9
2D9-36Z
Connector
Содержащиеся в справочниках-каталогах запасные части и детали не предлагаются к продаже, а носят исключительно информационный характер
Дополнительная информация
×
Название:
Номер:
Примечание: