Каталог запасных частей к технике: ChengGong CG-938H. Manual Centralized Lubricating System
1
1
2
2
3
3
3
4
4
5
6
7
8
9
10
10
10
11
11
11
11
12
12
13
14
15
15
16
17
18
19
20
21
22
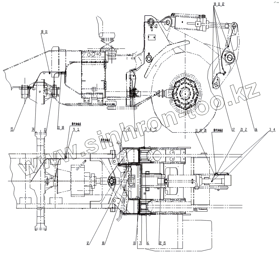
| Позиция на иллюстрации | Заводской номер детали | Название детали | |
|---|---|---|---|
| 1 | 5QM-12C-10LALNZ | Connector | |
| 2 | JB/T7940.1-1995 | Oil Cup M10x1 | |
| 3 | 1QH-12C(1.25)-Z | Connector | |
| 4 | 2Q9-12C (1.25) Z | Connector | |
| 5 | Z38G2101T1 | Lubricate Conduit1 | |
| 6 | Z38G2102T1 | Lubricate Conduit2 | |
| 7 | Z38G2103T1 | Lubricate Conduit3 | |
| 8 | K0608-06Z | Clamp | |
| 9 | JB/T7940.2-1995 | Oil Cup M10х1 | |
| 10 | GB/T 5783-2000 | Bolt | |
| 11 | GB/T 93-1987 | Washer | |
| 12 | K0608-12Z | R clip | |
| 13 | Z38G2107T1 | Lubricate Conduit7 | |
| 14 | Z38G2108T1 | Lubricate Conduit8 | |
| 15 | 1QH9-12C-10OGZ | Connector | |
| 16 | Z38G2104T1 | Lubricate Conduit | |
| 17 | Z38G2105T1 | Lubricate Conduit | |
| 18 | Z38G2106T1 | Lubricate Conduit | |
| 19 | Z50G210000001T15 | Supporting plate | |
| 20 | GB/T 70.1-2000 | Bolt | |
| 21 | 5QM9-12C-10FALNZ | Connector | |
| 22 | 5HN-10FAZ | Connector | |
| 23 | 1QH9-12-10Z | Connector |
Содержащиеся в справочниках-каталогах запасные части и детали не предлагаются к продаже, а носят исключительно информационный характер