Каталог запасных частей к технике: ChengGong CG-935H. Z3BII02 Torque Converter (II)
1
1
2
2
2
2
3
3
4
4
5
5
6
6
7
7
7
7
8
9
9
10
11
12
13
14
14
15
15
16
17
18
19
19
19
20
20
20
21
21
22
23
24
25
26
27
29
31
31
32
32
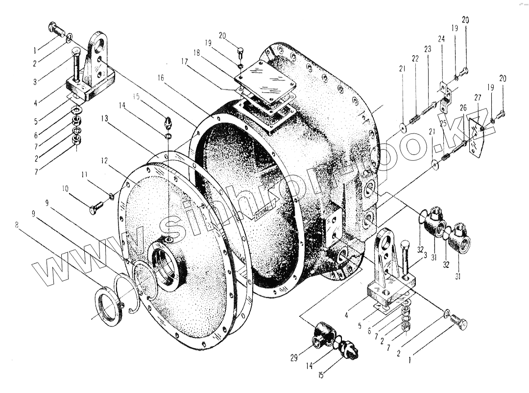
| Позиция на иллюстрации | Заводской номер детали | Название детали | |
|---|---|---|---|
| 1 | GB898-88 | Stud | |
| 2 | GB93-87 | Washer 8 | |
| 3 | GB5783-86 | Bolt M8x20 | |
| 4 | Z3BII0312 | Bracket | |
| 5 | Z3BII030100066 | Adjusting Shim | |
| 6 | GB97.1-86 | Washer 8 | |
| 7 | GB6170-86 | Nut M6 | |
| 8 | HG4-692-67 | Oil Seal PD60x80x12 | |
| 9 | GB893.1-86 | Snap Ring 190 | |
| 10 | GB5781-86 | Bolt M16X35 | |
| 11 | GB93-87 | Washer 8 | |
| 12 | Z3BII020000001 | End Cover | |
| 13 | Z3BII020000006 | Paper Gasket | |
| 14 | Z3BII020000004 | Washer | |
| 15 | Z3BII020000005 | Connector | |
| 16 | Z3BII020000014 | Housing | |
| 17 | Z3BII020100007 | Paper Gasket | |
| 18 | Z3BII020000008 | Plate | |
| 19 | GB93-87 | Washer 8 | |
| 20 | GB5783-86 | Bolt M8x20 | |
| 21 | Z3BII020000024 | Washer | |
| 22 | Z3BII020000026 | Spring | |
| 23 | Z3BII020000022 | Valve Rod | |
| 24 | Z3BII020000020 | Valve Cover | |
| 25 | Z3BII020000023 | Spring | |
| 26 | Z3BII020000025 | Valve Rod | |
| 27 | Z3BII020000021 | Plate | |
| 29 | Z3BII02003 | Connector | |
| 31 | CG302.3-95 | Union | |
| 32 | JB982-77 | Washer 14 |
Содержащиеся в справочниках-каталогах запасные части и детали не предлагаются к продаже, а носят исключительно информационный характер