Каталог запасных частей к технике: ChengGong CG-935G. Схема электрооборудования
1
1
2
2
3
4
5
6
7
8
9
9
10
11
12
13
13
14
15
15
16
17
17
18
18
19
19
20
21
24
26
28
30
32
37
38
38
39
40
40
41
42
42
42
43
44
48
49
49
52
52
52
53
53
54
54
54
55
55
56
57
58
59
60
61
62
62
63
64
65
66
67
68
69
70
71
74
75
76
77
78
79
79
80
81
83
84
85
86
87
87
88
89
94
95
96
97
98
99
100
101
103
104
110
110
111
112
112
113
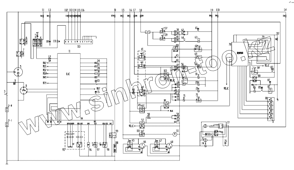
| Позиция на иллюстрации | Заводской номер детали | Название детали | |
|---|---|---|---|
| 1 | Fuse block | Fuse block | |
| 2 | Battery | Battery | |
| 3 | Cutout relay | Cutout relay | |
| 4 | Ignition key switch | Ignition key switch | |
| 5 | Starting motor | Starting motor | |
| 6 | Trans. neutral relay | Trans. neutral relay | |
| 7 | Starter relay | Starter relay | |
| 8 | Alternator | Alternator | |
| 9 | Fuse | Fuse | |
| 10 | Fuse | Fuse | |
| 11 | Electronic monitor | Electronic monitor | |
| 12 | Charge indicator | Charge indicator | |
| 13 | Brake low-pressure switch | Brake low-pressure switch | |
| 14 | Brake low-pressure indicator | Brake low-pressure indicator | |
| 15 | HOF clog warning switch | HOF clog warning switch | |
| 16 | HOF clog warning indicator | HOF clog warning indicator | |
| 17 | Bucket positioned control | Bucket positioned control | |
| 18 | Bucket positioned valve | Bucket positioned valve | |
| 19 | Lift kick-out control | Lift kick-out control | |
| 20 | Lift kick-out valve | Lift kick-out valve | |
| 21 | Lift floating valve | Lift floating valve | |
| 23 | Engine coolant temp gauge | Engine coolant temp gauge | |
| 24 | Engine coolant temp sensor | Engine coolant temp sensor | |
| 25 | TC. oil temperature gauge | TC. oil temperature gauge | |
| 26 | TC. oil temp. Sensor | TC. oil temp. Sensor | |
| 27 | Engine oil pressure gauge | Engine oil pressure gauge | |
| 28 | Engine oil pressure sensor | Engine oil pressure sensor | |
| 29 | Fuel gauge | Fuel gauge | |
| 30 | Fuel level sensor | Fuel level sensor | |
| 31 | TB. oil pressure indicator | TB. oil pressure indicator | |
| 32 | TB. oil pressure sensor | TB. oil pressure sensor | |
| 33 | Tachometer | Tachometer | |
| 34 | Hours meter | Hours meter | |
| 35 | Voltmeter | Voltmeter | |
| 36 | Speedometer | Speedometer | |
| 37 | Rear working light switch | Rear working light switch | |
| 38 | Rear working light | Rear working light | |
| 39 | Front working light switch | Front working light switch | |
| 40 | Front working light | Front working light | |
| 41 | Combination light switch | Combination light switch | |
| 42 | High beam/Dipped headlight | High beam/Dipped headlight | |
| 43 | Tail lamp | Tail lamp | |
| 44 | Side lamp | Side lamp | |
| 46 | Combination lamp | Combination lamp | |
| 47 | Turn signal flasher | Turn signal flasher | |
| 48 | Page up/down switch | Page up/down switch | |
| 49 | Hazard warn lamp switch | Hazard warn lamp switch | |
| 50 | Turn left signal indicator | Turn left signal indicator | |
| 51 | Turn right signal indicator | Turn right signal indicator | |
| 52 | Tail turn signal lamp | Tail turn signal lamp | |
| 53 | Front turn signal lamp | Front turn signal lamp | |
| 54 | Back-up lamp | Back-up lamp | |
| 55 | Vortical warning lamp SW. | Vortical warning lamp SW. | |
| 56 | Vortical warning lamp | Vortical warning lamp | |
| 57 | Back-up lamp relay | Back-up lamp relay | |
| 58 | Back-up lamp flasher | Back-up lamp flasher | |
| 59 | Back-up warning horn | Back-up warning horn | |
| 60 | Bracket lamp | Bracket lamp | |
| 61 | Stop lamp switch | Stop lamp switch | |
| 62 | Stop lamp | Stop lamp | |
| 63 | Horn | Horn | |
| 64 | Horn button | Horn button | |
| 65 | Front wiper switch | Front wiper switch | |
| 66 | Front wiper motor | Front wiper motor | |
| 67 | Rear wiper switch | Rear wiper switch | |
| 68 | Rear wiper motor | Rear wiper motor | |
| 69 | Cigar lighter | Cigar lighter | |
| 70 | Lever lock switch | Lever lock switch | |
| 71 | Lever lock solenoid | Lever lock solenoid | |
| 72 | Mute indicator | Mute indicator | |
| 73 | Alarm indicator | Alarm indicator | |
| 74 | Compressor clutch | Compressor clutch | |
| 75 | Condenser Fan | Condenser Fan | |
| 76 | Cryogen pressure switch | Cryogen pressure switch | |
| 77 | Air-condition evaporator | Air-condition evaporator | |
| 78 | E/H transmission control | E/H transmission control | |
| 79 | Shifting handle | Shifting handle | |
| 80 | Transmission solenoid group | Transmission solenoid group | |
| 81 | Parking brake button | Parking brake button | |
| 82 | Parking brake ndicator | Parking brake ndicator | |
| 83 | Power cutoff pressure switch | Power cutoff pressure switch | |
| 84 | Power cutoff select switch | Power cutoff select switch | |
| 85 | Emergency brake pressure switch | Emergency brake pressure switch | |
| 86 | Brake solenoid | Brake solenoid | |
| 87 | Parking brake pressure switch | Parking brake pressure switch | |
| 88 | Parking brake relay | Parking brake relay | |
| 89 | Receptacle for maintain | Receptacle for maintain | |
| 90 | Vortical warning indicator | Vortical warning indicator | |
| 91 | Water in fuel indicator | Water in fuel indicator | |
| 92 | Stand by indicator | Stand by indicator | |
| 93 | Engine alarm indicator | Engine alarm indicator | |
| 94 | Engine stop indicator | Engine stop indicator | |
| 95 | Electronic accelerator pedal | Electronic accelerator pedal | |
| 96 | WIF sensor | WIF sensor | |
| 97 | Diagnose switch | Diagnose switch | |
| 98 | Idle Inc/Dec switch | Idle Inc/Dec switch | |
| 99 | Heater relay | Heater relay | |
| 100 | Heater | Heater | |
| 101 | Relay for working light | Relay for working light | |
| 102 | Indicator for high beam | Indicator for high beam | |
| 103 | Relay for high beam | Relay for high beam | |
| 104 | Relay for Urgency light | Relay for Urgency light | |
| 105 | Indicator for Urgency light | Indicator for Urgency light | |
| 106 | Side reflector No.1 | Side reflector No.1 | |
| 107 | Side reflector No.2 | Side reflector No.2 | |
| 108 | Tail reflector | Tail reflector | |
| 109 | Diagnosis receptacle | Diagnosis receptacle | |
| 110 | Switch | Switch | |
| 111 | Pump | Pump | |
| 112 | Fuse tube | Fuse tube | |
| 113 | 23 Pins receptacle | 23 Pins receptacle |
Содержащиеся в справочниках-каталогах запасные части и детали не предлагаются к продаже, а носят исключительно информационный характер