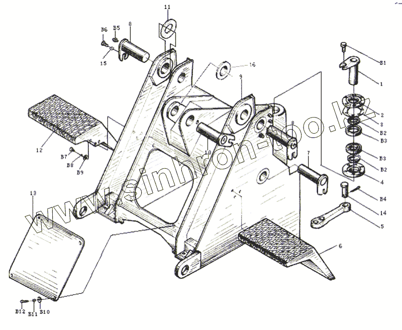
Каталог запасных частей к технике: ChengGong CG-935G. Рама
1
2
3
4
5
6
7
8
8
9
10
11
11
12
13
14
15
B1
B2
B2
B3
B3
B4
B5
B6
B7
B8
B9
B10
B11
B12
| Позиция на иллюстрации | Заводской номер детали | Название детали | |
|---|---|---|---|
| 1 | Z301213 | Pin Shaft | |
| 2 | Z30120000009 | Bearing Cover | |
| 3 | Z30120000010 | Adjusting Shim | |
| 4 | Z30120000011 | Lower Bearing Cover | |
| 5 | Z30120000002 | Support Rod | |
| 6 | Z301203 | Left Front Fender Assembly | |
| 7 | Z301205 | Pin Shaft | |
| 8 | Z301206 | Pin Shaft | |
| 9 | Z35G1201T8 | Front Frame | |
| 10 | Z301204 | Pin Shaft | |
| 11 | Z30120000007 | Washer | |
| 11 | Z30120000008 | Washer | |
| 12 | Z301202 | Right Front Fender Assembly | |
| 13 | Z30120000005 | Front Seal Plate | |
| 14 | Z30120000001 | Pin | |
| 15 | Z35H120000001 | Washer | |
| B1 | GB5783-86 | Bolt M8x20 | |
| B2 | HG4-692-67 | Oil Seal PD60x80x12 | |
| B3 | GB297-94 | Bearing 32012 | |
| B4 | GB91-86 | Pin 4.5x45 | |
| B5 | JB/T7940.1-95 | Oil Cup M10x1 | |
| B6 | GB5783-86 | Bolt M8x20 | |
| B7 | GB5783-86 | Bolt M8x20 | |
| B8 | GB93-87 | Washer 8 | |
| B9 | GB96-85 | Washer 12 | |
| B10 | GB96-85 | Washer 12 | |
| B11 | GB93-87 | Washer 8 | |
| B12 | GB5783-86 | Bolt M8x20 |
Содержащиеся в справочниках-каталогах запасные части и детали не предлагаются к продаже, а носят исключительно информационный характер