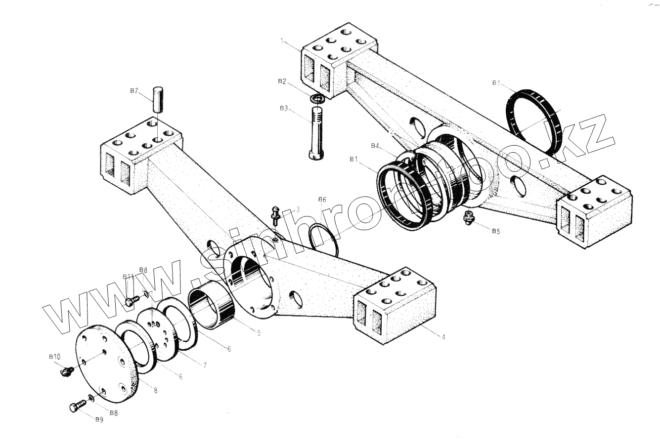
Каталог запасных частей к технике: ChengGong CG-935G. Опоры передняя и задняя
1
2
3
4
5
6
6
7
8
B1
B1
B2
B3
B4
B5
B6
B7
B8
B8
B9
B10
B11
| Позиция на иллюстрации | Заводской номер детали | Название детали | |
|---|---|---|---|
| 1 | Z30050200001 | Support Carrier (Front) | |
| 2 | Z30050200002 | Bushing | |
| 3 | ZL30b.6.6 | Exhaust Hole | |
| 4 | Z30050300001 | Support Carrier (Rear) | |
| 5 | Z30050300003 | Bushing | |
| 6 | Z30050300004 | Plate | |
| 7 | Z30050300005 | Disc | |
| 8 | Z30050300002 | Cover | |
| B1 | GB13871-92 | Seal Ring FB150x180 | |
| B2 | GB97.2-85 | Washer 16 | |
| B3 | GB5785-86 | Bolt M24x2x180 | |
| B4 | GB893.1-86 | Snap Ring 190 | |
| B5 | GB1152-89 | Oil Cup M10x1 | |
| B6 | GB3452.1-92 | O-Ring 140x3.55 | |
| B7 | GB119-86 | Pin A12x120 | |
| B8 | GB97.2-85 | Washer 16 | |
| B9 | GB5786-86 | Bolt M24x2x50 | |
| B10 | GB1153-89 | Oil Cup M10x1 | |
| B11 | GB/T32.1-1988 | Bolt M12x1.5x30 | |
| B12 | GB343-94 | Steel wire |
Содержащиеся в справочниках-каталогах запасные части и детали не предлагаются к продаже, а носят исключительно информационный характер