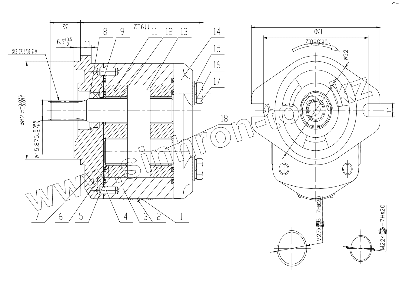
Каталог запасных частей к технике: ChengGong CG-935G. Насос
1
2
3
4
5
6
7
8
9
11
12
13
14
15
16
17
18
| Позиция на иллюстрации | Заводской номер детали | Название детали | |
|---|---|---|---|
| 1 | Nameplate | Nameplate | |
| 2 | GB827-86 | Rivet d3x4 | |
| 3 | Pump Body | Pump Body | |
| 4 | GB119-86 | Pin A12x120 | |
| 5 | Seal | Seal | |
| 6 | Seal | Seal | |
| 7 | Bear Cover | Bear Cover | |
| 8 | GB893.1-86 | Snap Ring 190 | |
| 9 | Seal | Seal | |
| 10 | JB/T7757.2-95 | O-Ring 20x3.55 | |
| 11 | Seat | Seat | |
| 12 | Bush | Bush | |
| 13 | Gear | Gear | |
| 14 | Front Cover | Front Cover | |
| 15 | GB97.1-85 | Washer 6 | |
| 16 | GB859-87 | Washer 10 | |
| 17 | GB5782-86 M10x105 | Bolt M10x105 | |
| 18 | Gear | Gear |
Содержащиеся в справочниках-каталогах запасные части и детали не предлагаются к продаже, а носят исключительно информационный характер