Вернуться на главную
Поиск
Каталоги запчастей к технике
Спецтехника
ChengGong
CG-932H
Z33E1009T23 Hose Assembly
Каталог запасных частей к технике: ChengGong CG-932H. Z33E1009T23 Hose Assembly
zoom-in
zoom-out
enlarge
shrink
circle-right
circle-left
file-text2
info
cart
Тип техники
Не выбрано
Легковые автомобили
Грузовые автомобили и прицепы
Автобусы
Сельхозтехника
Спецтехника
Двигатели
Мототехника
Марка
Не выбрано
Ammann
BOMAG
CARMIX
CASE IH
Changlin
ChengGong
Dimex
Doosan
DYNAPAC
Foton
HAMM
Hidromek
Hitachi
Hyundai
JCB
JLG
John Deere
Komatsu
LIEBHERR
LiuGong
Lonking (LongGong)
Luneng
MANITOU
Mitsuber
New Holland
PENGPU
RM-Terex
SANY
SDLG
SEM
Shantui
Shehwa HBXG
Soosan
TIGARBO
VOGELE
Volvo
WAY
WIRTGEN
XCMG
XGMA
Xiamen
YTO
Yuchai
Zoomlion
Автокран
АЗСМ
Алтайлесмаш
Амкодор
АОМЗ
Атек
АТЗ
Балканкар Рекорд
БелАЗ
Беловеж
Борекс
Брянский Арсенал
Булат
ВЭКС
ГАЗ
Геомаш
Гидромаш
Донекс
Дормаш
Дормашина
Дорэлектромаш
ДЭЗ
ЕлАЗ
ЗЗГТ
Ижнефтемаш
Канаш-электрокар
КЗКТ
ККЗ
Клевер
Клинцовский автокрановый завод
КМЗ
КМЗ 1 Мая
Ковровец
Коммаш
Кранэкс
КЭЗ
КЭМЗ
ЛЗА
МАЗ
МЗИК
МЗКМ
МЗКТ
Михневский РМЗ
МоАЗ
Мозырский МЗ
МТЗ
ОЗП
Онежец
ПАО "ТЗА"
ППС Детва
Промтрактор
ПТЗ
Раскат
СпецАгрегат
ТВЭКС
ТТМ
УВЗ
Угличмаш
УЗТМ
ХТЗ
ЧЗКМ
ЧСДМ
ЧТЗ
ЭКСКО
ЭКСМАШ
ЮрМаш
Модель
Не выбрано
CG-932H (2014)
CG-932H (2014)
CG-935G (2006)
CG-935H (2014)
CG-938H (2006)
CG-956C (2014)
CG-956G (2014)
CG-958G (2006)
CG-958H (2006)
Схема
>
Не выбрано
Z33E01T47 Engine Assembly
Z33E0101T34 Fuel Tank
Z33E0102T39 Cooling System
Z33E0103T39 Outlet Hose
Z33E0107T39 Inlet Hose
Z33E0106T39 Exhaust System
Z33E0105T7 Pedal Control Assembly
Z33E0105T47 Compressor Assembly
Z30B02T38 Torque Converter
Z33E03T34 Transmission
Z33E0301T7 Combining Gear Set
Z33E030101T7 Powe Shift Pump
Z3BII030102 Exceed Clutch
Z3BII030104 Breather
Z3BII0303 Reverse-Range Plate
Z3BII0304 Friction Disks Assmebly
Z3BII0305 lst-Range Plate
Z3BII0306 lst-Range Gear Assembly
Z3BII0307 2nd-Range Cylinder Assembly
Z33E0304T23 Flange Subassembly
Z3BII0311 Driving Gear-2nd Forward
Z30B0305T38 Bracket
Z33E0302T23 Suction Line Assembly
Z33E0303T23 Filler Pipe Assembly
Z33E0303 Handle-brake Assembly
Z33E04T35 Transmission Oil Line And Control System
Z33E0401T35 Valve Assembly
Z3BII0407 Speed Selector Valve
Z33E0402T35 Filter Assembly
00027200 Filter
LJ134B10AxL2300A Control Links
Z33E05T23 Rear Axle
Z33E0501T23 Front Axle Differential
Z33E060101T2 Differential
Z33E0602T2 Hub Reducer
Z33E0502T2 Front Support Carrier
Z33E0503T2 Rear Support Carrier
Z33E06T23 Front Axle
Z33E0601T23 Front Axle Differential
Z33E07T23 Front Drive Shaft
Z33E0701T23 Front Drive Shaft
233Е0702Т23 Middle Drive Shaft
Z33E0703T23 Middle Support Shaft
Steering System
Z33E08T34 Steering System;Rear Axle Lubrication Piping
Z33E08T34 Steering System;Cylinder Lubrication Piping
Z33E08T34 Steering System, Shift Valve Lubrication Piping
Z33E08T34 Steering System;Rear Frame Oil Piping
Z33E0801T34 Steering Pump Assembly
CBQ-F550FJL-CG1 Steering Pump
Z33E0802T34 Flow Valve Assembly
FLD-F48W Flow Valve
Z33E0803T34 Steering Unit Assembly
BZZ1-E630C+FKA-156020D Steering Unit
CG932H80/45 Steering Cylinder
Z33E09T35 Braking System (Front and rear axle brake piping system)
Z33E09T35 Braking System (Brake intake pipe system one)
Z33E0902 Gas Storage Canister Assembly
Z33E0902T34 Oil Water Separator Assembly
SH380D-3511001A Oil Water Separator
HP3512D Oil Water Separator
Z33E09T35 Braking System (Brake intake pipe system 2)
Z33E0901T11 Pedal Break Valve Assembly
Z33E090101T11 Left Pedal Break Valve
Z33E090102T11 Right Pedal Break Valve
HP3514AB1 Pedal Breaking Valve
SLZD (CD)Pedal Brake Valve
Z33E09T35 Braking System (Front booster pipeline)
Z33E0903T34 Assistor Assembly
Z33E09T35 Braking System (Rear booster and hand brake)
Z33E0905 Manual Braking Assembly
LJ112FA1655 Manual Braking
Z33E0904T34 Assistor Assembly
SG50(CG)-3510002 Assistor
Z33E10T35 Implement Hydraulic System
Z33E10T35 Implement Hydraulic System
Z33E1001T23 Oil Tank
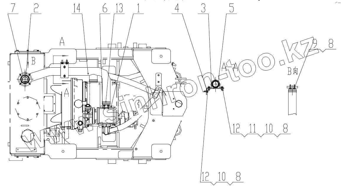
Z33E1009T23 Hose Assembly
Z33E1002T24 Oil Tube Assembly
Z33E10T35 Implement Hydraulic System
Z33E1007(6)T35 Steel tube assembly
Z33E10T35 Implement Hydraulic System
Z33E1004T35 Pilot Hydraulic System
Z33E100402T9 Pilot Valve
Z33E100401T35 Selector Valve
Z62H100301 Valve Assembly
Z33E1003T35 Multi-Way Valve
Z33E1001T34 Oil system Assembly
Z33E1005T35 Tilting Cylinder Assembly
Z33E1004T7 Left Lift Cylinder Assembly
Z33E1008T7 Right Lift Cylinder Assembly
Z33E-CD-00 Tilting Cylinder
CG933E120/70H.00 Lift Cylinder
JHP2090/Gj0016-XF Pump
D32-00 Multi way valve
D32-00(JZ) Multi way valve
DXS-00(CKK) Pilot Valve
JZDXF-00 Pilot Operated Valve
SF8-00 Selector Valve
SFM-679A Filter Net
YLX-341-00 Filter Net
Z33E11T23 Rear Drive Shaft
Z33E1101T23 Rear Drive Shaft
Z33E12T35 Frame Group
Z33E12T35 Frame Group
Z33E12T35 Frame Group
Z33E1209T35 Frame Group
Z33E1209T35 Frame Group
Z33E13T35 Cab
Z33E13T35 Cab
Z33E13T35 Cab
Z5E21307T31 Instrument Assembly
Z33E1304 Steering Wheel
Z33E1305T9 Box
Z30B1302T51 Foam Assembly
Z33E13T48 Cab
Z33E13T48 Cab
Z33E13T48 Cab
Z5E21307T31 Instrument Assembly
Z33E1304 Steering Wheel
Z33E1305T9 Box
Z33E1302T48 Foam Assembly
Z33E14T24 Implement
Z33E14T24 Implement
Z33E14T24 Implement
Z33E14T24 Implement
Z33E15T35 Vehicle Circuitry
Z33E15T35 Cab Circuitry
Z33E15T35 Panel Assembly
Z33E15T35 Battery Wiring
Z33E15T35 Front Lamp Circuitry
Z33E15T35 Rear Lamp Circuitry
Z33E16T35 Machine Guard
Z33E17T35 Air-conditioner System
Z33E17T48 Air-conditioner System Cab (FOPS/ROPS)
CGY30 Condenser Assembly
DJC-CGA-00100 CGA Evaporator Assembly
DJC-CGA5-00100 CGA Evaporator Assembly Cab (FOPS/ROPS)
Z33E19T9 Lift-arm support devices
1
2
3
4
5
6
7
8
8
8
9
10
10
11
12
12
13
14
Позиция на иллюстрации
Заводской номер детали
Название детали
1
Z33E100902
Hose
2
Z33E100901
Hose
3
Z33E100900001
Clamp
4
Z33E100900002
Board
5
Z33E100900004
Sheath
6
GB/T3452.1-2000
O-Ring
7
GB/T3452.1-2000
O-Ring
8
GB/T93-1987
Valve
9
GB/T5783-2000
Connector
10
GB/T97. 1-2002
Washer 16
11
GB/T6170-2000
Nut M14
12
GB/T5783-2000
Connector
13
53404-0080
Hoop
14
YD-CG932H-03
Hose
Содержащиеся в справочниках-каталогах запасные части и детали не предлагаются к продаже, а носят исключительно информационный характер
Дополнительная информация
×
Название:
Номер:
Примечание: