Каталог запасных частей к технике: ChengGong CG-932H. Z33E12T8 Frame Group (III)
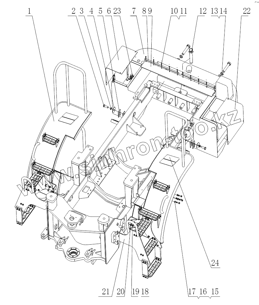
1
2
3
4
5
6
7
8
9
10
11
12
13
14
15
16
17
18
19
20
21
22
23
24
| Позиция на иллюстрации | Заводской номер детали | Название детали | |
|---|---|---|---|
| 1 | Z33E1205T7 | Right Plate Assembly | |
| 2 | GB/T5783-2000 | Connector | |
| 3 | GB/T93-87 | Washer 20 | |
| 4 | Z33E120000019 | Washer | |
| 5 | Z33E120000020 | Shim | |
| 6 | Z33E121100002 | Plate | |
| 7 | Z33E1211T7 | Ballast | |
| 8 | Z33E120000015 | Press Plate | |
| 9 | Z33E120000016 | Eraser | |
| 10 | GB/T5783-2000 | Connector | |
| 11 | GB/T93-87 | Washer 20 | |
| 12 | Z33E1216T7 | Pin | |
| 13 | GB/T93-1987 | Valve | |
| 14 | GB/T5782-2000 | Bolt | |
| 15 | GB/T5783-2000 | Connector | |
| 16 | GB/T93-87 | Washer 20 | |
| 17 | GB/T97.1-2002 | Washer 10 | |
| 18 | GB/T5783-2000 | Connector | |
| 19 | GB/T93-87 | Washer 20 | |
| 20 | GB/T97.1-2002 | Washer 10 | |
| 21 | Z33E1204T7 | Left Plate Assembly | |
| 22 | Z33E121100002 | Plate | |
| 23 | Z50G121703T19 | Eraser | |
| 24 | YN20T01282P1 | Skidproof Cushion |
Содержащиеся в справочниках-каталогах запасные части и детали не предлагаются к продаже, а носят исключительно информационный характер