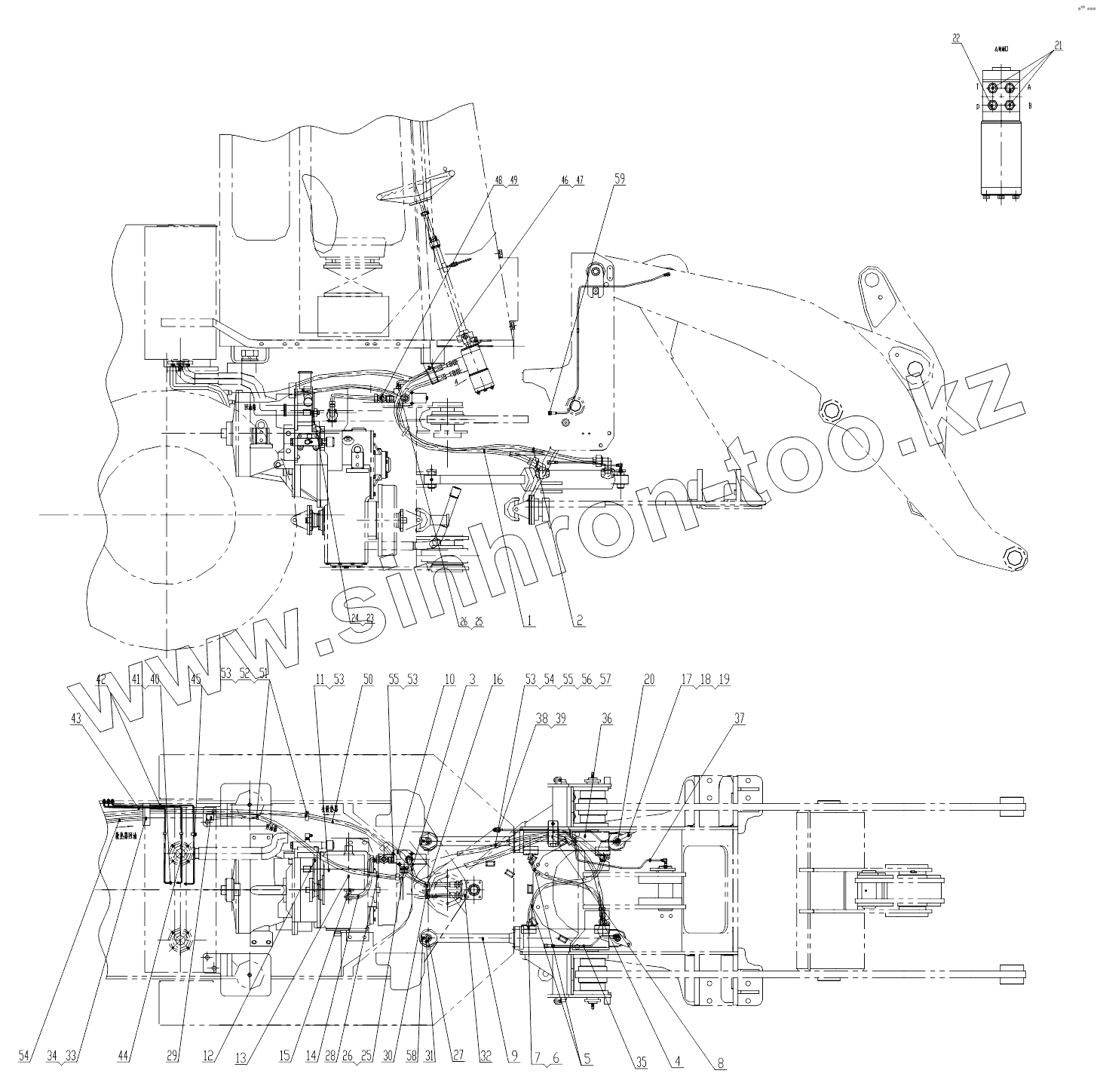
Каталог запасных частей к технике: ChengGong CG-932H. Z33E08T8 Steering System
1
2
3
4
5
6
7
8
9
10
11
12
13
14
15
16
17
18
19
20
21
22
23
24
25
25
26
26
27
28
29
30
31
32
33
34
35
36
37
38
39
40
41
42
43
44
45
46
47
48
49
50
51
52
53
53
53
53
54
54
| Позиция на иллюстрации | Заводской номер детали | Название детали | |
|---|---|---|---|
| 1 | 20491-26-08TZ | Hose | |
| 2 | 20491-26-08TZ | Hose | |
| 3 | 20411-30-12 | Hose | |
| 4 | CC-26 | Connector | |
| 5 | 20491-26-08TZ | Hose | |
| 6 | FL-08 | Flange | |
| 7 | 1CFL-26-08 | Flange | |
| 8 | Z33E080000001T7 | Board | |
| 9 | CG933E80/45.00 | Steering Cylinder | |
| 10 | FLD-48 | Flow Valve Assembly | |
| 11 | Z33E0807 | Hose | |
| 12 | Z3BII080000001T1 | Paper Washer | |
| 13 | CBQ-F550FJL | Pump | |
| 14 | 20411-30-12Z | Hose | |
| 15 | Z30E0804T1 | Outlet Tube Assembly | |
| 16 | LHCII-28/28 | Nip | |
| 17 | GB/T5783-2000 | Connector | |
| 18 | GB/T93-1987 | Valve | |
| 19 | Z33E0801 | Head Pin Assembly | |
| 20 | 1QH-12-06 | Connector | |
| 21 | 1CH-26-20 | Connector | |
| 22 | 1CH-30-20 | Connector | |
| 23 | GB/T5783-2000 | Connector | |
| 24 | GB/T93-1987 | Valve | |
| 25 | lCH-30-27 | Connector | |
| 26 | 2C9-30 | Connector | |
| 27 | Z33E0808 | Pin Assembly | |
| 28 | 20411-30-12Z | Hose | |
| 29 | lCW-30-26(CG) | Connector | |
| 30 | LHCII-23.9/23.9 | Nip | |
| 31 | Z33E080000001 | Washer | |
| 32 | BZZ1-E630C+FKA | Steering Unit | |
| 33 | LHCII-28/28 | Nip | |
| 34 | GB/T5783-2000 | Connector | |
| 35 | Z33E0807T7 | Lubricate-tube | |
| 36 | Z33E0806T7 | Lubricate-tube | |
| 37 | Z33E0810T7 | Lubricate-tube | |
| 38 | 5QM-12C-10LC/LN | Connector | |
| 39 | JB/T7940.1-95 | Oil Cup M10x1 | |
| 40 | 1QH-12C-10L44/LN | Connector | |
| 41 | 2Q9-12C | Connector | |
| 42 | Z33E0803T8 | Lubricate-tube | |
| 43 | Z33E0801T8 | Lubricate-tube | |
| 44 | Z33E0802T8 | Lubricate-tube | |
| 45 | НСI-6 | Nip | |
| 46 | GB/T5783-2000 | Connector | |
| 47 | GB/T93-1987 | Valve | |
| 48 | KCMH-30-14-27D0G | Connector | |
| 49 | 4M-14WD | Plug up | |
| 50 | 20431-26-12Z | Hose | |
| 51 | LHCI-28 | Nip | |
| 52 | GB/T5783-2000 | Connector | |
| 53 | GB/T93-1987 | Valve | |
| 54 | 20491-30-12Z | Hose |
Содержащиеся в справочниках-каталогах запасные части и детали не предлагаются к продаже, а носят исключительно информационный характер