Каталог запасных частей к технике: Changlin ZL50H. Z50H.4B Transmission And Accessories
1
2
3
4
5
6
6
7
7
7
8
8
9
10
11
12
13
14
14
15
16
17
18
19
19
19
20
20
21
22
23
24
25
26
27
27
28
29
29
30
31
32
33
34
35
36
37
38
39
40
41
42
43
44
45
46
46
47
48
49
50
51
52
53
54
55
56
57
58
59
59
60
61
62
63
64
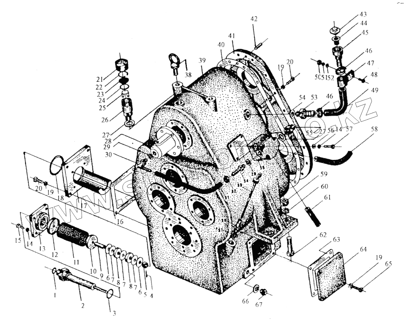
| Позиция на иллюстрации | Заводской номер детали | Название детали | |
|---|---|---|---|
| 1 | B-Q020710-00042 | O-ring | |
| 2 | Z30.4.21-4 | Tube | |
| 3 | B-Q020710-00070 | O-ring | |
| 4 | B-G000910-00023 | Pin | |
| 5 | B-G061780-00002 | Nut | |
| 6 | Z30.4.21-12 | Al-washer | |
| 7 | Z30.14.8.3-3 | Spacer washer | |
| 8 | Z30.14.8.3-2 | Magnet iron | |
| 9 | Z30.4.21-1 | Al-pipe | |
| 10 | Z30.4.21-3 | Filter lower cover | |
| 11 | Z30.4.21-10 | Filter frame and gauze | |
| 12 | Z30.4.21-5 | Filter upper cover | |
| 13 | Z30.4.21-8 | Flange disk | |
| 14 | B-G000930-00017 | Washer | |
| 15 | B-G057830-00143 | Bolt | |
| 16 | Z30.4.21-6 | Washer | |
| 17 | Z30.4.21-7 | Cover and cap | |
| 18 | B-Q020710-00104 | O-ring | |
| 19 | B-J010020-00001 | Washer | |
| 20 | B-G057830-00012 | Bolt | |
| 21 | Z30.4.16-3 | Outer sleeve | |
| 22 | B-G00895A-00001 | Snap ring | |
| 23 | Z30.4.16.1 | Filter disk | |
| 24 | B-Q020710-00064 | O-ring | |
| 25 | Z30.4.16-2 | Disc | |
| 26 | Z30.4.16-1 | Aerated cup | |
| 27 | B-J010020-00010 | Washer | |
| 28 | Z50B.4.6-1 | Bearing cover | |
| 29 | B-J010020-00009 | Washer | |
| 30 | Z30.4M.1.1 | Elbow | |
| 31 | Z50B.4.15-2 | Hose | |
| 32 | B-J088700-00014 | Clamp | |
| 33 | Z50B.4.9 | Oil gauge | |
| 34 | Z30.4.17-3 | Joint body | |
| 35 | Z50B.4.15-1 | Diverter | |
| 36 | Z50B.4.9-2 | Gauge seat | |
| 37 | B-J010020-00007 | Washer | |
| 38 | B-G008250-00003 | Screw | |
| 39 | Z50E.4A-1B | Case | |
| 40 | Z50E.4-4 | Paper pad | |
| 41 | Z50E.4-3 | Cover | |
| 42 | B-G001180-00002 | Pin | |
| 43 | Z50B.4.16-1 | Cover | |
| 44 | Z50B.4.16.1 | Strainer | |
| 45 | Z50B.4.16-2 | Oil filler mouth | |
| 46 | B-J088700-00015 | Clamp | |
| 47 | Z50B.4.16-4 | Clamped plate | |
| 48 | B-G057830-00130 | Bolt | |
| 49 | Z50B.4.16-3 | Hose | |
| 50 | B-G061700-00034 | Nut | |
| 51 | B-G000930-00015 | Washer | |
| 52 | B-G00097B-00021 | Washer | |
| 53 | B-Q01202L-00002 | Joint body | |
| 54 | B-J010020-00010 | Washer | |
| 55 | Z30.2M.4-1 | Joint | |
| 56 | B-G00097B-00023 | Washer | |
| 57 | B-G057820-00162 | Bolt | |
| 58 | Z50B.4.15-4 | Hose | |
| 59 | B-G061720-00008 | Nut | |
| 59 | B-G061700-00018 | Nut | |
| 60 | B-G000930-00008 | Washer | |
| 61 | Z50B.4.15-3 | Hose | |
| 62 | B-G057830-00104 | Bolt | |
| 63 | B-J010020-00008 | Washer | |
| 64 | B-J010000-00010 | Plug |
Содержащиеся в справочниках-каталогах запасные части и детали не предлагаются к продаже, а носят исключительно информационный характер