Вернуться на главную
Поиск
Каталоги запчастей к технике
Спецтехника
CASE IH
TR270
AUXILIARY CHASSIS PLUMBING, STANDARD FLOW
Каталог запасных частей к технике: CASE IH TR270. AUXILIARY CHASSIS PLUMBING, STANDARD FLOW
zoom-in
zoom-out
enlarge
shrink
circle-right
circle-left
file-text2
info
cart
Тип техники
Не выбрано
Легковые автомобили
Грузовые автомобили и прицепы
Автобусы
Сельхозтехника
Спецтехника
Двигатели
Мототехника
Марка
Не выбрано
Ammann
BOMAG
CARMIX
CASE IH
Changlin
ChengGong
Dimex
Doosan
DYNAPAC
Foton
HAMM
Hidromek
Hitachi
Hyundai
JCB
JLG
John Deere
Komatsu
LIEBHERR
LiuGong
Lonking (LongGong)
Luneng
MANITOU
Mitsuber
New Holland
PENGPU
RM-Terex
SANY
SDLG
SEM
Shantui
Shehwa HBXG
Soosan
TIGARBO
VOGELE
Volvo
WAY
WIRTGEN
XCMG
XGMA
Xiamen
YTO
Yuchai
Zoomlion
Автокран
АЗСМ
Алтайлесмаш
Амкодор
АОМЗ
Атек
АТЗ
Балканкар Рекорд
БелАЗ
Беловеж
Борекс
Брянский Арсенал
Булат
ВЭКС
ГАЗ
Геомаш
Гидромаш
Донекс
Дормаш
Дормашина
Дорэлектромаш
ДЭЗ
ЕлАЗ
ЗЗГТ
Ижнефтемаш
Канаш-электрокар
КЗКТ
ККЗ
Клевер
Клинцовский автокрановый завод
КМЗ
КМЗ 1 Мая
Ковровец
Коммаш
Кранэкс
КЭЗ
КЭМЗ
ЛЗА
МАЗ
МЗИК
МЗКМ
МЗКТ
Михневский РМЗ
МоАЗ
Мозырский МЗ
МТЗ
ОЗП
Онежец
ПАО "ТЗА"
ППС Детва
Промтрактор
ПТЗ
Раскат
СпецАгрегат
ТВЭКС
ТТМ
УВЗ
Угличмаш
УЗТМ
ХТЗ
ЧЗКМ
ЧСДМ
ЧТЗ
ЭКСКО
ЭКСМАШ
ЮрМаш
Модель
Не выбрано
595LSP, 595SLE (2010)
695ST (часть 1) (2015)
695ST (часть 2) (2015)
695ST (часть 3) (2015)
695ST Tier 4A (часть 1) (2012)
695ST Tier 4A (часть 2) (2012)
695ST Tier 4A (часть 3) (2012)
821F (2011)
845 (2002)
921F (2011)
Case-430 (2005)
Case-570T (2010)
Case-580T (часть 1) (2012)
Case-580T (часть 1) (2016)
Case-580T (часть 2) (2012)
Case-580T (часть 2) (2016)
SR250 (2012)
SV300 (2012)
TR270 (2014)
TR320 (2012)
TV380 (2012)
WX-188 (часть 1) (2014)
WX-188 (часть 2) (2014)
Схема
>
Не выбрано
INITIAL STOCKING LIST, LIST A - PARTS REQUIRED FOR PLANNED MAINTENANCE
INITIAL STOCKING LIST, LIST B - PARTS RECOMMENDED FOR PLANNED MAINTENANCE AND BASIC REPAIR
FILTERS & CAPACITIES
FILTERS
ENGINE
ENGINE MOUNT
AIR FILTER, ASSY
AIR FILTER, LINES, ELECTRONIC CONTROLS
AIR CLEANER - AIR INTAKE PARTS
FUEL FILTER, LINES
FUEL FILTER/WATER SEPARATOR
FUEL LINE & TANK
FUEL TANK & ASSOCIATED PARTS
FOOT THROTTLE
HAND THROTTLE, FOOT CONTROLS
REMOTE ENGINE FILTER LINES
OIL, FILLER CAP
REMOTE OIL LINE
DIPSTICK
RADIATOR & COOLER
FAN SHROUD
ENGINE FAN
STANDARD FAN BELT
HIGH FLOW FAN BELT
FAN BELT EU SLOW SPEED CRANKSHAFT PULLEY
PM CATALYST
HAND CONTROLS MOUNTING ASSEMBLY
HANDLE, MOUNTING, HAND CONTROLS
FOOT CONTROLS MOUNTING ASSEMBLY
HANDLE MOUNTING, FOOT CONTROLS
HANDLE MOUNTING, E-H CONTROLS
CONTROL ROD SHIELD
HAND CONTROL INTERLINK
CONTROL DAMPENING
FOOT CONTROL INTERLINK, SERVO PUMP CENTERING
PEDAL MOUNTING, FOOT CONTROLS , FOOT, CONTROLS
HYDROSTATIC PUMP, DRIVE LINES, MECHANICAL CONTROLS
HYDROSTATIC PUMP, SUPPLY LINES, MECHANICAL CONTROLS
HYDROSTATIC PUMP, DRIVE LINES, E-H CONTROLS
HYDROSTATIC PUMP, SUPPLY LINES, E-H CONTROLS
TANDEM HYDROSTATIC PUMP, 46CC, MECHANICAL CONTROL, FRONT
TANDEM HYDROSTATIC PUMP, 46CC, MECHANICAL CONTROL, REAR
TANDEM HYDROSTATIC PUMP, 45CC, E-H CONTROL
STANDARD GEAR PUMP
HIGH FLOW GEAR PUMP
HYDRAULIC SUPPLY PLUMBING
HYDRAULIC RETURN PLUMBING
HYDRAULIC FLUID RESERVOIR
HYDRAULIC OIL FILTER
BRAKE VALVE, MECHANICAL CONTROLS
BRAKE VALVE, E-H CONTROLS
2 SPEED DRIVE MOTOR
TRAVEL SPEED, 2 SPEED
TRAVEL SPEED, E-H
LOADER CONTROL VALVE, HAND CONTROLS
LOADER CONTROL VALVE, FOOT CONTROL
LOADER CONTROL VALVE, E-H CONTROLS
LOADER, CONTROL VALVE E-H CONTROLS
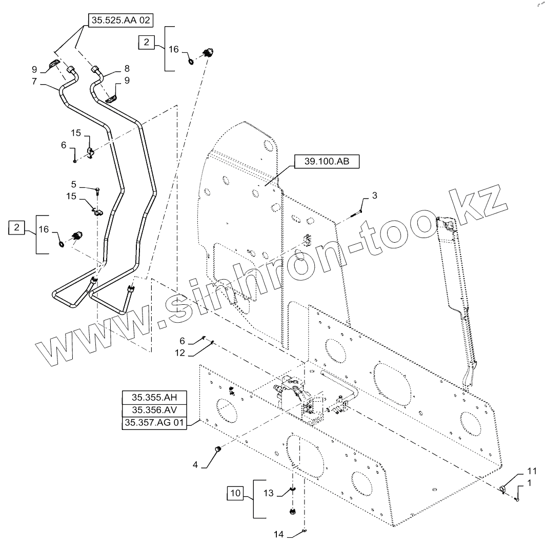
AUXILIARY CHASSIS PLUMBING, STANDARD FLOW
AUXILIARY BOOM ARM PLUMBING, STANDARD FLOW
AUXILIARY CHASSIS PLUMBING, HIGH FLOW
AUXILIARY BOOM ARM PLUMBING, HIGH FLOW
HIGH FLOW COMBINER VALVE
LOADER VALVE PLUMBING
BOOM HYDR LINES
NO RIDE CONTROL
RIDE CONTROL LINES
NO SELF LEVELING
SELF LEVEL VALVE
BOOM LIFT CYLINDER
BUCKET CYLINDER
HYDRAULIC COUPLER CHASSIS PLUMBING
HYDRAULIC COUPLER BOOM ARM PLUMBING
CHASSIS
LIFT HOOKS, 4 POINT, EURO ONLY
COUNTERWEIGHT
BOOM LOCK
RUBBER TRACK
TRACK ASSY
TRACK, COVERS
HEATER PLUMBING
HEATER MEDIUM FRAME
OPEN CAB, NO HEAT OR HVAC
HVAC
HEATER ASSY
HVAC MEDIUM FRAME
A/C COMPRESSOR MOUNTING
CONDENSER, ASSY
RECEIVER-DRYER
AIR CONDITIONER, PLUMBING
ELECTRONIC CONTROL UNIT
HYDROSTATIC PUMP TEMPERATURE SENDER
STANDARD 60 AMP FUSE
FUSE COVER ASSY AND CUP HOLDER
MAIN ELECTRICAL, MECHANICAL CONTROLS, OPEN CAB
MAIN ELECTRICAL, MECHANICAL CONTROLS, ENCLOSED CAB
CHASSIS OPTION HARNESS, MECHANICAL CONTROLS ONLY
MAIN ELECTRICAL, E-H CONTROLS, OPEN CAB
MAIN ELECTRICAL, E-H CONTROLS, ENCLOSED CAB
STARTER MOTOR
BLOCK HEATER
BLOCK HEATER, 220V, EURO
ALTERNATOR
BATTERY
NO BATTERY DISCONNECT
BATTERY DISCONNECT
ENGINE ELECTRICAL
FRONT LIGHT, ASSY
FRONT LIGHT, ASSY
LIGHT ASSY, 90 DEGREE, LH
LIGHT ASSY, 90 DEGREE, RH
ROAD LIGHTS, EU ONLY
REAR LIGHT
NO TURN SIGNAL LIGHT
LIGHT CONSOLE SWITCH
ROAD LIGHTS BRAKE SWITCH
HORN
BACKUP ALARM
ACCESSORIES SOCKET
ACCESSORIES SOCKET EU ONLY
A-POST CONSOLE, LH SWITCHES
A-POST CONSOLE, LH BLANKS
A-POST CONSOLE, RH, SWITCHES
A-POST CONSOLE, RH BLANKS
ELECTRONIC CONTROL UNIT, GLOW PLUG
INSTRUMENT CLUSTER AND KEYED IGNITION, OPEN CAB
INSTRUMENT CLUSTER AND KEYLESS IGNITION, ENCLOSED CAB
NO MULTIFUNCTION ELECTRICAL
MULTIFUNCTION ELECTRICAL
LH SUB HANDLE, HAND CONTROLS
RH SUB HANDLE, HAND CONTROLS
LH SUB HANDLE, FOOT CONTROLS
RH SUB HANDLE, FOOT CONTROLS
HANDLE GRIP, MECHANICAL CONTROLS, RIDE CONTROL, 2 SPEED, LEVEL 200
HANDLE GRIP, MECHANICAL CONTROLS, MULTIFUNCTION ELECTRICAL, LEVEL 300
HANDLE GRIP, E-H CONTROLS, RIDE CONTROL, 2 SPEED, LEVEL 250
HANDLE GRIP, E-H CONTROLS, MULTIFUNCTION ELECTRICAL, LEVEL 350
WINDSHIELD WASHER RESERVOIR ASSY
WINDSHIELD WASHER RESERVOIR
REAR WINDSHIELD WASHER RESERVOIR
ELECTRONIC CONTROL UNIT, TELEMATICS
TELEMATICS, RADIAL
LOADER ARM SERVICE HUBS
LOADER ARM
COUPLER
SERVICE KIT, COUPLER FRAME
MANUAL COUPLER
BUCKET, 66", LOW PROFILE, GRAY
BUCKET, 66", EXTENDED LOW PROFILE, GRAY
BUCKET, 66", HEAVY DUTY DIRT, GRAY
BUCKET, 66", DIRT AND FOUNDRY, GRAY
BUCKET SPILL GUARD, 66" BUCKET
BUCKET, 72", LOW PROFILE, GRAY
BUCKET, 72", EXTENDED LOW PROFILE, GRAY
BUCKET, 72", LIGHT MATERIAL, GRAY
BUCKET, 72", HEAVY DUTY DIRT, GRAY
BUCKET, 72", DIRT AND FOUNDRY, GRAY
BUCKET, 72", SLURRY, GRAY
BOLT ON CUTTING EDGE, 72" BUCKET
BUCKET SPILL GUARD, 72" BUCKET
BUCKET, 78", EXTENDED LOW PROFILE, GRAY
BUCKET, 78", HEAVY DUTY DIRT, GRAY
BUCKET, 78", DIRT AND FOUNDRY, GRAY
BOLT ON CUTTING EDGE, 78" BUCKET
BUCKET SPILL GUARD, 78" BUCKET
BUCKET, 84", EXTENDED LOW PROFILE, GRAY
BUCKET, 84", LIGHT MATERIAL, GRAY
BUCKET, 84", SLURRY, GRAY
BOLT ON CUTTING EDGE, 84" BUCKET
BOLT ON CUTTING EDGE, 78" BUCKET
KIT, BUCKET BOLT- ON TOOTH
DIA KIT, FIRE EXTINGUISHER
DIA KIT, ASPIRATOR RADIAL
DIA KIT, BLOCK HEATER 120V NA
DIA KIT, BLOCK HEATER 220V - ROW
DIA KIT, RIDE CONTROL, CASE MED-LRG
DIA KIT, FOOT CONTROLS, T4
DIA KIT, HANDLE - 350 CASE RH - EH
DIA KIT, CYLINDER GUARD
DIA KIT, ATTACHMENT HOSE GUIDE, MANUAL COUPLER
DIA KIT, ATTACHMENT HOSE GUIDE, HYDRAULIC COUPLER
DIA KIT, SELF LEVEL, RADIAL
DIA KIT, 2ND FRONT HYDRAULIC AUXILIARY, RADIAL BOOM
DIA KIT, HIGH FLOW AUXILIRAY, RADILA BOOM
DIA KIT, HYDRAULIC COUPLER, RADIAL BOOM
DIA KIT, COUNTERWEIGHT MF CASE
DIA KIT, 4 POINT LIFT HOOK
DIA KIT, TRACK COVERS, MEDIUM FRAME (TR270)
DIA KIT, COMPLETE HVAC
DIA KIT, COMPLETE HEAT
DIA, KIT COOLER, AIR CHARGE, STD FIN DENSITY
DIA, KIT COOLER, AIR CHARGE, LOW FIN DENSITY
DIA KIT - F5C AC PLUMBING
DIA KIT, HEATER, AIR CONDITIONER, COMPONENTS
DIA KIT, F5C HEAT HOSES
DIA KIT, MECHANICAL JUMPER HARNESS
DIA KIT, E-H JUMPER HARNESS
DIA KIT - 90 DEGREE HD LIGHT
DIA KIT, BEACON
DIA KIT, STROBE LIGHT
DIA KIT, RADIO
DIA KIT, EU ROAD LIGHTS CASE MED RADIAL
DIA KIT, MULTIFUNCTION ELECTRICAL, RADIAL BOOM
DIA KIT, MULTIFUNCTION ELECTRICAL EH
DIA KIT, HANDLE - 300 CASE LH - NO 2ND AUX - MECH
DIA KIT, HANDLE - 300 CASE RH - MECH
DIA KIT, HANDLE - 350 CASE LH - NO 2ND AUX - EH
DIA KIT, HANDLE LEVEL 400, LH WITH 2ND AUXILIARY, MECHANICAL CONTROLS
DIA KIT, HANDLE - 450 CASE LH - 2ND AUX - EH
DIA KIT, MED FRAME HAND CONTROLS
DIA KIT, MECH CHASSIS OPT HARNESS MD
DIA KIT, SIDE LAMP
DIA KIT, TELEMATICS
DIA KIT, ITALY SPECIFIC PARTS
DIA KIT, BOOM SECTION
DIA KIT, COUPLER CROSS TUBE REINFORCEMENT
DIA KIT, SINGLE PT MED RAD
DIA KIT, PALLET FORK 48" TINES
DIA KIT, ROPS SERVICE WELDMENT
DIA KIT, FOPS LEVEL 2 MODS
DIA KIT, MIRROR
DIA, KIT, DRAWBAR
DIA KIT, 3 POINT SEAT BELT
DIA KIT, CAB SIDE WINDOWS
DIA KIT, GLASS FRONT DOOR
DIA KIT, DEMO DOOR
DIA KIT, REAR EXT ACCESS WINDOW
DIA KIT, 3IN LAP BELT (ALL CASE)
DIA KIT, REMOVABLE TOP WINDOW
DIA KIT, RH, SIDE SCREEN
DIA KIT, INTERIOR TRIM, CASE, EURO
DIA KIT, INTERIOR TRIM, CASE
DIA KIT, LH, SIDE SCREEN
DIA KIT, DEBRIS SOFT PARTS
DIA KIT, CAB LOCK
AIR CONDITIONER BRACKET
ENGINE HOOD, REAR PANEL SUPPORT
REAR DOOR
REAR HOOD ASSY
HOOD, NO HVAC
INSULATION, SOUNDPROOFING, CAB EURO
INSULATION, SOUNDPROOFING, OPEN CAB, EURO
DECALS
CONTROL DECALS
DECAL, CANADA SPECIFIC
DECALS, FOOT, CONTROLS
LOADER ARM STOP, 23MM STOP, 14" TIRE
CHASSIS VENT PANEL
SEAT, NON-SUSPENSION, MOUNTING
SEAT, MECHANICAL SUSPENSION, MOUNTING
OPERATOR MANUAL LOCK, EURO ONLY
SEAT, AIR SUSPENSION, MOUNTING
CAB
CAB SEALING STRIP, REAR
CAB FASTENERS
CAB TILT LOCK
GAS STRUT, OPEN CAB, NO HEAT OR HVAC
GAS STRUT, WITH HVAC OR HEAT ONLY
SEAT BELT, 2" LAP BELT
SEAT BELT, 3 PT, LAP AND SHOULDER BELT
LAP BAR
LAP BAR STOP
REAR VIEW MIRROR, EURO ONLY
GLASS DOOR MOUNTING
GLASS DOOR ASSY
GLASS DOOR ASSY - AFTER FEB 1, 2013
GLASS DOOR JAM ASSY
DEMO DOOR MOUNTING
DEMO DOOR ASSY
DEMO DOOR ASSY
DEMO DOOR JAM ASSY
REAR WINDOW, WITHOUT REAR WIPER
REAR WINDOW, WITH REAR WIPER
UPPER WINDOW
SIDE WINDOW ASSY
CAB HARNESS SEAL
FLOOR MAT, MECHANICAL HAND CONTROL
FLOOR MAT, MECHANICAL FOOT CONTROLS
FLOOR MAT, E-H CONTROLS
FLOOR PLATE, HAND AND E-H CONTROLS
FLOOR PLATE, FOOT CONTROLS
CAB HEADLINER, NO RADIO
CAB HEADLINER, WITH RADIO
TRIM, OPEN CAB
TRIM INTERIOR
ENCLOSED CAB TRIM
1
2
2
3
4
5
6
6
7
8
9
9
10
11
12
13
14
15
15
16
16
Позиция на иллюстрации
Заводской номер детали
Название детали
1
308761
BOLT
2
322894
ELBOW
3
366046
CARRIAGE BOLT, SSQ M8 X 80
4
9790527
PLUG, 1 5/16"-12, 37є
5
9804263
SCREW
6
9804277
NUT
7
84186144
TUBE Loader Valve To Lift Arm
8
84186142
TUBE Loader Valve To Lift Arm
9
84362112
SUPPORT, Hyd Tube
10
86512512
PLUG
11
86637977
CLAMP
12
87655042
SPECIAL WASHER
13
167269
O-RING
14
230427A1
NUT M10
15
D124301
CLAMP
16
167266
O-RING
Содержащиеся в справочниках-каталогах запасные части и детали не предлагаются к продаже, а носят исключительно информационный характер
Дополнительная информация
×
Название:
Номер:
Примечание: