Вернуться на главную
Поиск
Каталоги запчастей к технике
Спецтехника
CASE IH
SR250
HANDLE GRIP, STANDARD (SR250,SV300)
Каталог запасных частей к технике: CASE IH SR250. HANDLE GRIP, STANDARD (SR250,SV300)
zoom-in
zoom-out
enlarge
shrink
circle-right
circle-left
file-text2
info
cart
Тип техники
Не выбрано
Легковые автомобили
Грузовые автомобили и прицепы
Автобусы
Сельхозтехника
Спецтехника
Двигатели
Мототехника
Марка
Не выбрано
Ammann
BOMAG
CARMIX
CASE IH
Changlin
ChengGong
Dimex
Doosan
DYNAPAC
Foton
HAMM
Hidromek
Hitachi
Hyundai
JCB
JLG
John Deere
Komatsu
LIEBHERR
LiuGong
Lonking (LongGong)
Luneng
MANITOU
Mitsuber
New Holland
PENGPU
RM-Terex
SANY
SDLG
SEM
Shantui
Shehwa HBXG
Soosan
TIGARBO
VOGELE
Volvo
WAY
WIRTGEN
XCMG
XGMA
Xiamen
YTO
Yuchai
Zoomlion
Автокран
АЗСМ
Алтайлесмаш
Амкодор
АОМЗ
Атек
АТЗ
Балканкар Рекорд
БелАЗ
Беловеж
Борекс
Брянский Арсенал
Булат
ВЭКС
ГАЗ
Геомаш
Гидромаш
Донекс
Дормаш
Дормашина
Дорэлектромаш
ДЭЗ
ЕлАЗ
ЗЗГТ
Ижнефтемаш
Канаш-электрокар
КЗКТ
ККЗ
Клевер
Клинцовский автокрановый завод
КМЗ
КМЗ 1 Мая
Ковровец
Коммаш
Кранэкс
КЭЗ
КЭМЗ
ЛЗА
МАЗ
МЗИК
МЗКМ
МЗКТ
Михневский РМЗ
МоАЗ
Мозырский МЗ
МТЗ
ОЗП
Онежец
ПАО "ТЗА"
ППС Детва
Промтрактор
ПТЗ
Раскат
СпецАгрегат
ТВЭКС
ТТМ
УВЗ
Угличмаш
УЗТМ
ХТЗ
ЧЗКМ
ЧСДМ
ЧТЗ
ЭКСКО
ЭКСМАШ
ЮрМаш
Модель
Не выбрано
595LSP, 595SLE (2010)
695ST (часть 1) (2015)
695ST (часть 2) (2015)
695ST (часть 3) (2015)
695ST Tier 4A (часть 1) (2012)
695ST Tier 4A (часть 2) (2012)
695ST Tier 4A (часть 3) (2012)
821F (2011)
845 (2002)
921F (2011)
Case-430 (2005)
Case-570T (2010)
Case-580T (часть 1) (2012)
Case-580T (часть 1) (2016)
Case-580T (часть 2) (2012)
Case-580T (часть 2) (2016)
SR250 (2012)
SV300 (2012)
TR270 (2014)
TR320 (2012)
TV380 (2012)
WX-188 (часть 1) (2014)
WX-188 (часть 2) (2014)
Схема
>
Не выбрано
INITIAL STOCKING LIST A (ISL) (SR250, SV300, TR320, TV380)
INITIAL STOCKING LIST B (ISL)
FILTERS AND CAPACITIES (TR320, TV380)
FILTERS AND CAPACITIES (SR250, SV300)
ENGINE
CYLINDER BLOCK & RELATED PARTS
ENGINE MOUNTING AND THROTTLE MOUNTING (ALL CASE)
DIPSTICK & OIL FILL TUBE, REMOTE (ALL CASE)
OIL DRAIN, REMOTE (ALL CASE)
ENGINE OIL FILTER, REMOTE (ALL CASE)
HOOKS - ENGINE
CYLINDER HEAD & RELATED PARTS
ENGINE BREATHERS
OIL SUMP & RELATED PARTS
CRANKSHAFT ASSY
ENGINE, FLYWHEEL
FLYWHEEL CASE
PISTON - ENGINE
CONNECTING ROD
CAMSHAFT - TIMING CONTROL
CAMSHAFT - TIMING CONTROL
CAMSHAFT - TIMING CONTROL
POWER TAKE OFF
POWER TAKE OFF
FUEL FILTER
FILTER ENGINE OIL
PIPING - FUEL
INJECTION EQUIPMENT - INJECTOR
INJECTION EQUIPMENT - PIPING
THROTTLE CONTROL, HAND FOOT MECHANICAL OR ELECTRO-HYDRAULIC (ALL CASE)
INJECTION PUMP
TURBOCHARGING
INTAKE MANIFOLD
BLOCK HEATER, 120V (ALL CASE)
BLOCK HEATER, 220V (ALL CASE)
ENGINE EXHAUST SYSTEM, TIER 4 (SV300,TV380)
ENGINE EXHAUST SYSTEM, TIER 4 (SR250,TR320)
EXHAUST MANIFOLD
EXHAUST MANIFOLD
ENGINE OIL DIPSTICK
PUMP, ENGINE OIL & RELATED PARTS
OIL PUMP PIPING
PIPING - ENGINE COOLING SYSTEM
TEMPERATURE CONTROL (THERMOSTAT)
WATER PUMP & RELATED PARTS
HEAT EXCHANGER
FAN DRIVE
HANDLE FACEPLATE INDEX SR250
HANDLE GRIP PICTORIAL INDEX - STEERING (ALL CASE)
LEVEL 100 CASE CONTROL HANDLES, STANDARD (SR130-SV300)
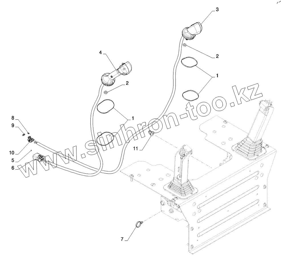
HANDLE GRIP, STANDARD (SR250,SV300)
LEVEL 200 CASE CONTROL HANDLES, W/RIDE CONTROL (ALL CASE)
HANDLE GRIP, W/RIDE CONTROL OPTION (ALL CASE)
LEVEL 250 CASE CONTROL HANDLES, W/RIDE CONTROL, PROP HYDRAULICS, 2 SPEED (ALL CASE)
HANDLE GRIP, W/RIDE CONTROL, PROP HYDRAULICS, 2 SPEED OPTIONS (ALL CASE)
LEVEL 300 CASE CONTROL HANDLES, W/MULTIFUNCTION HYDRAULICS (SR175-TV380)
HANDLE GRIP, W/MULTI-FUNCTION HYDRAULICS OPTION (ALL CASE)
LEVEL 350/550 CASE CONTROL HANDLES, W/MULTIFUNCTION HYDRAULICS AND FLOAT CONTROL (ALL CASE)
HANDLE GRIP, W/MULTI-FUNCTION HYDRAULICS AND FLOAT CONTROL OPTIONS (ALL CASE)
TRAVEL SPEED 1SPD (SR220 - SV300)
TRAVEL SPEED, 1 SPEED (SR250,SV300)
TRAVEL SPEED, 2 SPEED (TR320,TV380)
TRAVEL SPEED 2SPD (SR220 - SV300)
TRAVEL SPEED, 2 SPEED (SR250,SV300)
TRAVEL SPEED, E-H (TR320,TV380)
TRAVEL SPEED E-H (SR220 - SV300)
TRAVEL SPEED, E-H (SR250,SV300)
MOTOR ASSY, DRIVE MOTOR, TRACK 2SPD (TR320,TV380)
MOTOR, REXROTH DRIVE MOTOR 2SPD (SR200-SV300)
MOTOR, REXROTH DRIVE MOTOR 1SPD (SR200-SV300)
MOTOR, DRIVE MOTOR 1SPD (SR250,SV300)
MOTOR, DRIVE MOTOR 2SPD (SR250,SV300)
MOTOR, REXROTH DRIVE MOTOR 2SPD (SR200-SV300)
MOTOR, REXROTH DRIVE MOTOR 1SPD (SR200-SV300)
MOTOR, DRIVE MOTOR 1SPD (SR250,SV300)
MOTOR, DRIVE MOTOR 2SPD (SR250,SV300)
VALVE, BRAKE (SR130-SV300)
BRAKE VALVE - SINGLE SPEED (SV300)
BRAKE VALVE, EH TRACK (TR320,TV380)
VALVE, BRAKE 2SPD (SR175-SV300)
BRAKE VALVE - 2-SPEED (SV300)
BRAKE VALVE - 2-SPEED, EH DRIVE (SV300)
VALVE, BRAKE EH 2SPD (SR175-SV300)
PUMP, HYDROSTATIC TANDEM 46CC MDC FRONT, BUSHED (SR250,SV300,TR320,TV380)
PUMP, HYDROSTATIC TANDEM 46CC MDC FRONT, BUSHED (SR250,SV300,TR320,TV380)
PUMP, HYDROSTATIC TANDEM 46CC MDC FRONT, BUSHED (SR250,SV300,TR320,TV380)
PUMP, HYDROSTATIC TANDEM 46CC MDC FRONT, BUSHED (SR250,SV300,TR320,TV380)
PUMP, HYDROSTATIC TANDEM 46CC MDC REAR, BUSHED (SR250,SV300,TR320,TV380)
PUMP, HYDROSTATIC TANDEM 46CC MDC REAR, BUSHED (SR250,SV300,TR320,TV380)
PUMP, HYDROSTATIC TANDEM 46CC MDC REAR, BUSHED (SR250,SV300,TR320,TV380)
PUMP, HYDROSTATIC EH 45CC A20VG (SR250,SV300)
PUMP, HYDROSTATIC EH 46CC A20VG ET (TR320,TV380)
SELF LEVELING - NONE (SR250,SV300,TR320,TV380)
RIDE CONTROL (SR250,SV300,TR320,TV380)
RIDE CONTROL - NONE (SR250,SV300,TR320,TV380)
MANUAL COUPLER, TAN (SR250,SV300,TR320,TV380)
HYDRAULIC COUPLER, ARM PLUMBING (SV300,TV380)
HYDRAULIC COUPLER, CHASSIS PLUMBING (SV300,TV380)
HYDRAULIC COUPLER, ARM PLUMBING (SR250,TR320)
HYDRAULIC COUPLER (SR250,SV300,TR320,TV380)
HYDRAULIC COUPLER, CHASSIS PLUMBING (SR250,SV300,TR320,TV380)
AUXILIARY HYDRAULIC, STD FLOW (SR250,TR320)
AUXILIARY HYDRAULIC, STD FLOW (SV300,TV380)
AUXILIARY HYDRAULIC, STD FLOW, GEAR PUMP 36CC (ALL CASE)
AUXILIARY HYDRAULIC, STD FLOW, CHASSIS PLUMBING (SV300,TV380)
AUXILIARY HYDRAULIC, STD FLOW, CHASSIS PLUMBING (SR250,TR320)
AUXILIARY HYDRAULIC, STD FLOW, CONNECT UNDER PRESSURE, ARM PLUMBING (SV300,TV380)
AUXILIARY HYDRAULIC, STD FLOW, CONNECT UNDER PRESSURE, ARM PLUMBING (SR250,TR320)
AUXILIARY HYDRAULIC, HIGH FLOW (SR250,TR320)
AUXILIARY HYDRAULIC, HIGH FLOW (SV300,TV380)
AUXILIARY HYDRAULIC, HIGH FLOW, GEAR PUMP (ALL CASE)
AUXILIARY HYDRAULIC, HIGH FLOW, CHASSIS PLUMBING (SV300,TV380)
AUXILIARY HYDRAULIC, HIGH FLOW, CHASSIS PLUMBING (SR250,TR320)
AUXILIARY HYDRAULIC, HIGH FLOW, ARM PLUMBING (SV300,TV380)
AUXILIARY HYDRAULIC, HIGH FLOW, ARM PLUMBING (SR250,TR320)
AUXILIARY HYDRAULIC, HIGH FLOW, CASE DRAIN (SV300,TV380)
2ND AUX HYD, HIGH FLOW, GEAR PUMP (SR250,SV300,TR320,TV380)
2ND AUX HYD, HIGH FLOW, CHASSIS PLUMBING (SV300,TV380)
2ND AUX HYD, HIGH FLOW, CHASSIS PLUMBING (SR250,TR320)
2ND AUX HYD, HIGH FLOW, ARM PLUMBING (SV300,TV380)
2ND AUX HYD, HIGH FLOW, ARM PLUMBING (SR250,TR320)
PUMP, EH AND CONTROL VALVE (SR250,SV300)
PUMP, EH AND CONTROL VALVE (TR320,TV380)
PUMP, EH AND CONTROL VALVE (SR250,SV300)
PUMP, EH AND CONTROL VALVE (TR320,TV380)
PUMP, MECHANICAL (TR320,TV380)
PUMP, MECHANICAL (SR250,SV300)
PUMP, MECHANICAL (TR320,TV380)
PUMP, MECHANICAL (SR250,SV300)
CONTROL VALVE ASSY, EH W/HARNESS
CONTROL VALVE ASSY, MECHANICAL HAND EH AUX (ALL CASE)
LOADER HYDRAULIC LIFT (SV300,TV380)
LOADER HYDRAULIC LIFT (SR250,TR320)
LOADER VALVE PLUMBING (SR250,TR320)
LOADER VALVE PLUMBING (SV300,TV380)
LOADER VALVE PLUMBING (SV300,TV380)
SUPPLY PLUMBING (LOADER VALVE) (ALL CASE)
RETURN PLUMBING (LOADER VALVE) (ALL CASE)
2-SPEED PLUMBING (SR250,SV300)
BRAKE PLUMBING (SR250,SV300)
BRAKE PLUMBING (SR250,SV300)
HYDRAULIC CYLINDER, LIFT CYLINDER, LH (SV300,TV380)
HYDRAULIC CYLINDER, LIFT CYLINDER, RH (SV300,TV380)
HYDRAULIC CYLINDER, LIFT CYLINDER, LH & RH (SR250,TR320)
BUCKET CYLINDER (SV300,TV380)
BUCKET CYLINDER (SR250,TR320)
TANK, HYDRAULIC (SV300,TV380)
TANK, HYDRAULIC (SR250,TR320)
COUNTERWEIGHT (SR250,SV300)
COUNTERWEIGHT (TR320,TV380)
CHASSIS HOODS AND COVERS (SV300)
CHASSIS HOODS AND COVERS (SR250)
CHASSIS HOODS AND COVERS (TR320)
CHASSIS HOODS AND COVERS (TV380)
LOADER ARM (SV300,TV380)
LOADER ARM (SR250)
LOADER ARM (TR320)
COUPLER, BASIC GRAY (ALL CASE)
BOOM LOCK (SV300,TV380)
POWER TRAIN (SR250,SV300)
UNDERCARRIAGE (TR320,TV380)
AXLE ASSEMBLY, HD, COMPONENTS
WHEELS (SR250,SV300)
WHEELS (SR250,SV300)
WHEELS (SR250,SV300)
TRACK ASSY, BELT (TR320,TV380)
OPEN CAB, NO HEAT OR HVAC (ALL CASE)
HVAC, LARGE FRAME (ALL CASE)
HVAC, LARGE FRAME (ALL CASE)
HEATER PLUMBING BASIC (ALL CASE)
AC PLUMBING BASIC (ALL CASE)
HEATER (ALL CASE)
HEATER (ALL CASE)
HEATER, WITH A/C EVAPORATOR & ELECTRIC FAN
CHASSIS OPTIONS HARNESS, MECH LG (ALL CASE)
ELECTRICAL MECHANICAL, OPEN CAB (ALL CASE)
ELECTRICAL MECHANICAL, SEALED CAB (ALL CASE)
ELECTRICAL, ELECTRO-HYDRAULIC, NO HIGH FLOW, SEALED CAB (ALL CASE)
ELECTRICAL, ELECTRO-HYDRAULIC, HIGH FLOW OPTION, SEALED CAB (ALL CASE)
ELECTRICAL, ELECTRO-HYDRAULIC, NO HIGH FLOW, OPEN CAB (ALL CASE)
ELECTRICAL, ELECTRO-HYDRAULIC, HIGH FLOW OPTION, OPEN CAB (ALL CASE)
BATTERY CUT-OUT (ALL CASE)
BATTERY & CABLE, NO DISCONNECT (ALL CASE)
MOTOR ELECTRIC INSTALLATION
MULTIFUNCTION ELECTRICAL (SR250,TR320)
MULTIFUNCTION ELECTRICAL (SV300,TV380)
NO MULTIFUNCTION ELECTRICAL (ALL CASE)
POWER SOCKET, EU (ALL CASE)
POWER SOCKET, NA (ALL CASE)
ENGINE ELECTRICAL LG VERT (SV300,TV380)
ENGINE ELECTRICAL (SR250,TR320)
BATTERY RETAINER (ALL CASE)
MOTOR ELECTRIC INSTALLATION
ENGINE, ALTERNATOR MOUNTING
ENGINE, ALTERNATOR MOUNTING - COMPONENTS
DIAGNOSTIC SENSOR
WORKLIGHTS, HORN AND RELATED PARTS (SV300,TV380)
WORKLIGHTS, HORN AND RELATED PARTS (SR250,TR320)
COMMON INSTRUMENTS AND ELEC (ALL CASE)
WORK LIGHT & WIRING, 55 DEGREE (SV300,TV380)
WORK LIGHT & WIRING, 90 DEGREE (SR250,TR320)
INSTRUMENT CLUSTER (ALL CASE)
ROAD LIGHTS (SV300,TV380)
ROAD LIGHTS (SR250,TR320)
NO ROAD LIGHTS OR TURN SIGNAL (ALL CASE)
REAR LIGHT - ASSY (ALL CASE)
REAR LIGHT - ASSY (ALL CASE)
ELECTRONIC INJECTION
BUCKET, DIRT/FOUNDRY
BUCKET, LOW PROFILE/EXTENDED LOW PROFILE
BUCKET, UTILITY/LIGHT MATERIAL
BUCKET, HEAVY DUTY DIRT
BUCKET, MANURE/SLURRY
BUCKET CUTTING EDGE (ALL CASE)
PALLET FORKS, 48 TINE (ALL CASE)
SPILL GUARD 72 (SR250,SV300)
SPILL GUARD 78 (TR320,TV380)
SPILL GUARD 78 (SR250,SV300)
SPILL GUARD 84 (TR320,TV380)
SPILL GUARD 84 (SR250,SV300)
DIA KIT, ASPIRATOR (SV300,TV380)
DIA KIT, ASPIRATOR (SR250,TR320)
DIA KIT, BLOCK HEATER 120V USA (ALL CASE)
DIA KIT, BLOCK HEATER 220V - ROW (ALL CASE)
DIA KIT, SELF-LEVEL BUCKET, 60 PERCENT (SV300,TV380)
DIA KIT, SELF-LEVEL BUCKET, 72 PERCENT (SR250,TR320)
DIA KIT, RIDE CONTROL CASE MED/LG (ALL CASE)
DIA KIT, HYDRAULIC COUPLER VERT (SV300,TV380)
DIA KIT, HYDRAULIC COUPLER MED/LG RAD (SR250,TR320)
DIA KIT, HIGH FLOW AUX - LG VERT (SV300,TV380)
DIA KIT, HIGH FLOW AUX - LG RAD (SR250,TR320)
DIA KIT, 2ND FRONT HYD AUX - LG VERT (SV300,TV380)
DIA KIT, 2ND FRONT HYD AUX - RADIAL (SR250,TR320)
DIA KIT, LG FRM FOOT CONTROLS, SERVO (ALL CASE)
DIA KIT, COUNTERWEIGHT LFW CASE (SR250,SV300)
DIA KIT, COUNTERWEIGHT LFT CASE (TR320,TV380)
DIA KIT, LRG FRM HVAC (ALL CASE)
DIA KIT, HEATER KIT (ALL CASE)
DIA KIT, BEACON (ALL CASE)
DIA KIT, STROBE (ALL CASE)
DIA KIT, MULTI-FUCTION ELEC MECH VERT (SV300,TV380)
DIA KIT, MULTI-FUNCTION ELEC MECH CS RAD (SR250,TR320)
DIA KIT, MULTI-FUNCTION ELEC EH VERT (SV300,TV380)
DIA KIT, MULTI-FUNCTION ELEC EH CS RAD (SR250,TR320)
DIA KIT, ROAD LIGHT LG VERT CASE (SV300,TV380)
DIA KIT, ROAD LIGHT CASE (SR250,TR320)
DIA KIT, MECH CHASS OPTION HARNESS, LARGE (ALL CASE)
DIA KIT, SIDE LAMP (ALL CASE)
DIA KIT, PALLET FORK 48IN TINES (ALL CASE)
DIA KIT, 78IN SPILL GUARD TAN (ALL CASE)
DIA KIT, 84IN SPILL GUARD (ALL CASE)
DIA KIT, 78IN BUCKET CUTTING EDGE (ALL CASE)
DIA KIT, 84IN BUCKET CUTTING EDGE (ALL CASE)
DIA KIT, HEAVY DUTY DIRT, BUCKET TEETH (ALL CASE)
DIA KIT, SINGLE POINT LIFT HOOK (SV300,TV380)
DIA KIT, SINGLE POINT LIFT HOOK (SR250,TR320)
DIA KIT, RADIO (ALL CASE)
DIA KIT, 4 POINT LIFT HOOK (ALL CASE)
DIA KIT, FOPS LEVEL 2 MODS (ALL CASE)
DIA KIT, MIRROR (ALL CASE)
DIA KIT, ITALY SPECIFIC (ALL CASE)
DIA KIT, DRAW BAR (ALL CASE)
DIA KIT, FIRE EXTINGUISHER (ALL CASE)
DIA KIT, DEMO REAR DOOR (ALL CASE)
DIA KIT, GLASS FRONT DOOR (ALL CASE)
DIA KIT, DEMO FRONT DOOR (ALL CASE)
DIA KIT, CAB SIDE WINDOWS (ALL CASE)
DIA KIT, REAR EXT ACCESS WINDOW (ALL CASE)
DIA KIT, 3IN LAP BELT (ALL CASE)
DIA KIT, REMOVABLE TOP WINDOW (ALL CASE)
DIA KIT, RH, SIDE SCREEN (ALL CASE)
DIA KIT, LH, SIDE SCREEN (ALL CASE)
DIA KIT, HANDLE 300/400 (ALL CASE)
DIA KIT, HANDLE 350/450 (ALL CASE)
ENGINE ACCESSORIES EU/OPEN EU (SV250,SV300,TV380)
ENGINE ACCESSORIES NA (SR250,SV300,TV320,TV380)
SEAL PACKAGE, FOAM (ALL CASE)
FUSE COVER (ALL CASE)
HOOD AND COVERS (SV300)
HOOD AND COVERS (SR250)
HOOD AND COVERS (TR320)
HOOD AND COVERS (TV380)
HAND CONTROLS, LG FRAME SERVO (ALL CASE)
FLOORPLATE, NO PEDAL (ALL CASE)
HAND CONTROLS, INTERLINK (ALL CASE)
HANDLE MOUNTING, MD-LG FRAME HC (ALL CASE)
HAND CONTROLS, HANDLE LH (ALL CASE)
HAND CONTROLS, HANDLE RH (ALL CASE)
DAMPENING & CENTERING CONTROL (ALL CASE)
ELECTRO-HYDRAULIC CONTROLS MD-LG FRM (ALL CASE)
HANDLE MOUNTING EH (ALL CASE)
HANDLE, ELECTRONIC CONTROL CASE (ALL CASE)
FOOT CONTROL, SERVO-CONTROL
FOOT CONTROLS, LH HANDLE
FOOT CONTROLS, RH HANDLE
SERVO PUMP CENTERING
PEDAL MOUNTING
FLOORPLATE, PEDAL
LOADER STOP 40MM (SV300,TV380)
LOADER STOP 23MM (SR250,TR320)
LOADER STOP 63MM (SV300)
LOADER STOP 50MM (SR250)
SEAT, NON-SUSPENSION (ALL CASE)
SEAT, MECHANICAL SUSPENSION (ALL CASE)
SEAT, AIR SUSPENSION (ALL CASE)
SEAT BELT, 2 POINT RETRACTOR, 2 INCH WEB (ALL CASE)
SEAT BELT, 3 POINT
LAP BAR (ALL CASE)
SEAT, SUSPENSION (ALL CASE)
SEAT, NON-SUSPENSION (ALL CASE)
CAB (ALL CASE)
CAB (ALL CASE)
CAB, GAS STRUT (ALL CASE)
CAB SEALING (ALL CASE)
FLOOR MAT, MECHANICAL HAND CONTROL (ALL CASE)
FLOOR MAT, EH CONTROLS (ALL CASE)
FRONT DOOR, GLASS (ALL CASE)
DOOR ASSY, FRONT (ALL CASE)
DOOR ASSY, FRONT (ALL CASE)
NO FRONT DOOR (ALL CASE)
DOOR ASSY, FRONT DEMO (ALL CASE)
DOOR ASSY, FRONT DEMO (ALL CASE)
FRONT DEMO, DOOR (ALL CASE)
SIDE WINDOW ASSY (ALL CASE) страница 779
DOOR ASSY, REAR (ALL CASE)
REAR WINDOW EU (ALL CASE)
REAR WINDOW NA (ALL CASE)
WASHER BOTTLE, FRONT (ALL CASE)
WASHER BOTTLE, REAR (ALL CASE)
WASHER BOTTLE, FRONT & REAR (ALL CASE)
INTERIOR TRIM CASE (ALL CASE)
INTERIOR TRIM CASE (ALL CASE)
SEAL PACKAGE (ALL CASE)
CAB HEADLINER, NO RADIO (ALL CASE)
CAB HEADLINER, WITH RADIO (ALL CASE)
1
1
2
2
3
4
5
6
7
8
9
10
11
Позиция на иллюстрации
Заводской номер детали
Название детали
1
263117
STRAP
2
323238
NUT, Thin, M12 x 1.75, Cl 05
3
84201270
HANDLE GRIP, LH, Standard
4
84201273
HANDLE GRIP, RH, Standard
5
84279937
PLUG, Cavity Plug Apex 2.8MM
6
87382923
ELEC CONNECTOR, Male, FCI Apex 2.8MM 10-Way Tab HSG
7
87668737
STRAP, Fir Tree Assembly
8
87689636
PLUG, Dark Red Cable Cavity Plug
9
87689643
CLIP, Black Secondary Lock
10
87697724
ELEC CONNECTOR, Packard Metri-Pack 150 4-Way Female
11
378884A2
STRAP
12
84296544
SWITCH, Auxiliary Hydraulic Proportional
13
87630127
SWITCH, Park Brake, MOM
14
84296542
SWITCH ASSY, Horn
Содержащиеся в справочниках-каталогах запасные части и детали не предлагаются к продаже, а носят исключительно информационный характер
Дополнительная информация
×
Название:
Номер:
Примечание: