Вернуться на главную
Поиск
Каталоги запчастей к технике
Спецтехника
CASE IH
Case-580T (часть 2)
90.150.11 - CAB FASTENERS
Каталог запасных частей к технике: CASE IH Case-580T (часть 2). 90.150.11 - CAB FASTENERS
zoom-in
zoom-out
enlarge
shrink
circle-right
circle-left
file-text2
info
cart
Тип техники
Не выбрано
Легковые автомобили
Грузовые автомобили и прицепы
Автобусы
Сельхозтехника
Спецтехника
Двигатели
Мототехника
Марка
Не выбрано
Ammann
BOMAG
CARMIX
CASE IH
Changlin
ChengGong
Dimex
Doosan
DYNAPAC
Foton
HAMM
Hidromek
Hitachi
Hyundai
JCB
JLG
John Deere
Komatsu
LIEBHERR
LiuGong
Lonking (LongGong)
Luneng
MANITOU
Mitsuber
New Holland
PENGPU
RM-Terex
SANY
SDLG
SEM
Shantui
Shehwa HBXG
Soosan
TIGARBO
VOGELE
Volvo
WAY
WIRTGEN
XCMG
XGMA
Xiamen
YTO
Yuchai
Zoomlion
Автокран
АЗСМ
Алтайлесмаш
Амкодор
АОМЗ
Атек
АТЗ
Балканкар Рекорд
БелАЗ
Беловеж
Борекс
Брянский Арсенал
Булат
ВЭКС
ГАЗ
Геомаш
Гидромаш
Донекс
Дормаш
Дормашина
Дорэлектромаш
ДЭЗ
ЕлАЗ
ЗЗГТ
Ижнефтемаш
Канаш-электрокар
КЗКТ
ККЗ
Клевер
Клинцовский автокрановый завод
КМЗ
КМЗ 1 Мая
Ковровец
Коммаш
Кранэкс
КЭЗ
КЭМЗ
ЛЗА
МАЗ
МЗИК
МЗКМ
МЗКТ
Михневский РМЗ
МоАЗ
Мозырский МЗ
МТЗ
ОЗП
Онежец
ПАО "ТЗА"
ППС Детва
Промтрактор
ПТЗ
Раскат
СпецАгрегат
ТВЭКС
ТТМ
УВЗ
Угличмаш
УЗТМ
ХТЗ
ЧЗКМ
ЧСДМ
ЧТЗ
ЭКСКО
ЭКСМАШ
ЮрМаш
Модель
Не выбрано
595LSP, 595SLE (2010)
695ST (часть 1) (2015)
695ST (часть 2) (2015)
695ST (часть 3) (2015)
695ST Tier 4A (часть 1) (2012)
695ST Tier 4A (часть 2) (2012)
695ST Tier 4A (часть 3) (2012)
821F (2011)
845 (2002)
921F (2011)
Case-430 (2005)
Case-570T (2010)
Case-580T (часть 1) (2012)
Case-580T (часть 1) (2016)
Case-580T (часть 2) (2012)
Case-580T (часть 2) (2016)
SR250 (2012)
SV300 (2012)
TR270 (2014)
TR320 (2012)
TV380 (2012)
WX-188 (часть 1) (2014)
WX-188 (часть 2) (2014)
Схема
>
Не выбрано
55.011.01 - FUEL TANK - FUEL GAUGE
55.020.01 - TRANSMISSION GEAR SPEED SENSOR - POWERSHIFT
55.021.01 - PRESSURE SWITCH - TRANSMISSION - POWERSHIFT
55.022.01 - TEMPERATURE SWITCH - TRANSMISSION POWERSHIFT
55.024.01 - TRANSMISSION HARNESS - POWERSHIFT
55.050.01 - AIR CONDITIONING
55.050.03 - CAB AIR CONDITIONING (HOT/COLD) - A/C CONTROL PANEL (VAR.741346)
55.100.01 - REAR CABLE HARNESS - POWERSHUTTLE
55.100.02 - BATTERY DISCONNECTING SWITCH - POWERSHUTTLE
55.100.03 - ENGINE CABLE HARNESS - POWERSHUTTLE
55.100.04(01) - SUPPRESSOR DIODE HARNESS
55.100.04(02) - BLOCKING DIODE HARNESS FOR ALTERNATOR
55.100.07 - ANTITHEFT - ANTITHEFT (VAR.742796)
55.100.08 - VAR - 742019 - RIDE CONTROL, HARNESS
55.201.01 - STARTER
55.201.02(01) - COLD WEATHER - COLD START (VAR.718995- 728995)
55.201.02(02) - COLD WEATHER - COLD START (VAR.728995)
55.201.02(03) - VAR - 718995 - COLD WEATHER - COLD START
55.301.0202 - BATTERY - BATTERY 12V 95AH 900A (VAR.861131)
55.301.03 - ALTERNATOR
55.301.0301 - BATTERY - DOUBLE BATTERY 12V 60AH 600A (VAR.861321)
55.404.01(01) - WORKING LIGHT - ROPS - C7320
55.404.01(01A) - WORKING LIGHT - ROPS - D7320
55.404.02 - REAR LIGHTS
55.404.0202 - REAR LIGHTS - EU (VAR.742130)
55.404.03(01) - LIGHTING KIT - CAB - C7320
55.404.03(01A) - LIGHTING KIT - CAB - D7320
55.404.0301 - HEADLAMP, COMPONENTS
55.404.0301 - REAR LIGHTS (VAR.742130)
55.404.0302 - HEADLAMP, COMPONENTS
55.404.04 - ROTATING BEACON
55.404.0401 - ROTATING BEACON - CAB
55.408.01 - REVERSE ALARM
55.415.0102 - LOADER BUCKET RETURN TO DIG SENSOR
55.440.0501 - LOCK VALVE - LOCK VALVE SWITCH (VAR.742010)
55.440.0701 - BACKHOE HYDRAULIC SIDE SHIFT - HYDRAULIC SIDE SHIFT SWITCH (VAR.747508)
55.510.02 - FRONT CABLE HARNESS AND DASHBOARD PANEL - POWERSHUTTLE
55.510.0203 - FRONT CABLE HARNESS AND DASHBOARD PANEL (VAR.742018)
55.510.03 - ROOF CABLE HARNESS - ROPS
55.510.0301 - CAB ROOF CABLE HARNESS - CAB
55.510.04 - CAB MAIN CABLE HARNESS - ROPS
55.510.0401 - CAB MAIN CABLE HARNESS
55.510.0402 - CAB MAIN CABLE HARNESS - POWERSHUTTLE
55.510.05 - ELECTRIC SYSTEM COMPONENTS - ROPS
55.510.0502 - CAB ELECTRIC SYSTEM COMPONENTS - POWERSHUTTLE-POWERSHIFT
55.512.02 - RH SIDE INSTRUMENT PANEL - ROPS
55.512.0201 - RH SIDE INSTRUMENT PANEL - CAB
55.512.0202 - RH SIDE INSTRUMENT PANEL - POWERSHUTTLE- POWERSHIFT
55.512.03 - ANTENNA
55.512.0303 - REAR HAMMER SYSTEM - CONTROL PEDAL (VAR.745219)
55.512.04 - 2 SPOOL LOADER VALVES CAB COMP. - CONTROL VALVE KNOB (VAR.742091)
55.512.05 - 4X1, 6X1 HYDRAULIC CIRCUIT CAB COMP. - CONTROL VALVE KNOB (VAR.742093)
55.513.0102 - GEARSHIFT LEVER AND LIGHT LEVER - POWERSHUTTLE
55.514.01 - CEILING LAMP
55.518.01 - WINDSCREEN WIPER MOTOR
55.518.02 - WINDSCREEN WASHER WATER RESERVOIR
55.524.03 - LOCK VALVE - LOCK VALVE SWITCH (VAR.742010)
55.524.0301 - LOCK VALVE - LOCK VALVE SWITCH (VAR.742010)
55.524.04 - QUICK COUPLER, CONTROL (VAR.724044)
55.640.01 - FUSE HOLDER BOX - ROPS
55.640.0101 - FUSE HOLDER BOX - POWER SHUTTLE
82.100.01(01) - ARMS AND JOINTS
82.100.01(02) - ARMS AND JOINTS
82.100.0102(01) - STRAIGHT LOADER ARM
82.100.0102(02) - STRAIGHT LOADER ARM
82.100.0302 - LOADER BUCKET 1M3 - LOADING BUCKET 1M3 WITHOUT TEETH (VAR.720522)
82.100.0303 - LOADER BUCKET 1M3 - LOADING BUCKET 1M3 WITH TEETH (VAR.742247)
82.100.0401 - LOADER BUCKET 1.15M3 - LOADING BUCKET 1.15M3 WITHOUT TEETH (VAR.742500)
82.100.0403 - LOADER BUCKET 1.15M3 WITH TEETH (VAR.742501)
82.100.0509 - 4X1 BUCKET WITH BLADE - LOADING BUCKET 4X1 (1.15M3) WITH BLADE "COMMON GREY" (VAR.742475)
82.100.0510(01) - 4X1 BUCKET WITH BLADE - LOADING BUCKET 4X1 (1.15M3) WITH BLADE "COMMON GREY" (VAR.742475) - C7338
82.100.0510(01A) - 4X1 BUCKET WITH BLADE - LOADING BUCKET 4X1 (1.15M3) WITH BLADE "COMMON GREY" (VAR.742475) - D7338
82.100.0510(02) - 4X1 BUCKET WITH BLADE - LOADING BUCKET 4X1 (1.15M3) WITH BLADE "COMMON GREY" (VAR.742475) - C7338
82.100.0510(02A) - 4X1 BUCKET WITH BLADE - LOADING BUCKET 4X1 (1.15M3) WITH BLADE "COMMON GREY" (VAR.742475) - D7338
82.100.0511 - 4X1 BUCKET WITH TEETH 1.15M3 - LOADING BUCKET 4X1 (1.15M3) WITH TEETH (VAR.742476)
82.100.0512(01) - 4X1 BUCKET WITH TEETH 1.15M3 - LOADING BUCKET 4X1 (1.15M3) WITH TEETH (VAR.742476) - C7338
82.100.0512(01A) - 4X1 BUCKET WITH TEETH 1.15M3 - LOADING BUCKET 4X1 (1.15M3) WITH TEETH (VAR.742476) - D7338
82.100.0512(02) - 4X1 BUCKET WITH TEETH 1.15M3 - LOADING BUCKET 4X1 (1.15M3) WITH TEETH (VAR.742476) - C7338
82.100.0512(02A) - 4X1 BUCKET WITH TEETH 1.15M3 - LOADING BUCKET 4X1 (1.15M3) WITH TEETH (VAR.742476) - D7338
82.100.0601 - 6X1 BUCKET WITH BLADE - LOADING BUCKET 6X1 (1.15M3) WITH BLADE (VAR.742469)
82.100.0603 - 6X1 BUCKET WITH TEETH - LOADING BUCKET 6X1 (1.15M3) WITH TEETH (VAR.742470)
82.100.0605 - 6X1 BUCKET WITH BLADE - LOADING BUCKET 6X1 (1M3) WITH BLADE (VAR.742473)
82.100.0606(01) - 6X1 BUCKET WITH BLADE - LOADING BUCKET 6X1 (1M3) WITH BLADE (VAR.742473) - C7338
82.100.0606(01A) - 6X1 BUCKET WITH BLADE - LOADING BUCKET 6X1 (1M3) WITH BLADE (VAR.742473) - D7338
82.100.0606(02) - 6X1 BUCKET WITH BLADE - LOADING BUCKET 6X1 (1M3) WITH BLADE (VAR.742473) - C7338
82.100.0606(02A) - 6X1 BUCKET WITH BLADE - LOADING BUCKET 6X1 (1M3) WITH BLADE (VAR.742473) - D7338
82.100.0608(01) - 6X1 BUCKET WITH TEETH - LOADING BUCKET 6X1 (1M3) WITH TEETH (VAR.742474) - C7338
82.100.0608(01A) - 6X1 BUCKET WITH TEETH - LOADING BUCKET 6X1 (1M3) WITH TEETH (VAR.742474) - D7338
82.100.0609(01) - 6X1 BUCKET WITH BLADE 1.15M3 - LOADING BUCKET 6X1 (1.15M3) WITH BLADE "COMMON GREY" (VAR. 742469) - C7338
82.100.0609(01A) - 6X1 BUCKET WITH BLADE 1.15M3 - LOADING BUCKET 6X1 (1.15M3) WITH BLADE "COMMON GREY" (VAR. 742469) - D7338
82.100.0609(02) - 6X1 BUCKET WITH BLADE 1.15M3 - LOADING BUCKET 6X1 (1.15M3) WITH BLADE "COMMON GREY" (VAR. 742469) - C7338
82.100.0609(02A) - 6X1 BUCKET WITH BLADE 1.15M3 - LOADING BUCKET 6X1 (1.15M3) WITH BLADE "COMMON GREY" (VAR. 742469) - D7338
82.100.0610(01) - 6X1 BUCKET WITH TEEH 1.15M3 - LOADING BUCKET 6X1 (1.15M3) WITH TEEH "COMMON GREY" (VAR. 742470) - C7338
82.100.0610(01A) - 6X1 BUCKET WITH TEEH 1.15M3 - LOADING BUCKET 6X1 (1.15M3) WITH TEEH "COMMON GREY" (VAR. 742470) - D7338
82.100.0610(02) - 6X1 BUCKET WITH TEETH 1.15M3 - LOADING BUCKET 6X1 (1.15M3) WITH TEETH "COMMON GREY" (VAR.742470) - C7338
82.100.0610(02A) - 6X1 BUCKET WITH TEETH 1.15M3 - LOADING BUCKET 6X1 (1.15M3) WITH TEETH "COMMON GREY" (VAR.742470) - D7338
82.100.0611 - VAR - 742474 - 6X1 BUCKET WITH TEETH - LOADING BUCKET 6X1 (1M3) WITH TEETH - D7338
82.100.0612 - VAR - 742474 - 6X1 BUCKET WITH TEETH - LOADING BUCKET 6X1 (1M3) WITH TEETH
82.100.0613 - 6X1 BUCKET WITH TEETH - LOADING BUCKET 6X1 (1M3) WITH TEETH (VAR.742474)
82.100.0614 - VAR - 742473 - 6X1 BUCKET WITH BLADE - LOADING BUCKET 6X1 (1M3) WITH BLADE
82.100.0615 - VAR - 742473 - 6X1 BUCKET WITH BLADE - LOADING BUCKET 6X1 (1M3) WITH BLADE
82.100.1202(01) - LOADER BUCKET 4X1 WITH BLADE - LOADING BUCKET 4X1 (1 M3) WITH BLADE "COMMON GREY" (VAR. 742471) - C7338
82.100.1202(01A) - LOADER BUCKET 4X1 WITH BLADE - LOADING BUCKET 4X1 (1 M3) WITH BLADE "COMMON GREY" (VAR. 742471) - D7338
82.100.1202(02) - LOADER BUCKET 4X1 WITH BLADE - LOADING BUCKET 4X1 (1 M3) WITH BLADE "COMMON GREY" (742471) - C7338
82.100.1202(02A) - LOADER BUCKET 4X1 WITH BLADE - LOADING BUCKET 4X1 (1M3) WITH BLADE "COMMON GREY" (742471) - D7338
82.100.1301 - LOADER BUCKET 4X1 WITH BLADE - LOADING BUCKET 4X1 (1 ML) WITH BLADE "COMMON GREY" (VAR.742471)
82.100.1402(01) - LOADER BUCKET 4X1 WITH TEETH - LOADING BUCKET 4X1 (1 M3) WITH TEETH "COMMON GREY" (VAR. 742472) - C7338
82.100.1402(01A) - LOADER BUCKET 4X1 WITH TEETH - LOADING BUCKET 4X1 (1 M3) WITH TEETH "COMMON GREY" (VAR. 742472) - D7338
82.100.1402(02) - LOADER BUCKET 4X1 WITH TEETH - LOADING BUCKET 4X1 (1 M3) WITH TEETH "COMMON GREY" (VAR. 742472) - C7338
82.100.1402(02A) - LOADER BUCKET 4X1 WITH TEETH - LOADING BUCKET 4X1 (1 M3) WITH TEETH "COMMON GREY" (VAR. 742472) - D7338
82.100.1511 - VAR - 742130 - ROAD HOMOLOGATION - BUCKET LOCK AND GUARD
82.100.1512 - VAR - 742130 - ROAD HOMOLOGATION - BUCKET LOCK AND GUARD
82.100.1701 - LOADER BUCKET 4X1 WITH TEETH - LOADING BUCKET 4X1 (1 ML) WITH TEETH "COMMON GREY" (VAR.742472)
84.100.01 - BACKHOE ARM, ADJUSTING SHIMS
84.100.0104 - BACKHOE HED/STD DIPPERSTICK (4.27 M) - BOOM (VAR.745240 - 745241)
84.100.0204 - BACKHOE STD DIPPERSTICK (4.27 M) - DIPPER (VAR.745240)
84.100.0306(01) - BACKHOE HED DIPPERSTICK (4.27 M) - TELESCOPIC DIPPER (VAR.745241)
84.100.0306(02) - BACKHOE HED DIPPERSTICK (4.27 M) - TELESCOPIC DIPPER (VAR.745241)
84.100.0404 - BACKHOE HED DIPPERSTICK (4.27 M) - LINK ROD (VAR.745241)
84.100.0405 - BACKHOE STD DIPPERSTICK (4.27 M) - LINK ROD (VAR.745240)
84.100.0612 - BACKHOE BUCKET, BACKHOE BUCKET W/ BOLT-ON TEETH (305MM) (VAR. 720515)
84.100.0613 - BACKHOE BUCKET, BACKHOE BUCKET W/ BOLT-ON TEETH (457MM) (VAR. 720516)
84.100.0614 - BACKHOE BUCKET, BACKHOE BUCKET W/ BOLT-ON TEETH (610MM) (VAR.720517)
84.100.0615 - BACKHOE BUCKET, BACKHOE BUCKET W/ BOLT-ON TEETH (762MM) (VAR. 720518)
84.100.0616 - BACKHOE BUCKET, BACKHOE BUCKET W/ BOLT-ON TEETH (910MM) (VAR. 720519)
84.100.0701 - BACKHOE BUCKET, CONNECTING ROD, W/O HOOK (VAR.745201)
84.100.0702 - BACKHOE BUCKET, CONNECTING ROD, W/O HOOK (VAR.742201)
84.100.0801 - FIXING EUROPE BUCKET - CONNECTING BUCKET, LINKAGE PIN (VAR.742243)
84.100.0901 - OBJECT HANDLING KIT - REAR LIFTING HOOK (VAR.742020-742201)
84.100.1101 - BACKHOE BUCKET, QUICK COUPLER, MECH. COUPLER (VAR.728733)
88.021.01 - DIA KIT, SHIFTER FORK, SYNCHRONIZER (114MM)
88.035.02(01) - DIA KIT, LOADER VALVE 3 SPOOL
88.035.02(02) - DIA KIT, LOADER VALVE 3 SPOOL
88.035.02(03) - DIA KIT, LOADER VALVE 3 SPOOL
88.035.02(04) - DIA KIT, LOADER VALVE 3 SPOOL
88.035.02(05) - DIA KIT, LOADER VALVE 3 SPOOL
88.035.03(01) - DIA KIT, LOADER VALVE 3 SPOOL
88.035.03(02) - DIA KIT, LOADER VALVE 3 SPOOL
88.035.03(03) - DIA KIT, LOADER VALVE 3 SPOOL
88.035.03(04) - DIA KIT, LOADER VALVE 3 SPOOL
88.035.03(05) - DIA KIT, LOADER VALVE 3 SPOOL
88.035.04(01) - DIA KIT, LOCKING VALVE ON LOADER TILT CYLINDER - C7348
88.035.04(01A) - DIA KIT, LOCKING VALVE ON LOADER TILT CYLINDER - D7348
88.035.04(02) - DIA KIT, LOCKING VALVE ON LOADER TILT CYLINDER - C7348
88.035.04(02A) - DIA KIT, LOCKING VALVE ON LOADER TILT CYLINDER - D7348
88.035.04(03) - DIA KIT, LOCKING VALVE ON LOADER TILT CYLINDER - C7348
88.035.04(03A) - DIA KIT, LOCKING VALVE ON LOADER TILT CYLINDER - D7348
88.035.04(04A) - DIA KIT, LOCKING VALVE ON LOADER TILT CYLINDER - D7348
88.035.04(05A) - DIA KIT, LOCKING VALVE ON LOADER TILT CYLINDER - D7348
88.035.04(06A) - DIA KIT, LOCKING VALVE ON LOADER TILT CYLINDER - D7348
88.035.07(01) - DIA KIT, REAR HAMMER SYSTEM
88.035.07(02) - DIA KIT, REAR HAMMER SYSTEM - C7425
88.035.07(02A) - DIA KIT, REAR HAMMER SYSTEM - D7425
88.035.07(03) - DIA KIT, REAR HAMMER SYSTEM
88.035.07(04) - DIA KIT, REAR HAMMER SYSTEM
88.035.07(05) - DIA KIT, REAR HAMMER SYSTEM
88.035.08 - DIA KIT, REAR HAMMER SYSTEM STD DIPPER
88.035.10 - DIA KIT, REAR HAMMER SYSTEM STD DIPPER
88.035.13 - DIA KIT, STABILIZER LOCK VALVE - SIDE SHIFT
88.035.14 - DIA KIT, OPT. SEQUENCE VALVE
88.035.18 - DIA KIT, OPT LOCK-OUT VALVE COMPLEMENTS, 2WS BACKHOE 14FT
88.035.21(01) - DIA KIT, 2 LEVER BACHKOE CONTROL - NH
88.035.21(02) - DIA KIT, 2 LEVER BACHKOE CONTROL - NH
88.035.22(01) - DIA KIT, 2 LEVER BACHKOE CONTROL - ISO
88.035.22(02) - DIA KIT, 2 LEVER BACHKOE CONTROL - ISO
88.035.23(01) - DIA KIT, 2 LEVER BACHKOE CONTROL - JCB 4WS
88.035.23(02) - DIA KIT, 2 LEVER BACHKOE CONTROL - JCB 4WS
88.035.23(03) - DIA KIT, 2 LEVER BACHKOE CONTROL - JCB 4WS
88.035.24(01) - DIA KIT, OBJECT HANDLING KIT, 2WS DIPPER 14FT
88.035.24(02) - DIA KIT, OBJECT HANDLING KIT, 2WS DIPPER 14FT
88.035.24(03) - DIA KIT, OBJECT HANDLING KIT, 2WS DIPPER 14FT
88.035.24(04) - DIA KIT, OBJECT HANDLING KIT, 2WS DIPPER 14FT
88.035.24(05) - DIA KIT, OBJECT HANDLING KIT, 2WS DIPPER 14FT
88.035.27(01) - DIA KIT, OPT. EXTENDABLE DIPPER HYDRAULIC SYSTEM SIDE SHIFT
88.035.27(02) - DIA KIT, OPT. EXTENDABLE DIPPER HYDRAULIC SYSTEM SIDE SHIFT
88.035.27(03) - DIA KIT, OPT. EXTENDABLE DIPPER HYDRAULIC SYSTEM SIDE SHIFT
88.035.27(04) - DIA KIT, OPT. EXTENDABLE DIPPER HYDRAULIC SYSTEM SIDE SHIFT
88.035.28(01) - DIA KIT, OPT. HAND HAMMER SYSTEM
88.035.28(02) - DIA KIT, OPT. HAND HAMMER SYSTEM
88.035.28(03) - DIA KIT, OPT. HAND HAMMER SYSTEM
88.035.28(04) - DIA KIT, OPT. HAND HAMMER SYSTEM
88.035.29(03) - DIA KIT, OPT. HAND HAMMER SYSTEM
88.035.30(01) - DIA KIT, OPT. LOCKING VALVE
88.035.30(02) - DIA KIT, OPT. LOCKING VALVE
88.035.30(03) - DIA KIT, OPT. LOCKING VALVE
88.035.32(01) - DIA KIT, HAMMER SYSTEM, BOOM TO DIPSTICK
88.035.32(02) - DIA KIT, HAMMER SYSTEM, BOOM TO DIPSTICK
88.035.32(03) - DIA KIT, HAMMER SYSTEM, BOOM TO DIPSTICK
88.039.01(01) - DIA KIT, OPT. HYDRAULIC SIDE SHIFT - C7365
88.039.01(01A) - DIA KIT, OPT. HYDRAULIC SIDE SHIFT - D7365
88.039.01(02) - DIA KIT, OPT. HYDRAULIC SIDE SHIFT - C7365
88.039.01(02A) - DIA KIT, OPT. HYDRAULIC SIDE SHIFT - D7365
88.039.01(03) - DIA KIT, OPT. HYDRAULIC SIDE SHIFT - C7365
88.039.01(03A) - DIA KIT, OPT. HYDRAULIC SIDE SHIFT - D7365
88.039.01(04) - DIA KIT, OPT. HYDRAULIC SIDE SHIFT - C7365
88.039.01(04A) - DIA KIT, OPT. HYDRAULIC SIDE SHIFT - D7365
88.039.01(05) - DIA KIT, OPT. HYDRAULIC SIDE SHIFT - C7365
88.039.01(05A) - DIA KIT, OPT. HYDRAULIC SIDE SHIFT - D7365
88.039.02 - DIA KIT, STEEL REAR MUD GUARDS
88.039.04 - DIA KIT, STABILIZER, STREET PLATE
88.041.01 - DIA KIT, OPT. FIXED STEERING COLUMN - CAB
88.041.02 - DIA KIT, STEERING WHEEL - ADJUSTABLE STEERING COLUMN - CAB
88.041.03 - DIA KIT, OPT. FIXED STEERING COLUMN - ROPS
88.041.04 - DIA KIT, STEERING WHEEL - ADJUSTABLE STEERING COLUMN - ROPS
88.050.01(01) - DIA KIT, HEATING SYSTEM, AIR CONDITIONING, CONVERSION KIT
88.050.01(02) - DIA KIT, HEATING SYSTEM, AIR CONDITIONING, CONVERSION KIT
88.050.01(03) - DIA KIT, HEATING SYSTEM, AIR CONDITIONING, CONVERSION KIT
88.050.01(04) - DIA KIT, HEATING SYSTEM, AIR CONDITIONING, CONVERSION KIT
88.050.01(05) - DIA KIT, HEATING SYSTEM, AIR CONDITIONING, CONVERSION KIT
88.050.01(06) - DIA KIT, HEATING SYSTEM, AIR CONDITIONING, CONVERSION KIT
88.050.01(07) - DIA KIT, HEATING SYSTEM, AIR CONDITIONING, CONVERSION KIT
88.050.01(08) - DIA KIT, HEATING SYSTEM, AIR CONDITIONING, CONVERSION KIT
88.050.01(09) - DIA KIT, HEATING SYSTEM, AIR CONDITIONING, CONVERSION KIT
88.055.03 - DIA KIT, OPT. KIT FOR DOUBLE BATTERY EQUIPMENT
88.055.04 - DIA KIT, ADDITIONAL LIGHTS
88.055.05 - DIA KIT, ENGINE COOLANT HEATER (220V)
88.082.02 - DIA KIT, LOADING BUCKET TEETH "COMMON GREY"
88.082.03(01) - DIA KIT, LOADING BUCKET 6X1 (1M3) WITH BLADE
88.082.03(02) - DIA KIT, LOADING BUCKET 6X1 (1M3) WITH BLADE
88.082.03(03) - DIA KIT, LOADING BUCKET 6X1 (1M3) WITH BLADE
88.082.03(04) - DIA KIT, LOADING BUCKET 6X1 (1M3) WITH BLADE
88.082.03(05) - DIA KIT, LOADING BUCKET 6 X 1 (1M3) WITH BLADE - C7338
88.082.03(05A) - DIA KIT, LOADING BUCKET 6 X 1 (1M3) WITH BLADE - D7338
88.082.04(01) - DIA KIT, OPT 6X1 LOADER BUCKET WITH TEETH 1M3 "COMMON GREY"
88.082.04(02) - DIA KIT, OPT 6X1 LOADER BUCKET WITH TEETH 1M3 "COMMON GREY"
88.082.04(03) - DIA KIT, OPT 6X1 LOADER BUCKET WITH TEETH 1M3 "COMMON GREY"
88.082.04(04) - DIA KIT, OPT 6X1 LOADER BUCKET WITH TEETH 1M3 "COMMON GREY"
88.082.04(05) - DIA KIT, OPT 6X1 LOADER BUCKET WITH TEETH 1M3 "COMMON GREY" - C7338
88.082.04(05A) - DIA KIT, OPT 6X1 LOADER BUCKET WITH TEETH 1M3 "COMMON GREY" - D7338
88.082.05(01) - DIA KIT, OPT 4X1 LOADER BUCKET WITH TEETH 1M3
88.082.05(02) - DIA KIT, OPT 4X1 LOADER BUCKET WITH TEETH 1M3
88.082.05(03) - DIA KIT, OPT 4X1 LOADER BUCKET WITH TEETH 1M3
88.082.05(04) - DIA KIT, OPT 4X1 LOADER BUCKET WITH TEETH 1M3
88.082.05(05) - DIA KIT, OPT 4X1 LOADER BUCKET WITH TEETH 1M3 - C7338
88.082.05(05A) - DIA KIT, OPT 4X1 LOADER BUCKET WITH TEETH 1M3 - D7338
88.082.06(01) - DIA KIT, OPT 6X1 LOADER BUCKET WITH TEETH 1M3
88.082.06(02) - DIA KIT, OPT 6X1 LOADER BUCKET WITH TEETH 1M3
88.082.06(03) - DIA KIT, OPT 6X1 LOADER BUCKET WITH TEETH 1M3
88.082.06(04) - DIA KIT, OPT 6X1 LOADER BUCKET WITH TEETH 1M3
88.082.06(05) - DIA KIT, OPT 6X1 LOADER BUCKET WITH TEETH 1M3 - C7338
88.082.06(05A) - DIA KIT, OPT 6X1 LOADER BUCKET WITH TEETH 1M3 - D7338
88.082.07(01) - DIA KIT, OPT. 4X1 LOADER BUCKET WITH TEETH 1.15M3 "COMMON GREY"
88.082.07(02) - DIA KIT, OPT. 4X1 LOADER BUCKET WITH TEETH 1.15M3 "COMMON GREY"
88.082.07(03) - DIA KIT, OPT. 4X1 LOADER BUCKET WITH TEETH 1M3 "COMMON GREY"
88.082.07(04) - DIA KIT, OPT. 4X1 LOADER BUCKET WITH TEETH 1M3 "COMMON GREY"
88.082.07(05) - DIA KIT, OPT. 4X1 LOADER BUCKET WITH TEETH 1M3 "COMMON GREY" - C7338
88.082.07(05A) - DIA KIT, OPT. 4X1 LOADER BUCKET WITH TEETH 1M3 "COMMON GREY" - D7338
88.082.08 - DIA KIT, OPT. LOADER BUCKET - 1M3
88.082.09 - DIA KIT, OPT. FORK CONVERSION KIT 4X1 TO 6X1 1M3 "COMMON GREY"
88.082.10 - DIA KIT, REVERSIBLE BLADE (L=2400MM)
88.082.11 - DIA KIT, OPT. FORK CONVERSION KIT 4X1 TO 6X1 1.15 M3 "COMMON GREY"
88.082.12(01) - DIA KIT, OPT. LOADER BUCKET WITHOUT TEETH 1M3
88.082.12(02) - DIA KIT, OPT. LOADER BUCKET WITHOUT TEETH 1M3
88.082.13(01) - DIA KIT, OPT. LOADER BUCKET WITH TEETH 1M3
88.082.13(02) - DIA KIT, OPT. LOADER BUCKET WITH TEETH 1M3
88.082.14(01) - DIA KIT, LOADING BUCKET 4X1 (1M3) WITH BLADE
88.082.14(02) - DIA KIT, LOADING BUCKET 4X1 (1M3) WITH BLADE
88.082.14(03) - DIA KIT, LOADING BUCKET 4X1 (1M3) WITH BLADE
88.082.14(04) - DIA KIT, LOADING BUCKET 4X1 (1M3) WITH BLADE
88.082.14(05) - DIA KIT, LOADING BUCKET 4X1 (1M3) WITH BLADE - C7338
88.082.14(05A) - DIA KIT, LOADING BUCKET 4X1 (1M3) WITH BLADE - D7338
88.082.15(01) - DIA KIT, OPT. 4X1 LOADER BUCKET WITH TEETH 1M3
88.082.15(02) - DIA KIT, OPT. 4X1 LOADER BUCKET WITH TEETH 1M3
88.082.16 - DIA KIT, OPT. LOADING BUCKET 1M3 WITHOUT TEETH
88.082.17 - DIA KIT, REVERSIBLE, CUTTING EDGE (2250 MM)
88.084.01(01) - DIA KIT, BACKHOE STD/EXT DIPPER, MECH.QUICK COUPLER WITHOUT LINK HOOK
88.084.01(02) - DIA KIT, BACKHOE STD/EXT DIPPER, MECH.QUICK COUPLER WITHOUT LINK HOOK
88.084.02(01) - DIA KIT, BACKHOE STD/EXT DIPPER, MECH.QUICK COUPLER WITHOUT LINK HOOK
88.084.02(02) - DIA KIT, BACKHOE STD/EXT DIPPER, MECH.QUICK COUPLER WITHOUT LINK HOOK
88.084.03 - DIA KIT, OPT. BACKHOE BUCKET W/ BOLT-ON TEETH (305MM)
88.084.04 - DIA KIT, OPT. BACKHOE BUCKET W/ BOLT-ON TEETH (475MM)
88.084.05 - DIA KIT, OPT. BACKHOE BUCKET W/ BOLT-ON TEETH (610MM)
88.084.06 - DIA KIT, OPT. BACKHOE BUCKET W/ BOLT-ON TEETH (762MM)
88.084.07 - DIA KIT, OPT. BACKHOE BUCKET W/ BOLT-ON TEETH (7910MM)
88.084.08 - DIA KIT, OPT. BACKHOE BUCKET, DITCH CLEANING BUCKET (L=1500MM)
88.088.01 - DIA KIT, OPT. TIE-DOWN STRAP
88.100.0101 - TOOL KIT - TOOL BAG (VAR.720990)
88.100.0201 - ROOF PLATE HOLDER - FRONT LICENSE PLATE HOLDER (VAR.728966)
90.100.01(01) - ENGINE HOOD PANELS
90.100.01(02) - ENGINE HOOD GRID
90.100.01(03) - ENGINE HOOD ACCESSORIES
90.100.02 - HEAT SHIELD - ROPS
90.102.1103 - VAR - 742013, 742014 - RADIATOR GUARDS - CAB
90.102.12 - ENGINE HOOD OPENING CONTROL AND LOADER CONTROL VALVE TIE-RODS
90.102.1201 - ENGINE HOOD OPENING CONTROL AND LOADER CONTROL VALVE TIE-RODS
90.102.1202 - ENGINE HOOD OPENING CONTROL AND LOADER CONTROL VALVE TIE-RODS
90.102.1203 - ENGINE HOOD OPENING CONTROL AND LOADER CONTROL VALVE TIE-RODS
90.108.0206 - DECALS
90.108.0210 - DECALS
90.108.0211 - DECALS
90.108.0212 - DECALS
90.108.0215 - DECALS
90.108.0216 - BACKHOE WITH EXT. DIPPERSTICK (4.27M) - DECALS (VAR.745241)
90.108.0217 - BACKHOE WITH STD DIPPERSTICK (4.27M) - DECALS (VAR.745240)
90.108.0218 - DECALS
90.108.0219 - DECALS
90.108.03(01) - FUNCTIONAL DECALS
90.108.03(02) - WARNING DECALS
90.108.03(03) - CONTROL LOGOGRAM DECALS
90.108.0301 - DIAGNOSTICS DECALS
90.108.0302(01) - CONTROL LOGOGRAM DECALS
90.108.0302(02) - DIAGNOSTICS DECALS
90.108.0302(03) - CONTROL LOGOGRAM DECALS
90.108.0306 - LOAD CHART DECAL (VAR.742973)
90.108.0308 - SAFETY OR FUNCTIONAL DECALS
90.108.0309 - FUNCTIONAL DECALS
90.108.0312 - VAR - 742019 - WARNING DECAL, RIDE CONTROL
90.108.0313 - SAFETY OR FUNCTIONAL DECALS (VAR.728980)
90.114.01 - SAFETY FRAME - ROPS
90.114.02 - ANTI-SKID STRIP - ROPS
90.116.01(01) - FENDERS - C7437
90.116.01(01A) - FENDERS - D7437
90.116.0201 - FRONT FENDERS (VAR.728860)
90.116.0203 - FRONT FENDERS (VAR.742803)
90.118.01 - REAR VIEW MIRROR - CAB
90.118.0101 - REAR-VIEW MIRROR - ROPS
90.118.0201 - OUTERS REAR VIEW MIRROR RH - RH REAR VIEW MIRROR (VAR.728879)
90.120.0101 - DELUXE SEAT W/2 IN SEAT BELT - ADJUSTED OPERATOR'S SEAT - CAB - MECH. CONTROL (VAR.742873)
90.120.0102(01) - DELUXE SEAT W/2 IN SEAT BELT - OPERATOR'S SEAT BACK, ARM RESTS AND CUSHIONS (VAR.742873)
90.120.0102(02) - DELUXE SEAT W/2 IN SEAT BELT - SEAT CUSHION SUPPORT (VAR.742873)
90.120.0102(03) - DELUXE SEAT W/2 IN SEAT BELT - SEAT CUSHION ADJUSTING DEVICE (VAR.742873)
90.120.0102(04) - DELUXE SEAT W/2 IN SEAT BELT - SEAT HEIGHT POSITIONER (VAR.742873)
90.120.0102(05) - DELUXE SEAT W/2 IN SEAT BELT - SEAT POSITION ADJUSTER (VAR.742873)
90.124.0101 - SUPER DELUXE SEAT W/2 IN SEAT BELT - PNEUMATICALLY-ADJUSTED OPERATOR'S SEAT - CAB - MECH. CONTROL (VAR.742874)
90.124.0102(01) - SUPER DELUXE SEAT W/2 IN SEAT BELT - PNEUMATICALLY-ADJUSTED OPERATOR'S SEAT - CAB - MECH. CONTROL (VAR.742874)
90.124.0102(02) - SUPER DELUXE SEAT W/2 IN SEAT BELT - SEAT CUSHION MOUNTING PLATE (VAR.742874)
90.124.0102(03) - SUPER DELUXE SEAT W/2 IN SEAT BELT - SEAT POSITION ADJUSTER (VAR.742874)
90.124.0102(04) - SUPER DELUXE SEAT W/2 IN SEAT BELT - SEAT MOUNTING PLATE (VAR.742874)
90.124.0102(05) - SUPER DELUXE SEAT W/2 IN SEAT BELT - SEAT PNEUMATIC ADJUSTER (VAR.742874)
90.124.0102(06) - SUPER DELUXE SEAT W/2 IN SEAT BELT - COMPRESSOR ELECTRIC CIRCUIT LEAD (VAR.742874)
90.124.0201 - SUPER DE LUXE SEAT W/2 IN SEAT BELT - PNEUMATICALLY-ADJUSTED OPERATOR'S SEAT - CAB - PILOT CONTROL (VAR.742874)
90.150.0101 - CAB FRAME (MECHANICAL CONTROL)
90.150.0201 - CAB FRONT COVER
90.150.08 - PROTECTIONS - 2WS
90.150.10 - CAB FASTENERS - POWERSHUTTLE - MECH. CONTROL
90.150.1002 - ROPS FASTENERS
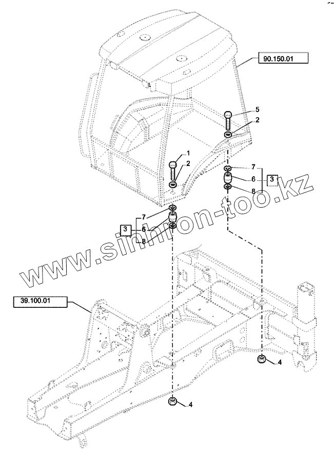
90.150.11 - CAB FASTENERS
90.151.01 - FRONT SUN CURTAIN - CAB
90.151.02 - OUTSIDE REAR VIEW MIRROR LEFT
90.154.01 - CAB DOORS
90.154.02 - CAB DOOR RETAINER
90.154.03 - CAB DOOR RETAINER
90.154.04 - CAB DOOR RETAINER
90.154.05 - CAB ROOF
90.154.06 - CAB ROOF - ROPS
90.156.01 - WINDSHIELD GLASS AND FRONT SIDE WINDOWS
90.156.02 - WINDOW LATCH
90.156.04 - THREE-QUARTER WINDOW GLASSES AND GASKETS
90.156.05 - BACKLIGHT FRAME
90.156.06 - BACKLIGHT CATCH
90.156.07 - BACKLIGHT HINGE
90.156.08 - REAR SIDE WINDOW HINGE & SUPPORT
90.160.01 - FRONT DASHBOARD
90.160.0101 - FRONT DASHBOARD - ROPS
90.160.0201 - RH SIDE DASHBOARD - CAB
90.160.0205 - RH SIDE DASHBOARD - ROPS
90.160.03 - LH SIDE DASHBOARD
90.160.0301 - LH SIDE DASHBOARD - CAB (VAR.742015)
90.160.04 - FRONT FLOOR CARPET
90.160.05 - REAR FLOOR CARPET
90.160.0501 - REAR FLOOR CARPET
90.160.0502 - REAR FLOOR CARPET
90.160.06 - REAR CONSOLLE
90.160.0601 - REAR CONSOLLE - CAB
90.160.0602 - REAR CONSOLLE - ROPS
90.160.0606 - INTERIOR TRIM - ROPS
90.160.07 - CEILING CONSOLE - CAB
1
2
2
3
3
4
4
5
6
6
7
7
8
8
Позиция на иллюстрации
Заводской номер детали
Название детали
1
15982134
BOLT
2
14496931
WASHER
3
87569589
ISOLATOR
4
15504021
NUT
5
15981834
BOLT
6
87569588
SILENTBLOC
7
85808448
WASHER
8
85802980
WASHER
Содержащиеся в справочниках-каталогах запасные части и детали не предлагаются к продаже, а носят исключительно информационный характер
Дополнительная информация
×
Название:
Номер:
Примечание: