Вернуться на главную
Поиск
Каталоги запчастей к технике
Спецтехника
CASE IH
Case-580T (часть 2)
90.150.11 CAB FASTENERS
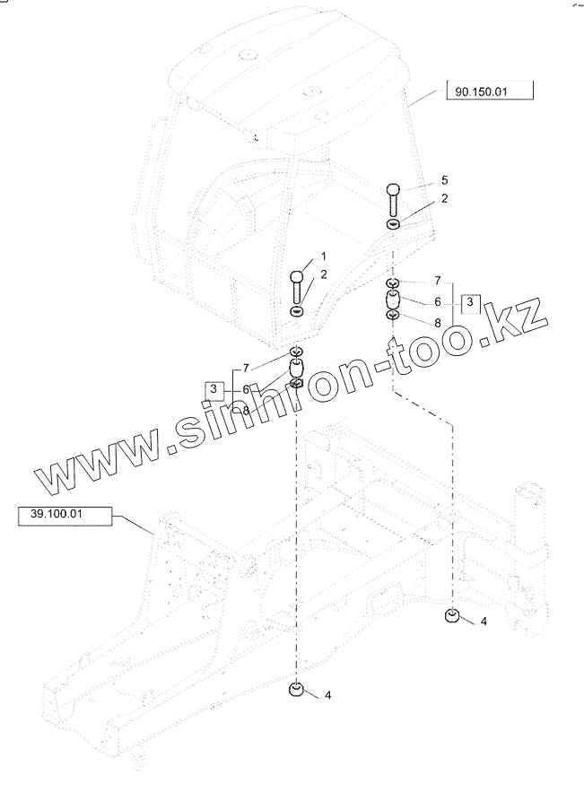
Каталог запасных частей к технике: CASE IH Case-580T (часть 2). 90.150.11 CAB FASTENERS
zoom-in
zoom-out
enlarge
shrink
circle-right
circle-left
file-text2
info
cart
Тип техники
Не выбрано
Легковые автомобили
Грузовые автомобили и прицепы
Автобусы
Сельхозтехника
Спецтехника
Двигатели
Мототехника
Марка
Не выбрано
Ammann
BOMAG
CARMIX
CASE IH
Changlin
ChengGong
Dimex
Doosan
DYNAPAC
Foton
HAMM
Hidromek
Hitachi
Hyundai
JCB
JLG
John Deere
Komatsu
LIEBHERR
LiuGong
Lonking (LongGong)
Luneng
MANITOU
Mitsuber
New Holland
PENGPU
RM-Terex
SANY
SDLG
SEM
Shantui
Shehwa HBXG
Soosan
TIGARBO
VOGELE
Volvo
WAY
WIRTGEN
XCMG
XGMA
Xiamen
YTO
Yuchai
Zoomlion
Автокран
АЗСМ
Алтайлесмаш
Амкодор
АОМЗ
Атек
АТЗ
Балканкар Рекорд
БелАЗ
Беловеж
Борекс
Брянский Арсенал
Булат
ВЭКС
ГАЗ
Геомаш
Гидромаш
Донекс
Дормаш
Дормашина
Дорэлектромаш
ДЭЗ
ЕлАЗ
ЗЗГТ
Ижнефтемаш
Канаш-электрокар
КЗКТ
ККЗ
Клевер
Клинцовский автокрановый завод
КМЗ
КМЗ 1 Мая
Ковровец
Коммаш
Кранэкс
КЭЗ
КЭМЗ
ЛЗА
МАЗ
МЗИК
МЗКМ
МЗКТ
Михневский РМЗ
МоАЗ
Мозырский МЗ
МТЗ
ОЗП
Онежец
ПАО "ТЗА"
ППС Детва
Промтрактор
ПТЗ
Раскат
СпецАгрегат
ТВЭКС
ТТМ
УВЗ
Угличмаш
УЗТМ
ХТЗ
ЧЗКМ
ЧСДМ
ЧТЗ
ЭКСКО
ЭКСМАШ
ЮрМаш
Модель
Не выбрано
595LSP, 595SLE (2010)
695ST (часть 1) (2015)
695ST (часть 2) (2015)
695ST (часть 3) (2015)
695ST Tier 4A (часть 1) (2012)
695ST Tier 4A (часть 2) (2012)
695ST Tier 4A (часть 3) (2012)
821F (2011)
845 (2002)
921F (2011)
Case-430 (2005)
Case-570T (2010)
Case-580T (часть 1) (2012)
Case-580T (часть 1) (2016)
Case-580T (часть 2) (2012)
Case-580T (часть 2) (2016)
SR250 (2012)
SV300 (2012)
TR270 (2014)
TR320 (2012)
TV380 (2012)
WX-188 (часть 1) (2014)
WX-188 (часть 2) (2014)
Схема
>
Не выбрано
55.011.01 FUEL TANK FUEL GAUGE
55.020.01 TRANSMISSION GEAR SPEED SENSOR POWERSHIFT
55.021.01 PRESSURE SWITCH TRANSMISSION POWERSHIFT
55.022.01 TEMPERATURE SWITCH TRANSMISSION POWERSHIFT
55.024.01 TRANSMISSION HARNESS POWERSHIFT
55.050.01 AIR CONDITIONING
55.050.03 CAB AIR CONDITIONING (HOT/COLD) A/C CONTROL PANEL (VAR.741346)
55.100.01 REAR CABLE HARNESS POWERSHUTTLE
55.100.02 BATTERY DISCONNECTING SWITCH POWERSHUTTLE
55.100.03 ENGINE CABLE HARNESS POWERSHUTTLE
55.100.04(01) SUPPRESSOR DIODE HARNESS
55.100.04(02) BLOCKING DIODE HARNESS FOR ALTERNATOR
55.100.07 ANTITHEFT ANTITHEFT (VAR.742796)
55.100.08 VAR 742019 RIDE CONTROL, HARNESS
55.201.01 STARTER
55.201.02(01) COLD WEATHER COLD START (VAR.718995 728995)
55.201.02(02) COLD WEATHER COLD START (VAR.728995)
55.201.02(03) VAR 718995 COLD WEATHER COLD START
55.301.02 ALTERNATOR MOUNTING (2852179)
55.301.0202 BATTERY BATTERY 12V 95AH 900A (VAR.861131)
55.301.03 ALTERNATOR
55.301.0301 BATTERY DOUBLE BATTERY 12V 60AH 600A (VAR.861321)
55.404.01(01) WORKING LIGHT ROPS C7320
55.404.01(01A) WORKING LIGHT ROPS D7320
55.404.02 REAR LIGHTS
55.404.0202 REAR LIGHTS EU (VAR.742130)
55.404.03(01) LIGHTING KIT CAB C7320
55.404.03(01A) LIGHTING KIT CAB D7320
55.404.0301 HEADLAMP, COMPONENTS
55.404.0301 REAR LIGHTS (VAR.742130)
55.404.0302 HEADLAMP, COMPONENTS
55.404.04 ROTATING BEACON
55.404.0401 ROTATING BEACON CAB
55.408.01 REVERSE ALARM
55.414.01 ENGINE SENSORS (28559102852156)
55.415.0102 LOADER BUCKET RETURN TO DIG SENSOR
55.440.0401(01) OBJECT HANDLING KIT ELECTRIC CABLE (VAR.742020)
55.440.0401(02) OBJECT HANDLING KIT ELECTRIC CABLE (VAR.742020)
55.440.0402(01) OBJECT HANDLING KIT ELECTRIC CABLE (VAR.741398745180)
55.440.0402(02) OBJECT HANDLING KIT ELECTRIC CABLE (VAR.741398745180)
55.440.0501 LOCK VALVE LOCK VALVE SWITCH (VAR.742010)
55.440.0701 BACKHOE HYDRAULIC SIDE SHIFT HYDRAULIC SIDE SHIFT SWITCH (VAR.747508)
55.510.02 FRONT CABLE HARNESS AND DASHBOARD PANEL POWERSHUTTLE
55.510.0203 FRONT CABLE HARNESS AND DASHBOARD PANEL (VAR.742018)
55.510.03 ROOF CABLE HARNESS ROPS
55.510.0301 CAB ROOF CABLE HARNESS CAB
55.510.04 CAB MAIN CABLE HARNESS ROPS
55.510.0401 CAB MAIN CABLE HARNESS
55.510.0402 CAB MAIN CABLE HARNESS POWERSHUTTLE
55.510.05 ELECTRIC SYSTEM COMPONENTS ROPS
55.510.0502 CAB ELECTRIC SYSTEM COMPONENTS POWERSHUTTLEPOWERSHIFT
55.512.02 RH SIDE INSTRUMENT PANEL ROPS
55.512.0201 RH SIDE INSTRUMENT PANEL CAB
55.512.0202 RH SIDE INSTRUMENT PANEL POWERSHUTTLE POWERSHIFT
55.512.03 ANTENNA
55.512.0301 REAR HAMMER SYSTEM CONTROL PEDAL CAB (VAR.742017)
55.512.0302 REAR HAMMER SYSTEM CONTROL PEDAL ROPS (VAR.742017)
55.512.04 2 SPOOL LOADER VALVES CAB COMP. CONTROL VALVE KNOB (VAR.742091)
55.512.05 4X1, 6X1 HYDRAULIC CIRCUIT CAB COMP. CONTROL VALVE KNOB (VAR.742093)
55.513.0102 GEARSHIFT LEVER AND LIGHT LEVER POWERSHUTTLE
55.514.01 CEILING LAMP
55.518.01 WINDSCREEN WIPER MOTOR
55.518.02 WINDSCREEN WASHER WATER RESERVOIR
55.524.03 LOCK VALVE LOCK VALVE SWITCH (VAR.742010)
55.524.0301 LOCK VALVE LOCK VALVE SWITCH (VAR.742010)
55.524.04 QUICK COUPLER, CONTROL (VAR.724044)
55.640.01 FUSE HOLDER BOX ROPS
55.640.0101 FUSE HOLDER BOX POWER SHUTTLE
82.100.01(01) ARMS AND JOINTS
82.100.01(02) ARMS AND JOINTS
82.100.0102(01) STRAIGHT LOADER ARM
82.100.0102(02) STRAIGHT LOADER ARM
82.100.0301 LOADER BUCKET 1M3 LOADING BUCKET 1M3 WITHOUT TEETH (VAR.742246)
82.100.0302 LOADER BUCKET 1M3 LOADING BUCKET 1M3 WITHOUT TEETH (VAR.720522)
82.100.0303 LOADER BUCKET 1M3 LOADING BUCKET 1M3 WITH TEETH (VAR.742247)
82.100.0401 LOADER BUCKET 1.15M3 LOADING BUCKET 1.15M3 WITHOUT TEETH (VAR.742500)
82.100.0403 LOADER BUCKET 1.15M3 WITH TEETH (VAR.742501)
82.100.0509 4X1 BUCKET WITH BLADE LOADING BUCKET 4X1 (1.15M3) WITH BLADE "COMMON GREY" (VAR.742475)
82.100.0510(01) 4X1 BUCKET WITH BLADE LOADING BUCKET 4X1 (1.15M3) WITH BLADE "COMMON GREY" (VAR.742475) C7338
82.100.0510(01A) 4X1 BUCKET WITH BLADE LOADING BUCKET 4X1 (1.15M3) WITH BLADE "COMMON GREY" (VAR.742475) D7338
82.100.0510(02) 4X1 BUCKET WITH BLADE LOADING BUCKET 4X1 (1.15M3) WITH BLADE "COMMON GREY" (VAR.742475) C7338
82.100.0510(02A) 4X1 BUCKET WITH BLADE LOADING BUCKET 4X1 (1.15M3) WITH BLADE "COMMON GREY" (VAR.742475) D7338
82.100.0511 4X1 BUCKET WITH TEETH 1.15M3 LOADING BUCKET 4X1 (1.15M3) WITH TEETH (VAR.742476)
82.100.0512(01) 4X1 BUCKET WITH TEETH 1.15M3 LOADING BUCKET 4X1 (1.15M3) WITH TEETH (VAR.742476) C7338
82.100.0512(01A) 4X1 BUCKET WITH TEETH 1.15M3 LOADING BUCKET 4X1 (1.15M3) WITH TEETH (VAR.742476) D7338
82.100.0512(02) 4X1 BUCKET WITH TEETH 1.15M3 LOADING BUCKET 4X1 (1.15M3) WITH TEETH (VAR.742476) C7338
82.100.0512(02A) 4X1 BUCKET WITH TEETH 1.15M3 LOADING BUCKET 4X1 (1.15M3) WITH TEETH (VAR.742476) D7338
82.100.0601 6X1 BUCKET WITH BLADE LOADING BUCKET 6X1 (1.15M3) WITH BLADE (VAR.742469)
82.100.0603 6X1 BUCKET WITH TEETH LOADING BUCKET 6X1 (1.15M3) WITH TEETH (VAR.742470)
82.100.0605 6X1 BUCKET WITH BLADE LOADING BUCKET 6X1 (1M3) WITH BLADE (VAR.742473)
82.100.0606(01) 6X1 BUCKET WITH BLADE LOADING BUCKET 6X1 (1M3) WITH BLADE (VAR.742473) C7338
82.100.0606(01A) 6X1 BUCKET WITH BLADE LOADING BUCKET 6X1 (1M3) WITH BLADE (VAR.742473) D7338
82.100.0606(02) 6X1 BUCKET WITH BLADE LOADING BUCKET 6X1 (1M3) WITH BLADE (VAR.742473) C7338
82.100.0606(02A) 6X1 BUCKET WITH BLADE LOADING BUCKET 6X1 (1M3) WITH BLADE (VAR.742473) D7338
82.100.0607 6X1 BUCKET WITH TEETH LOADING BUCKET 6X1 (1M3) WITH TEETH (VAR.742474)
82.100.0608(01) 6X1 BUCKET WITH TEETH LOADING BUCKET 6X1 (1M3) WITH TEETH (VAR.742474) C7338
82.100.0608(01A) 6X1 BUCKET WITH TEETH LOADING BUCKET 6X1 (1M3) WITH TEETH (VAR.742474) D7338
82.100.0609(01) 6X1 BUCKET WITH BLADE 1.15M3 LOADING BUCKET 6X1 (1.15M3) WITH BLADE "COMMON GREY" (VAR. 742469) C7338
82.100.0609(01A) 6X1 BUCKET WITH BLADE 1.15M3 LOADING BUCKET 6X1 (1.15M3) WITH BLADE "COMMON GREY" (VAR. 742469) D7338
82.100.0609(02) 6X1 BUCKET WITH BLADE 1.15M3 LOADING BUCKET 6X1 (1.15M3) WITH BLADE "COMMON GREY" (VAR. 742469) C7338
82.100.0609(02A) 6X1 BUCKET WITH BLADE 1.15M3 LOADING BUCKET 6X1 (1.15M3) WITH BLADE "COMMON GREY" (VAR. 742469) D7338
82.100.0610(01) 6X1 BUCKET WITH TEEH 1.15M3 LOADING BUCKET 6X1 (1.15M3) WITH TEEH "COMMON GREY" (VAR. 742470) C7338
82.100.0610(01A) 6X1 BUCKET WITH TEEH 1.15M3 LOADING BUCKET 6X1 (1.15M3) WITH TEEH "COMMON GREY" (VAR. 742470) D7338
82.100.0610(02) 6X1 BUCKET WITH TEETH 1.15M3 LOADING BUCKET 6X1 (1.15M3) WITH TEETH "COMMON GREY" (VAR.742470) C7338
82.100.0610(02A) 6X1 BUCKET WITH TEETH 1.15M3 LOADING BUCKET 6X1 (1.15M3) WITH TEETH "COMMON GREY" (VAR.742470) D7338
82.100.0614 VAR 742473 6X1 BUCKET WITH BLADE LOADING BUCKET 6X1 (1M3) WITH BLADE
82.100.0615 VAR 742473 6X1 BUCKET WITH BLADE LOADING BUCKET 6X1 (1M3) WITH BLADE
82.100.1202(01) LOADER BUCKET 4X1 WITH BLADE LOADING BUCKET 4X1 (1 M3) WITH BLADE "COMMON GREY" (VAR. 742471) C7338
82.100.1202(01A) LOADER BUCKET 4X1 WITH BLADE LOADING BUCKET 4X1 (1 M3) WITH BLADE "COMMON GREY" (VAR. 742471) D7338
82.100.1202(02) LOADER BUCKET 4X1 WITH BLADE LOADING BUCKET 4X1 (1 M3) WITH BLADE "COMMON GREY" (742471) C7338
82.100.1202(02A) LOADER BUCKET 4X1 WITH BLADE LOADING BUCKET 4X1 (1M3) WITH BLADE "COMMON GREY" (742471) D7338
82.100.1301 LOADER BUCKET 4X1 WITH BLADE LOADING BUCKET 4X1 (1 ML) WITH BLADE "COMMON GREY" (VAR.742471)
82.100.1402(01) LOADER BUCKET 4X1 WITH TEETH LOADING BUCKET 4X1 (1 M3) WITH TEETH "COMMON GREY" (VAR. 742472) C7338
82.100.1402(01A) LOADER BUCKET 4X1 WITH TEETH LOADING BUCKET 4X1 (1 M3) WITH TEETH "COMMON GREY" (VAR. 742472) D7338
82.100.1402(02) LOADER BUCKET 4X1 WITH TEETH LOADING BUCKET 4X1 (1 M3) WITH TEETH "COMMON GREY" (VAR. 742472) C7338
82.100.1402(02A) LOADER BUCKET 4X1 WITH TEETH LOADING BUCKET 4X1 (1 M3) WITH TEETH "COMMON GREY" (VAR. 742472) D7338
82.100.1511 VAR 742130 ROAD HOMOLOGATION BUCKET LOCK AND GUARD
82.100.1512 VAR 742130 ROAD HOMOLOGATION BUCKET LOCK AND GUARD
82.100.1701 LOADER BUCKET 4X1 WITH TEETH LOADING BUCKET 4X1 (1 ML) WITH TEETH "COMMON GREY" (VAR.742472)
84.100.01 BACKHOE ARM, ADJUSTING SHIMS
84.100.0101 BACKHOE HED/STD DIPPERSTICK (4.27M) BOOM (VAR.742042742043742044)
84.100.0103 BACKHOE HED/STD DIPPERSTICK (4.27M) BOOM (VAR.745182745183)
84.100.0201 BACKHOE WITH STD DIPPERSTICK (4.27M) DIPPER (VAR.742042)
84.100.0203 BACKHOE WITH STD DIPPERSTICK (4.27M) DIPPER (VAR.745182)
84.100.0301(01) BACKHOE WITH EXT. DIPPERSTICK (4.27M) TELESCOPIC DIPPER (VAR.742043)
84.100.0301(02) BACKHOE WITH HED DIPPERSTICK (4.27M) TELESCOPIC DIPPER (VAR.742043)
84.100.0302(01) BACKHOE WITH EXT. DIPPER + HYD. QUICK COUPLER (4.27M) TELESCOPIC DIPPER (VAR.742044)
84.100.0302(02) BACKHOE WITH EXT. DIPPER + HYD. QUICK COUPLER (4.27M) TELESCOPIC DIPPER (VAR.742044)
84.100.0305(01) BACKHOE WITH EXT. DIPPERSTICK (4.27M) TELESCOPIC DIPPER (VAR.745183)
84.100.0305(02) BACKHOE WITH HED DIPPERSTICK (4.27M) TELESCOPIC DIPPER (VAR.745183)
84.100.0401 BACKHOE HED/STD DIPPERSTICK (4.27M) LINK AND ROD (VAR.742042742043742044)
84.100.0403 BACKHOE HED/STD DIPPERSTICK (4.27M) LINK AND ROD (VAR.745182745183)
84.100.0501 BACKHOE EXT./STD DIPPERSTICK (4.27M) MECH. COUPLER (VAR.742042742043)
84.100.0601 VAR 747591 BACKHOE BUCKET W/ PIN TEETH (300MM)
84.100.0602 VAR 747592 BACKHOE BUCKET BACKHOE BUCKET WITH PIN TEETH (400MM)
84.100.0603 VAR 747593 BACKHOE BUCKET BACKHOE BUCKET WITH PIN TEETH (450MM)
84.100.0604 VAR 747593 BACKHOE BUCKET BACKHOE BUCKET WITH PIN TEETH (600MM)
84.100.0605 VAR 747595 BACKHOE BUCKET BACKHOE BUCKET WITH PIN TEETH (750MM)
84.100.0606 VAR 747596 BACKHOE BUCKET BACKHOE BUCKET WITH PIN TEETH (900MM)
84.100.0607 VAR 747651 BACKHOE BUCKET BACKHOE BUCKET WITH PIN TEETH, HD 16"
84.100.0608 VAR 747652 BACKHOE BUCKET BACKHOE BUCKET WITH PIN TEETH, HD 18"
84.100.0609 VAR 747653 746653 BACKHOE BUCKET BACKHOE BUCKET WITH PIN TEETH, HD 24"
84.100.0610 VAR 747655 BACKHOE BUCKET BACKHOE BUCKET WITH PIN TEETH, HD 36"
84.100.0901 OBJECT HANDLING KIT REAR LIFTING HOOK (VAR.742020742201)
84.100.0902 OBJECT HANDLING KIT, REAR LIFTING HOOK (VAR.741398745180745181)
84.100.1001 DIPPER GRIP (VAR.423092)
88.021.01 DIA KIT, SHIFTER FORK, SYNCHRONIZER (114MM)
88.035.02(01) DIA KIT, LOADER VALVE 3 SPOOL
88.035.02(02) DIA KIT, LOADER VALVE 3 SPOOL
88.035.02(03) DIA KIT, LOADER VALVE 3 SPOOL
88.035.02(04) DIA KIT, LOADER VALVE 3 SPOOL
88.035.02(05) DIA KIT, LOADER VALVE 3 SPOOL
88.035.04(01) DIA KIT, LOCKING VALVE ON LOADER TILT CYLINDER C7348
88.035.04(01A) DIA KIT, LOCKING VALVE ON LOADER TILT CYLINDER D7348
88.035.04(02) DIA KIT, LOCKING VALVE ON LOADER TILT CYLINDER C7348
88.035.04(02A) DIA KIT, LOCKING VALVE ON LOADER TILT CYLINDER D7348
88.035.04(03) DIA KIT, LOCKING VALVE ON LOADER TILT CYLINDER C7348
88.035.04(03A) DIA KIT, LOCKING VALVE ON LOADER TILT CYLINDER D7348
88.035.04(04A) DIA KIT, LOCKING VALVE ON LOADER TILT CYLINDER D7348
88.035.04(05A) DIA KIT, LOCKING VALVE ON LOADER TILT CYLINDER D7348
88.035.04(06A) DIA KIT, LOCKING VALVE ON LOADER TILT CYLINDER D7348
88.035.07(01) DIA KIT, REAR HAMMER SYSTEM
88.035.07(02) DIA KIT, REAR HAMMER SYSTEM C7425
88.035.07(02A) DIA KIT, REAR HAMMER SYSTEM D7425
88.035.07(03) DIA KIT, REAR HAMMER SYSTEM
88.035.07(04) DIA KIT, REAR HAMMER SYSTEM
88.035.07(05) DIA KIT, REAR HAMMER SYSTEM
88.035.08 DIA KIT, REAR HAMMER SYSTEM STD DIPPER
88.035.10 DIA KIT, REAR HAMMER SYSTEM STD DIPPER
88.035.13 DIA KIT, STABILIZER LOCK VALVE SIDE SHIFT
88.035.14 DIA KIT, OPT. SEQUENCE VALVE
88.035.18 DIA KIT, OPT LOCKOUT VALVE COMPLEMENTS, 2WS BACKHOE 14FT
88.035.21(01) DIA KIT, 2 LEVER BACHKOE CONTROL NH
88.035.21(02) DIA KIT, 2 LEVER BACHKOE CONTROL NH
88.035.22(01) DIA KIT, 2 LEVER BACHKOE CONTROL ISO
88.035.22(02) DIA KIT, 2 LEVER BACHKOE CONTROL ISO
88.035.23(01) DIA KIT, 2 LEVER BACHKOE CONTROL JCB 4WS
88.035.23(02) DIA KIT, 2 LEVER BACHKOE CONTROL JCB 4WS
88.035.23(03) DIA KIT, 2 LEVER BACHKOE CONTROL JCB 4WS
88.035.24(01) DIA KIT, OBJECT HANDLING KIT, 2WS DIPPER 14FT
88.035.24(02) DIA KIT, OBJECT HANDLING KIT, 2WS DIPPER 14FT
88.035.24(03) DIA KIT, OBJECT HANDLING KIT, 2WS DIPPER 14FT
88.035.24(04) DIA KIT, OBJECT HANDLING KIT, 2WS DIPPER 14FT
88.035.24(05) DIA KIT, OBJECT HANDLING KIT, 2WS DIPPER 14FT
88.035.27(01) DIA KIT, OPT. EXTENDABLE DIPPER HYDRAULIC SYSTEM SIDE SHIFT
88.035.27(02) DIA KIT, OPT. EXTENDABLE DIPPER HYDRAULIC SYSTEM SIDE SHIFT
88.035.27(03) DIA KIT, OPT. EXTENDABLE DIPPER HYDRAULIC SYSTEM SIDE SHIFT
88.035.27(04) DIA KIT, OPT. EXTENDABLE DIPPER HYDRAULIC SYSTEM SIDE SHIFT
88.035.28(01) DIA KIT, OPT. HAND HAMMER SYSTEM
88.035.28(02) DIA KIT, OPT. HAND HAMMER SYSTEM
88.035.28(03) DIA KIT, OPT. HAND HAMMER SYSTEM
88.035.28(04) DIA KIT, OPT. HAND HAMMER SYSTEM
88.035.29(03) DIA KIT, OPT. HAND HAMMER SYSTEM
88.035.30(01) DIA KIT, OPT. LOCKING VALVE
88.035.30(02) DIA KIT, OPT. LOCKING VALVE
88.035.30(03) DIA KIT, OPT. LOCKING VALVE
88.035.71(01) DIA KIT, OPT. HYDRAULIC SYSTEM FOR RIDE CONTROL C7348
88.035.71(01A) DIA KIT, OPT. HYDRAULIC SYSTEM FOR RIDE CONTROL D7348
88.035.71(02) DIA KIT, OPT. HYDRAULIC SYSTEM FOR RIDE CONTROL C7348
88.035.71(02A) DIA KIT, OPT. HYDRAULIC SYSTEM FOR RIDE CONTROL D7348
88.035.71(03) DIA KIT, OPT. HYDRAULIC SYSTEM FOR RIDE CONTROL C7348
88.035.71(03A) DIA KIT, OPT. HYDRAULIC SYSTEM FOR RIDE CONTROL D7348
88.035.71(04) DIA KIT, OPT. HYDRAULIC SYSTEM FOR RIDE CONTROL C7348
88.035.71(04A) DIA KIT, OPT. HYDRAULIC SYSTEM FOR RIDE CONTROL D7348
88.039.01(01) DIA KIT, OPT. HYDRAULIC SIDE SHIFT C7365
88.039.01(01A) DIA KIT, OPT. HYDRAULIC SIDE SHIFT D7365
88.039.01(02) DIA KIT, OPT. HYDRAULIC SIDE SHIFT C7365
88.039.01(02A) DIA KIT, OPT. HYDRAULIC SIDE SHIFT D7365
88.039.01(03) DIA KIT, OPT. HYDRAULIC SIDE SHIFT C7365
88.039.01(03A) DIA KIT, OPT. HYDRAULIC SIDE SHIFT D7365
88.039.01(04) DIA KIT, OPT. HYDRAULIC SIDE SHIFT C7365
88.039.01(04A) DIA KIT, OPT. HYDRAULIC SIDE SHIFT D7365
88.039.01(05) DIA KIT, OPT. HYDRAULIC SIDE SHIFT C7365
88.039.01(05A) DIA KIT, OPT. HYDRAULIC SIDE SHIFT D7365
88.039.02 DIA KIT, STEEL REAR MUD GUARDS
88.039.03(01) DIA KIT, HYDRAULIC TRANSPORT LOCK HOOK
88.039.03(02) DIA KIT, HYDRAULIC TRANSPORT LOCK HOOK
88.041.01 DIA KIT, OPT. FIXED STEERING COLUMN CAB
88.041.02 DIA KIT, STEERING WHEEL ADJUSTABLE STEERING COLUMN CAB
88.041.03 DIA KIT, OPT. FIXED STEERING COLUMN ROPS
88.041.04 DIA KIT, STEERING WHEEL ADJUSTABLE STEERING COLUMN ROPS
88.050.01 [12A] DIA KIT, CONVERSION KIT FROM HEATER TO AIR CONDITIONER D7438
88.055.03 DIA KIT, OPT. KIT FOR DOUBLE BATTERY EQUIPMENT
88.055.04 DIA KIT, ADDITIONAL LIGHTS
88.082.02 DIA KIT, LOADING BUCKET TEETH "COMMON GREY"
88.082.03(01) DIA KIT, LOADING BUCKET 6X1 (1M3) WITH BLADE
88.082.03(02) DIA KIT, LOADING BUCKET 6X1 (1M3) WITH BLADE
88.082.03(03) DIA KIT, LOADING BUCKET 6X1 (1M3) WITH BLADE
88.082.03(04) DIA KIT, LOADING BUCKET 6X1 (1M3) WITH BLADE
88.082.03(05) DIA KIT, LOADING BUCKET 6 X 1 (1M3) WITH BLADE C7338
88.082.03(05A) DIA KIT, LOADING BUCKET 6 X 1 (1M3) WITH BLADE D7338
88.082.04(01) DIA KIT, OPT 6X1 LOADER BUCKET WITH TEETH 1M3 "COMMON GREY"
88.082.04(02) DIA KIT, OPT 6X1 LOADER BUCKET WITH TEETH 1M3 "COMMON GREY"
88.082.04(03) DIA KIT, OPT 6X1 LOADER BUCKET WITH TEETH 1M3 "COMMON GREY"
88.082.04(04) DIA KIT, OPT 6X1 LOADER BUCKET WITH TEETH 1M3 "COMMON GREY"
88.082.04(05) DIA KIT, OPT 6X1 LOADER BUCKET WITH TEETH 1M3 "COMMON GREY" C7338
88.082.04(05A) DIA KIT, OPT 6X1 LOADER BUCKET WITH TEETH 1M3 "COMMON GREY" D7338
88.082.05(01) DIA KIT, OPT 4X1 LOADER BUCKET WITH TEETH 1M3
88.082.05(02) DIA KIT, OPT 4X1 LOADER BUCKET WITH TEETH 1M3
88.082.05(03) DIA KIT, OPT 4X1 LOADER BUCKET WITH TEETH 1M3
88.082.05(04) DIA KIT, OPT 4X1 LOADER BUCKET WITH TEETH 1M3
88.082.05(05) DIA KIT, OPT 4X1 LOADER BUCKET WITH TEETH 1M3 C7338
88.082.05(05A) DIA KIT, OPT 4X1 LOADER BUCKET WITH TEETH 1M3 D7338
88.082.06(01) DIA KIT, OPT 6X1 LOADER BUCKET WITH TEETH 1M3
88.082.06(02) DIA KIT, OPT 6X1 LOADER BUCKET WITH TEETH 1M3
88.082.06(03) DIA KIT, OPT 6X1 LOADER BUCKET WITH TEETH 1M3
88.082.06(04) DIA KIT, OPT 6X1 LOADER BUCKET WITH TEETH 1M3
88.082.06(05) DIA KIT, OPT 6X1 LOADER BUCKET WITH TEETH 1M3 C7338
88.082.06(05A) DIA KIT, OPT 6X1 LOADER BUCKET WITH TEETH 1M3 D7338
88.082.07(01) DIA KIT, OPT. 4X1 LOADER BUCKET WITH TEETH 1.15M3 "COMMON GREY"
88.082.07(02) DIA KIT, OPT. 4X1 LOADER BUCKET WITH TEETH 1.15M3 "COMMON GREY"
88.082.07(03) DIA KIT, OPT. 4X1 LOADER BUCKET WITH TEETH 1M3 "COMMON GREY"
88.082.07(04) DIA KIT, OPT. 4X1 LOADER BUCKET WITH TEETH 1M3 "COMMON GREY"
88.082.07(05) DIA KIT, OPT. 4X1 LOADER BUCKET WITH TEETH 1M3 "COMMON GREY" C7338
88.082.07(05A) DIA KIT, OPT. 4X1 LOADER BUCKET WITH TEETH 1M3 "COMMON GREY" D7338
88.082.08 DIA KIT, OPT. LOADER BUCKET 1M3
88.082.09 DIA KIT, OPT. FORK CONVERSION KIT 4X1 TO 6X1 1M3 "COMMON GREY"
88.082.10 DIA KIT, REVERSIBLE BLADE (L=2400MM)
88.082.11 DIA KIT, OPT. FORK CONVERSION KIT 4X1 TO 6X1 1.15 M3 "COMMON GREY"
88.082.12(01) DIA KIT, OPT. LOADER BUCKET WITHOUT TEETH 1M3
88.082.12(02) DIA KIT, OPT. LOADER BUCKET WITHOUT TEETH 1M3
88.082.13(01) DIA KIT, OPT. LOADER BUCKET WITH TEETH 1M3
88.082.13(02) DIA KIT, OPT. LOADER BUCKET WITH TEETH 1M3
88.082.14(01) DIA KIT, LOADING BUCKET 4X1 (1M3) WITH BLADE
88.082.14(02) DIA KIT, LOADING BUCKET 4X1 (1M3) WITH BLADE
88.082.14(03) DIA KIT, LOADING BUCKET 4X1 (1M3) WITH BLADE
88.082.14(04) DIA KIT, LOADING BUCKET 4X1 (1M3) WITH BLADE
88.082.14(05) DIA KIT, LOADING BUCKET 4X1 (1M3) WITH BLADE C7338
88.082.14(05A) DIA KIT, LOADING BUCKET 4X1 (1M3) WITH BLADE D7338
88.084.01(01) DIA KIT, BACKHOE STD/EXT DIPPER, MECH.QUICK COUPLER WITHOUT LINK HOOK
88.084.01(02) DIA KIT, BACKHOE STD/EXT DIPPER, MECH.QUICK COUPLER WITHOUT LINK HOOK
88.084.02(01) DIA KIT, BACKHOE STD/EXT DIPPER, MECH.QUICK COUPLER WITHOUT LINK HOOK
88.084.02(02) DIA KIT, BACKHOE STD/EXT DIPPER, MECH.QUICK COUPLER WITHOUT LINK HOOK
88.088.01 DIA KIT, OPT. TIEDOWN STRAP
88.100.0101 TOOL KIT TOOL BAG (VAR.720990)
88.100.0201 ROOF PLATE HOLDER FRONT LICENSE PLATE HOLDER (VAR.728966)
90.100.01(01) ENGINE HOOD PANELS
90.100.01(02) ENGINE HOOD GRID
90.100.01(03) ENGINE HOOD ACCESSORIES
90.100.02 HEAT SHIELD ROPS
90.102.1103 VAR 742013, 742014 RADIATOR GUARDS CAB
90.102.12 ENGINE HOOD OPENING CONTROL AND LOADER CONTROL VALVE TIERODS
90.102.1201 ENGINE HOOD OPENING CONTROL AND LOADER CONTROL VALVE TIERODS
90.102.1202 ENGINE HOOD OPENING CONTROL AND LOADER CONTROL VALVE TIERODS
90.102.1203 ENGINE HOOD OPENING CONTROL AND LOADER CONTROL VALVE TIERODS
90.108.0206 DECALS
90.108.0207 BACKHOE WITH EXT. DIPPERSTICK (4.57M) DECALS (VAR.742046742047)
90.108.0209 DECALS CAB
90.108.0210 DECALS
90.108.0212 DECALS
90.108.0211 DECALS
90.108.0213 BACKHOE WITH EXT. DIPPERSTICK (4.57M) DECALS (VAR.745183)
90.108.0214 BACKHOE WITH STD DIPPERSTICK DECALS (VAR.745182)
90.108.0218 DECALS
90.108.03(01) FUNCTIONAL DECALS
90.108.03(02) WARNING DECALS
90.108.03(03) CONTROL LOGOGRAM DECALS
90.108.0301 DIAGNOSTICS DECALS
90.108.0302(01) CONTROL LOGOGRAM DECALS
90.108.0302(02) DIAGNOSTICS DECALS
90.108.0302(03) CONTROL LOGOGRAM DECALS
90.108.0306 LOAD CHART DECAL (VAR.742973)
90.108.0309 FUNCTIONAL DECALS
90.108.0312 VAR 742019 WARNING DECAL, RIDE CONTROL
90.114.01 SAFETY FRAME ROPS
90.114.02 ANTISKID STRIP ROPS
90.116.01(01) FENDERS C7437
90.116.01(01A) FENDERS D7437
90.116.0201 FRONT FENDERS (VAR.728860)
90.116.0203 FRONT FENDERS (VAR.742803)
90.118.01 REAR VIEW MIRROR CAB
90.118.0101 REARVIEW MIRROR ROPS
90.118.0201 OUTERS REAR VIEW MIRROR RH RH REAR VIEW MIRROR (VAR.728879)
90.120.0101 DELUXE SEAT W/2 IN SEAT BELT ADJUSTED OPERATOR’S SEAT CAB MECH. CONTROL (VAR.742873)
90.120.0102(01) DELUXE SEAT W/2 IN SEAT BELT OPERATOR’S SEAT BACK, ARM RESTS AND CUSHIONS (VAR.742873)
90.120.0102(02) DELUXE SEAT W/2 IN SEAT BELT SEAT CUSHION SUPPORT (VAR.742873)
90.120.0102(03) DELUXE SEAT W/2 IN SEAT BELT SEAT CUSHION ADJUSTING DEVICE (VAR.742873)
90.120.0102(04) DELUXE SEAT W/2 IN SEAT BELT SEAT HEIGHT POSITIONER (VAR.742873)
90.120.0102(05) DELUXE SEAT W/2 IN SEAT BELT SEAT POSITION ADJUSTER (VAR.742873)
90.120.0201 DE LUXE SEAT W/2 IN SEAT BELT ADJUSTED OPERATOR’S SEAT ROPS MECH. CONTROL (VAR.742876)
90.120.0202(01) DE LUXE SEAT W/2 IN SEAT BELT OPERATOR’S SEAT BACK, ARM RESTS AND CUSHIONS (VAR.742876)
90.120.0202(02) DE LUXE SEAT W/2 IN SEAT BELT OPERATOR’S SEAT BACK, ARM RESTS AND CUSHIONS (VAR.742876)
90.120.0202(03) DE LUXE SEAT W/2 IN SEAT BELT OPERATOR’S SEAT BACK, ARM RESTS AND CUSHIONS (VAR.742876)
90.120.0202(04) DE LUXE SEAT W/2 IN SEAT BELT OPERATOR’S SEAT BACK, ARM RESTS AND CUSHIONS (VAR.742876)
90.120.0202(05) DE LUXE SEAT W/2 IN SEAT BELT OPERATOR’S SEAT BACK, ARM RESTS AND CUSHIONS (VAR.742876)
90.124.0101 SUPER DELUXE SEAT W/2 IN SEAT BELT PNEUMATICALLYADJUSTED OPERATOR’S SEAT CAB MECH. CONTROL (VAR.742874)
90.124.0102(01) SUPER DELUXE SEAT W/2 IN SEAT BELT PNEUMATICALLYADJUSTED OPERATOR’S SEAT CAB MECH. CONTROL (VAR.742874)
90.124.0102(02) SUPER DELUXE SEAT W/2 IN SEAT BELT SEAT CUSHION MOUNTING PLATE (VAR.742874)
90.124.0102(03) SUPER DELUXE SEAT W/2 IN SEAT BELT SEAT POSITION ADJUSTER (VAR.742874)
90.124.0102(04) SUPER DELUXE SEAT W/2 IN SEAT BELT SEAT MOUNTING PLATE (VAR.742874)
90.124.0102(05) SUPER DELUXE SEAT W/2 IN SEAT BELT SEAT PNEUMATIC ADJUSTER (VAR.742874)
90.124.0102(06) SUPER DELUXE SEAT W/2 IN SEAT BELT COMPRESSOR ELECTRIC CIRCUIT LEAD (VAR.742874)
90.124.0201 SUPER DE LUXE SEAT W/2 IN SEAT BELT PNEUMATICALLYADJUSTED OPERATOR’S SEAT CAB PILOT CONTROL (VAR.742874)
90.150.0101 CAB FRAME (MECHANICAL CONTROL)
90.150.0201 CAB FRONT COVER
90.150.08 PROTECTIONS 2WS
90.150.10 CAB FASTENERS POWERSHUTTLE MECH. CONTROL
90.150.1002 ROPS FASTENERS
90.150.11 CAB FASTENERS
90.151.01 FRONT SUN CURTAIN CAB
90.151.02 OUTSIDE REAR VIEW MIRROR LEFT
90.154.01 CAB DOORS
90.154.02 CAB DOOR RETAINER
90.154.03 CAB DOOR RETAINER
90.154.04 CAB DOOR RETAINER
90.154.05 CAB ROOF
90.154.06 CAB ROOF ROPS
90.156.01 WINDSHIELD GLASS AND FRONT SIDE WINDOWS
90.156.02 WINDOW LATCH
90.156.04 THREEQUARTER WINDOW GLASSES AND GASKETS
90.156.05 BACKLIGHT FRAME
90.156.06 BACKLIGHT CATCH
90.156.07 BACKLIGHT HINGE
90.156.08 REAR SIDE WINDOW HINGE & SUPPORT
90.160.01 FRONT DASHBOARD
90.160.0101 FRONT DASHBOARD ROPS
90.160.0201 RH SIDE DASHBOARD CAB
90.160.0205 RH SIDE DASHBOARD ROPS
90.160.03 LH SIDE DASHBOARD
90.160.0301 LH SIDE DASHBOARD CAB (VAR.742015)
90.160.04 FRONT FLOOR CARPET
90.160.05 REAR FLOOR CARPET
90.160.0501 REAR FLOOR CARPET
90.160.0502 REAR FLOOR CARPET
90.160.06 REAR CONSOLLE
90.160.0601 REAR CONSOLLE CAB
90.160.0602 REAR CONSOLLE ROPS
90.160.0606 INTERIOR TRIM ROPS
90.160.07 CEILING CONSOLE CAB
1
2
2
3
3
4
4
5
6
6
7
7
8
8
Позиция на иллюстрации
Заводской номер детали
Название детали
1
15982134
BOLT
2
14496931
WASHER
3
87569589
ISOLATOR
4
15504021
NUT
5
15981834
BOLT
6
87569588
SILENTBLOC
7
85808448
WASHER
8
85802980
WASHER
Содержащиеся в справочниках-каталогах запасные части и детали не предлагаются к продаже, а носят исключительно информационный характер
Дополнительная информация
×
Название:
Номер:
Примечание: