Вернуться на главную
Поиск
Каталоги запчастей к технике
Спецтехника
CASE IH
Case-580T (часть 1)
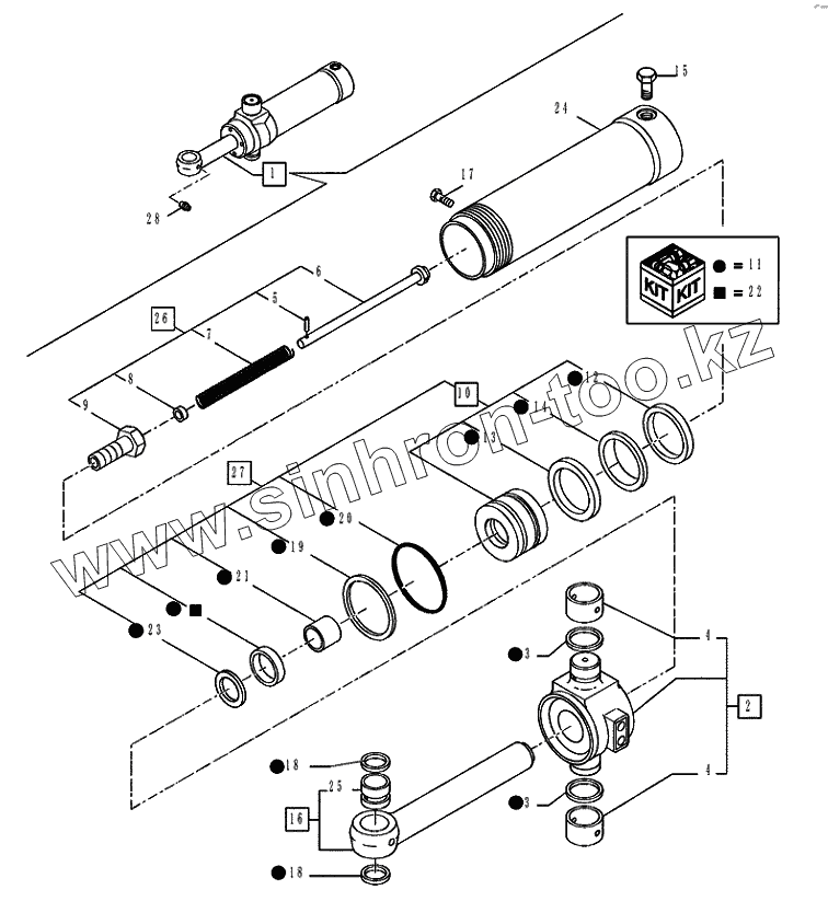
35.739.01 - SWING CYLINDER
Каталог запасных частей к технике: CASE IH Case-580T (часть 1). 35.739.01 - SWING CYLINDER
zoom-in
zoom-out
enlarge
shrink
circle-right
circle-left
file-text2
info
cart
Тип техники
Не выбрано
Легковые автомобили
Грузовые автомобили и прицепы
Автобусы
Сельхозтехника
Спецтехника
Двигатели
Мототехника
Марка
Не выбрано
Ammann
BOMAG
CARMIX
CASE IH
Changlin
ChengGong
Dimex
Doosan
DYNAPAC
Foton
HAMM
Hidromek
Hitachi
Hyundai
JCB
JLG
John Deere
Komatsu
LIEBHERR
LiuGong
Lonking (LongGong)
Luneng
MANITOU
Mitsuber
New Holland
PENGPU
RM-Terex
SANY
SDLG
SEM
Shantui
Shehwa HBXG
Soosan
TIGARBO
VOGELE
Volvo
WAY
WIRTGEN
XCMG
XGMA
Xiamen
YTO
Yuchai
Zoomlion
Автокран
АЗСМ
Алтайлесмаш
Амкодор
АОМЗ
Атек
АТЗ
Балканкар Рекорд
БелАЗ
Беловеж
Борекс
Брянский Арсенал
Булат
ВЭКС
ГАЗ
Геомаш
Гидромаш
Донекс
Дормаш
Дормашина
Дорэлектромаш
ДЭЗ
ЕлАЗ
ЗЗГТ
Ижнефтемаш
Канаш-электрокар
КЗКТ
ККЗ
Клевер
Клинцовский автокрановый завод
КМЗ
КМЗ 1 Мая
Ковровец
Коммаш
Кранэкс
КЭЗ
КЭМЗ
ЛЗА
МАЗ
МЗИК
МЗКМ
МЗКТ
Михневский РМЗ
МоАЗ
Мозырский МЗ
МТЗ
ОЗП
Онежец
ПАО "ТЗА"
ППС Детва
Промтрактор
ПТЗ
Раскат
СпецАгрегат
ТВЭКС
ТТМ
УВЗ
Угличмаш
УЗТМ
ХТЗ
ЧЗКМ
ЧСДМ
ЧТЗ
ЭКСКО
ЭКСМАШ
ЮрМаш
Модель
Не выбрано
595LSP, 595SLE (2010)
695ST (часть 1) (2015)
695ST (часть 2) (2015)
695ST (часть 3) (2015)
695ST Tier 4A (часть 1) (2012)
695ST Tier 4A (часть 2) (2012)
695ST Tier 4A (часть 3) (2012)
821F (2011)
845 (2002)
921F (2011)
Case-430 (2005)
Case-570T (2010)
Case-580T (часть 1) (2012)
Case-580T (часть 1) (2016)
Case-580T (часть 2) (2012)
Case-580T (часть 2) (2016)
SR250 (2012)
SV300 (2012)
TR270 (2014)
TR320 (2012)
TV380 (2012)
WX-188 (часть 1) (2014)
WX-188 (часть 2) (2014)
Схема
>
Не выбрано
00.500.01(05) - DIA KIT
10.001.01 - ENGINE - ASSY
10.001.06 - ENGINE - ASSY - ACCESSORIES
10.202.01 - AIR CLEANER - LINES
10.202.02 - RAIN PROTECTION (VAR.742175)
10.202.0202 - CENTRIFUGAL PRE-CLEANER - AIR PRE-CLEANER (VAR.742176)
10.210.0101 - FUEL PIPES
10.210.02(01) - WATER SEPARATOR - FILTER
10.210.02(02) - WATER SEPARATOR - FILTER
10.216.01 - FUEL TANK - 2WS
10.216.02(02) - FUEL - WATER SEPARATOR FILTER
10.220.01(01) - THROTTLE CONTROL
10.220.01(02) - THROTTLE PEDAL
10.254.0101(02) - EXHAUST TUBE
10.254.02(01) - EXHAUST MUFFLER
10.254.02(02) - EXHAUST TUBE
10.406.05(01) - VAR - 742013 - COOLANT RADIATOR, HYDRAULIC FLUID - CAB - C7325
10.406.05(01A) - VAR - 742013 - RADIATOR COOLANT TUBES - 2WS - D7325
10.406.05(02) - VAR - 742013 - COOLANT RADIATOR, HYDRAULIC FLUID - CAB - C7325
10.406.05(02A) - VAR - 742013 – AFTERCOOLER - 2WS - D7325
10.406.05(03) - VAR - 742013 - COOLANT RADIATOR, HYDRAULIC FLUID - CAB - C7325
10.406.05(03A) - VAR - 742013 – EXPANSION TANK, HOSE - 2WS - D7325
10.406.05(04) - VAR - 742013 - COOLANT RADIATOR, HYDRAULIC FLUID - CAB - C7325
10.406.05(04A) - VAR - 742013 – EXPANSION TANK, HOSE - 2WS - D7325
10.406.05(05) - VAR - 742013 - COOLANT RADIATOR, HYDRAULIC FLUID - CAB - C7325
10.406.05(05A) - VAR - 742013 – ENGINE OIL, COOLER - 2WS - D7325
10.406.05(06A) - VAR - 742013 – RADIATOR, EXPANSION TANK - 2WS - D7325
10.406.05(07A) - VAR - 742013 – RADIATOR, FRAME, SUPPORT - 2WS - D7325
10.406.05(08A) - VAR - 742013 – RADIATOR - 2WS - D7325
10.406.06(01) - VAR - 742014 – COOLANT RADIATOR, HYDRAULIC FLUID - CAB - C7325
10.406.06(01A) - VAR - 742014 - RADIATOR COOLANT TUBES - 2WS - D7325
10.406.06(02) - VAR - 742014 - COOLANT RADIATOR, HYDRAULIC FLUID - CAB - C7325
10.406.06(02A) - VAR - 742014 - AFTERCOOLER - 2WS - D7325
10.406.06(03) - VAR - 742014 – COOLANT RADIATOR, HYDRAULIC FLUID - CAB - C7325
10.406.06(03A) - VAR - 742014 - EXPANSION TANK, HOSE - 2WS - D7325
10.406.06(04) - VAR - 742014 – COOLANT RADIATOR, HYDRAULIC FLUID - CAB - C7325
10.406.06(04A) - VAR - 742014 - EXPANSION TANK, HOSE - 2WS - D7325
10.406.06(05) - VAR - 742014 – COOLANT RADIATOR, HYDRAULIC FLUID - CAB - C7325
10.406.06(05A) - VAR - 742014 - ENGINE OIL, COOLER - 2WS - D7325
10.406.06(06A) - VAR - 742014 - RADIATOR, EXPANSION TANK - 2WS - D7325
10.406.06(07A) - VAR - 742014 - RADIATOR, FRAME, SUPPORT - 2WS - D7325
10.406.06(08A) - VAR - 742014 - RADIATOR - 2WS - D7325
10.406.06(09A) - VAR - 742014 - AIR CONDITIONING, CONDENSER - 2WS - D7325
10.408.02 - COOLER, CHARGE AIR AND HOSES
10.414.01 - ENGINE - FAN - 9 BLADE (VISCOUS)
17.110.01 - TORQUE CONVERTER - C7284
17.110.02 - TORQUE CONVERTER - D7284
21.104.01 - TRANSMISSION OIL PUMP - POWERSHUTTLE
21.104.02 - TRANSMISSION ASSY - FILTER, OIL - POWERSHUTTLE
21.112.01(01) - TRANSMISSION - 2WD - POWER SHUTTLE - C7330
21.112.01(01A) - TRANSMISSION - 2WD - POWER SHUTTLE - D7330
21.112.0101(01) - TRANSMISSION - 4WD - POWERSHUTTLE - C7330
21.112.0101(01A) - TRANSMISSION - 4WD - POWERSHUTTLE - D7330
21.112.02 - TRANSMISSION - HOUSING - 2WD - POWERSHUTTLE
21.112.0201 - TRANSMISSION HOUSING - 4WD - POWERSHUTTLE
21.112.0301 - GEARBOX - 4TH GEAR LOCK (VAR.720296)
21.112.04 - TRANSMISSION OIL DIPSTICK - POWER SHUTTLE
21.113.02 - TRANSMISSION - POWERSHIFT - PUMP, OIL
21.113.03 - TRANSMISSION - POWERSHIFT - HOUSING &FILTER OIL
21.113.04(01) - TRANSMISSION HOUSING - 4WS POWERSHIFT
21.113.04(02) - TRANSMISSION HOUSING - 4WS POWERSHIFT
21.134.01 - TRANSMISSION CONTROL HAND LEVER - POWERSHUTTLE
21.134.02 - TRANSMISSION ASSY - VALVE, CONTROL - 2WD - POWERSHUTTLE
21.134.0201 - TRANSMISSION ASSY - 4WD - POWERSHUTTLE - VALVE, CONTROL
21.135.01 - TRANSMISSION - POWERSHIFT - VALVE, CONTROLS
21.140.01 - TRANSMISSION - SHAFT, INPUT & PTO - POWERSHUTTLE
21.154.01 - TRANSMISSION - SHAFT, SECONDARY - 2WD - POWERSHUTTLE
21.154.0101 - TRANSMISSION - SHAFT, SECONDARY - 4WD - POWERSHUTTLE
21.154.02 - TRANSMISSION - SHAFT, REVERSE & PRIMARY - POWERSHUTTLE
21.154.03 - GEARBOX COUPLING - POWERSHUTTLE
21.154.04 - TRANSMISSION - 4WD - SHAFT, OUTPUT - POWERSHUTTLE
21.155.02 - TRANSMISSION - POWERSHIFT - SHAFT, REVERSE & PRIMARY
23.101.01 - TRANSMISSION SHAFT - 2WS
25.100.01 - FRONT AXLE INSTALLATION
25.100.0202 - AXLES - FRONT AXLE HOUSING - 4WD (VAR.742031)
25.100.0203(01) - AXLES - FRONT AXLE HOUSING - 4WD (VAR.742402) - C7349
25.100.0203(01A) - AXLES - FRONT AXLE HOUSING - 4WD (VAR.742402) - D7349
25.102.0203 - AXLES - GROUP DIFFERENTIAL - 4WD (VAR.742031-742402)
25.102.0204 - AXLES - BEVEL GEAR - 4WD (VAR.742031)
25.102.0205 - AXLES - BEVEL GEAR - 4WD (VAR.742402)
25.108.0102 - AXLES - FRONT AXLE SHAFT - 4WD (VAR.742031)
25.108.0103(01) - AXLES - FRONT AXLE SHAFT - 4WD (VAR.742402) - C7349
25.108.0103(01A) - AXLES - FRONT AXLE SHAFT - 4WD (VAR.742402) - D7349
25.108.0202 - AXLES - WHEEL HUB AND STEERING KNUCKLE (VAR.742031)
25.108.0203(01) - AXLES - WHEEL HUB AND STEERING KNUCKLE (VAR.742402)
25.108.0204 - AXLES - EPYCICLIC FINAL DRIVE - 4WD (VAR.742031-742402)
27.100.01 - REAR AXLE INSTALLATION - 2WS
27.100.0201 - REAR AXLE
27.106.0101 - BEVEL GEAR AND BEARINGS
27.106.0201 - DIFFERENTIAL
27.106.0301 - DIFFERENTIAL
27.110.0101 - DIFFERENTIAL LOCK
27.110.02 - DIFFERENTIAL LOCK CONTROL
27.120.0201 - EPICYCLICAL REDUCTION UNIT
33.110.01 - PARKING BRAKE - 2WD POWERSHUTTLE
33.110.0103 - PARKING BRAKE HAND LEVER - ROPS
33.110.0104 - PARKING BRAKE HAND LEVER - CAB
33.110.02 - PARKING BRAKE CABLE
33.202.01(01) - BRAKE PUMP CONTROL PEDALS
33.202.01(02) - BRAKE PUMP CONTROL PEDALS
33.202.0103 - BRAKE HYDRAULIC SYSTEM
33.202.0104 - BRAKE PUMP LINES
33.202.02 - BRAKE, MASTER CYLINDER - 2WS
33.202.03 - BRAKE HYDRAULIC SYSTEM
35.106.02 - PRESSURE DETECTION PIPES LOADER SYSTEM - SIDE SHIFT
35.106.03 - PUMP DELIVERY TO CONTROL VALVE HOSE - SIDE SHIFT
35.106.06 - PUMP DELIVERY TO CONTROL VALVE HOSE - SIDE SHIFT
35.300.01(01) - HYDRAULIC OIL RESERVOIR
35.300.01(02) - HYDRAULIC OIL RESERVOIR
35.300.0202(01) - HYDRAULIC SYSTEM OIL FILTER - C7348
35.300.0202(01A) - HYDRAULIC SYSTEM OIL FILTER - D7348
35.300.03 - HYDRAULIC OIL TANK RETURN PIPE
35.359.02 - PUMP TO AND LOADER CONTROL VALVE HOSE - SIDE SHIFT
35.359.04(01) - LOADER CYLINDERS PIPES - SIDE SHIFT - C7348
35.359.05 - PUMP TO AND LOADER CONTROL VALVE HOSE - SIDE SHIFT
35.360.0101 - REAR HAMMER SYSTEM - HAMMER SYSTEM PIPING - SIDE SHIFT (VAR.742006-742007-742008-742009)
35.360.0103(01) - REAR HAMMER CIRCUIT - HAMMER CONTROL VALVE (VAR.742006-742007-742008-742009) - C7425
35.360.0103(01A) - REAR HAMMER CIRCUIT - HAMMER CONTROL VALVE (VAR.742006-742007-742008-742009) - D7425
35.360.0105 - REAR HAMMER SYSTEM - HAMMER SYSTEM PIPING (VAR.745219)
35.360.0106 - REAR HAMMER CIRCUIT - HAMMER CONTROL VALVE (VAR.745219)
35.360.0201(01) - BACKHOE HAMMER SYSTEM STD DIPPER (VAR.742006-742008)
35.360.0201(02) - REAR HAMMER SYSTEM STD DIPPER - HAMMER SYSTEM PIPING (VAR.742006)
35.360.0202 - BACKHOE HAMMER SYSTEM STD DIPPER (VAR.745219)
35.360.0203 - BACKHOE HAMMER SYSTEM STD DIPPER (VAR.745219)
35.360.0301(01) - BACKHOE HAMMER SYSTEM HED DIPPER (VAR.742007-742009)
35.360.0301(02) - REAR HAMMER SYSTEM HED DIPPER - HAMMER SYSTEM PIPING (VAR.742007)
35.700.0301 - OIL RETURN HOSE
35.700.0302 - OIL RETURN HOSE
35.701.01(01) - LOADER CYLINDER PIPES - 2WS - C7348
35.701.01(01A) - LINE, CYLINDER, BUCKET, FRONT - D7348
35.701.01(02A) - LINE, CYLINDER, LOADER ARM - D7348
35.701.0102(01A) - BUCKET CYLINDER, LINES - D7348
35.701.0102(02A) - LINE, CYLINDER, LOADER ARM - D7348
35.701.0102(03A) - LINE, CYLINDER, LOADER ARM - D7348
35.701.04 - LOADER CYLINDERS PIPES - SIDE SHIFT
35.701.05 - LOADER CYLINDERS PIPES - SIDE SHIFT
35.701.0501(01) - LOADER CYLINDERS PIPES - STRAIGHT LOADER ARM - C7348
35.701.0501(01A) - LOADER CYLINDERS PIPES - STRAIGHT LOADER ARM - D7348
35.701.06 - LOADER CYLINDERS PIPES - SIDE SHIFT
35.701.07(01) - LOADER CYLINDERS PIPES - SIDE SHIFT
35.701.07(02) - LOADER CYLINDERS PIPES - SIDE SHIFT
35.701.1002(01) - LOCK VALVE - LOCK VALVE ON LOADER LIFT CYLINDERS (VAR.742010) - C7348
35.701.1002(01A) - LOCK VALVE, LIFT CYLINDER (VAR. 742010) - D7348
35.701.1002(02) - LOCK VALVE - LOCK VALVE ON LOADER TILT CYLINDERS (VAR.742010) - C7348
35.701.1002(02A) - LINE, CYLINDER, LOADER, LOCK VALVE (VAR. 742010) - D7348
35.701.1002(03A) - LOCK VALVE, FRONT, BUCKET (VAR. 742010) - D7348
35.701.1002(04A) - FRONT, BUCKET, LINE, LOCK VALVE (VAR. 742010) - D7348
35.701.1002(05A) - BUCKET, CONTROL VALVE, SOLENOID, LOCK VALVE (VAR. 742010) - D7348
35.701.11 - LOADER CYLINDER
35.701.1102 - LIFT CYLINDER
35.702.0202 - BACKHOE DIPPER AND BUCKET CYLINDER PIPES
35.702.0203 - BACKHOE DIPPER AND BUCKET CYLINDER PIPES (VAR.742702)
35.702.03 - BACKHOE BOOM CYLINDER PIPES
35.702.0302 - BACKHOE BOOM CYLINDER PIPES
35.702.04 - SWING PLATE CLAMPS - SIDE SHIFT
35.702.05 - SWING PLATE SUPPORT LOCK PIPES - SIDE SHIFT
35.702.16 - SWING PLATE CLAMPS - SIDE SHIFT
35.703.01 - STABILIZER CYLINDERS PIPES - SIDE SHIFT
35.703.0105(01) - STABILIZER CYLINDERS PIPES - SIDE SHIFT
35.703.0105(02) - STABILIZER CYLINDERS PIPES - SIDE SHIFT
35.703.02 - STABILIZER LOCK VALVE - SIDE SHIFT (VAR.742311)
35.723.0102 - LOADER BUCKET CYLINDER LINES
35.723.0202 - LOADER BUCKET CYLINDER
35.724.1101 - 4X1 BUCKET HYDRAULIC SYSTEM - FRONT LOADER HYDRAULIC SYSTEM (VAR.742092)
35.724.1601 - 4X1, 6X1 HYDRAULIC CIRCUIT CAB COMP. - CONTROL VALVE KNOB (VAR.742093)
35.724.17 - CONTROL VALVE SUPPORT
35.724.1701 - CONTROL VALVE SUPPORT
35.724.1801 - 4X1 BUCKET HYDRAULIC SYSTEM - LOADER CONTROL VALVE, 3 SECTIONS - POWERSHUTTLE (VAR.742092)
35.726.0601 - HED HYDRAULIC SYSTEM - BACKHOE CONTROL VALVE, 7 SECTIONS (VAR.742702)
35.726.0602 - HED HYDRAULIC SYSTEM - BACKHOE CONTROL VALVE, INLET SECTION (VAR.742301 - 742702)
35.726.0603 - HED HYDRAULIC SYSTEM - BACKHOE CONTROL VALVE, BOOM SECTION (VAR.742301 - 742702)
35.726.0604 - HED HYDRAULIC SYSTEM - BACKHOE CONTROL VALVE, N2 SWING SECTION (VAR.742301 - 742702)
35.726.0605 - HED HYDRAULIC SYSTEM - BACKHOE CONTROL VALVE, BUCKET SECTION (VAR.742301 - 742702)
35.726.0606 - HED HYDRAULIC SYSTEM - BACKHOE CONTROL VALVE, DIPPER SECTION (VAR.742301 - 742702)
35.726.1501 - HED HYDRAULIC SYSTEM - BACKHOE CONTROL VALVE, 6 SECTIONS (VAR.742301)
35.726.28 - CONTROL VALVE SUPPORT - SIDE SHIFT
35.726.2801(01) - BACKHOE CONTROLS - 2 CONTROL VALVES LEVER - NH (VAR.742368)
35.726.2801(02) - BACKHOE CONTROLS - 2 CONTROL VALVES LEVER - NH (VAR.742368)
35.726.2803(01) - BACKHOE CONTROLS - 2 CONTROL VALVES LEVER - ISO (VAR.742369)
35.726.2803(02) - BACKHOE CONTROLS - 2 CONTROL VALVES LEVER - ISO (VAR.742369)
35.726.3002 - ROAD HOMOLOGATION - LOCKING DEVICES (VAR.742130)
35.726.3101 - BACKHOE HYDRAULIC SIDE SHIFT - HYDRAULIC SIDE SHIFT CARRIAGE (VAR.747508)
35.728.0102 - HED HYDRAULIC SYSTEM - TELESCOPIC ARM CONTROL VALVE CONTROL PEDAL (VAR.742702)
35.730.03 - LOADER BUCKET 4X1-6X1 - CLAM CYLINDER (VAR.742469-742470-742471-742472-742473-742474-742475-742476) - D7338
35.730.0301 - LOADER BUCKET 4X1-6X1 - CLAM CYLINDER (VAR.742469-742470-742473-742474) - C7338
35.730.0501(01) - LOCK OUT VALVE - LOCKING VALVE ON LOADER LIFT CYLINDERS (VAR. 742010) - C7348
35.730.0501(01A) - LINE, CYLINDER, LOADER, LOCK VALVE (VAR. 742010) - D7348
35.730.0501(02) - LOCK OUT VALVE - LOCKING VALVE ON LOADER TILT CYLINDERS (VAR. 742010) - C7348
35.730.0501(02A) - LOCK VALVE, LIFT CYLINDER (VAR. 742010) - D7348
35.730.0501(03A) - BUCKET, CONTROL VALVE, SOLENOID, LOCK VALVE (VAR. 742010) - D7348
35.730.0501(04A) - FRONT, BUCKET, LINE, LOCK VALVE (VAR. 742010) - D7348
35.730.0501(05A) - LOCK VALVE, FRONT, BUCKET (VAR.742010) - D7348
35.730.0507 - LOCK OUT VALVE COMPONENT - SPIRIT LEVEL (VAR.742367)
35.730.0601 - HYDRAULIC TRANSPORT LOCK - SIDESHIFT (VAR. 742016)
35.730.07(01) - CYLINDER TRANSPORT LOCK - C7307
35.730.07(01A) - CYLINDER TRANSPORT LOCK - D7307
35.732.01 - STABILIZER CONTROL LEVER
35.736.0204(01) - BACKHOE HED/STD DIPPERSTICK (4.27 M) - BOOM CYLINDER AND PIPES (VAR.745240 - 745241)
35.736.0204(02) - BACKHOE HED/STD DIPPERSTICK (4.27 M) - BOOM CYLINDER, COMPONENTS (VAR.745240 - 745241)
35.737.0204(01) - BACKHOE HED/STD DIPPERSTICK (4.27 M) - DIPPER CYLINDER PIPES (VAR.745240 - 745241)
35.737.0204(02) - BACKHOE HED/STD DIPPERSTICK (4.27 M) - DIPPER CYLINDER, COMPONENTS (VAR.745240 - 745241)
35.738.0104 - BACKHOE HED/STD DIPPERSTICK (4.27 M) - BUCKET CYLINDER (VAR.745240 - 745241)
35.738.0207(01) - BACKHOE HED DIPPERSTICK (4.27 M) - BUCKET CYLINDER PIPES (VAR.745241)
35.738.0207(02) - BACKHOE HED DIPPERSTICK (4.27 M) - BUCKET CYLINDER PIPES (VAR.745241)
35.738.0208 - BACKHOE STD DIPPERSTICK (4.27 M) - BUCKET CYLINDER PIPES (VAR.745240)
35.739.01 - SWING CYLINDER
35.739.02 - SWING CYLINDERS PIPES
35.740.0205(01) - BACKHOE HED DIPPERSTICK (4.27 M) -TELESCOPIC ARM CYLINDER (VAR.745241)
35.740.0205(02) - BACKHOE HED DIPPERSTICK (4.27 M) - TELESCOPIC ARM CYLINDER, COMPONENTS (VAR.745241)
37.140.0201 - FRONT COUNTERWEIGHT LIGHT - FRONT COUNTERWEIGHT (VAR.742890)
37.140.0202 - FRONT COUNTERWEIGHT LARGE - FRONT COUNTERWEIGHT (VAR.742891)
39.100.01(01) - MAIN FRAME, SIDESHIFT VERSION - C7330
39.100.01(01A) - MAIN FRAME, SIDESHIFT VERSION - D7330
39.100.0103(01) - MAIN FRAME, SIDESHIFT VERSION, STRAIGHT LOADER ARM - C7330
39.100.0103(01A) - MAIN FRAME, SIDESHIFT VERSION, STRAIGHT LOADER ARM - D7330
39.100.06 - MECHANICAL TRANSPORT LOCK CONTROL LEVER - POWERSHUTTLE - CAB (VAR.742015)
39.100.0601 - TRANSPORT LOCK CONTROL LEVER - BREAKDOWN (VAR.742015)
39.100.0602 - MECHANICAL TRANSPORT LOCK - TRANSPORT LOCK CONTROL LEVER - POWERSHUTTLE - ROPS (VAR.742015)
39.126.01 - SWING SUPPORT SLIDE - SIDE SHIFT
39.126.0201(01) - BACKHOE HYDRAULIC SIDE SHIFT - SIDE SHIFT CARRIAGE (VAR.747508)
39.126.0201(02) - BACKHOE HYDRAULIC SIDE SHIFT - SIDE SHIFT CARRIAGE (VAR.747508)
39.126.0201(03) - CYLINDER, SIDESHIFT VERSION
39.127.0102(01) - SWING SUPPORT
39.127.0102(02) - SWING SUPPORT
39.127.0103 - TRANSPORT LOCK HOOK (VAR.742015)
39.127.02 - SWING CYLINDER SUPPORT - SIDE SHIFT
39.129.0101 - STABILIZER PADS - GROUND STABILIZER FOOT - SIDE SHIFT (VAR.728530)
39.129.0102 - STABILIZER PADS - STREET STABILIZER FOOT - SIDE SHIFT (VAR.728529)
41.101.01 - STEERING COLUMN AND COVERING
41.101.0102 - STEERING COLUMN AND COVERING
41.101.0103 - STEERING WHEEL - FIXED STEERING COLUMN (VAR.742650)
41.101.0204 - STEERING WHEEL - ADJUSTABLE STEERING COLUMN (VAR.742651)
41.106.0102 - AXLES - FRONT AXLE STEERING LINKAGE - 4WD (VAR.742031)
41.106.0103(01) - AXLES - FRONT AXLE STEERING LINKAGE - 4WD (VAR.742402) - C7349
41.106.0103(01A) - AXLES - FRONT AXLE STEERING LINKAGE - 4WD (VAR.742402) - D7349
41.200.01 - POWER STEERING PIPES - NA
41.200.0102 - POWER STEERING PIPES - EU
41.204.01 - POWER STEERING - BREAKDOWN VARIABLE VOLUME PUMP MODELS
41.204.0101 - POWER STEERING - BREAKDOWN
41.216.0102 - AXLES - STEERING CYLINDER - 4WD (VAR.742031)
41.216.0103(01) - AXLES - STEERING CYLINDER - 4WD (VAR.742402) - C7349
41.216.0103(01A) - AXLES - STEERING CYLINDER - 4WD (VAR.742402) - D7349
41.216.0601 - AXLE, FRONT DRIVE - CYLINDER, STEERING STD ACP - 2WD
44.101.02 - FRONT AXLE HOUSING - 2WD
44.101.03(01) - FRONT AXLE WHEEL HUB - 2WD
44.101.03(02) - FRONT AXLE HOUSING - 2WD
44.511.03 - FRONT WHEELS (VAR. 828764, 828964, 741180, 741274, 828754, 828954)
44.511.0301 - FRONT WHEELS - 2WD (VAR.813559)
44.511.0302 - FRONT WHEELS - 4WD-2WS (VAR. 828874)
44.520.01 - REAR WHEELS - 2WS-4WD (VAR.836259-839794)
44.520.0102 - REAR WHEELS - 2WS-4WD (VAR. 839294-839394-839694)
44.520.0104 - REAR WHEELS - 2WS-4WD (VAR. 839874)
50.100.01 - HEATER DELIVERY OR RETURN HOSES
50.100.0101 - HEATER DELIVERY OR RETURN HOSES
50.104.0201(01) - CAB HEATING - HOUSING & FILTERS - CAB (VAR.742013) - C7428
50.104.0201(01A) - CAB, HEATER, COMPONENTS (VAR.742013) - D7428
50.104.0202(01) - CAB HEATING - CAB HEATER/FAN UNIT - CAB (VAR.742013) - C7428
50.104.0202(01A) - CAB, HEATER, COMPONENTS (VAR.742013) - D7428
50.104.0203(01) - CAB HEATING - CAB HEATER VALVE AND LINES - CAB (VAR.742013) - C7428
50.104.0203(01A) - CAB, HEATER, COMPONENTS (VAR.742013) - D7428
50.104.0204(01) - CAB HEATING - TEMPERATURE CONTROL PANEL - CAB (VAR.742013) - C7428
50.104.0204(01A) - HEATER, CONTROL PANEL, COMPONENTS (VAR.742013) - D7428
50.104.0205(01) - CAB HEATING - CAB AIR OUTLETS SYSTEM - CAB (VAR.742013) - C7428
50.104.0205(01A) - CAB HEATER, AIR OUTLETS SYSTEM (VAR.742013) - D7428
50.104.0206 - CAB HEATING - CAB AIR OUTLETS SYSTEM - CAB (VAR.742013)
50.104.0207 - CAB HEATER DENSO - HARNESS (VAR.742013) - D7428
50.200.0101 - CAB AIR CONDITIONING (HOT/COLD) - COMPRESSOR TO RADIATOR PIPES (VAR.742014)
50.200.0102 - CAB AIR CONDITIONING (HOT/COLD) - COMPRESSOR SUPPORT (VAR.742014)
50.200.0103 - CAB AIR CONDITIONING (HOT/COLD) - A/C COMPRESSOR (VAR.742014)
50.200.0104 - CAB AIR CONDITIONING (HOT/COLD) - A/C UNIT CONDENSER (VAR.742014)
50.200.0107 - CAB AIR CONDITIONING (HOT/COLD) - A/C HOUSING AND CAB FILTERS (VAR.741346)
50.200.0301 - VAR - 741346 - CAB AIR CONDITIONING (HOT/COLD) - COMPRESSOR TO RADIATOR PIPES
50.200.0302 - VAR - 741346 - CAB AIR CONDITIONING (HOT/COLD) - COMPRESSOR SUPPORT
50.200.0303 - VAR - 741346 - CAB AIR CONDITIONING (HOT/COLD) - A/C COMPRESSOR
50.200.0304 - VAR - 741346 - CAB AIR CONDITIONING (HOT/COLD) - A/C UNIT CONDENSER
50.206.0201(01) - CAB AIR CONDITIONING (HOT/COLD) - A/C HOUSING AND CAB FILTERS (VAR.742014) - C7428
50.206.0201(01A) - CAB AIR CONDITIONING, COMPONENTS (VAR.742014) - D7428
50.206.0202(01) - CAB AIR CONDITIONING (HOT/COLD) - A/C EVAPORATOR AND FAN (VAR.742014) - C7428
50.206.0202(01A) - CAB AIR CONDITIONING, COMPONENTS (VAR.742014) - D7428
50.206.0203(01) - CAB AIR CONDITIONING (HOT/COLD) - WATER DELIVERY PIPES/SYSTEM (VAR.742014) - C7428
50.206.0203(01A) - CAB AIR CONDITIONING, COMPONENTS (VAR.742014) - D7428
50.206.0204(01) - CAB AIR CONDITIONING (HOT/COLD) - A/C CONTROL PANEL (VAR.742014) - C7428
50.206.0204(01A) - CAB AIR CONDITIONING, A/C CONTROL PANEL, COMPONENTS (VAR.742014) - D7428
50.206.0205(01) - CAB AIR CONDITIONING (HOT/COLD) - CAB AIR OUTLETS SYSTEM (VAR.742014) - C7428
50.206.0205(01A) - CAB AIR CONDITIONING, AIR DUCT SYSTEM (VAR.742014) - D7428
50.206.0207 - CAB, AIR CONDITIONING DENSO, HARNESS (VAR.742014) - D7428
50.206.0301 - CAB AIR CONDITIONING (HOT/COLD) - A/C HOUSING AND CAB FILTERS (VAR.741346)
50.206.0302 - CAB AIR CONDITIONING (HOT/COLD) - A/C EVAPORATOR AND FAN (VAR.741346)
50.206.0303 - CAB AIR CONDITIONING (HOT/COLD) - A/C CONTROL PANEL (VAR.741436)
50.206.0304 - CAB AIR CONDITIONING (HOT/COLD) - CAB AIR OUTLETS SYSTEM (VAR.741436)
1
2
3
3
4
4
5
6
7
8
9
10
11
12
13
14
15
16
17
18
18
19
20
21
22
23
24
25
26
27
28
Позиция на иллюстрации
Заводской номер детали
Название детали
1
87315529
Hydraulic cylinder
2
87445758
Trunnion
3
83910601
Seal
4
83912378
Bushing
5
83910599
Pin
6
85800990
Rod
7
83931313
Spring
8
83998909
Bushing
9
87428014
Bolt
10
87424838
Piston
11
87428631
Seal kit
12
87408636
Ring
13
87414335
Seal
14
87414343
Ring
15
353-779
PLUG
16
87433032
Rod
17
276-2456
Self-tap screw
18
83931289
SEAL
19
87421149
O-ring
20
85800007
Back-up ring
21
87414966
NYLON BEARING
22
87414970
SEAL KIT
23
87414969
WIPER SEAL
24
87455335
Cylinder head
25
85800303
Bushing
26
87424935
Bolt
27
87445307
Kit
28
83416242
NIPPLE
Содержащиеся в справочниках-каталогах запасные части и детали не предлагаются к продаже, а носят исключительно информационный характер
Дополнительная информация
×
Название:
Номер:
Примечание: