Вернуться на главную
Поиск
Каталоги запчастей к технике
Спецтехника
CASE IH
Case-570T
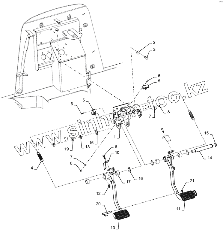
33.202.BN(01) - BRAKE PEDALS
Каталог запасных частей к технике: CASE IH Case-570T. 33.202.BN(01) - BRAKE PEDALS
zoom-in
zoom-out
enlarge
shrink
circle-right
circle-left
file-text2
info
cart
Тип техники
Не выбрано
Легковые автомобили
Грузовые автомобили и прицепы
Автобусы
Сельхозтехника
Спецтехника
Двигатели
Мототехника
Марка
Не выбрано
Ammann
BOMAG
CARMIX
CASE IH
Changlin
ChengGong
Dimex
Doosan
DYNAPAC
Foton
HAMM
Hidromek
Hitachi
Hyundai
JCB
JLG
John Deere
Komatsu
LIEBHERR
LiuGong
Lonking (LongGong)
Luneng
MANITOU
Mitsuber
New Holland
PENGPU
RM-Terex
SANY
SDLG
SEM
Shantui
Shehwa HBXG
Soosan
TIGARBO
VOGELE
Volvo
WAY
WIRTGEN
XCMG
XGMA
Xiamen
YTO
Yuchai
Zoomlion
Автокран
АЗСМ
Алтайлесмаш
Амкодор
АОМЗ
Атек
АТЗ
Балканкар Рекорд
БелАЗ
Беловеж
Борекс
Брянский Арсенал
Булат
ВЭКС
ГАЗ
Геомаш
Гидромаш
Донекс
Дормаш
Дормашина
Дорэлектромаш
ДЭЗ
ЕлАЗ
ЗЗГТ
Ижнефтемаш
Канаш-электрокар
КЗКТ
ККЗ
Клевер
Клинцовский автокрановый завод
КМЗ
КМЗ 1 Мая
Ковровец
Коммаш
Кранэкс
КЭЗ
КЭМЗ
ЛЗА
МАЗ
МЗИК
МЗКМ
МЗКТ
Михневский РМЗ
МоАЗ
Мозырский МЗ
МТЗ
ОЗП
Онежец
ПАО "ТЗА"
ППС Детва
Промтрактор
ПТЗ
Раскат
СпецАгрегат
ТВЭКС
ТТМ
УВЗ
Угличмаш
УЗТМ
ХТЗ
ЧЗКМ
ЧСДМ
ЧТЗ
ЭКСКО
ЭКСМАШ
ЮрМаш
Модель
Не выбрано
595LSP, 595SLE (2010)
695ST (часть 1) (2015)
695ST (часть 2) (2015)
695ST (часть 3) (2015)
695ST Tier 4A (часть 1) (2012)
695ST Tier 4A (часть 2) (2012)
695ST Tier 4A (часть 3) (2012)
821F (2011)
845 (2002)
921F (2011)
Case-430 (2005)
Case-570T (2010)
Case-580T (часть 1) (2012)
Case-580T (часть 1) (2016)
Case-580T (часть 2) (2012)
Case-580T (часть 2) (2016)
SR250 (2012)
SV300 (2012)
TR270 (2014)
TR320 (2012)
TV380 (2012)
WX-188 (часть 1) (2014)
WX-188 (часть 2) (2014)
Схема
>
Не выбрано
05.100.01 - INITIAL STOCKING LIST (LIST A)
05.100.02(01) - INITIAL STOCKING LIST (LIST B)
05.100.02(02) - INITIAL STOCKING LIST (LIST B)
05.100.03(01) - FILTERS
10.001.AD(01) - ENGINE
10.001.AK(01) - ENGINE
10.001.AM(01) - ENGINE, SUPPORT AND PLATE
10.101.AA(01) - ENGINE, CYLINDER HEAD
10.102.AK(01) - ENGINE, CYLINDER BLOCK
10.102.AP(01) - ENGINE, OIL PAN
10.102.BB(01) - ENGINE, TIMING COVER
10.103.AA(01) - ENGINE CRANK SHAFT ASSY
10.103.AK(01) - ENGINE FLYWHEEL, HOUSING
10.105.AB(01) - ENGINE, CONNECTING ROD AND PISTON ASSY
10.106.AA(01) - ENGINE CAM SHAFT AND VALVES
10.106.AM(01) - ENGINE IDLER GEAR
10.114.AB(01) - ENGINE, FUEL INJECTION PUMP AND TIMING GEARS
10.202.AB(01) - AIR CLEANER ASSY AND MOUNTING
10.202.AB(02) - AIR CLEANER ASSY
10.206.AG(01) - FUEL FILTER AND CIRCUIT
10.206.AG(02) - ENGINE, FUEL FILTER ASSY
10.206.AG(03) - FUEL FILTER ASSY
10.206.AG(04) - FUEL FILTER
10.210.AF(01) - ENGINE, FUEL LINE SYSTEMS
10.210.AO(01) - ENGINE, FUEL FEED PUMP
10.216.AI(01) - FUEL TANK AND MOUNTING
10.216.AI(02) - FUEL TANK
10.218.AF(01) - ENGINE, FUEL INJECTORS
10.250.AC(01) - ENGINE, TURBOCHARGER ASSY
10.254.AC(01) - ENGINE, TURBO EXHAUST MANIFOLD
10.254.AD(01) - EXHAUST STACK ASSY
10.254.AD(02) - EXHAUST MUFFLER ASSY
10.254.AI(01) - MUFFLER
10.254.AM(01) - ENGINE, INTERNAL MANIFOLD
10.304.AC(01) - ENGINE, OIL PUMP ASSY
10.304.AE(01) - ENGINE, OIL FILTER AND COOLER ASSY
10.400.AY(01) - RADIATOR HOSE AND MOUNTING
10.400.AY(02) - HYDRAULIC OIL COOLER CIRCUIT
10.400.AY(03) - CHARGE AIR COOLER - TUBES
10.400.BB(01) - ENGINE, WATER PUMP ASSY
10.400.BE(01) - COOLING SYSTEM ASSEMBLY
10.400.BE(02) - RECOVERY TANK & MOUNTING
10.400.BF(01) - RADIATOR GASKET MOUNTINGS
10.414.AC(01) - FAN ASSY
10.414.AC(02) - FAN ASSY
10.414.AD(01) - ENGINE FAN PULLEY AND THERMOSTAT CONNECTIONS
21.104.AL(01) - CHARGE PUMP 2WD AND 4WD
21.104.AP(02) - OIL FILTER, 4WD
21.104.AP(01) - OIL FILTER, 2WD
21.112.AC(01) - TRANSMISSION AND MOUNTINGS 2WD
21.112.AC(02) - HOUSING, 2WD
21.112.AC(03) - TRANSMISSION AND MOUNTINGS - 4WD
21.112.AC(04) - HOUSING, 4WD
21.112.AF(01) - DIPSTICK 2WD AND 4WD
21.134.AI(01) - GEAR SHIFT LEVER 2WD & 4WD
21.134.AM(01) - SOLENOID, 4WD
21.154.AJ(01) - INPUT AND PTO TRANSMISSION SHAFT, 2WD AND 4WD
21.154.AJ(02) - SECONDARY SHAFT, 2WD
21.154.AJ(03) - SHAFT, 4WD
21.154.AJ(04) - SECONDARY SHAFT - 4WD
21.154.AL(01) - GEAR SHAFT, 2WD AND 4WD
21.154.AL(03) - TORQUE CONVERTER , 2WD AND 4WD
21.154.AL(02) - CONTROL VALVE, 2WD AND 4WD
21.154.AO(01) - REVERSE AND PRIMARY SHAFT, 2WD AND 4WD
25.100.AA(01) - FRONT AXLE MOUNTING, 4WD
25.100.AD(01) - AXLE HOUSING, 4WD
25.100.AV(01) - DRIVE SHAFT, 4WD
25.100.AV(02) - SWIVEL HOUSINGS AND STEERING CYLINDER, 4WD
25.100.AV(03) - BEVEL GEAR SET, 4WD
25.100.AV(04) - DIFFERENTIAL, 4WD
25.100.AV(05) - DOUBLE U JOINT, 4WD
25.100.AV(06) - WHEEL HUB, 4WD
25.100.AV(07) - FINAL REDUCTION, 4WD
25.400.AF(01) - FRONT AXLE BUSHING AND SUPPORTS
25.400.AQ(01) - FRONT AXLE, KNUCKLE ASSY
25.400.AQ(02) - FRONT AXLE, KNUCKLE ASSY LH
25.400.AQ(03) - FRONT AXLE, KNUCKLE ASSY, RH
25.400.AQ(04) - STEERING CYLINDER, HOSES AND MOUNTING
25.400.AQ(05) - FRONT AXLE STEERING CYLINDER
27.100.AK(02) - REAR AXLE HOUSING
27.100.AK(01) - REAR AXLE AND MOUNTING
27.106.AA(01) - REAR AXLE, BEVEL GEAR SET
27.106.AC(01) - REAR AXLE, DIFFERENTIAL
27.106.AC(02) - BRAKES
27.106.AC(03) - WHEEL HUB
27.106.AC(04) - FINAL REDUCTION
27.106.AC(05) - BRAKE CALIPER
27.106.AC(06) - REAR DRIVE SHAFT
33.110.BK(01) - PARKING BRAKE ASSY
33.110.BK(02) - THROTTLE PEDAL INSTALLATION
33.202.AR(01) - BRAKE MASTER CYLINDER
33.202.AR(02) - BRAKE MASTER CYLINDER
33.202.AR(03) - BRAKE MASTER CYLINDER
33.202.BN(01) - BRAKE PEDALS
35.220.AA(01) - MAIN HYDRAULIC PUMP
35.220.AD(01) - HYDRAULIC PUMP INTAKE AND OUTLET HOSES
35.220.AD(02) - HYDRAULIC PUMP INTAKE AND OUTLET HOSES
35.300.AQ(01) - HYDRAULIC OIL TANK AND MOUNTING
35.300.AQ(02) - HYDRAULIC OIL TANK AND FILTER
35.359.AE(01) - LOADER AND BACKHOE VALVE AND HOSES
35.360.AA(01) - HAMMER VALVE
35.360.AA(02) - HAMMER VALVE
35.701.BR(01) - ANTI-ROLL CONTROLS
35.701.BU(01) - SELF-LEVELING LINKAGE, LOADER ARM
35.701.BU(02) - HYDRAULIC SYSTEM FOR BUCKET 6 IN 1
35.701.CB(01) - LOADER ARM ASSEMBLY
35.703.AD(01) - STABILIZER CYLINDER HYDRAULIC LINES
35.703.AG(01) - STABILIZER CYLINDER-LH
35.703.AG(02) - STABILIZER CYLINDER - RH
35.723.AA(01) - LOADER LIFT CYLINDER AND TUBING
35.723.AA(02) - LOADER TILT CYLINDER AND TUBING
35.723.AA(03) - LOADER TILT CYLINDER HOSES
35.723.AA(04) - LOADER LIFT AND BUCKET CYLINDER TUBING
35.723.AA(05) - LOADER LIFT CYLINDER HOSES
35.723.AA(06) - LOADER TILT CYLINDER
35.723.AA(07) - LOADER LIFT CYLINDER
35.724.AX(01) - 2 SPOOL LOADER VALVE CONTROLS
35.724.AX(02) - 2 SPOOL LOADER VALVE CONTROLS
35.724.AX(03) - 2 SPOOL LOADER VALVE CONTROLS
35.724.AX(04) - 2 SPOOL LOADER VALVE CONTROLS
35.724.AX(05) - INLET SECTION - 2 AND 3 SPOOL LOADER VALVE CONTROLS
35.724.AX(06) - BUCKET SECTION - 2 AND 3 SPOOL LOADER VALVE CONTROLS
35.724.AX(07) - LIFT SECTION - 2 AND 3 SPOOL LOADER VALVE CONTROLS
35.724.AX(08) - OUTLET SECTION - 2 AND 3 SPOOL LOADER VALVE CONTROLS
35.724.AX(09) - 3 SPOOL LOADER VALVES CONTROLS
35.724.AX(10) - LEVER ASSY, 3 SPOOL LOADER CONTROL
35.724.AX(11) - 2 AND 3 SPOOL STABILIZER SECTION
35.724.AX(12) - 2 SPOOL LOADER VALVE WITH RTD
35.724.AX(13) - 2 SPOOL LOADER VALVE WITH OUT RTD
35.724.AX(14) - 3 SPOOL LOADER VALVE WITH RTD
35.724.AX(15) - 3 SPOOL LOADER VALVE WITH OUT RTD
35.726.AE(01) - BACKHOE CONSOLE, 6 SPOOL
35.726.AE(02) - BACKHOE CONSOLE, 7 SPOOL
35.726.AX(01) - 6 AND 7 SPOOL, TOWER ASSEMBLY, BACKHOE CONTROL
35.726.AX(02) - 6 AND 7 SPOOL, TOWER ASSEMBLY, BACKHOE CONTROL
35.726.AX(03) - 6 AND 7 SPOOL, TOWER ASSEMBLY, BACKHOE CONTROL
35.726.AX(04) - 6 AND 7 SPOOL, TOWER ASSEMBLY, BACKHOE CONTROL
35.726.AX(05) - 7 SPOOL, EXTENDHOE CONTROL PEDAL ASSY
35.726.AX(06) - 6 SPOOL,TOWER ASSEMBLY, BACKHOE CONTROL
35.726.AX(07) - EXTENDHOE SECTION, 7 SPOOL
35.726.AX(08) - INLET SECTION - 6 AND 7 SPOOL
35.726.AX(09) - BOOM SECTION - 6 AND 7 SPOOL
35.726.AX(10) - SWING SECTION - 6 AND 7 SPOOL
35.726.AX(11) - BUCKET SECTION 6 AND 7 SPOOL
35.726.AX(12) - DIPPER SECTION 6 AND 7 SPOOL
35.726.AX(13) - STABLIZER SECTION 6 AND 7 SPOOL
35.726.AX(14) - OUTLET SECTION 6 AND 7 SPOOL
35.726.AX(15) - 7 SPOOL,TOWER ASSEMBLY, BACKHOE CONTROL
35.730.BM(01) - POSITIONING CYLINDER
35.736.AA(03) - BOOM CYLINDER TUBING
35.736.AA(02) - BOOM CYLINDER HOSES
35.736.AC(01) - BACKHOE BOOM CYLINDER HOSES
35.737.AA(01) - DIPPER CYLINDER
35.737.AA(02) - DIPPER CYLINDER HOSES
35.737.AE(01) - BACKHOE BUCKET AND DIPPER CYLINDER HOSES
35.737.AE(02) - UNI - AUX, BOOM AND DIPPER
35.738.AA(01) - BACKHOE BUCKET CYLINDER
35.738.AA(02) - BUCKET CYLINDER HOSES AND TUBES
35.738.AA(03) - BDB BUCKET CYLINDER
35.738.AE(01) - EXTENDHOE DIPPER BOOM TUBE AND HOSES
35.738.AE(02) - EXTENDHOE DIPPER BOOM TUBE AND HOSES
35.738.AE(03) - EXTENDHOE EXTENDABLE DIPSTICK
35.738.AE(04) - EXTENDHOE HOSES AND TUBES
35.738.AE(05) - EXTENDHOE DIPPER CYLINDER
35.738.AE(06) - BUCKET CYLINDER TUBING
35.739.AA(01) - SWING CYLINDER
35.739.AE(01) - BACKHOE SWING CYLINDER HOSES
35.739.AO(01) - SWING TOWER, SLIDE FRAME SUB ASSY
35.739.AO(02) - SWING TOWER, SLIDE FRAME SUB ASSY
35.739.AO(03) - SWING TOWER, SLIDE FRAME SUB ASSY
35.739.AO(04) - SWING TOWER, SLIDE FRAME SUB ASSY
35.739.AO(05) - SWING TOWER, SLIDE FRAME SUB ASSY
35.739.AO(06) - SIDE SHIFT CYLINDER HYDRAULIC LINES
35.736.AA(01) - BOOM CYLINDER
39.100.AB(01) - CHASSIS MOUNTED COMPONENTS-REAR COVER
25.100.AV(02A) - STEERING CYLINDER, ASSY, 4WD
41.101.AC(01) - HYDROSTATIC STEERING UNIT
41.101.AJ(01) - STEERING WHEEL AND COLUMN
41.200.AT(01) - POWER STEERING HOSES
44.511.AE(01) - FRONT WHEEL ASSY - 2WD
44.511.AE(02) - FRONT WHEEL ASSY - 4WD
44.520.AB(01) - REAR WHEEL ASSY - STD
44.520.AB(02) - REAR WHEEL ASSY - HD
50.100.AF(01) - HEATER KIT
50.100.AP(01) - CAB HEATING, HOUSING, FILTERS
50.200.AA(01) - AC KIT
50.200.AA(02) - AC KIT
50.200.AB(01) - AC KIT
50.200.AB(02) - AC KIT
55.013.AB(01) - ENGINE, SENSOR, SWITCH
55.015.AB(01) - ENGINE HARNESS
55.015.AB(03) - ENGINE, HARNESS
55.020.AB(01) - SENSOR, TRANSMISSION, 2WD
55.020.AB(02) - SENSOR, TRANSMISSION, 4WD
55.024.AA(01) - TRANSMISSION, WIRE HARNESS
55.051.AC(01) - HARNESS WIRE, AIR CONDITIONER CONTROL CAB
55.100.DP(01) - HORN, WIRE HARNESS
55.201.AE(01) - STARTER MOTOR, STANDARD
55.201.AE(02) - STARTER MOTOR, COLD START
55.202.AM(01) - COLD START KIT
55.301.AA(01) - ALTERNATOR
55.302.AG(01) - BATTERY
55.302.AV(01) - BATTERY - CABLES
55.404.AC(01) - CABIN BEACON
55.404.BS(01) - WIRE HARNESS, WORK LAMP
55.408.AG(01) - HORN AND SENSOR MOUNTING
55.408.BE(01) - WIRE HARNESS, BACKUP ALARM
55.510.AB(01) - CAB HARNESS WIRE TERMINALS
55.510.AB(02) - CAB HARNESS WIRE TERMINALS
55.510.BP(01) - CAB, WIRE HARNESS
55.511.AF(01) - FRONT LIGHT, WIRE HARNESS
55.511.AM(01) - BEACON, WIRE HARNESS
55.511.AM(02) - BEACON, WIRE HARNESS
55.518.AT(01) - RESERVOIR, WASHER BOTTLE
55.518.AT(02) - RESERVOIR, WASHER BOTTLE
84.100.AB(01) - BACKHOE BUCKET ASSEMBLY, 12dm
84.100.AB(02) - BACKHOE BUCKET ASSEMBLY, 18dm
84.100.AB(03) - BACKHOE BUCKET ASSEMBLY 24dm
84.100.AB(04) - BACKHOE BUCKET ASSY, 0.26 CUM
84.100.AB(05) - BACKHOE BUCKET ASSEMBLY, 36dm
84.100.AB(06) - LOADER BUCKET ASSEMBLY 89dm
84.100.AB(07) - LOADER BUCKET ASSEMBLY, 1.2 CUM
84.100.AB(08) - BUCKET 6 IN 1
84.100.AB(09) - BUCKET 6 IN 1
84.100.AB(10) - BUCKET ASSY, STD BACKHOE
84.100.AB(11) - BUCKET 6 IN 1
84.910.AA(01) - BOOM ASSY, STD BACKHOE
84.912.AA(01) - DIPPER ASSY, STD BACKHOE
84.912.AC(01) - TELESCOPIC DIPPER, ASSY
88.100.AG(01) - TOOL BOX
90.100.AU(01) - TILT HOOD
90.100.AU(02) - TILT HOOD
90.108.AB(01) - BRAND AND MODEL DECAL
90.108.AC(01) - DECALS
90.108.AC(02) - INSTRUCTIONAL DECAL
90.108.AC(03) - SAFETY SIGNS AND INFORMATIONAL DECALS
90.108.AC(04) - DECALS
90.116.AC(01) - FENDER, LH, RH
90.116.AG(01) - FENDER GUARD
90.120.AD(01) - OPERATOR SEAT L/CAB
90.150.AB(01) - HVAC CAB
90.150.AB(02) - CAB AND PLATFORM
90.150.AB(03) - CAB AND PLATFORM
90.150.AC(01) - CAB FRAME
90.150.AE(01) - FRONT EXTERIOR COMPONENT
90.150.AE(02) - FRONT EXTERIOR COMPONENT
90.150.AE(03) - FRONT EXTERIOR COMPONENT
90.150.AE(04) - FRONT EXTERIOR COMPONENT
90.150.AE(05) - FRONT EXTERIOR COMPONENT
90.150.AE(06) - CAB MOUNTING
90.150.AG(01) - CAB REAR MOUNT
90.150.AW(01) - CAB FLOOR
90.150.BJ(01) - LOWER EXTERNAL CAB TRIM
90.151.AA(01) - CAB INTERIOR CAMPAIGN WORK
90.151.AN(01) - FRONT CONSOLE
90.151.AN(02) - FRONT CONSOLE
90.151.AN(03) - FRONT CONSOLE
90.151.AS(01) - ARMREST COMPARTMENT
90.154.AA(01) - CAB DOOR, LH
90.154.AA(02) - DOOR ASSEMBLY FRONT LH
90.154.AA(03) - GLASS LATCH HOLD LH & RH
90.154.AA(04) - REAR WINDOW, LH
90.154.AA(05) - CAB DOOR, RH
90.154.AA(06) - CAB DOOR ASSY FRONT, RH
90.154.AA(07) - CAB DOOR REAR WINDOW, RH
90.154.AV(01) - CAB DOOR GLASS
90.156.AG(01) - CAB FRONT WINDOW
90.156.AL(01) - WINDSHIELD GLASS
90.156.AL(02) - CAB WINDSHIELD GLASS
90.156.AL(03) - CAB WINDSHIELD GLASS
90.160.AF(01) - UPPER TRIM
90.160.BI(01) - PILLAR TRIM PLATE
90.160.BY(01) - SIDE CONSOLE
90.160.BY(02) - SIDE CONSOLE
90.160.BY(03) - SIDE CONSOLE
90.160.BY(04) - SIDE CONSOLE
90.160.BY(05) - WHEATHER CONTROL DASHBOARD
90.160.BY(06) - WHEATHER CONTROL DASHBOARD, WITH AIRCONDITION
1
2
3
4
5
5
6
6
7
7
8
8
9
10
11
12
13
14
15
16
16
17
18
19
20
21
Позиция на иллюстрации
Заводской номер детали
Название детали
1
47603497
SUPPORT
2
11190679
BELLEVILLE WASHER
3
11306921
SCREW
4
5153180
SPRING
5
47593327
BUTTON
6
120098
BOLT
7
11193279
BELLEVILLE WASHER
8
825-1405
NUT
9
43127
BOLT
10
BU0172817
BASE PLATE
11
47602271
PEDAL
12
BU4580001
LUBE NIPPLE
13
47602272
PEDAL
14
47558943
SUPPORT
15
11067376
RING
16
5148062
THRUST WASHER
17
4983992
ROLLER BEARING
18
86511326
WASHER
19
10791411
THIN NUT
20
5142152
LOCK PIN
21
11088176
CIRCLIP
Содержащиеся в справочниках-каталогах запасные части и детали не предлагаются к продаже, а носят исключительно информационный характер
Дополнительная информация
×
Название:
Номер:
Примечание: