Вернуться на главную
Поиск
Каталоги запчастей к технике
Спецтехника
CASE IH
Case-430
PUMP, TANDEM 05/05
Каталог запасных частей к технике: CASE IH Case-430. PUMP, TANDEM 05/05
zoom-in
zoom-out
enlarge
shrink
circle-right
circle-left
file-text2
info
cart
Тип техники
Не выбрано
Легковые автомобили
Грузовые автомобили и прицепы
Автобусы
Сельхозтехника
Спецтехника
Двигатели
Мототехника
Марка
Не выбрано
Ammann
BOMAG
CARMIX
CASE IH
Changlin
ChengGong
Dimex
Doosan
DYNAPAC
Foton
HAMM
Hidromek
Hitachi
Hyundai
JCB
JLG
John Deere
Komatsu
LIEBHERR
LiuGong
Lonking (LongGong)
Luneng
MANITOU
Mitsuber
New Holland
PENGPU
RM-Terex
SANY
SDLG
SEM
Shantui
Shehwa HBXG
Soosan
TIGARBO
VOGELE
Volvo
WAY
WIRTGEN
XCMG
XGMA
Xiamen
YTO
Yuchai
Zoomlion
Автокран
АЗСМ
Алтайлесмаш
Амкодор
АОМЗ
Атек
АТЗ
Балканкар Рекорд
БелАЗ
Беловеж
Борекс
Брянский Арсенал
Булат
ВЭКС
ГАЗ
Геомаш
Гидромаш
Донекс
Дормаш
Дормашина
Дорэлектромаш
ДЭЗ
ЕлАЗ
ЗЗГТ
Ижнефтемаш
Канаш-электрокар
КЗКТ
ККЗ
Клевер
Клинцовский автокрановый завод
КМЗ
КМЗ 1 Мая
Ковровец
Коммаш
Кранэкс
КЭЗ
КЭМЗ
ЛЗА
МАЗ
МЗИК
МЗКМ
МЗКТ
Михневский РМЗ
МоАЗ
Мозырский МЗ
МТЗ
ОЗП
Онежец
ПАО "ТЗА"
ППС Детва
Промтрактор
ПТЗ
Раскат
СпецАгрегат
ТВЭКС
ТТМ
УВЗ
Угличмаш
УЗТМ
ХТЗ
ЧЗКМ
ЧСДМ
ЧТЗ
ЭКСКО
ЭКСМАШ
ЮрМаш
Модель
Не выбрано
595LSP, 595SLE (2010)
695ST (часть 1) (2015)
695ST (часть 2) (2015)
695ST (часть 3) (2015)
695ST Tier 4A (часть 1) (2012)
695ST Tier 4A (часть 2) (2012)
695ST Tier 4A (часть 3) (2012)
821F (2011)
845 (2002)
921F (2011)
Case-430 (2005)
Case-570T (2010)
Case-580T (часть 1) (2012)
Case-580T (часть 1) (2016)
Case-580T (часть 2) (2012)
Case-580T (часть 2) (2016)
SR250 (2012)
SV300 (2012)
TR270 (2014)
TR320 (2012)
TV380 (2012)
WX-188 (часть 1) (2014)
WX-188 (часть 2) (2014)
Схема
>
Не выбрано
RADIATOR - COOLANT RECOVERY SYSTEM
FAN MOUNTING
EXHAUST SYSTEM
EXHAUST SYSTEM, ASPIRATOR
AIR CLEANER - ENGINE
GRID HEATER
ENGINE - MOUNTING
OIL FILL, ENGINE
ENGINE
ENGINE - BLOCK HEATER
CYLINDER BLOCK
CYLINDER BLOCK
OIL PUMP, PAN
CYLINDER BLOCK - COVERS
CYLINDER BLOCK - COVERS
CYLINDER BLOCK - COVERS
BREATHER - ENGINE
CYLINDER HEAD
CYLINDER HEAD - COVERS
CYLINDER HEAD - VALVE MECHANISM
MANIFOLD - INTAKE
MANIFOLD - EXHAUST
CRANKSHAFT
PISTONS - CONNECTING ROD
PISTONS - CONNECTING ROD
FLYWHEEL - ENGINE
PULLEY - CRANKSHAFT
CAMSHAFT
ENGINE, OIL
OIL PUMP - ENGINE
OIL FILTERS - ENGINE
OIL FILTER AND COOLER
WATER PUMP
COOLING SYSTEM - ENGINE
THERMOSTAT - ENGINE COOLING SYSTEM
WATER PUMP - CONTROL
FAN DRIVE
POWER TAKE OFF
ENGINE - LIFT HOOK
FUEL LINES
CONTROLS - THROTTLE
CONTROLS - THROTTLE, FOOT
FUEL INJECTION PUMP
FUEL INJECTION SYSTEM
FUEL INJECTION SYSTEM
FUEL INJECTION SYSTEM
FUEL FILTER
FUEL PUMP
FUEL INJECTION SYSTEM
FUEL INJECTION SYSTEM
ALTERNATOR MOUNTING
BATTERY - CABLES
ENGINE, ELECTRICAL
ENGINE, ELECTRICAL
HARNESS, CHASSIS
HARNESS - CAB
FUSES AND RELAYS
OPTIONS, ELECTRICAL
OPTIONS, ELECTRICAL - MOUNTING
HARNESS, FRONT - AUXILIARY
CONTROLS, RIGHT HAND - HANDLE
CONTROLS, LEFT HAND - HANDLE
DISCONNECT SWITCH - REMOTE JUMP START
DISCONNECT SWITCH - REMOTE JUMP START
HORN - MOUNTING
BACKUP ALARM
BEACON, ROTATING
ELECTRICAL ACCESSORIES SOCKET
ROAD LIGHTS AND MOUNTING - EUROPE
SPECIAL PARTS FOR ITALY - LICENSE PLATE LIGHT
LOCK, LOADER DISCONNECT - EUROPE
SPECIAL PARTS FOR ITALY - BRAKE LIGHT HARNESS
HYDROSTATICS - PUMP, SUPPLY AND RETURN
OIL COOLER - MOUNTING
OIL COOLER ASSY - HIGH FLOW
OIL COOLER - HIGH FLOW
HYDROSTATICS - CASE DRAIN
HYDROSTATICS - DRIVE MOTORS
HYDROSTATICS - TWO SPEED
HYDROSTATICS - TWO SPEED, VALVE ASSY
FILTER ASSY - MOUNTING
PUMP, TANDEM - MOUNTING
MOTOR - MOUNTING
PUMP, TANDEM 05/05
PUMP, TANDEM 06/05
PUMP, TANDEM 05/05
PUMP, TANDEM 05/05
PUMP, TANDEM 06/05
PUMP, TANDEM 05/05
PUMP, GEAR (WITHOUT HIGH FLOW)
PUMP, GEAR (HIGH FLOW)
MOTOR ASSY - SINGLE SPEED
MOTOR ASSY - SINGLE SPEED
MOTOR ASSY - SINGLE SPEED
MOTOR ASSY - TWO SPEED
MOTOR ASSY - TWO SPEED
MOTOR ASSY - TWO SPEED
DRIVE LINE
AXLE ASSY
WHEELS
TRACK - STEEL
BRAKE SYSTEM - HYDRAULIC
HYDRAULICS - LIFT
HYDRAULICS - TILT
HYDRAULICS - AUXILIARY
HYDRAULICS - SELF-LEVELING
HYDRAULICS - RIDE CONTROL
HYDRAULICS - COUPLER SYSTEM
HYDRAULICS - COUPLER SYSTEM
HYDRAULICS, ATTACHMENT
VALVE ASSY, CONTROL - LOADER
VALVE ASSY, CONTROL
VALVE ASSY, CONTROL - SEAL REPLACEMENT KITS
CYLINDER - TILT
CYLINDER - LIFT
SECONDARY FRONT AUXILIARY
SECONDARY FRONT AUXILIARY
SECONDARY FRONT AUXILIARY - VALVE ASSY
HIGH FLOW, SUPPLY AND RETURN
HIGH FLOW - AUXILIARY SYSTEM
HIGH FLOW, CONTROL VALVE
VALVE ASSY, CONTROL - HIGH FLOW
LOADER LIFT
LIFT CYLINDER - COVERS
COUPLER, MECHANICAL
COUPLER, MECHANICAL (ITALIAN)
COUPLER, HYDRAULIC
COUPLER, HYDRAULIC (ITALIAN)
BUCKETS - LOADER (DIRT/FOUNDRY)
BUCKETS - LOADER (LOW PROFILE/ EXTENDED LOW PROFILE)
BUCKETS - LOADER (UTILITY/LIGHT MATERIAL)
PALLET FORK
BUCKET, CUTTING EDGE (BOLT-ON CUTTING EDGE)
CHASSIS
CHASSIS
CONTROLS - LOADER AND GROUND DRIVE
CONTROLS - LOADER AND GROUND DRIVE
COVER - LOADER AND GROUND DRIVE
CONTROLS - AUXILIARY HYDRAULICS
HOOD
HOOD - AIR CONDITIONING
DOOR, REAR
REAR DOOR LOCK (EUROPE)
SOUNDPROOFING
HEAT SHIELD
SOUNDPROOFING - SEAL
NOISE KIT - EUROPE
NOISE KIT - EUROPE
FRAME AND SEAT BAR
SEAT BAR
CAB DOOR
WINDOWS, SIDE
REAR WINDOW
WINDOW, TOP
SEAT, MOUNTING - NON-SUSPENSION
SEAT, MOUNTING - SUSPENSION
SEAT - SUSPENSION
SEAT - SUSPENSION
SEAT - SUSPENSION
HEATER AND AIR CONDITIONING - HEADLINER
HEATER, DELUXE
HEATER SYSTEM
HEATER ASSY
HEATER AND AIR CONDITIONING ASSY
AIR CONDITIONING SYSTEM
AIR CONDITIONING
LIFT HOOK
SPECIAL PARTS FOR ITALY - GUARD, BUCKET
SPECIAL PARTS FOR ITALY - MIRROR, REAR VIEW
DECALS
DECALS
DECALS - ENGLISH
DECALS - DANISH, DUTCH, FINNISH
DECALS - FRENCH, GERMAN, GREEK
DECALS - ITALIAN, NORWEGIAN, POLISH
DECALS - PORTGUESE, SPANISH, SWEDISH
DECALS - BRAZILIAN PORTUGUESE, CANADIAN FRENCH, LATIN AMERICAN SPANISH
MAT, FLOOR
87043500
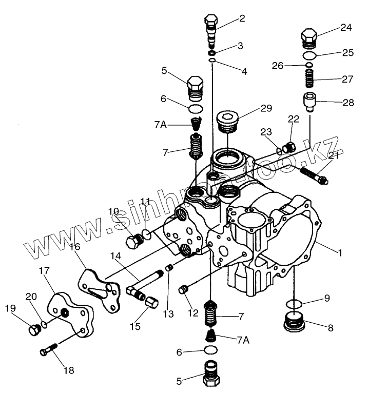
1
2
3
4
N14848
5
5
6
6
7
7
7A
7A
8
9
10
11
12
13
14
15
16
17
18
19
20
21
22
23
24
25
26
27
28
29
Позиция на иллюстрации
Заводской номер детали
Название детали
87043500
87043500
PUMP
1
402364A1
HOUSING
2
87039612
VALVE
3
S99877
RING
4
86993475
O-RING
N14848
N14848
VALVE
5
NSS
NOT SERVICED SEPARATELY
6
237-6012
O-RING
7
NSS
NOT SERVICED SEPARATELY
7A
86993468
SPRING
8
218-5212
PLUG
9
237-6012
O-RING
10
218-5155
PLUG
11
237-6006
O-RING
12
F23137
PLUG
13
86993479
PLUG
14
86993480
ELBOW
15
86993467
CAP
16
303709A1
SEAL
17
101462A1
ADAPTER
18
26-516
BOLT
19
218-5155
PLUG
20
237-6006
O-RING
140008A1
140008A1
KIT
21
166-89
BOLT
22
218-5153
PLUG
23
237-6006
O-RING
24
87039611
PLUG
25
237-6010
O-RING
26
H407767
KIT
27
244898A1
SPRING
28
V38371
VALVE
29
NSS
NOT SERVICED SEPARATELY
Содержащиеся в справочниках-каталогах запасные части и детали не предлагаются к продаже, а носят исключительно информационный характер
Дополнительная информация
×
Название:
Номер:
Примечание: