Вернуться на главную
Поиск
Каталоги запчастей к технике
Спецтехника
CASE IH
821F
LOAD TILT ASSEMBLY 921F
Каталог запасных частей к технике: CASE IH 821F. LOAD TILT ASSEMBLY 921F
zoom-in
zoom-out
enlarge
shrink
circle-right
circle-left
file-text2
info
cart
Тип техники
Не выбрано
Легковые автомобили
Грузовые автомобили и прицепы
Автобусы
Сельхозтехника
Спецтехника
Двигатели
Мототехника
Марка
Не выбрано
Ammann
BOMAG
CARMIX
CASE IH
Changlin
ChengGong
Dimex
Doosan
DYNAPAC
Foton
HAMM
Hidromek
Hitachi
Hyundai
JCB
JLG
John Deere
Komatsu
LIEBHERR
LiuGong
Lonking (LongGong)
Luneng
MANITOU
Mitsuber
New Holland
PENGPU
RM-Terex
SANY
SDLG
SEM
Shantui
Shehwa HBXG
Soosan
TIGARBO
VOGELE
Volvo
WAY
WIRTGEN
XCMG
XGMA
Xiamen
YTO
Yuchai
Zoomlion
Автокран
АЗСМ
Алтайлесмаш
Амкодор
АОМЗ
Атек
АТЗ
Балканкар Рекорд
БелАЗ
Беловеж
Борекс
Брянский Арсенал
Булат
ВЭКС
ГАЗ
Геомаш
Гидромаш
Донекс
Дормаш
Дормашина
Дорэлектромаш
ДЭЗ
ЕлАЗ
ЗЗГТ
Ижнефтемаш
Канаш-электрокар
КЗКТ
ККЗ
Клевер
Клинцовский автокрановый завод
КМЗ
КМЗ 1 Мая
Ковровец
Коммаш
Кранэкс
КЭЗ
КЭМЗ
ЛЗА
МАЗ
МЗИК
МЗКМ
МЗКТ
Михневский РМЗ
МоАЗ
Мозырский МЗ
МТЗ
ОЗП
Онежец
ПАО "ТЗА"
ППС Детва
Промтрактор
ПТЗ
Раскат
СпецАгрегат
ТВЭКС
ТТМ
УВЗ
Угличмаш
УЗТМ
ХТЗ
ЧЗКМ
ЧСДМ
ЧТЗ
ЭКСКО
ЭКСМАШ
ЮрМаш
Модель
Не выбрано
595LSP, 595SLE (2010)
695ST (часть 1) (2015)
695ST (часть 2) (2015)
695ST (часть 3) (2015)
695ST Tier 4A (часть 1) (2012)
695ST Tier 4A (часть 2) (2012)
695ST Tier 4A (часть 3) (2012)
821F (2011)
845 (2002)
921F (2011)
Case-430 (2005)
Case-570T (2010)
Case-580T (часть 1) (2012)
Case-580T (часть 1) (2016)
Case-580T (часть 2) (2012)
Case-580T (часть 2) (2016)
SR250 (2012)
SV300 (2012)
TR270 (2014)
TR320 (2012)
TV380 (2012)
WX-188 (часть 1) (2014)
WX-188 (часть 2) (2014)
Схема
>
Не выбрано
821F INITIAL STOCKING LIST
921F INITIAL STOCKING LIST
DRIVE SHAFT INSTALLATION 921F
MOUNTING, ENGINE
ENGINE ASSY
CYLINDER BLOCK & RELATED PARTS
CRANKCASE
ENGINE
ENGINE - CYLINDER BLOCK HEATER
HOOKS - ENGINE
CYLINDER HEAD
HEAD COVER
BREATHER - ENGINE
OIL SUMP & RELATED PARTS
CRANKCASE COVERS
COVERS, DRIVE BELT WITHOUT AIR CONDITIONING
COVERS, DRIVE BELT WITH AIR CONDITIONING
CRANKSHAFT & RELATED PARTS
FLYWHEEL - ENGINE
FLYWHEEL
CONNECTING ROD
PISTON - ENGINE
CAMSHAFT
ROCKER SHAFT
CRANKCASE COVERS
PULLEY - CRANKSHAFT
POWER TAKE OFF
AIR CLEANER ASSEMBLY - NA/EU
AIR PRECLEANER,RAIN CAP
SYKLONE AIR PRECLEANER AND ADAPTER
FUEL FILTER - COMPONENTS
OIL FILTER
WATER SEPARATOR WITHOUT HEATER
FUEL INJECTION SYSTEM - DRAIN LINE
FUEL TANK
FUEL TANK INSTALLATION
FUEL LINES & RELATED PARTS
INJECTION EQUIPMENT - INJECTOR
INJECTION PIPING
FUEL LINE INSTALLATION
INJECTION PUMP
TURBOCHARGER
TURBOCHARGER DRAIN LINE
AIR LINES
EXHAUST MUFFLER AND MOUNTING (NA)
EXHAUST MANIFOLD
PUMP, ENGINE OIL & RELATED PARTS
OIL PUMP ENGINE
PIPING - ENGINE OIL
COOLANT RECOVERY SYSTEM
HYDRAULIC RESERVOIR FILTER
HYDRAULIC RESERVOIR ASSEMBLY
FAN DRIVE ASSEMBLY
PIPING - ENGINE COOLING SYSTEM
THERMOSTAT - ENGINE COOLING SYSTEM
WATER PUMP & RELATED PARTS
WATER PUMP - CONTROL
HEAT EXCHANGER-ENGINE
COOLING SYSTEM - ENGINE
COOLING SYSTEM - ENGINE
RADIATOR, TRANSMISSION AND HYDRAULIC COOLER INSTALLATION 821F
RADIATOR, TRANSMISSION AND HYDRAULIC COOLER INSTALLATION 921F
ENGINE COOLING LINES INSTALLATION
ENGINE COOLING LINES INSTALLATION
TANK INSTALLATION - UREA
TANK ASSY - UREA
MOTOR ELECTRIC INSTALLATION
ALTERNATOR - MOUNTING WITH AIR CONDITIONING
ELECTRONIC INJECTION (504092213)
TRANSMISSION, OIL FILTER AND FILLER COVERS
TRANSMISSION , SPEED SENSOR, TEMPERATURE SENDOR, AND PUMP COVER
TRANSMISSION, REGULATOR VALVE AND OIL PUMP
TRANSMISSION, CONTROL VALVE 4-SPEED AND 5-SPEED
TRANSMISSION, VALVE PLATES
TRANSMISSION, POWER TAKE OFF DRIVE
TRANSMISSION, OUTPUT SHAFT
TRANSMISSION, REVERSE CLUTCH ASSEMBLY
TRANSMISSION, FORWARD CLUTCH ASSEMBLY
TRANSMISSION, FOURTH CLUTCH ASSEMBLY
TRANSMISSION, THIRD CLUTCH ASSEMBLY
TRANSMISSION, SECOND CLUTCH ASSEMBLY
TRANSMISSION, FIRST CLUTCH ASSEMBLY
TRANSMISSION, HOUSING ASSEMBLY
TRANSMISSION, HOUSING ASSEMBLY TUBES
TRANSMISSION, TORQUE CONVERTER ASSEMBLY AND INPUT SHAFT
TRANSMISSION, CONTROL UNIT 5-SPEED
MOUNTING - TRANSMISSION 4 SPEED AND 5 SPEED
TRANSMISSION, 5 SPEED AND 4-SPEED CONTROLLER INSTALLATION
DRIVE SHAFT ASSEMBLIES
DRIVE SHAFT INSTALLATION 821F
DIFFERENTIAL AXLE LOCK LINE
BRAKE PEDALS - RIGHT HAND
5 SPEED BRAKE, TRANSMISSION
FRONT AXLE BRAKE, ONE ASSEMBLY
MAIN BRAKE SYSTEM,FRONT
MAIN BRAKE SYSTEM, REAR
MAIN BRAKE HYDRAULIC PUMP
MAIN BRAKE ACCUMULATOR HYDRAULICS
MAIN BRAKE VALVE HYDRAULICS
MAIN BRAKE VALVE HYDRAULICS
PARKING BRAKE
BRAKES, HUB DISC - FRONT AXLE
BRAKES, HUB DISC - REAR AXLE
DIA KIT - RIGHT HAND BRAKE PEDAL
PRIORITY PUMP TANDEM ASSEMBLY 821F
PRIORITY PUMP TANDEM ASSEMBLY 921F
LOADER CONTROL - THREE LEVER MOUNTING
LOADER CONTROL - JOYSTICK WITH SINGLE LEVER MOUNTING
LOADER CONTROL - JOYSTICK CONTROL MOUNTING
LOADER CONTROL, FNR SWITCH HARNESS
CONTROL VALVE MOUNTING, TWO & THREE SPOOL (Z-BAR LOADER)
LOADER CONTROL LINE INSTALLATION
HYDRAULIC RETURN MANIFOLD 821F
HYDRAULIC RETURN MANIFOLD 921F
VALVE, COUPLER SOLENOID Z-BAR, XR/LR BAR
HYDRAULIC OIL FILTER
HYDRAULIC RETURN FILTER ASSEMBLY 821F
HYDRAULIC RETURN FILTER ASSEMBLY 921F
CLAMP BLOCK FASTENERS
NON- RIDE CONTROL LINE INSTALLATION 821F, Z-BAR
THERMAL BYPASS VALVE INSTALLATION
NON-RIDE CONTROL LINE INSTALLATION 921F, Z-BAR
VALVE ASSEMBLY, LOADER CONTROL - TWO, THREE, FOUR SPOOL 821F
BUCKET/BOOM/OPTIONAL SPOOLS 2, 3, 4 SPOOL VALVE 821F
VALVE ASSEMBLY, LOADER CONTROL - TWO, THREE, FOUR SPOOL 921F
BUCKET/BOOM/OPTIONAL SPOOLS (2, 3, 4 SPOOL VALVE) 921F
VALVE,FAN VARIABLE SPEED AND REVERSER
VALVE, FAN RELIEF
FAN MOTOR LINES
LOAD LIFTER ASSEMBLY 821F
LOAD TILT ASSEMBLY 821F
TILT CYLINDER ASSEMBLY, Z BAR 821F
TILT CYLINDER ASSEMBLY, XR LOADER 821F
LIFT CYLINDER ASSEMBLY 821F
LOAD TILT ASSEMBLY 921F
LOAD LIFT ASSEMBLY 921F
TILT CYLINDER ASSEMBLY, Z BAR LOADER 921F
TILT CYLINDER ASSRMBLY, XR LOADER 921F
LIFT CYLINDER ASSEMBLY 921F
RIDE CONTROL VALVE
RIDE CONTROL VALVE INSTALLATION
DIA KIT - RIDE CONTROL _821F
DIA KIT - LOCKING HYDRAULICS, Z-BAR _821F
DIA KIT - VALVE CONVERSON 2SP TO 3SP JOYSTICK 1 LEVER _921F
DIA KIT - VALVE CONVERSION 3SP JOYSTICK 1 LEVER TO 4SP JOYSTICK 2 LEVERS _921F
DIA KIT - RIDE CONTROL _921F
DIA KIT - LOCKING HYDRAULICS _921F
ARM LIFT Z BAR AND XR/LR
FRONT CHASSIS
REAR CHASSIS
ARTICULATING JOINT ASSEMBLY
FRAME, REAR - COVERS
REMOTE DRAIN COVER
COUNTERWEIGHTS - 821F
COUNTERWEIGHTS - 921F
CAB/CANOPY - STEERING WHEEL
CAB/CANOPY - STEERING COLUMN
CAB, STEERING COLUMN ACCESSORY
CAB, STEERING COLUMN COVERS AND SWITCHES
STEERING - HYDRAULICS
STEERING, HYDRAULICS 921F, NO JOYSTICK
STEERING, HYDRAULICS 821F, NO JOYSTICK
ORBITROL VALVE, STANDARD
STEERING AUXILIARY, PUMP
STEERING AUXILIARY, ELECTRICAL
STEERING AUXILIARY, MANIFOLD
STEERING AUXILIARY, MANIFOLD HOSES AND CONNECTORS
STEERING AUXILIARY, ACCUMULATOR
JOYSTICK STEERING, PROPORTIONAL VALVE
JOYSTICK STEERING, PVFC VALVE
JOYSTICK STEERING, HYDRAULICS
JOYSTICK STEERING, HYDRAULICS
STEERING PRIORITY MANIFOLD 821F
STEERING PRIORITY MANIFOLD 921F
PRIORITY PUMP INSTALLATION 821F
PRIORITY PUMP INSTALLATION 821F
PRIORITY PUMP INSTALLATIOM 921F
PRIORITY PUMP INSTALLATION 921F
STEERING CYCLINDER INSTALLATION
STEERING CYCLINDER INSTALLATION
STEERING CYCLINDER INSTALLATION
STEERING CYCLINDER INSTALLATION
STEERING CYCLINDER ASSEMBLY
WHEELS ASSEMBLY
AXLE FRONT AND REAR MOUNTING - LIMITED SLIP 821 ONLY
AXLE FRONT AND REAR MOUNTING - DIFFERENTIAL LOCK 821 ONLY
AXLE FRONT AND REAR MOUNTING DIFFERENTIAL LOCK 921 ONLY
FRONT AXLE HOUSING - LIMITED SLIP 821 ONLY
FRONT AXLE HOUSING - OPEN DIFFERENTIAL 921 ONLY
FRONT AXLE HOUSING - DIFFERENTIAL LOCKING 821/921
REAR AXLE HOUSING 821/921
FRONT AXLE PLANETARY HUB 821 ONLY
FRONT AXLE PLANETARY HUB 921 ONLY
FRONT AND REAR AXLE DIFFERENTIAL 821 ONLY
FRONT AXLE DIFFERENTIAL, OPEN - 921 ONLY
FRONT AXLE DIFFERENTIAL - LOCKING 821/921
FRONT AXLE DIFFERENTIAL CARRIER 821 ONLY
FRONT AXLE DIFFERENTIAL CARRIER 921 ONLY
REAR AXLE - PLANETARY HUB - 821 ONLY
REAR AXLE - PLANETARY HUB - 921 ONLY
REAR AXLE - DIFFERENTIAL CARRIER
REAR AXLE, DIFFERENTIAL - OPEN
REAR AXLE STOP
FITTING, NO HEATER CANOPY (NA)
HEATER INSTALLATION CAB (NA)
CAB, HEATER AND AIR CONDITIONING DUCTS
CAB, HEATER AND AIR CONDITIONING DUCTS
HEATER, CONTROL PANEL
HEATER ASSEMBLY
HEATER, INSTALLATION
AIR CONDITIONING CONTROL
AIR CONDITIONING WITH HEATER ASSEMBLY
AIR CONDITIONING EVAPORATOR
AIR CONDITIONING WITH HEATER INSTALLATION
COVERS, CAB WITHOUT AIR CONDITIONING
AIR CONDITIONING - CONDENSER
AIR CONDITIONING - HOSES
DIA KIT - AIR CONDITIONER CAB
DIA KIT - COLD WEATHER PACKAGE
BATTERY CABLE
HARNESS, ENGINE GRID HEATER
BATTERY- HEAVY DUTY
TRANSMISSION HARNESS
TRANSMISSION HARNESS INSTALLATION
FRONT CHASSIS HARNESS INSTALLATION
FRONT CHASSIS HARNESS
HARNESS, BACKUP ALARM AND INSTALLATION
HARNESS, ENGINE AND REAR CHASSIS
HARNESS, ENGINE AND REAR CHASSIS
HARNESS, REAR RELAY PANEL
ENGINE HARNESS INSTALLATION
ENGINE HARNESS INSTALLATION
HARNESS, MAIN CAB
HARNESS, MAIN CAB
HARNESS, MAIN CAB
MAIN CAB AND CANOPY HARNESS FUSES AND RELAYS
MAIN CANOPY HARNESS INSTALLATION COMPONENTS
MAIN CAB HARNESS INSTALLATION COMPONENTS
RIGHT CONSOLE FUSE AND RELAY MOUNTING
RIGHT CONSOLE SWITCH INSTALLATION
HARNESS, CAB ROOF
HARNESS , CANOPY ROOF INSTALLATION
HARNESS, CAB BOTTOM
HARNESS, CAB BOTTOM INSTALLATION
HARNESS, CAB ROOF
HARNESS, CAB ROOF INSTALLATION
ENGINE STARTER INSTALLATION
STANDARD BATTERY
ALTERNATOR - MOUNTING WITHOUT AIR CONDITIONING
ALTERNATOR ASSY
FRONT LIGHT ASSEMBLY
FRONT LIGHT INSTALLATION
REAR LIGHT INSTALLATION
BEACON ASSY, ROTATING - MOUNTING
ROTATING BEACON COMPONENTS
WORK LIGHT, HIGH OUTPUT
CAB/CANOPY - WORK LIGHTS
RETURN TO DIG CONTROL Z-BAR
HEIGHT,RETURN TO TRAVEL CONTROL Z-BAR
HEIGHT,RETURN TO TRAVEL CONTROL XR/LR
CONTROL, RETURN-TO-DIG XR/LR
JOYSTICK STEERING - ARMREST, JOYSTICK CONTROL
JOYSTICK STEERING - JOYSTICK CONTROL AND HARNESS
JOYSTICK STEERING FRAME HARNESS
JOYSTICK STEERING JUMPER HARNESS
WASHER INSTALLATION-BOTTLE
CAB, REAR WIPER
CAB, FRONT WIPER
BUCKET LIFT ARM PINS
LOADER BUCKETS BOLT ON EDGE AND SKID PADS 821F
LOADER BUCKETS BOLT ON EDGE AND SKID PADS 921F
LOADER BUCKETS WITH TEETH AND SKID PADS 821F
LOADER BUCKETS WITH TEETH AND SKID PADS 921F
HYDRAULIC COUPLER, Z-BAR, ACS
COUPLER VALVE SOLENOID INSTALLATION 821F
HYDRAULIC COUPLER, Z-BAR, CNH
DIA KIT - BUCKET 3.25 YD WITH EDGE _821F
DIA KIT - BUCKET 4.25YD WITH EDGE _821F
DIA KIT - COUPLER CNH Z-BAR _821
DIA KIT - BUCKET 4.0 YD WITH EDGE _921F
DIA KIT - BUCKET 4.0 YD WITH EDGE & TEETH _921F
DIA KIT - BUCKET 4.75 YD WITH EDGE _921F
DIA KIT - BUCKET 4.75 YD WITH EDGE & TEETH _921F
DIA KIT - VALVE CONVERSION - 3SP, 3 LEVER TO 3SP, 1 LEVER
DIA KIT - VALVE CONVERSION 2SP JOYSTICK TO 3SP JOYSTICK, 1 LEVER _821F
DIA KIT - VALVE CONVERSION 3SP, 1 LEVER TO 4SP, 2 LEVER _821F
DIA KIT - BUCKET 3.5 CY WITH EDGE & TEETH _821F
DIA KIT - BUCKET 3.25 CY WITH BLADE & TEETH _821F
DIA KIT - BUCKET CNH 4.25YD WITH EDGE & TEETH _821F
DIA KIT - BUCKET CNH 3.0 YD WITH TEETH AND SEGM _821F
DIA KIT - POWER CONVERTER 24V TO 12V
LICENSE PLATE BRACKET,LIGHT
RADIO - 12 VOLT INSTALLATION
TOOL BOX
RADIO - 12 VOLT
LICENSE PLATE MOUNTING,FRONT
REARVIEW MIRROR EXTERNAL
FIRE EXTINGUISHER
WHEEL CHOCK
FUEL FILTER - WATER SEPARATOR
DIA KIT - SKID PLATE
NOISE SUPPRESSION PACKAGE
BATTERY, SELECTIVE CATALYTIC REDUCTION COVERS
ENGINE HOOD
HOOD PANEL LEFT SIDE
HOOD PANEL RIGHT SIDE
HOOD INSTALLATION
HOOD INSTALLATION
CAB - CONVENIENCE PACKAGE
CAB AND CANOPY SKIRTING
REAR WHEEL WELL FENDERS AND FENDER GUARDS
REAR SKID PLATE
FENDER FRONT STANDARD
FENDERS, REAR - STEPS
FENDERS, REAR SUPPORT STANDARD
FENDERS, FRONT WIDE
FENDERS, REAR WIDE
FENDER, REAR SUPPORT WIDE
LEFT STEP NARROW INSTALLATION
RIGHT STEP NARROW INSTALLATION
LEFT STEP WIDE INSTALLATION
RIGHT STEP WIDE INSTALLATION
VINYL SEAT INSTALLATION CAB AND CANOPY
SEAT BELT INSTALLATION 2" AND 3"
SEAT ASSY, MECHANICAL SUSPENSION
SEAT ASSY, MECHANICAL SUSPENSION
SEAT ASSY, MECHANICAL SUSPENSION - VINYL
SEAT ASSY, MECHANICAL SUSPENSION - VINYL
SEAT ASSY, AIR SUSPENSION
SEAT ASSY, AIR SUSPENSION
CAB/CANOPY - MOUNTING
BAR MOUNT INSTALLATION
ARM ASSEMBLY MONITOR MOUNTING
REAR VIEW CAMERA MONITOR, INSTALLATION
CAB INTERIOR-MISC
CANOPY - COVERS, ANTI-VANDALISM
CANOPY - INTERIOR TRIM/EXTERIOR TRIM
CANOPY - INTERIOR TRIM
CAB, WINDOW RIGHT HAND LOWER
CAB, WINDOW RIGHT HAND UPPER
CAB, RIGHT UPPER WINDOW INSTALLATION
CAB, FRONT GLASS
CAB, REAR GLASS
CAB, LEFT DOOR ASSEMBLY
CAB, LEFT DOOR INSTALLATION
CONSOLE ACCESS PLATE
CAB, ROOF INTERIOR TRIM
CAB, INTERIOR TRIM
CAB, STORAGE COMPARTMENTS
CAB, INTERIOR TRIM COLUMNS
CAB, PARTS MOUNTING
CAB, SUNVISOR
CAB, EXTERIOR TRIM
1
2
3
3
3
3
3
4
5
5
5
5
5
6
6
6
6
7
7
7
7
8
8
8
9
10
11
12
12
13
13
14
14
14
14
15
15
16
17
18
19
19
20
20
21
21
22
22
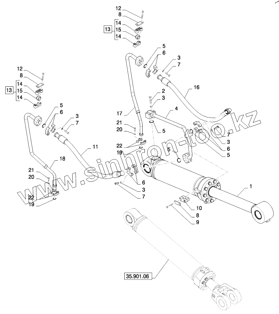
Позиция на иллюстрации
Заводской номер детали
Название детали
1
84327737
CYLINDER
2
827-12070
BOLT
3
892-11012
WASHER
4
84256915
HYD. TUBE
5
238-6222
O-RING
6
86980733
CLAMP
7
827-12050
BOLT
8
8500858
PLATE
9
827-10080
BOLT
10
87452747
BLOCK
11
84257975
HOSE ASSY
12
827-10090
BOLT
13
84240210
BLOCK
14
84240208
CLAMP
15
84240211
INSERT
16
84257976
HOSE ASSY
17
84256911
HYD. TUBE
18
84256908
HYD. TUBE
19
238-6214
O-RING
20
892-11010
WASHER
21
627-10035
BOLT
22
86980731
CLAMP
Содержащиеся в справочниках-каталогах запасные части и детали не предлагаются к продаже, а носят исключительно информационный характер
Дополнительная информация
×
Название:
Номер:
Примечание: