Вернуться на главную
Поиск
Каталоги запчастей к технике
Спецтехника
CASE IH
695ST (часть 1)
23.101.0104 TRANSMISSION SHAFT 4WS
Каталог запасных частей к технике: CASE IH 695ST (часть 1). 23.101.0104 TRANSMISSION SHAFT 4WS
zoom-in
zoom-out
enlarge
shrink
circle-right
circle-left
file-text2
info
cart
Тип техники
Не выбрано
Легковые автомобили
Грузовые автомобили и прицепы
Автобусы
Сельхозтехника
Спецтехника
Двигатели
Мототехника
Марка
Не выбрано
Ammann
BOMAG
CARMIX
CASE IH
Changlin
ChengGong
Dimex
Doosan
DYNAPAC
Foton
HAMM
Hidromek
Hitachi
Hyundai
JCB
JLG
John Deere
Komatsu
LIEBHERR
LiuGong
Lonking (LongGong)
Luneng
MANITOU
Mitsuber
New Holland
PENGPU
RM-Terex
SANY
SDLG
SEM
Shantui
Shehwa HBXG
Soosan
TIGARBO
VOGELE
Volvo
WAY
WIRTGEN
XCMG
XGMA
Xiamen
YTO
Yuchai
Zoomlion
Автокран
АЗСМ
Алтайлесмаш
Амкодор
АОМЗ
Атек
АТЗ
Балканкар Рекорд
БелАЗ
Беловеж
Борекс
Брянский Арсенал
Булат
ВЭКС
ГАЗ
Геомаш
Гидромаш
Донекс
Дормаш
Дормашина
Дорэлектромаш
ДЭЗ
ЕлАЗ
ЗЗГТ
Ижнефтемаш
Канаш-электрокар
КЗКТ
ККЗ
Клевер
Клинцовский автокрановый завод
КМЗ
КМЗ 1 Мая
Ковровец
Коммаш
Кранэкс
КЭЗ
КЭМЗ
ЛЗА
МАЗ
МЗИК
МЗКМ
МЗКТ
Михневский РМЗ
МоАЗ
Мозырский МЗ
МТЗ
ОЗП
Онежец
ПАО "ТЗА"
ППС Детва
Промтрактор
ПТЗ
Раскат
СпецАгрегат
ТВЭКС
ТТМ
УВЗ
Угличмаш
УЗТМ
ХТЗ
ЧЗКМ
ЧСДМ
ЧТЗ
ЭКСКО
ЭКСМАШ
ЮрМаш
Модель
Не выбрано
595LSP, 595SLE (2010)
695ST (часть 1) (2015)
695ST (часть 2) (2015)
695ST (часть 3) (2015)
695ST Tier 4A (часть 1) (2012)
695ST Tier 4A (часть 2) (2012)
695ST Tier 4A (часть 3) (2012)
821F (2011)
845 (2002)
921F (2011)
Case-430 (2005)
Case-570T (2010)
Case-580T (часть 1) (2012)
Case-580T (часть 1) (2016)
Case-580T (часть 2) (2012)
Case-580T (часть 2) (2016)
SR250 (2012)
SV300 (2012)
TR270 (2014)
TR320 (2012)
TV380 (2012)
WX-188 (часть 1) (2014)
WX-188 (часть 2) (2014)
Схема
>
Не выбрано
05.100.01 INITIAL STOCKING LIST (LIST A)
10.001.01 ENGINE ASSY (84473212)
10.001.01 ENGINE ASSY
10.001.0103 ENGINE ASSY
10.001.02 CRANKCASE (2855799)
10.001.06 ENGINE ASSY ACCESSORIES
10.012.04 HOOKS ENGINE (2855772)
10.101.01 CYLINDER HEAD (2855482)
10.101.02 CYLINDER HEAD COVERS (2856706)
10.102.01 ENGINE OIL SUMP (2856087)
10.102.02 CRANKCASE COVERS (2853531)
10.103.01 CRANKSHAFT (2855799)
10.103.02 FLYWHEEL ENGINE (2852048)
10.103.03 CRANKCASE COVERS (2855802)
10.103.04 PULLEY CRANKSHAFT (2852052)
10.105.01 PISTON ENGINE (2854049)
10.105.02 CONNECTING ROD (2854049)
10.106.01 CAMSHAFT TIMING CONTROL (2855810)
10.106.02 ROCKER SHAFT (2854376)
10.106.03 CRANKCASE COVERS (2855800)
10.110.02(01) DYNAMIC BALANCER, GEARS & SHAFTS (2855742)
10.110.02(02) DYNAMIC BALANCER, GEARS & SHAFTS (2855742)
10.202.01 AIR CLEANER LINES
10.202.0201 STANDARD AIR INTAKE AIR INTAKE (VAR.742175)
10.202.0203 CENTRIFUGAL PRECLEANER AIR PRECLEANER (VAR.742176)
10.206.01 FUEL FILTER (2855791)
10.206.02 OIL FILTERS ENGINE (2852525)
10.210.0101 FUEL PIPES
10.216.0101 FUEL TANK 4WS
10.216.02(01) FUEL TANK
10.216.02(02) FUEL WATER SEPARATOR FILTER
10.218.01 PIPING FUEL (28554262855794)
10.218.02 INJECTION EQUIPMENT INJECTOR (2855490)
10.218.03 INJECTION EQUIPMENT PIPING (2857016)
10.218.05 INJECTION EQUIPMENT PIPING (2859496)
10.220.02 ELECTRONIC THROTTLE PEDAL AND KNOB
10.247.01 INJECTION PUMP (2852487)
10.247.0101 INJECTION PUMP COMPONENTS (84385110)
10.250.01 TURBOCHARGER (28559462852070)
10.254.01 INTAKE MANIFOLD (28558042855808)
10.254.0101(01) EXHAUST MUFFLER
10.254.0101(02) EXHAUST TUBE
10.254.02 VAR 741173 EXHAUST SYSTEM W/ SPARK ARRESTER
10.254.03 EXHAUST SYSTEM W/ SPARK ARRESTER
10.254.05 EXHAUST MANIFOLD (2855806)
10.304.01(01) OIL LEVEL CHECK (28557832855811)
10.304.01(02) OIL PUMP ENGINE (2853413)
10.304.05 PIPING ENGINE OIL (2855779)
10.402.01(01) PIPING ENGINE COOLING SYSTEM (285625728558242855775)
10.402.01(02) THERMOSTAT ENGINE COOLING SYSTEM (285449028580732855822)
10.402.02 WATER PUMP (2852293)
10.402.03 WATER PUMP CONTROL (2855948)
10.406.03(01) VAR 742014 COOLANT RADIATOR, HYDRAULIC FLUID CAB C7325
10.406.03(01A) VAR 742014 RADIATOR COOLANT TUBES CAB 4WS D7325
10.406.03(02) VAR 742014 COOLANT RADIATOR, HYDRAULIC FLUID CAB C7325
10.406.03(02A) VAR 742014 FUEL COOLER CAB 4WS D7325
10.406.03(03) VAR 742014 COOLANT RADIATOR, HYDRAULIC FLUID CAB C7325
10.406.03(03A) VAR 742014 AFTERCOOLER CAB 4WS D7325
10.406.03(04) VAR 742014 - COOLANT RADIATOR, HYDRAULIC FLUID CAB C7325
10.406.03(04A) VAR 742014 ENGINE OIL, COOLER CAB 4WS D7325
10.406.03(05) VAR 742014 - COOLANT RADIATOR, HYDRAULIC FLUID CAB C7325
10.406.03(05A) VAR 742014 RADIATOR CAB 4WS D7325
10.406.03(06A) VAR 742014 EXPANSION TANK, HOSE CAB 4WS D7325
10.406.03(07A) VAR 742014 RADIATOR, EXPANSION TANK CAB 4WS D7325
10.406.03(08A) VAR 742014 RADIATOR, FRAME, SUPPORT CAB 4WS D7325
10.406.03(09A) VAR 742014 EXPANSION TANK, HOSE CAB 4WS D7325
10.406.03[10A] VAR 742014 AIR CONDITIONING, CONDENSER CAB 4WS D7325
10.406.04(01) VAR 742013 COOLANT RADIATOR, HYDRAULIC FLUID CAB C7325
10.406.04(01A) VAR 742013 RADIATOR COOLANT TUBES CAB 4WS D7325
10.406.04(02) VAR 742013 COOLANT RADIATOR, HYDRAULIC FLUID CAB C7325
10.406.04(02A) VAR 742013 FUEL COOLER CAB 4WS D7325
10.406.04(03) VAR 742013 COOLANT RADIATOR, HYDRAULIC FLUID CAB C7325
10.406.04(03A) VAR 742013 AFTERCOOLER CAB 4WS D7325
10.406.04(04) VAR 742013 - COOLANT RADIATOR, HYDRAULIC FLUID CAB C7325
10.406.04(04A) VAR 742013 ENGINE OIL, COOLER CAB 4WS D7325
10.406.04(05) VAR 742013 - COOLANT RADIATOR, HYDRAULIC FLUID CAB C7325
10.406.04(05A) VAR 742013 RADIATOR CAB 4WS D7325
10.406.04(06A) VAR 742013 EXPANSION TANK, HOSE CAB 4WS D7325
10.406.04(07A) VAR 742013 RADIATOR, EXPANSION TANK CAB 4WS D7325
10.406.04(08A) VAR 742013 RADIATOR, FRAME, SUPPORT CAB 4WS D7325
10.406.04(09A) VAR 742013 EXPANSION TANK, HOSE CAB 4WS D7325
10.408.01 HEAT EXCHANGER ENGINE (2855778)
10.408.02 HEAT EXCHANGER ENGINE (2854699)
10.408.02 COOLER, CHARGE AIR AND HOSES
10.408.03 HEAT EXCHANGER ENGINE (2855821)
10.414.01 ENGINE FAN 9 BLADE (VISCOUS)
10.414.03 FAN DRIVE (28551642852416)
17.110.01 TORQUE CONVERTER C7284
17.110.02 TORQUE CONVERTER D7284
21.113.01(01) TRANSMISSION 4WS POWERSHIFT C7330
21.113.01(01A) TRANSMISSION 4WS POWERSHIFT D7330
21.113.02 TRANSMISSION POWERSHIFT PUMP, OIL
21.113.03 TRANSMISSION POWERSHIFT HOUSING &FILTER OIL
21.113.04(01) TRANSMISSION HOUSING 4WS POWERSHIFT
21.113.04(02) TRANSMISSION HOUSING 4WS POWERSHIFT
21.113.05 TRANSMISSION OIL DIPSTICK POWER SHIFT
21.135.01 TRANSMISSION POWERSHIFT VALVE, CONTROLS
21.155.01(01) TRANSMISSION INPUT SHAFT 4WS POWERSHIFT
21.155.01(02) PTO TRANSMISSION SHAFT 4WS POWERSHIFT
21.155.02 TRANSMISSION POWERSHIFT SHAFT, REVERSE & PRIMARY
21.155.03(01) TRANSMISSION SECONDARY SHAFT 4WS POWERSHIFT
21.155.03(02) TRANSMISSION SECONDARY SHAFT 4WS POWERSHIFT
21.155.04(01) TRANSMISSION OUTPUT SHAFT 4WS POWERSHIFT
21.155.04(02) TRANSMISSION OUTPUT SHAFT 4WS POWERSHIFT
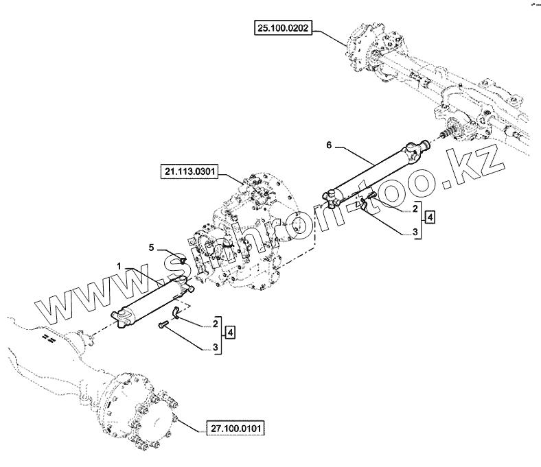
23.101.0104 TRANSMISSION SHAFT 4WS
25.100.0101 AXLE ARTICULATION 4WS
25.100.0201(01) AXLES FRONT AXLE HOUSING (VAR.742400742401
25.100.0201(02) AXLES FRONT AXLE SUPPORT BEARING (VAR.742400742401)
25.102.0201 STANDARD AXLE DIFFERENTIAL (VAR.742400)
25.102.0202 AXLES LIMITED SLIP DIFFERENTIAL (VAR.742401)
25.108.0101 AXLES FRONT AXLE SHAFT (VAR.742400742401)
25.108.0201(01) AXLES WHEEL HUB (VAR.742400742401)
25.108.0201(02) AXLES EPICYCLICAL FINAL DRIVE (VAR.742400742401)
27.100.0101 REAR AXLE INSTALLATION 4WS (VAR.742400 742401)
27.100.0202(01) AXLES REAR AXLE (VAR.742400742401)
27.100.0202(02) AXLES REAR AXLE (VAR.742400742401)
27.106.0102(01) AXLES BEVEL GEAR (VAR.742400742401)
27.106.0102(02) AXLES PINION SHIMS (VAR.742400742401)
27.106.0202 STANDARD AXLES DIFFERENTIAL (VAR.742400)
27.106.0203 AXLES LIMITED SLIP DIFFERENTIAL (VAR.742401)
27.106.0302 AXLES REAR AXLES, BRAKES (VAR.742400742401)
27.120.0101 AXLES AXLE SHAFT (VAR.742400742401)
27.120.0202(01) AXLES WHEEL HUB (VAR.742400742401)
27.120.0202(02) AXLES EPICYCLICAL FINAL DRIVE (VAR.742400742401)
33.110.0101 PARKING BRAKE 4WS POWERSHIFT
33.110.0104 PARKING BRAKE HAND LEVER CAB
33.110.02 PARKING BRAKE CABLE
33.202.01(01) BRAKE PUMP CONTROL PEDALS
33.202.01(02) BRAKE PUMP CONTROL PEDALS
33.202.0103 BRAKE HYDRAULIC SYSTEM
33.202.0108 BRAKE PUMP LINES
33.202.0201 BRAKE, MASTER CYLINDER 4WS
33.202.03 BRAKE HYDRAULIC SYSTEM
35.106.0101(01) VARIABLE DELIVERY HYDRAULIC PUMP (110HP)
35.106.0101(02) VARIABLE DELIVERY HYDRAULIC PUMP (110HP), COMPONENTS
35.106.0101(03) VARIABLE DELIVERY HYDRAULIC PUMP (110HP), COMPONENTS
35.106.04 PUMP DELIVERY TO CONTROL VALVE HOSE
35.106.05 PRESSURE DETECTION PIPES LOADER SYSTEM
35.300.0101(01) HYDRAULIC OIL RESERVOIR 4WS
35.300.0101(02) HYDRAULIC OIL RESERVOIR 4WS
35.300.0201(01) HYDRAULIC SYSTEM OIL FILTER C7348
35.300.0201(01A) HYDRAULIC SYSTEM OIL FILTER D7348
35.300.0203(01) HYDRAULIC SYSTEM OIL FILTER C7348
35.300.0203(01A) HYDRAULIC SYSTEM OIL FILTER D7348
35.300.03 HYDRAULIC OIL TANK RETURN PIPE
35.300.0301 PILOT 6,7,8, SPOOL HYDRAULIC OIL TANK RETURN PIPE (VAR.742331742332742333742334742335742336742341)
35.310.0501 PILOT 7 SPOOL CONTROL VALVE PIPES(VAR.742333742334742335742336)
35.310.0601 PILOT 8 SPOOL CONTROL VALVE PIPES(VAR.742341)
35.350.02(01) GLIDE RIDE RIDE CONTROL HYDRAULIC SYSTEM (VAR.742019) C7348
35.350.02(01A) GLIDE RIDE RIDE CONTROL HYDRAULIC SYSTEM ACCUMULATOR, HOSE (VAR.742019) D7348
35.350.02(02A) GLIDE RIDE RIDE CONTROL HYDRAULIC SYSTEM ACCUMULATOR, HOSE (VAR.742019) D7348
35.350.02(03A) GLIDE RIDE RIDE CONTROL HYDRAULIC SYSTEM VALVE (VAR.742019) D7348
35.350.02(04A) GLIDE RIDE RIDE CONTROL HYDRAULIC SYSTEM ACCUMULATOR (VAR.742019) D7348
35.355.0101 PILOT 6,7,8 SPOOL JOYSTICK TO ATTACHMENT CONTROL VALVE FLEXIBLE HOSES (VAR.742331742332742333742334742335742336742341)
35.355.0201 PILOT 6,7 SPOOL BACKHOE CONTROL VALVE CONTROL KNOB LH (VAR.742331742332742333742334742335742336)
35.355.0202 PILOT 6 SPOOL BACKHOE CONTROL VALVE CONTROL KNOB RH (VAR.742331742332)
35.355.0301 PILOT 7,8 SPOOL BACKHOE CONTROL VALVE CONTROL KNOB RH (VAR.742331742333742334742335742336742341)
35.355.0401 PILOT 8 SPOOL BACKHOE CONTROL VALVE CONTROL KNOB LH (VAR.742341)
35.359.0301 PUMP TO AND LOADER CONTROL VALVE HOSE
35.359.04(01) LOADER CYLINDERS PIPES SIDE SHIFT C7348
35.359.04(01A) BUCKET CYLINDER, LINE SIDE SHIFT D7348
35.359.04(02A) BUCKET CYLINDER, LINES SIDE SHIFT D7348
35.359.04(03A) CONTROL VALVE LINE SIDE SHIFT D7348
35.359.04(04A) LINE, CYLINDER, LOADER ARM SIDE SHIFT D7348
35.359.04(05A) CONTROL VALVE LINE SIDE SHIFT D7348
35.360.0102 REAR HAMMER SYSTEM HAMMER SYSTEM PIPING SIDE SHIFT (VAR.742006742007742008742009)
35.360.0104 REAR HAMMER SYSTEM HAMMER SYSTEM PIPING SIDE SHIFT (VAR.742008742009)
35.360.0201(01) BACKHOE HAMMER SYSTEM STD DIPPER (VAR.742006742008)
35.360.0201(03) REAR HAMMER SYSTEM STD DIPPER HAMMER SYSTEM PIPING (VAR.742008)
35.360.0301(01) BACKHOE HAMMER SYSTEM HED DIPPER (VAR.742007742009)
35.360.0301(03) REAR HAMMER SYSTEM HED DIPPER HAMMER SYSTEM PIPING (VAR.742009)
35.360.0403(01) HAND HAMMER SYSTEM HAMMER CONTROL VALVE (VAR.742018) C7425
35.360.0403(01A) HAND HAMMER SYSTEM HAMMER CONTROL VALVE (VAR.742018) D7425
35.700.0303 OIL RETURN HOSE
35.701.0101(01) LOADER BUCKET CYLINDER PIPES 4WS C7348
35.701.0101(01A) BUCKET CYLINDER, LINES D7348
35.701.0101(02A) LINE, CYLINDER, LOADER ARM D7348
35.701.0101(03A) LINE, CYLINDER, LOADER ARM D7348
35.701.05 LOADER CYLINDERS PIPES SIDE SHIFT
35.701.1101 LIFT CYLINDER
35.702.0102 SWING CYLINDERS PIPES SIDE SHIFT (VAR.747865)
35.702.0104 SWING CYLINDERS PIPES CENTER PIVOT (VAR.747865)
35.702.0201 BACKHOE DIPPER AND BUCKET CYLINDERS PIPES
35.702.0301 BACKHOE BOOM CYLINDER PIPES
35.702.04 SWING PLATE CLAMPS SIDE SHIFT
35.702.0401 SWING PLATE CLAMPS CENTER PIVOT
35.702.05 SWING PLATE SUPPORT LOCK PIPES SIDE SHIFT
35.702.0601 HED HYDRAULIC SYSTEM TELESCOPIC DIPPER CYLINDER PIPES (VAR.742702)
35.702.0701 PILOT 7 SPOOL BACKHOE CONTROL VALVE TO BACKHOE PIPES CENTER PIVOT (VAR.742333)
35.702.0901 PILOT 8 SECTION TELESCOPIC CYLINDER CONNECTING HOSES SIDE SHIFT (VAR.742341)
35.702.0902 PILOT 8 SPOOL TELESCOPIC ARM CYLINDER CONNECTING HOSES SIDE SHIFT (VAR.742341)
35.702.1401 BACKHOE W/EXT. DIPPER + HYD. QUICK COUPLER (4.57M) HYD. COUPLER (VAR.742047)
35.702.1501 BACKHOE W/EXT. DIPPER + HYD. QUICK COUPLER (4.57M) HYD. SYSTEM (VAR.742047)
35.703.01 STABILIZER CYLINDERS PIPES SIDE SHIFT
35.703.0102 STABILIZER CYLINDERS PIPES CENTER PIVOT PILOT
35.703.0105(01) STABILIZER CYLINDERS PIPES SIDE SHIFT
35.703.0105(02) STABILIZER CYLINDERS PIPES SIDE SHIFT
35.703.02 STABILIZER LOCK VALVE SIDE SHIFT (VAR.742311)
35.703.03 STABILIZER CYLINDER CENTER PIVOT
35.723.0101 LOADER BUCKET CYLINDER
35.723.0201 LOADER BUCKET CYLINDER
35.724.0703 CONTROL VALVE SECTION, LIFT CYLINDER, BOOM SECTION (VAR.742090 742092 742094)
35.724.0704 CONTROL VALVE SECTION, 2, 3 SECTIONS, BUCKET SECTION, COMPONENTS (VAR.742090 742092 742094)
35.724.0801 2 SPOOL LOADER VALVE LOADER CONTROL VALVE, 2 SECTIONS (VAR.742090)
35.724.0802 CONTROL VALVE SECTION, INLET SECTION, COMPONENTS (VAR.742090 742092 742094)
35.724.1001 3 SPOOL CONTROL VALVE, LOADER HYDRAULIC SYSTEM, COMPONENTS (VAR.742094)
35.724.1102 VAR 742094 BUCKET HYDRAULIC SYSTEM FRONT LOADER HYDRAULIC SYSTEM
35.724.1103 4X1 BUCKET HYDRAULIC SYSTEM FRONT LOADER HYDRAULIC SYSTEM (VAR.742094)
35.724.17 CONTROL VALVE SUPPORT (продолжение см. Часть 2)
1
2
2
2
2
3
3
3
3
4
4
4
4
5
6
Позиция на иллюстрации
Заводской номер детали
Название детали
1
84120455
PROPELLER SHAFT
2
87311153
BOLT
2
84362391
LOCK BOLT
3
87311152
CLAMP
3
84362392
STRAP
4
87311154
KIT
4
84362369
KIT
5
87559778
LUBE NIPPLE
6
84120462
PROPELLER SHAFT
Содержащиеся в справочниках-каталогах запасные части и детали не предлагаются к продаже, а носят исключительно информационный характер
Дополнительная информация
×
Название:
Номер:
Примечание: