Вернуться на главную
Поиск
Каталоги запчастей к технике
Спецтехника
CASE IH
595LSP, 595SLE
ELECTRICAL CIRCUIT, CHASSIS, 595SLE DBK0009001-
Каталог запасных частей к технике: CASE IH 595LSP, 595SLE. ELECTRICAL CIRCUIT, CHASSIS, 595SLE DBK0009001-
zoom-in
zoom-out
enlarge
shrink
circle-right
circle-left
file-text2
info
cart
Тип техники
Не выбрано
Легковые автомобили
Грузовые автомобили и прицепы
Автобусы
Сельхозтехника
Спецтехника
Двигатели
Мототехника
Марка
Не выбрано
Ammann
BOMAG
CARMIX
CASE IH
Changlin
ChengGong
Dimex
Doosan
DYNAPAC
Foton
HAMM
Hidromek
Hitachi
Hyundai
JCB
JLG
John Deere
Komatsu
LIEBHERR
LiuGong
Lonking (LongGong)
Luneng
MANITOU
Mitsuber
New Holland
PENGPU
RM-Terex
SANY
SDLG
SEM
Shantui
Shehwa HBXG
Soosan
TIGARBO
VOGELE
Volvo
WAY
WIRTGEN
XCMG
XGMA
Xiamen
YTO
Yuchai
Zoomlion
Автокран
АЗСМ
Алтайлесмаш
Амкодор
АОМЗ
Атек
АТЗ
Балканкар Рекорд
БелАЗ
Беловеж
Борекс
Брянский Арсенал
Булат
ВЭКС
ГАЗ
Геомаш
Гидромаш
Донекс
Дормаш
Дормашина
Дорэлектромаш
ДЭЗ
ЕлАЗ
ЗЗГТ
Ижнефтемаш
Канаш-электрокар
КЗКТ
ККЗ
Клевер
Клинцовский автокрановый завод
КМЗ
КМЗ 1 Мая
Ковровец
Коммаш
Кранэкс
КЭЗ
КЭМЗ
ЛЗА
МАЗ
МЗИК
МЗКМ
МЗКТ
Михневский РМЗ
МоАЗ
Мозырский МЗ
МТЗ
ОЗП
Онежец
ПАО "ТЗА"
ППС Детва
Промтрактор
ПТЗ
Раскат
СпецАгрегат
ТВЭКС
ТТМ
УВЗ
Угличмаш
УЗТМ
ХТЗ
ЧЗКМ
ЧСДМ
ЧТЗ
ЭКСКО
ЭКСМАШ
ЮрМаш
Модель
Не выбрано
595LSP, 595SLE (2010)
695ST (часть 1) (2015)
695ST (часть 2) (2015)
695ST (часть 3) (2015)
695ST Tier 4A (часть 1) (2012)
695ST Tier 4A (часть 2) (2012)
695ST Tier 4A (часть 3) (2012)
821F (2011)
845 (2002)
921F (2011)
Case-430 (2005)
Case-570T (2010)
Case-580T (часть 1) (2012)
Case-580T (часть 1) (2016)
Case-580T (часть 2) (2012)
Case-580T (часть 2) (2016)
SR250 (2012)
SV300 (2012)
TR270 (2014)
TR320 (2012)
TV380 (2012)
WX-188 (часть 1) (2014)
WX-188 (часть 2) (2014)
Схема
>
Не выбрано
COOLING SYSTEM, 595SLE DBK0009001- 595LSP DBK0010001-, WITHOUT AIR CONDITI
COOLING SYSTEM, 595SLE DBK0009001- 595LSP DBK0010001- , WITH AIR CONDITION
RADIATOR AND OIL COOLER, 595SLE DBK0009001- 595LSP DBK0010001-, WITHOUT AI
RADIATOR AND OIL COOLER, 595SLE DBK0009001- 595LSP DBK0010001-, WITH AIR C
FAN GUARD, 595SLE DBK0009001- 595LSP DBK0010001-
AIR FILTRATION, 595SLE DBK0009001- 595LSP DBK0010001-
AIR FILTER, 595SLE DBK0009001- 595LSP DBK0010001-
EXHAUST, TURBOCHARGER, 595SLE DBK0009001- 595LSP DBK0010001-
ENGINE, ENGINE MOUNTING, 595SLE DBK0009001- 595LSP DBK0010001-, WITHOUT AI
ENGINE, ENGINE MOUNTING, 595SLE DBK0009001- 595LSP DBK0010001- , WITH AIR
ENGINE, 595SLE DBK0009001- 595LSP DBK0010001-
WATER PUMP, 595SLE DBK0009001- 595LSP DBK0010001-
COOLANT MANIFOLD, 595SLE DBK0009001- 595LSP DBK0010001-
CAMSHAFT, 595SLE DBK0009001- 595LSP DBK0010001-
INTAKE PIPE, 595SLE DBK0009001- 595LSP DBK0010001-
EXHAUST PIPE, 595SLE DBK0009001- 595LSP DBK0010001-
TURBOCHARGER, 595SLE DBK0009001- 595LSP DBK0010001-
COOLING SYSTEM, OIL FILTER, 595SLE DBK0009001- 595LSP DBK0010001-
OIL PAN, 595SLE DBK0009001- 595LSP DBK0010001-
CONTROL LAMPS, OIL, 595SLE DBK0009001- 595LSP DBK0010001-
ENGINE OIL PUMP, 595SLE DBK0009001- 595LSP DBK0010001-
LUBRICATING OIL FILLER AND BREATHER, 595SLE DBK0009001- 595LSP DBK0010001-
CYLINDER HEAD, 595SLE DBK0009001- 595LSP DBK0010001-
ROCKERS, 595SLE DBK0009001- 595LSP DBK0010001-
CYLINDER BLOCK, 595SLE DBK0009001- 595LSP DBK0010001-
PISTONS AND CRANKSHAFT, 595SLE DBK0009001- 595LSP DBK0010001-
CRANKSHAFT PULLEY, 595SLE DBK0009001- 595LSP DBK0010001-
FLYWHEEL, 595SLE DBK0009001- 595LSP DBK0010001-
ENGINE LIFTING, 595SLE DBK0009001 - 595LSP DBK0010001-
THERMOSTAT AND WATER FILTER, 595SLE DBK0009001- 595LSP DBK0010001 -
CONTROL LAMPS, 595SLE DBK0009001- 595LSP DBK0010001-
ALTERNATOR AND MOUNTING, 595SLE DBK0009001- 595LSP DBK0010001-
STARTER, BRACKET, 595SLE DBK0009001- 595LSP DBK0010001-
PLUG AND BLANK-OFF PLUG, 595SLE DBK0009001- 595LSP DBK0010001-
PLUG AND BLANK-OFF PLUG, 595SLE DBK0009001- 595LSP DBK0010001-
PLUG AND BLANK-OFF PLUG, ENGINE, 595SLE DBK0009001- 595LSP DBK0010001-
ACCESSORIES, ENGINE, 595SLE DBK0009001- 595LSP DBK0010001-
PACKAGE, SEALS, CYLINDER HEAD, 595SLE DBK0009001- 595LSP DBK0010001-
PACKAGE, SEALS, BOTTOM, 595SLE DBK0009001- 595LSP DBK0010001-
FUEL TANK, 595SLE DBK0009001- 595LSP DBK0010001-
ENGINE THROTTE CONTROL, 595SLE DBK0009001- 595LSP DBK0010001-
ENGINE THROTTE CONTROL, 595SLE DBK0009001- 595LSP DBK0010001-
FUEL SYSTEM, 595SLE DBK0009001- 595LSP DBK0010001-
FUEL SYSTEM, 595SLE DBK0009001- 595LSP DBK0010001-
FUEL FILTER, 595SLE DBK0009001- 595LSP DBK0010001-
FUEL FILTER, 595SLE DBK0009001- 595LSP DBK0010001-
FUEL LIFT PUMP, 595SLE DBK0009001- 595LSP DBK0010001-
FUEL SYSTEM, 595SLE DBK0009001- 595LSP DBK0010001-
FUEL SYSTEM, FUEL INJECTION PUMP, 595SLE DBK0009001- 595LSP DBK0010001-
STARTING SYSTEM, 595SLE DBK0009001- 595LSP DBK0010001-
STARTING SYSTEM, 595SLE DBK0009001- 595LSP DBK0010001-
STARTER, 595SLE DBK0009001- 595LSP DBK0010001-, VERSION :LUCAS
ALTERNATOR, 595SLE DBK0009001- 595LSP DBK0010001-, WITHOUT AIR CONDITIONIN
ALTERNATOR, 595SLE DBK0009001- 595LSP DBK0010001-, WITH AIR CONDITIONING
ELECTRICAL CIRCUIT, CHASSIS, 595SLE DBK0009001-
ELECTRICAL CIRCUIT, CHASSIS, 595LSP DBK0010001-
PRINTED CIRCUIT CARD H.M.U., 595SLE DBK0009001- 595LSP DBK0010001-
ELECTRICAL CIRCUIT, ENGINE, 595SLE DBK0009001- 595LSP DBK0010001-
SINGLE BATTERY, CIRCUIT-BREAKER, 595SLE DBK0009001- 595LSP DBK0010001-
TWIN BATTERIES, CIRCUIT-BREAKER, 595SLE DBK0009001- 595LSP DBK0010001-
LOADER ATTACHMENT AUTOMATIC RETURN TO DIG, ELECTRICAL CIRCUIT 595SLE
FRONT INSTRUMENT PANEL CONSOLE, 595SLE DBK0009001- 595LSP DBK0010001
FRONT INSTRUMENT PANEL, 595SLE DBK0009001- 595LSP DBK0010001-
FRONT INSTRUMENT PANEL, CONTROL, 595SLE DBK0009001- 595LSP DBK0010001-
SPEEDOMETER SENSOR, 595SLE DBK0009001- 595LSP DBK0010001-
ELECTRICAL CIRCUIT, CAB, 595SLE DBK0009001- 595LSP DBK0010001
LAMP, WORK, FRONT, 595SLE DBK0009001- 595LSP DBK0010001-
LAMP, WORK, REAR, 595SLE DBK0009001- 595LSP DBK0010001-
SIDE INSTRUMENT PANEL CONSOLE, 595LSP DBK0010001-
OPERATORS COMPARTMENT ELECTRIC CIRCUIT, 595SLE DBK0009001- 595LSP
WINDSHIELD WASHER, 595SLE DBK0009001- 595LSP DBK0010001-
HORN, 595SLE DBK0009001- 595LSP DBK0010001-
ALARM, BACKUP, 595SLE DBK0009001- 595LSP DBK0010001-
ROTATING BEACON, 595SLE DBK0009001- 595LSP DBK0010001-
REAR LIGHTS, 595SLE DBK0009001- 595LSP DBK0010001-, AXIAL VERSION
REAR LIGHTS, 595SLE DBK0009001- 595LSP DBK0010001-, SIDESHIFT VERSION
LICENCE PLATE, 595SLE DBK0009001- 595LSP DBK0010001-, SIDESHIFT VERSION
FRONT LIGHTS, CAB, 595SLE DBK0009001- 595LSP DBK0010001-
STEERING WHEEL AND STEERING COLUMN, 595SLE DBK0009001- 595LSP
STEERING CIRCUIT, STANDARD DIPPER, 595SLE DBK0009001- 595LSP DBK0010001-
STEERING CIRCUIT, TELESCOPIC DIPPER, 595SLE DBK0009001- 595LSP DBK0010001-
HYDRAULIC CIRCUIT, STEERING CYLINDER, 595SLE DBK0009001- 595LSP DBK0010001
HYDRAULIC CIRCUIT, STEERING CYLINDER, 595SLE DBK0009001- 595LSP DBK0010001
STEERING CONTROL VALVE, 595SLE DBK0009001- 595LSP DBK0010001- , VERSION:
PRIORITY VALVE, STEERING CIRCUIT, 595SLE DBK0009001- 595LSP DBK0010001-
FRONT WHEELS, 595SLE DBK0009001- 595LSP DBK0010001-
STEERING CYLINDER, 595SLE DBK0009001- 595LSP DBK0010001-
FRONT DRIVE AXLE, BRACKET, 595SLE DBK0009001- 595LSP DBK0010001-
TRANSMISSION UNIVERSAL COUPLING, FRONT DRIVE AXLE, 595SLE DBK0009001- 595L
FRONT DRIVE AXLE, 595SLE DBK0009001- 595LSP DBK0010001-
TRANSMISSION UNIVERSAL COUPLING, FRONT WHEELS, 595SLE DBK0009001- 595LSP
DIFFERENTIAL, FRONT DRIVE AXLE, 595SLE DBK0009001- 595LSP DBK0010001-
DIFFERENTIAL, FRONT DRIVE AXLE, 595SLE DBK0009001- 595LSP DBK0010001-
STEERING PIVOT, FRONT DRIVE AXLE, 595SLE DBK0009001- 595LSP DBK0010001-
FRONT DRIVE AXLE, REDUCTION GEAR, 595SLE DBK0009001- 595LSP DBK0010001-
CIRCUIT, COOLER, 595SLE DBK0009001- 595LSP DBK0010001-
GEAR BOX, LEVER, CONTROL, 595SLE DBK0009001- 595LSP DBK0010001-
TRANSMISSION UNIVERSAL COUPLING, REAR DRIVE AXLE, 595SLE DBK0009001- 595LS
REAR DRIVE AXLE, BRACKET, 595SLE DBK0009001- 595LSP DBK0010001-
REAR DRIVE AXLE, 595SLE DBK0009001- 595LSP DBK0010001-
TRANSMISSION UNIVERSAL COUPLING, REAR WHEELS, 595SLE DBK0009001- 595LSP
DIFFERENTIAL, REAR DRIVE AXLE, 595SLE DBK0009001- 595LSP DBK0010001
DIFFERENTIAL, REAR DRIVE AXLE, 595SLE DBK0009001- 595LSP DBK0010001
STEERING PIVOT, REAR DRIVE AXLE, 595SLE DBK0009001- 595LSP DBK0010001-
REAR DRIVE AXLE, REDUCTION GEAR, 595SLE DBK0009001- 595LSP DBK0010001-
REAR DRIVE AXLE, DIFFERENTIAL LOCK, 595SLE DBK0009001- 595LSP DBK0010001-
TORQUE CONVERTOR, 595SLE DBK0009001- 595LSP DBK0010001-
GEAR BOX, BRACKET, 595SLE DBK0009001- 595LSP DBK0010001-
GEAR BOX, OIL FILL, 595SLE DBK0009001- 595LSP DBK0010001-
GEAR BOX, SHAFT, 595SLE DBK0009001- 595LSP DBK0010001-
FOURTH REVERSE GEAR LOCKOUT, SIDESHIFT VERSION
REAR WHEELS, 595SLE DBK0009001 595LSP DBK0010001-
REAR DRIVE AXLE, DIFFERENTIAL LOCK, 595SLE DBK0009001- 595LSP DBK0010001-
BRAKE PEDAL, 595SLE DBK0009001- 595LSP DBK0010001-
BRAKE CIRCUIT, 595SLE DBK0009001- 595LSP DBK0010001-
BRAKE CIRCUIT, BRAKE CYLINDER, 595SLE DBK0009001- 595LSP DBK0010001
BRAKE CIRCUIT, PUMP, 595SLE DBK0009001- 595LSP DBK0010001-
ACCUMULATOR ASSY, DIFFERENTIAL, 595SLE DBK0009001- 595LSP DBK0010001-
PUMP
MASTER CYLINDER, 595SLE DBK0009001- 595LSP DBK0010001-
MASTER CYLINDER, 595SLE DBK0009001- 595LSP DBK0010001-
DISC BRAKES, 595SLE DBK0009001- 595LSP DBK0010001-
PARKING BRAKE, 595SLE DBK0009001- 595LSP DBK0010001-
BRAKE SYSTEM, 595SLE DBK0009001- 595LSP DBK0010001-
HYDRAULIC RESERVOIR, 595SLE DBK0009001- 595LSP DBK0010001-
PUMP COUPLING, 595SLE DBK0009001- 595LSP DBK0010001-
HYDRAULIC CIRCUIT, STANDARD DIPPER, 595SLE DBK0009001- 595LSP DBK0010001
HYDRAULIC CIRCUIT, TELESCOPIC DIPPER, 595SLE DBK0009001- 595LSP DBK001000
HYDRAULIC CIRCUIT, RETURN, 595SLE DBK0009001- 595LSP DBK0010001-, AXIAL V
HYDRAULIC CIRCUIT, RETURN, 595SLE DBK0009001- 595LSP DBK0010001-, SIDESHI
ACCUMULATOR ASSY, ELECTRICAL CONTROL VALVE, 595SLE DBK0009001- 595LSP
HYDRAULIC CIRCUIT, LOADER ARM CYLINDER, 595SLE DBK0009001- 595LSP DBK00100
HYDRAULIC CIRCUIT, RIDE CONTROL, 595SLE DBK0009001- 595LSP DBK0010001-
PILOT VALVE, RIDE CONTROL, 595SLE DBK0009001- 595LSP DBK0010001-
HYDRAULIC CIRCUIT LOADER BUCKET CYLINDER, 595SLE DBK0009001- 595LSP
HYDRAULIC CIRCUIT, LOADER BUCKET CYLINDER, 7-IN-1, 595SLE DBK0009001- 595L
LOADER BUCKET, 7 IN 1 CYLINDER CIRCUIT, 595SLE DBK0009001- 595LSP DBK0010
HYDRAULIC CIRCUIT, STABILIZER CYLINDER, 595SLE DBK0009001- 595LSP DBK00100
SELECTOR BLOCK, STABILIZER, 595SLE DBK0009001- 595LSP DBK0010001-, AXIAL
HYDRAULIC CIRCUIT, STABILIZER CYLINDER, 595SLE DBK0009001- 595LSP DBK00100
STABILIZER CYL. CIRCUIT W PILOTED CHECK VALVE,595SLE DBK0009001 LSP DBK001
SELECTOR BLOCK, STABILIZER, 595SLE DBK0009001- 595LSP DBK0010001-, SIDESH
HYDRAULIC CIRCUIT, ATTACHMENT SWING CYLINDER, 595SLE DBK0009001- 595LSP DB
HYDRAULIC CIRCUIT, ATTACHMENT SWING CYL., 595SLE DBK0009001- 595LSP DBK001
CARRIAGE RELEASE CIRCUIT, 595SLE DBK0009001- 595LSP DBK0010001-, SIDESHIF
VALVE SOLENOIDE, CARRIAGE, 595SLE DBK0009001- 595LSP DBK0010001-, SIDESHI
HYD. CIRCUIT, BACKHOE BOOM CYLINDER , 595SLE DBK0009001- 595LSP DBK001000
HYDRAULIC CIRCUIT, OFFSET BACKHOE BOOM LOAD, 595SLE DBK0009001- 595LSP
LOAD HOLDING VALVE, 595SLE DBK0009001- 595LSP DBK0010001-, AXIAL VERSION
HYDRAULIC CIRCUIT, BACKHOE BOOM CYLINDER, 595SLE DBK0009001- 595LSP
HYDRAULIC CIRCUIT, DIPPER CYLINDER, 595SLE DBK0009001 595LSP DBK0010001-
HYDRAULIC CIRCUIT, DIPPER CYLINDER, 595SLE DBK0009001- 595LSP DBK0010001-
STANDARD BACKHOE DIPPER BUCKET CYLINDER CIRCUIT, 595SLE DBK0009001-
STANDARD BACKHOE DIPPER BUCKET CYLINDER CIRCUIT, 595SLE DBK0009001-
TELESCOPIC BACKHOE DIPPER BUCKET CYLINDER CIRCUIT, 595SLE DBK0009001
TELESCOPIC BACKHOE DIPPER BUCKET CYLINDER CIRCUIT, 595SLE DBK0009001
TELESCOPIC DIPPER EXTENSION CYLINDER CIRCUIT, 595SLE DBK0009001- 595LSP DB
TELESCOPIC DIPPER EXTENSION CYLINDER CIRCUIT, 595SLE DBK0009001- 595LSP D
CONTROL VALVE, TELESCOPIC DIPPER, 595SLE DBK0009001- 595LSP DBK0010001-
BACKHOE ATTACHMENT FASTENERS, 595SLE DBK0009001- 595LSP DBK0010001-
BACKHOE CONTROL VALVE, SUPPORT, 595LSP DBK0010001-, ELECTRONIC
LOADER CONTROL VALVE, SUPPORT, 595SLE DBK0009001- 595LSP DBK0010001-
HYDRAULIC CIRCUIT, AUXILIARY HYDRAULIC, 595SLE DBK0009001- 595LSP DBK00100
HYDRAULIC CIRCUIT, AUXILIARY HYDRAULIC, 595SLE DBK0009001- 595LSP DBK00100
HYDRAULIC CIRCUIT, HYDRAULIC ROCKBREAKER (CB620), 595SLE DBK0009001- 595L
AUXILIARY HYDRAULIC, PICK HAMMER, 595SLE DBK0009001- 595LSP DBK0010001-
HYDRAULIC PUMP, 595SLE DBK0009001- 595LSP DBK0010001-
REGULATOR, PUMP, 595SLE DBK0009001- 595LSP DBK0010001-
BACKHOE CONTROL VALVE, ELECTRONIC, 595LSP DBK0010001-, 6 SECTIONS
BACKHOE CONTROL VALVE, ELECTRONIC, 595LSP DBK0010001-, 7 SECTIONS
INLET MANIFOLD, ELECTRONIC CONTROL VALVE, 595LSP DBK0010001-
BACKHOE CONTROL VALVE, ELECTRONIC, 595LSP DBK0010001-, 4 SECTIONS
BACKHOE CONTROL VALVE, 595SLE DBK0009001 - 595LSP DBK0010001-, 3 SECTIONS
BACKHOE CONTROL VALVE, 595SLE DBK0009001 - 595LSP DBK0010001-, 2 SECTIONS
LOADER CONTROL VALVE, 595SLE DBK0009001- 595LSP DBK0010001-, 4 SECTIONS
OIL FILTER, 595SLE DBK0009001- 595LSP DBK0010001-
LOADER ARM CYLINDER, 595SLE DBK0009001- 595LSP DBK0010001-
STANDARD LOADER BUCKET CYLINDER, 595SLE DBK0009001- 595LSP DBK0010001-
LOADER BUCKET, 7 IN 1 CYLINDER, 595SLE DBK0009001- 595LSP DBK0010001-
STABILIZER CYLINDER, 595SLE DBK0009001- 595LSP DBK0010001-, AXIAL VERSION
STABILIZER CYLINDER, 595SLE DBK0009001- 595LSP DBK0010001-, SIDESHIFT VER
BACKHOE ATTACHMENT RIGHT SWING CYLINDER, 595SLE DBK0009001- 595LSP
BACKHOE ATTACHMENT SWING CYLINDER, 595SLE DBK0009001- 595LSP DBK0010001-
BACKHOE BOOM CYLINDER, 595SLE DBK0009001- 595LSP DBK0010001-, AXIAL VERSI
BACKHOE BOOM CYLINDER, 595SLE DBK0009001- 595LSP DBK0010001-, SIDESHIFT V
DIPPER CYLINDER, 595SLE DBK0009001- 595LSP DBK0010001-
TELESCOPIC DIPPER EXTENSION CYLINDER, 595SLE DBK0009001- 595LSP DBK001000
BACKHOE BUCKET CYLINDER, 595SLE DBK0009001- 595LSP DBK0010001-
LOADER ARM, 595SLE DBK0009001- 595LSP DBK0010001-
LOADER ARM, 595SLE DBK0009001- 595LSP DBK0010001-
AUTOMATIC LEVELLING CONTROL, 595SLE DBK0009001- 595LSP DBK0010001 -
STANDARD LOADER BUCKET, 595SLE DBK0009001- 595LSP DBK0010001-, VERSION
LOADER BUCKET, 7 IN 1, 595SLE DBK0009001- 595LSP DBK0010001-, VERSION 2
TOOTH GUARD, STANDARD LOADER BUCKET, 595SLE DBK0009001- 595LSP
TOOTH GUARD, LOADER BUCKET, 7-IN-1, 595SLE DBK0009001- 595LSP DBK0010001-
HYDRAULIC ROCKBREAKER (CB620), 595SLE DBK0009001- 595LSP DBK0010001-
MECHANISM, HYDRAULIC ROCKBREAKER (CB620), 595SLE DBK0009001- 595LSP DBK00
BITS, HYDRAULIC ROCKBREAKER (CB620), 595SLE DBK0009001- 595LSP DBK0010001
CONTROL PEDAL, TELESCOPIC DIPPER, 595SLE DBK0009001- 595LSP DBK0010001-
CONTROL PEDAL, AUXILIARY HYDRAULIC, 595SLE DBK0009001- 595LSP DBK0010001
STABILIZERS CONTROL LEVER, UPPER CONTROL LEVERS, 595SLE DBK0009001-
STABILIZERS CONTROL LEVER, LOWER CONTROL LEVERS, 595SLE DBK0009001-
STABILIZER, 595SLE DBK0009001- 595LSP DBK0010001-
STABILIZER CYLINDER PROTECTION, 595SLE DBK0009001- 595LSP DBK0010001-, AX
STABILIZER, 595SLE DBK0009001- 595LSP DBK0010001-, SIDESHIFT VERSION
BOOM SWING TOWER, 595SLE DBK0009001- 595LSP DBK0010001-, AXIAL VERSION
BOOM SWING TOWER, CARRIAGE, 595SLE DBK0009001- 595LSP DBK0010001-, SIDESH
BACKHOE BOOM LOCKING DEVICE, 595SLE DBK0009001- 595LSP DBK0010001-, AXIAL
BACKHOE BOOM LOCKING DEVICE, 595SLE DBK0009001- 595LSP DBK0010001-, SIDES
BACKHOE BOOM, 595SLE DBK0009001- 595LSP DBK0010001-, AXIAL VERSION, BACKH
BACKHOE BOOM, 595SLE DBK0009001- 595LSP DBK0010001-, SIDESHIFT VERSION, B
STANDARD BACKHOE DIPPER, 595SLE DBK0009001- 595LSP DBK0010001-
TELESCOPIC BACKHOE DIPPER, 595SLE DBK0009001- 595LSP DBK0010001-
BUCKET CONTROL, 595SLE DBK0009001- 595LSP DBK0010001-
CHASSIS, 595SLE DBK0009001- 595LSP DBK0010001-, AXIAL VERSION
CHASSIS, 595SLE DBK0009001- 595LSP DBK0010001-, SIDESHIFT VERSION
ENGINE COVER, 595SLE DBK0009001- 595LSP DBK0010001-
BATTERY BOX, 595SLE DBK0009001- 595LSP DBK0010001-
FRONT FENDER, 595SLE DBK0009001- 595LSP DBK0010001-, RIGHT
FRONT FENDER, 595SLE DBK0009001- 595LSP DBK0010001-, LEFT
REAR FENDER MOUNTING, 4 WHEEL STEER, 595SLE DBK0009001- 595LSP DBK0010001
FENDER, REAR, 595SLE DBK0009001- 595LSP DBK0010001-, SIDESHIFT VERSION
SEAT SUPPORT BRACKET, 595SLE DBK0009001- 595LSP DBK0010001-
SEAT, HAND CONTROL VALVE, 595LSP DBK0010001-
SEAT, 595LSP DBK0010001-
SAFETY BELT, OPTIONAL, 595SLE DBK0009001- 595LSP DBK0010001-, VERSION : 3
CAB, BRACKET, 595SLE DBK0009001- 595LSP DBK0010001-
CAB, STANDARD, 595SLE DBK0009001- 595LSP DBK0010001-
CAB AND GLASS 595SLE DBK0009001- 595LSP DBK0010001-
CAB, CAB DOOR, 595SLE DBK0009001- 595LSP DBK0010001-
WINDSHIELD, 595SLE DBK0009001- 595LSP DBK0010001-
CAB ROOF, 595SLE DBK0009001- 595LSP DBK0010001-
BACK VIEW MIRRORS, 595SLE DBK0009001- 595LSP DBK0010001-
CAB AIR CONDITIONING, AIR CONDITIONER, 595SLE DBK0009001- 595LSP DBK00100
HEATER UNIT, 595SLE DBK0009001- 595LSP DBK0010001-
POSITION INDICATOR, LOADER ARM, 595SLE DBK0009001- 595LSP DBK0010001-, SI
LOADER CONTROL LEVER ROAD TRAVEL POSITION LOCKING LEVER, 595SLE
FRONT COUPLING, 595SLE DBK0009001- 595LSP DBK0010001-
LOADER BUCKET LOCK, 595SLE DBK0009001- 595LSP DBK0010001-, SIDESHIFT VERS
FORK, LOADER BUCKET, 595SLE DBK0009001- 595LSP DBK0010001-
LOADER ACCESSORIES, WITHOUT LOADER, 595SLE DBK0009001- 595LSP DBK0010001-
BLOCKING WEDGE, GERMANY, 595SLE DBK0009001- 595LSP DBK0010001-, SIDESHIFT
TOOLS, 595SLE DBK0009001- 595LSP DBK0010001-
HYDRAULICS, ATTACHMENT, 595SLE DBK0009001- 595LSP DBK0010001-
TOOLS, 595SLE DBK0009001- 595LSP DBK0010001-
DECALS, 595SLE DBK0009001- 595LSP DBK0010001-
DECALS, 595SLE DBK0009001- 595LSP DBK0010001-
DECALS, 595SLE DBK0009001- 595LSP DBK0010001-
DECALS, 595SLE DBK0009001- 595LSP DBK0010001-
DECALS, ENGLISH, 595SLE DBK0009001- 595LSP DBK0010001-
DECALS, FRENCH, 595SLE DBK0009001- 595LSP DBK0010001-
DECALS, GERMAN, 595SLE DBK0009001- 595LSP DBK0010001-
DECALS, SPANISH AND PORTUGUESE, 595SLE DBK0009001- 595LSP DBK0010001-
DECALS, DANISH, 595SLE DBK0009001- 595LSP DBK0010001-
DECALS, ITALIAN, 595SLE DBK0009001- 595LSP DBK0010001-
DECALS, DUTCH, 595SLE DBK0009001- 595LSP DBK0010001-
1
2
3
4
5
6
7
8
9
10
11
12
13
14
15
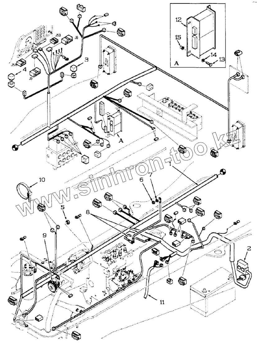
Позиция на иллюстрации
Заводской номер детали
Название детали
1
6102372M92
Harness
2
NSS
NOT SERVICED SEPARATELY
2A
6102644M91
Fuse
2B
6102645M91
Fuse
2C
6102646M91
Fuse
2D
6102647M91
Fuse
3
47044597
Relay
4
6102489M1
Relay
5
339030X1
Nut
6
3019407X1
Nut
7
390735X1
Washer
8
6101483M91
Strap
9
3516086M1
Horn
10
1664405M1
Cable
11
6102226M91
Harness
12
6102208M92
Case
13
339563X1
Screw
14
390469X1
Washer
15
6101762M1
Nut
Содержащиеся в справочниках-каталогах запасные части и детали не предлагаются к продаже, а носят исключительно информационный характер
Дополнительная информация
×
Название:
Номер:
Примечание: