Каталог запасных частей к технике: CARMIX-5.5XL. DRUM ROTATION PLANT
1
2
2
2
3
4
5
6
7
8
9
10
11
12
13
14
15
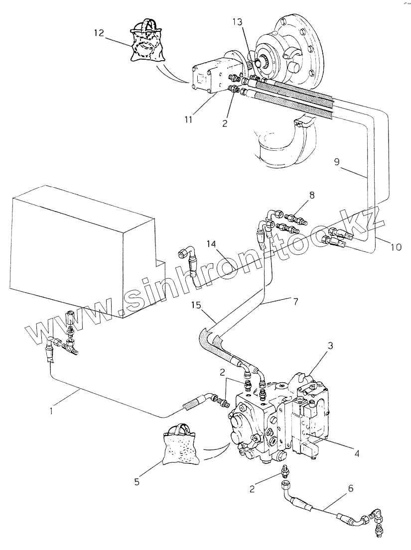
| Позиция на иллюстрации | Заводской номер детали | Название детали | |
|---|---|---|---|
| 1 | 811.0544.0165 | Hydraulic hose | |
| 2 | 008.0050.0000 | Hose fitting | |
| 3 | 028.0079.0000 | Pump | |
| 4 | 028.0079.0001 | Electrovalve | |
| 5 | 028.0079.0002 | Gasket set | |
| 6 | 811.0544.0390 | Hydraulic hose | |
| 7 | 801.0544.0105 | Hydraulic hose | |
| 8 | 008.0240.0000 | Hose fitting | |
| 9 | 801.0522.0088 | Hydraulic hose | |
| 10 | 801.0522.0097 | Hydraulic hose | |
| 11 | 029.0069.0000 | Motor | |
| 12 | 029.0003.0001 | Gasket set | |
| 13 | 008.0042.0000 | Hose fitting | |
| 14 | 811.0242.0060 | Hydraulic hose | |
| 15 | 801.0544.0109 | Hydraulic hose |
Содержащиеся в справочниках-каталогах запасные части и детали не предлагаются к продаже, а носят исключительно информационный характер