Каталог запасных частей к технике: Булат ЭО-2627. Каретка
1
2
3
4
5
6
7
8
9
10
11
12
13
14
15
16
17
18
19
20
21
22
23
24
25
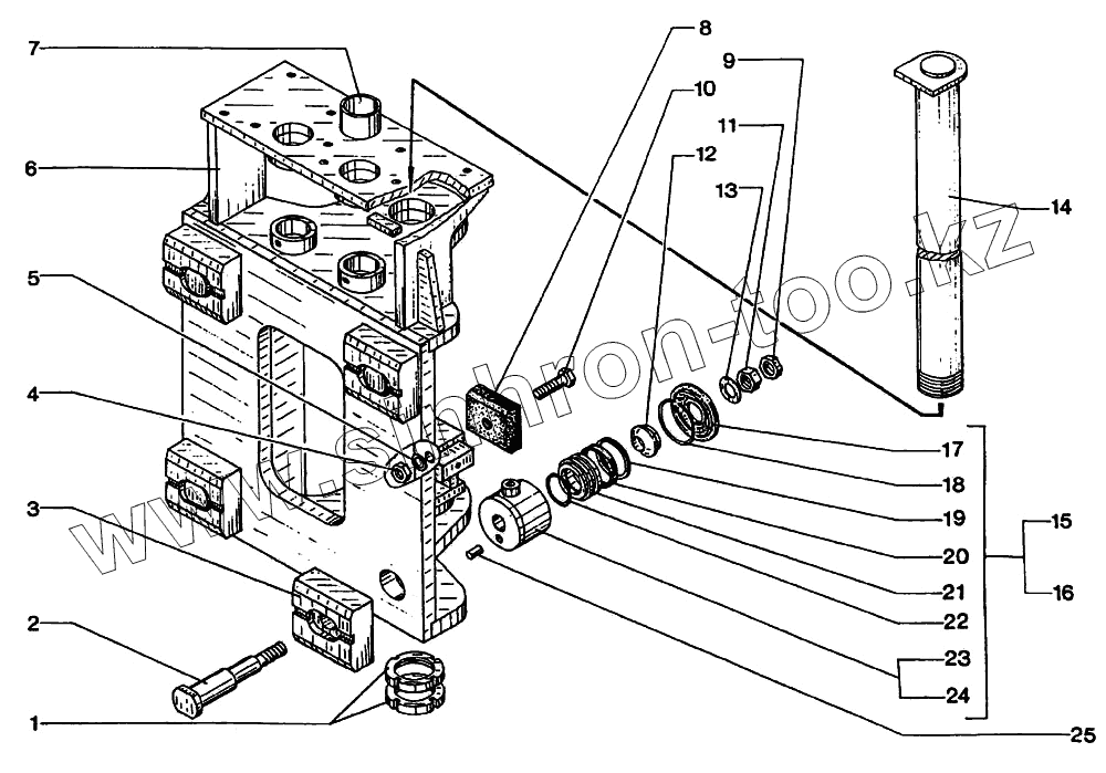
| Позиция на иллюстрации | Заводской номер детали | Название детали | |
|---|---|---|---|
| 15.30200.005-01 | 15.30200.005-01 | Амортизатор | |
| 1 | 11871.М72х2-6Н | Гайка | |
| 2 | 15.30200.001 | Палец | |
| 3 | 15.30200.002 | Направляющая | |
| 4 | 5915.М16-6Н | Гайка | |
| 5 | 11371.1б.01.08кп016 | Шайба | |
| 6 | 15.30201.000 | Металлоконструкция | |
| 7 | 15.30200.006 | Втулка | |
| 8 | 15.30200.000 | Амортизатор | |
| 9 | 5916.М24х1,5-6Н | Гайка | |
| 10 | 7798.М16х65.58.019 | Болт | |
| 11 | 5915.М24х1.5-6Н | Гайка | |
| 12 | 15.30200.004 | Шарнир | |
| 13 | 11371.24.01.08кп016 | Шайба | |
| 14 | 15.30203.000 | Палец | |
| 15 | 15.30202.000 | Гидроцилиндр | |
| 16 | 15.30202.000-01 | Гидроцилиндр | |
| 17 | 15.30202.003 | Крышка | |
| 18 | 15.30202.002 | Кольцо | |
| 19 | 15.30202.004 | Кольцо защитное | |
| 20 | 14896.1-80х65-6 | Манжета | |
| 21 | 15.30202.001 | Поршень | |
| 22 | 18829.050-055-30-2-3 | Кольцо | |
| 23 | 15.30202.100 | Корпус | |
| 24 | 15.30202.100-01 | Корпус | |
| 25 | 15.30202.003 | Крышка |
Содержащиеся в справочниках-каталогах запасные части и детали не предлагаются к продаже, а носят исключительно информационный характер