Каталог запасных частей к технике: Булат ЭО-2627. Гидрораспределитель
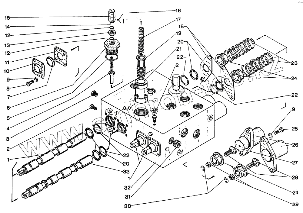
1
1
2
2
3
4
5
6
7
8
9
9
10
11
12
12
13
14
15
16
17
18
19
20
20
21
22
22
22
23
24
24
25
26
27
28
29
30
31
32
33
| Позиция на иллюстрации | Заводской номер детали | Название детали | |
|---|---|---|---|
| 1 | 6850.022А | Золотник | |
| 2 | 6850.032 | Болт специальный | |
| 3 | 6850.036 | Заглушка специальная | |
| 4 | Э-153-0802-26 | Винт регулировочный | |
| 5 | 18829.032-040-46-2-2 | Кольцо уплотнительное | |
| 6 | 6850.039 | Пробка | |
| 7 | 6850.037 | Грязесъемник | |
| 8 | 7796.М8х20.58.019 | Болт | |
| 9 | 6402.8.65Г.019 | Шайба | |
| 10 | 6850.040 | Крышка | |
| 11 | 6850.026 | Крышка | |
| 12 | Э-153-0801-28 | Кольцо уплотнительное | |
| 13 | Э-153-2202-04а | Гайка специальная | |
| 14 | 3282.d1 | Проволока L=0,5м | |
| 15 | Э-153-0801-21б | Гайка глухая | |
| 16 | 19133.16,5/7 | Пломба | |
| 17 | Э-153-2201-11б | Пружина | |
| 18 | 6850.025 | Фланец | |
| 19 | 3-153-2201-036 | Клапан | |
| 20 | 6850.034А | Шайба защитная | |
| 21 | 6850.038а | Седло клапана | |
| 22 | 26.5431.025 | Кольцо | |
| 23 | 6850.028 | Пружина | |
| 24 | 6850.027 | Втулка | |
| 25 | 7798.М8х25.58.019 | Болт | |
| 26 | 6850.028 | Пружина | |
| 27 | 6850.030 | Прокладка | |
| 28 | 6850.029А | Винт регулировочный | |
| 29 | 5915.М10.5.019 | Гайка | |
| 30 | 6402.10.65Г.019 | Шайба | |
| 31 | Э-153-0801-03К | Пробка к 1/2" | |
| 32 | 6850.021Г | Корпус | |
| 33 | 6850.023А | Золотник специальный |
Содержащиеся в справочниках-каталогах запасные части и детали не предлагаются к продаже, а носят исключительно информационный характер