Вернуться на главную
Поиск
Каталоги запчастей к технике
Спецтехника
Булат
ЭО-2621В-3
Отвал
Каталог запасных частей к технике: Булат ЭО-2621В-3. Отвал
zoom-in
zoom-out
enlarge
shrink
circle-right
circle-left
file-text2
info
cart
Тип техники
Не выбрано
Легковые автомобили
Грузовые автомобили и прицепы
Автобусы
Сельхозтехника
Спецтехника
Двигатели
Мототехника
Марка
Не выбрано
Ammann
BOMAG
CARMIX
CASE IH
Changlin
ChengGong
Dimex
Doosan
DYNAPAC
Foton
HAMM
Hidromek
Hitachi
Hyundai
JCB
JLG
John Deere
Komatsu
LIEBHERR
LiuGong
Lonking (LongGong)
Luneng
MANITOU
Mitsuber
New Holland
PENGPU
RM-Terex
SANY
SDLG
SEM
Shantui
Shehwa HBXG
Soosan
TIGARBO
VOGELE
Volvo
WAY
WIRTGEN
XCMG
XGMA
Xiamen
YTO
Yuchai
Zoomlion
Автокран
АЗСМ
Алтайлесмаш
Амкодор
АОМЗ
Атек
АТЗ
Балканкар Рекорд
БелАЗ
Беловеж
Борекс
Брянский Арсенал
Булат
ВЭКС
ГАЗ
Геомаш
Гидромаш
Донекс
Дормаш
Дормашина
Дорэлектромаш
ДЭЗ
ЕлАЗ
ЗЗГТ
Ижнефтемаш
Канаш-электрокар
КЗКТ
ККЗ
Клевер
Клинцовский автокрановый завод
КМЗ
КМЗ 1 Мая
Ковровец
Коммаш
Кранэкс
КЭЗ
КЭМЗ
ЛЗА
МАЗ
МЗИК
МЗКМ
МЗКТ
Михневский РМЗ
МоАЗ
Мозырский МЗ
МТЗ
ОЗП
Онежец
ПАО "ТЗА"
ППС Детва
Промтрактор
ПТЗ
Раскат
СпецАгрегат
ТВЭКС
ТТМ
УВЗ
Угличмаш
УЗТМ
ХТЗ
ЧЗКМ
ЧСДМ
ЧТЗ
ЭКСКО
ЭКСМАШ
ЮрМаш
Модель
Не выбрано
ЭО-2621B
ЭО-2621B-2 (2006)
ЭО-2621B-3 (2005)
ЭО-2621B-3 (2010)
ЭО-2621А (1973)
ЭО-2621В-3
ЭО-2627 (1994)
Схема
>
Не выбрано
Установка короба
Крышка
Крышка левая
Установка сиденья
Рама
Управление
Гидроразводка (13.1100.000-06)
Гидроцилиндр
Гидроцилиндр
Гидроцилиндр (50.8037.000)
Гидроцилиндр
Гидроцилиндр
Гидроцилиндр
Гидроцилиндр
Гидроцилиндр
Гидроцилиндр
Гидрозамок
Парораспределитель
Дроссель
Клапан перепускной (26.6771.000)
Клапан разгрузочный
Бак масляный
Бак с Фильтрами
Сапун
Блок Фильтров с клапаном
Клапан
Фильтр магнитно-сетчатый
Привод насоса
Дышло
Башмаки опорные
Колонка
Стрела
Рукоять
Ковш
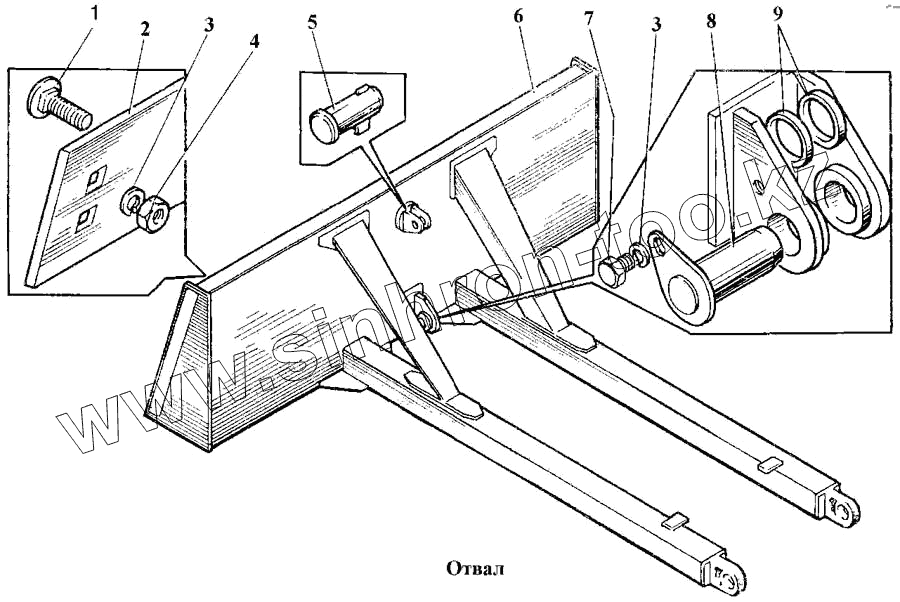
Отвал
Экскаватор одноковшовый ЭО-2621В-3
Переделка трактора
2
3
3
4
5
6
6
7
8
9
Позиция на иллюстрации
Заводской номер детали
Название детали
1
7786.16.45
Болт
2
03.5501.013
Нож
3
6402.16
Шайба
4
5915.16
Гайка
5
03.5500.200
Палец
6
26.5550.000
Отвал
6
26.5551.000
Отвал
7
7798.16.30
Болт
8
03.5500.100
Палец
9
03.5700.007
Кольцо
Содержащиеся в справочниках-каталогах запасные части и детали не предлагаются к продаже, а носят исключительно информационный характер
Дополнительная информация
×
Название:
Номер:
Примечание: