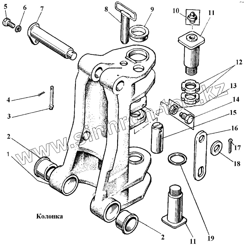
Каталог запасных частей к технике: Булат ЭО-2621В-3. Колонка
1
1
2
2
3
4
5
6
7
8
9
10
11
11
12
13
14
15
16
17
18
19
| Позиция на иллюстрации | Заводской номер детали | Название детали | |
|---|---|---|---|
| 1 | 13.0310.001 | Колонка | |
| 1 | 13.0310.000-01 | Колонка | |
| 2 | 03.5300.005 | Втулка | |
| 3 | 13.0310.007 | Ось | |
| 4 | 397.3,2.20 | Шплинт | |
| 5 | 7798.16.30 | Болт | |
| 6 | 6402.16 | Шайба | |
| 7 | 13.0310.300 | Палец | |
| 8 | 13.0310.100-01 | Палец | |
| 9 | 13.0310.002 | Втулка | |
| 10 | 19853.1.2 | Масленка | |
| 11 | 13.0310.200-02 | Палец | |
| 12 | 11871.48.1,5 | Гайка | |
| 13 | 5915.12 | Гайка | |
| 14 | 26.5600.003 | Болт специальный | |
| 15 | 13.0300.003 | Палец | |
| 16 | 13.0300.002 | Тяга | |
| 17 | 397.6,3.63 | Шплинт | |
| 18 | 11371.36 | Шайба | |
| 19 | 13.0300.009 | Шайба |
Содержащиеся в справочниках-каталогах запасные части и детали не предлагаются к продаже, а носят исключительно информационный характер