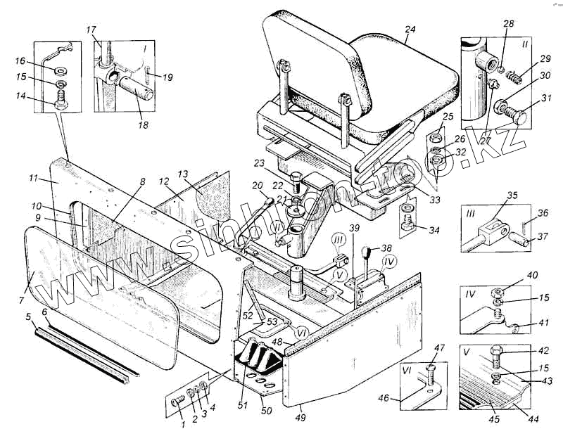
Каталог запасных частей к технике: Булат ЭО-2621B. Установка сиденья
1
2
3
4
5
6
7
8
9
10
11
12
13
14
15
15
15
16
17
18
19
20
21
22
23
24
25
26
27
28
29
30
31
32
33
34
35
36
37
38
39
40
41
42
43
44
45
46
47
48
49
50
51
52
53
| Позиция на иллюстрации | Заводской номер детали | Название детали | |
|---|---|---|---|
| 1 | 17473.6.16 | Винт | |
| 2 | 6958.6 | Шайба | |
| 3 | 6402.6 | Шайба | |
| 4 | 5915.6 | Гайка | |
| 5 | 01.7000.011 | Профиль нижнего окна | |
| 6 | 01.7000.015 | Шнур распорный нижнего окна | |
| 7 | 01.7000.007 | Стекло нижнее | |
| 8 | 37.2610.006-01 | Облицовка | |
| 9 | 37.2610.101 | Ребро | |
| 10 | 37.2610.009 | Облицовка | |
| 11 | 37.2610.130 | Щиток | |
| 12 | 37.2610.102 | Боковина | |
| 13 | 37.2610.007 | Облицовка | |
| 14 | 7798.8.20 | Болт | |
| 15 | 6402.8 | Шайба | |
| 16 | 6958.8 | Шайба | |
| 17 | 37.2610.300 | Рычаг | |
| 18 | 26.6900.015 | Палец | |
| 19 | 397.4.25 | Шплинт | |
| 20 | 26.9200.018 | Рукоятка | |
| 21 | 10.0102.103 | Шайба | |
| 22 | 6402.10 | Шайба | |
| 23 | 7798.10.20 | Болт | |
| 24 | 45-6800010-А | Сиденье | |
| 25 | 5915.12 | Гайка | |
| 26 | 6402.12 | Шайба | |
| 27 | 19853.1.2 | Масленка | |
| 28 | 3722.12,303 | Шарик | |
| 29 | 50.7413.018 | Пружина | |
| 30 | 5915.14.1,5 | Гайка | |
| 31 | 7798.14.1.5.30 | Болт | |
| 32 | 6958.12 | Шайба | |
| 33 | 37.2610.200 | Кронштейн | |
| 34 | 7798.12.25 | Болт | |
| 35 | 37.2610.400 | Тяга | |
| 36 | 397.2.12 | Шплинт | |
| 37 | 03.6800.006 | Палец | |
| 38 | 45Т-1108000 | Акселератор | |
| 39 | 37.2610.001-01 | Планка | |
| 40 | 5915.8 | Гайка | |
| 41 | 37.2610.012 | Кронштейн | |
| 42 | 7798.8.30 | Болт | |
| 43 | 37.2610.001 | Планка | |
| 44 | 37.2610.005 | Коврик | |
| 45 | 37.2610.004 | Коврик | |
| 46 | 37.0500.002 | Планка | |
| 47 | 7798.6.40 | Болт | |
| 48 | 37.2610.007-01 | Облицовка | |
| 49 | 37.2610.120 | Боковина | |
| 50 | 37.2610.110 | Днище | |
| 51 | 37.0500.003 | Уплотнитель | |
| 52 | 37.2610.006 | Облицовка | |
| 53 | 34.2610.101-01 | Ребро |
Содержащиеся в справочниках-каталогах запасные части и детали не предлагаются к продаже, а носят исключительно информационный характер