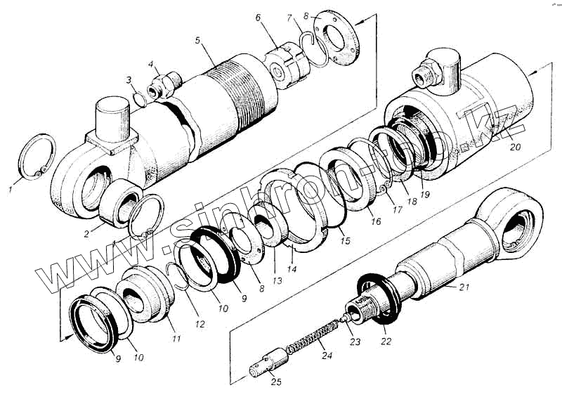
Каталог запасных частей к технике: Булат ЭО-2621B. Гидроцилиндр грейфера
1
1
2
3
4
5
6
7
8
8
9
9
10
10
11
12
13
14
15
16
17
18
19
20
21
22
23
24
25
| Позиция на иллюстрации | Заводской номер детали | Название детали | |
|---|---|---|---|
| 1 | 13943.Б62 | Кольцо | |
| 2 | 3635.ШС-40 | Подшипник | |
| 3 | 9833.020.025.30 | Кольцо | |
| 4 | 26.6000.002 | Штуцер | |
| 5 | 50.8020.100-02 | Гильза | |
| 6 | 50.8016.030 | Гайка | |
| 7 | 03.6200.006 | Кольцо | |
| 8 | 50.8016.001 | Кольцо | |
| 9 | 14896.80.65.6 | Манжета | |
| 10 | 50.8016.008 | Кольцо | |
| 11 | 50.8016.200 | Поршень | |
| 12 | 9833.035.041.36 | Кольцо | |
| 13 | 50.8020.003 | Втулка | |
| 14 | 11.1500.015 | Гайка круглая | |
| 15 | 9833.090.100.58 | Кольцо | |
| 16 | 11.1500.005 | Кольцо | |
| 17 | 13943.Б80 | Кольцо | |
| 18 | 03.6100.012 | Кольцо подворотниковое | |
| 19 | 26.6510.008 | Манжета | |
| 20 | 50.8020.300-02 | Крышка | |
| 21 | 50.8020.200-01 | Шток | |
| 22 | 37.1200.004 | Грязесъемник | |
| 23 | 5.8036.009 | Упор | |
| 24 | 50.8036.011 | Пружина | |
| 25 | 50.8036.008 | Клапан |
Содержащиеся в справочниках-каталогах запасные части и детали не предлагаются к продаже, а носят исключительно информационный характер