Каталог запасных частей к технике: Булат ЭО-2621B. Гидрораспределитель
1
2
2
3
4
5
6
7
8
9
9
10
11
12
13
14
15
16
17
18
18
19
20
21
22
23
24
25
26
27
28
29
30
31
32
33
34
35
36
37
38
39
40
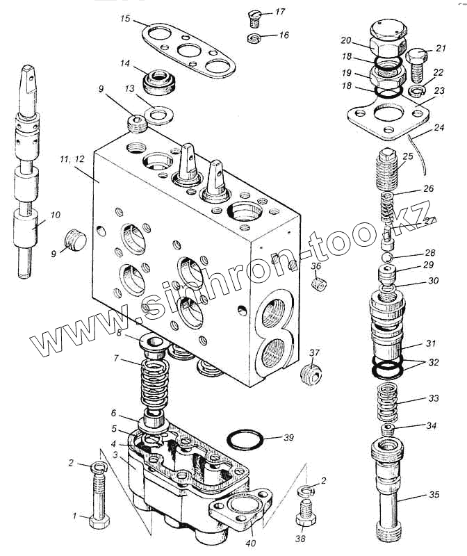
| Позиция на иллюстрации | Заводской номер детали | Название детали | |
|---|---|---|---|
| 1 | 7798.8.55 | Болт | |
| 2 | 6402.8 | Шайба | |
| 3 | 50.7413.002 | Крышка нижняя | |
| 4 | 50.7413.022 | Прокладка | |
| 5 | 50.7413.029 | Кольцо | |
| 6 | 50.7413.014 | Втулка нижняя | |
| 7 | 50.7413.013 | Пружина золотника | |
| 8 | 50.7413.015 | Втулка верхняя | |
| 9 | 11.0801.003 | Пробка | |
| 10 | 26.1401.002 | Золотник | |
| 11 | 26.1401.001 | Корпус | |
| 12 | 26.1401.001-01 | Корпус | |
| 13 | 50.7413.016 | Шайба | |
| 14 | 11.0805.000 | Манжета | |
| 15 | 50.7413.003 | Крышка верхняя | |
| 16 | 6402.6 | Шайба | |
| 17 | 17473.6.12 | Винт | |
| 18 | 9833.025.028.19 | Кольцо | |
| 19 | 50.7413.020 | Контргайка | |
| 20 | 50.7413.021 | Колпачок | |
| 21 | 7798.10.30 | Болт | |
| 22 | 6402.10 | Шайба | |
| 23 | 50.7413.007 | Фланец | |
| 24 | 792.05 | Проволока L=200 mm | |
| 25 | 50.7413.019 | Винт | |
| 26 | 50.7413.018 | Пружина | |
| 27 | 50.7413.027 | Направляющая | |
| 28 | 3722.7.938 | Шарик Б | |
| 29 | 50.7413.028 | Гнездо | |
| 30 | 9833.013.016.19 | Кольцо | |
| 31 | 37.2101.005 | Корпус клапана | |
| 32 | 9833.026.032.36 | Кольцо | |
| 33 | 50.7413.011 | Пружина клапана | |
| 34 | 50.7413.010 | Демпфер | |
| 35 | 50.7413.005 | Клапан перепускной | |
| 36 | 11.0801.004 | Пробка | |
| 37 | 37.2101.007 | Пробка | |
| 38 | 7798.8.20 | Болт | |
| 39 | 9833.030.035.30 | Кольцо | |
| 40 | 50.7413.012 | Крышка клапана |
Содержащиеся в справочниках-каталогах запасные части и детали не предлагаются к продаже, а носят исключительно информационный характер