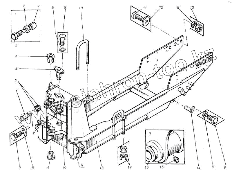
Каталог запасных частей к технике: Булат ЭО-2621B-3. Рама
1
2
3
4
4
5
6
7
8
8
8
8
9
9
9
10
11
12
13
14
15
16
17
18
19
| Позиция на иллюстрации | Заводской номер детали | Название детали | |
|---|---|---|---|
| 1 | 13.0120.100 | Палец | |
| 2 | 03.5300.009-01 | Шайба установочная | |
| 3 | 13.0110.200 | Палец | |
| 4 | 13.0100.001-02 | Втулка | |
| 5 | 26.5600.003-01 | Болт специальный | |
| 6 | 5916.16 | Гайка | |
| 7 | 13.0100.002 | Втулка | |
| 8 | 6402.16 | Шайба | |
| 9 | 7798.16.30 | Болт | |
| 10 | 26.5120.001 | Хомут | |
| 11 | 7798.16.40 | Болт | |
| 12 | 01.4300.002 | Шайба | |
| 13 | 5915.16 | Гайка | |
| 14 | 13.0110.100 | Палец | |
| 15 | 19853.1.2 | Масленка | |
| 16 | 03.5100.012 | Втулка | |
| 17 | 26.5100.018 | Гайка | |
| 18 | 13.0121.000 | Металлоконструкция рамы | |
| 19 | 13.0120.001 | Палец |
Содержащиеся в справочниках-каталогах запасные части и детали не предлагаются к продаже, а носят исключительно информационный характер