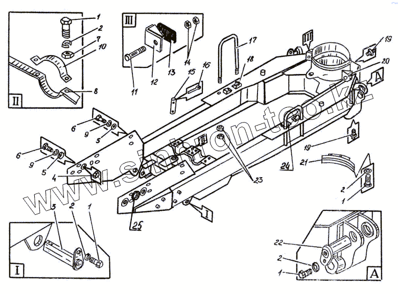
Каталог запасных частей к технике: Булат ЭО-2621B-2. 26.5120.000 РАМА
26.5120.000
1
1
1
1
2
2
2
2
3
4
5
5
6
6
7
8
9
9
10
11
12
13
14
15
16
17
18
19
19
20
21
22
23
24
25
| Позиция на иллюстрации | Заводской номер детали | Название детали | |
|---|---|---|---|
| 26.5120.000 | 26.5120.000 | Рама | |
| 1 | 7798.12.25 | Болт | |
| 2 | 6402.12 | Шайба | |
| 3 | 26.5120.100 | Палец | |
| 4 | 5915.16 | Гайка | |
| 5 | 01.4300.002 | Шайба | |
| 6 | 7798.16.40 | Болт | |
| 7 | 5915.12 | Гайка | |
| 8 | 26.5111.001 | Балка | |
| 9 | 6402.16 | Шайба | |
| 10 | 26.5100.002 | Скоба | |
| 11 | 7798.20.90 | Болт | |
| 12 | 37.0100.002-ТН | Коробка | |
| 13 | 37.0100.001 | Лист | |
| 14 | 5915.20 | Гайка | |
| 15 | 03.5100.005 | Палец | |
| 16 | 397.6,3.63 | Шплинт | |
| 17 | 03.5100.001-2111 | Хомут | |
| 18 | 26.5121.000 | Металлоконструкция рамы | |
| 19 | 19853.1.2 | Масленка | |
| 20 | 37.01С0.002-ТН-01 | Коробка | |
| 21 | 26.5100.300-TH | Щиток | |
| 22 | 37.0100.300 | Палец | |
| 23 | 5915.24 | Гайка | |
| 24 | 26.5100.017 | Клин | |
| 25 | 26.5110.001 | Шайба |
Содержащиеся в справочниках-каталогах запасные части и детали не предлагаются к продаже, а носят исключительно информационный характер