Вернуться на главную
Поиск
Каталоги запчастей к технике
Спецтехника
Булат
ЭО-2621B-2
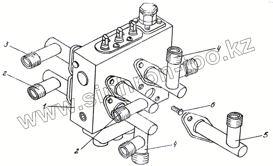
13.1230.000 УСТАНОВКА ГИДРОРАСПРЕДЕЛИТЕЛЕЙ
Каталог запасных частей к технике: Булат ЭО-2621B-2. 13.1230.000 УСТАНОВКА ГИДРОРАСПРЕДЕЛИТЕЛЕЙ
zoom-in
zoom-out
enlarge
shrink
circle-right
circle-left
file-text2
info
cart
Тип техники
Не выбрано
Легковые автомобили
Грузовые автомобили и прицепы
Автобусы
Сельхозтехника
Спецтехника
Двигатели
Мототехника
Марка
Не выбрано
Ammann
BOMAG
CARMIX
CASE IH
Changlin
ChengGong
Dimex
Doosan
DYNAPAC
Foton
HAMM
Hidromek
Hitachi
Hyundai
JCB
JLG
John Deere
Komatsu
LIEBHERR
LiuGong
Lonking (LongGong)
Luneng
MANITOU
Mitsuber
New Holland
PENGPU
RM-Terex
SANY
SDLG
SEM
Shantui
Shehwa HBXG
Soosan
TIGARBO
VOGELE
Volvo
WAY
WIRTGEN
XCMG
XGMA
Xiamen
YTO
Yuchai
Zoomlion
Автокран
АЗСМ
Алтайлесмаш
Амкодор
АОМЗ
Атек
АТЗ
Балканкар Рекорд
БелАЗ
Беловеж
Борекс
Брянский Арсенал
Булат
ВЭКС
ГАЗ
Геомаш
Гидромаш
Донекс
Дормаш
Дормашина
Дорэлектромаш
ДЭЗ
ЕлАЗ
ЗЗГТ
Ижнефтемаш
Канаш-электрокар
КЗКТ
ККЗ
Клевер
Клинцовский автокрановый завод
КМЗ
КМЗ 1 Мая
Ковровец
Коммаш
Кранэкс
КЭЗ
КЭМЗ
ЛЗА
МАЗ
МЗИК
МЗКМ
МЗКТ
Михневский РМЗ
МоАЗ
Мозырский МЗ
МТЗ
ОЗП
Онежец
ПАО "ТЗА"
ППС Детва
Промтрактор
ПТЗ
Раскат
СпецАгрегат
ТВЭКС
ТТМ
УВЗ
Угличмаш
УЗТМ
ХТЗ
ЧЗКМ
ЧСДМ
ЧТЗ
ЭКСКО
ЭКСМАШ
ЮрМаш
Модель
Не выбрано
ЭО-2621B
ЭО-2621B-2 (2006)
ЭО-2621B-3 (2005)
ЭО-2621B-3 (2010)
ЭО-2621А (1973)
ЭО-2621В-3
ЭО-2627 (1994)
Схема
>
Не выбрано
ЭКСКАВАТОР ОДНОКОВШОВЫЙ ЭО-2621В-2 С УКАЗАНИЕМ ОСНОВНЫХ СБОРОЧНЫХ ЕДИНИЦ
26.1800.000-TH БАК МАСЛЯНЫЙ
13.5210.000 ГИДРОРАЗВОДКА
13.5210.000 ГИДРОРАЗВОДКА
13.1120.100 ГИДРОКЛАПАН ПЕРЕПУСКНОЙ
26.6772.000 КЛАПАН ОБРАТНЫЙ
26.6795.000 КОЛЛЕКТОР
26.5120.000 РАМА
26.5431.000 ПРИВОД НАСОСА
13.1310.000 ДЫШЛО
26.5550.000 ОТВАЛ
26.5610.000 СТРЕЛА
13.5100.000 РУКОЯТЬ
13.0800.000 КОВШ
26.6100.000 ГИДРОЦИЛИНДР СТРЕЛЫ
26.6100.000-01 ГИДРОЦИЛИНДР ОПОР
26.6200.000 ГИДРОЦИЛИНДР РУКОЯТИ
26.6200.000-01 ГИДРОЦИЛИНДР КОВША
26.6200.000-02 ГИДРОЦИЛИНДР ОТВАЛА
26.6310.000 ГИДРОЦИЛИНДР ПОВОРОТА
26.7130.000 ПЕРЕДЕЛКА ТРАКТОРА
37.0210.000-01 БАШМАК ОПОРНЫЙ
13.1720.000 УПРАВЛЕНИЕ
13.1230.000 УСТАНОВКА ГИДРОРАСПРЕДЕЛИТЕЛЕЙ
26.1401.000-02 ГИДРОРАСПРЕДЕЛИТЕЛЬ
26.1401.000-03, 26.1401.000-02 ГИДРОРАСПРЕДЕЛИТЕЛЬ
13.1510.000 УСТАНОВКА СИДЕНЬЯ, 13.1840.000 УСТАНОВКА КОРОБА
03.5300.000-2ТН КОЛОНКА ПОВОРОТНАЯ С МЕХАНИЗМОМ ПОВОРОТА
13.5400.000 КРЕПЛЕНИЕ СТРЕЛЫ В ТРАНСПОРТНОМ ПОЛОЖЕНИИ
1
2
2
3
4
4
5
6
Позиция на иллюстрации
Заводской номер детали
Название детали
1
26.1401.000-03
Гидрораспределитель
2
13.1230.100
Переходник
3
13.1230.100-02
Переходник
4
13.1230.200
Переходник
5
13.1230.500
Переходник
6
7798.12.25
Болт
Содержащиеся в справочниках-каталогах запасные части и детали не предлагаются к продаже, а носят исключительно информационный характер
Дополнительная информация
×
Название:
Номер:
Примечание: