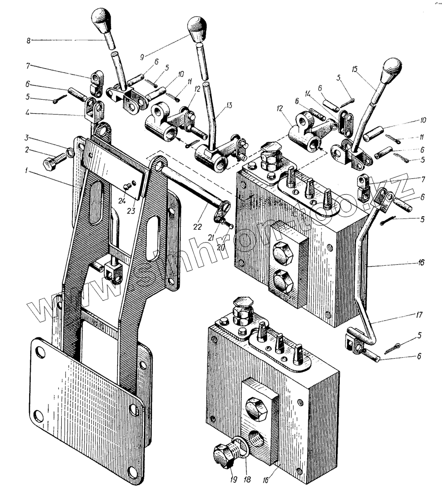
Каталог запасных частей к технике: Булат ЭО-2621А. Гидроуправление 26.9200.000
1
2
3
4
5
5
5
5
5
5
6
6
6
6
6
6
6
7
7
8
9
10
10
11
11
12
12
13
14
15
16
16
17
18
19
20
21
22
23
24
| Позиция на иллюстрации | Заводской номер детали | Название детали | |
|---|---|---|---|
| 1 | 26.9200.010 | Кронштейн | |
| 2 | Болт М10х20 | Болт М10х20 | |
| 3 | Шайба 10 | Шайба 10 | |
| 4 | 26.9200.060 | Тяга | |
| 5 | Шплинт 2x12 | Шплинт 2x12 | |
| 6 | 03.6800.005 | Палец | |
| 7 | 26.9200.019 | Серьга | |
| 8 | 26.9200.070 | Рычаг левый | |
| 9 | 26.9200.018 | Рукоятка | |
| 10 | 26.9200.016 | Палец | |
| 11 | Шплинт 3.2x18 | Шплинт 3.2x18 | |
| 12 | 26.9200.023 | Рычаг | |
| 13 | 26.9200.050 | Рычаг ковша | |
| 14 | 03.6800.004 | Серьга | |
| 15 | 26.9200.040 | Рычаг правый | |
| 16 | 50.7413.000 | Гидрораспределитель | |
| 17 | 26.9200.030 | Тяга | |
| 18 | 11.0801.033 | Кольцо уплотнительное | |
| 19 | 03.6800.012 | Пробка | |
| 20 | Винт М6х12 | Винт М6х12 | |
| 21 | Шайба 6 | Шайба 6 | |
| 22 | 26.9200.020 | Ось | |
| 23 | 26.9200.017 | Таблица | |
| 24 | Винт 4x10 | Винт 4x10 |
Содержащиеся в справочниках-каталогах запасные части и детали не предлагаются к продаже, а носят исключительно информационный характер