Вернуться на главную
Поиск
Каталоги запчастей к технике
Спецтехника
Брянский Арсенал
TG-250 (782-80)
Установка датчиков на двигателе
Каталог запасных частей к технике: Брянский Арсенал TG-250 (782-80). Установка датчиков на двигателе
zoom-in
zoom-out
enlarge
shrink
circle-right
circle-left
file-text2
info
cart
Тип техники
Не выбрано
Легковые автомобили
Грузовые автомобили и прицепы
Автобусы
Сельхозтехника
Спецтехника
Двигатели
Мототехника
Марка
Не выбрано
Ammann
BOMAG
CARMIX
CASE IH
Changlin
ChengGong
Dimex
Doosan
DYNAPAC
Foton
HAMM
Hidromek
Hitachi
Hyundai
JCB
JLG
John Deere
Komatsu
LIEBHERR
LiuGong
Lonking (LongGong)
Luneng
MANITOU
Mitsuber
New Holland
PENGPU
RM-Terex
SANY
SDLG
SEM
Shantui
Shehwa HBXG
Soosan
TIGARBO
VOGELE
Volvo
WAY
WIRTGEN
XCMG
XGMA
Xiamen
YTO
Yuchai
Zoomlion
Автокран
АЗСМ
Алтайлесмаш
Амкодор
АОМЗ
Атек
АТЗ
Балканкар Рекорд
БелАЗ
Беловеж
Борекс
Брянский Арсенал
Булат
ВЭКС
ГАЗ
Геомаш
Гидромаш
Донекс
Дормаш
Дормашина
Дорэлектромаш
ДЭЗ
ЕлАЗ
ЗЗГТ
Ижнефтемаш
Канаш-электрокар
КЗКТ
ККЗ
Клевер
Клинцовский автокрановый завод
КМЗ
КМЗ 1 Мая
Ковровец
Коммаш
Кранэкс
КЭЗ
КЭМЗ
ЛЗА
МАЗ
МЗИК
МЗКМ
МЗКТ
Михневский РМЗ
МоАЗ
Мозырский МЗ
МТЗ
ОЗП
Онежец
ПАО "ТЗА"
ППС Детва
Промтрактор
ПТЗ
Раскат
СпецАгрегат
ТВЭКС
ТТМ
УВЗ
Угличмаш
УЗТМ
ХТЗ
ЧЗКМ
ЧСДМ
ЧТЗ
ЭКСКО
ЭКСМАШ
ЮрМаш
Модель
Не выбрано
TG-140 (2014)
TG-140 (2019)
TG-180 (2013)
TG-180 (760-12) (2017)
TG-200 (770.исп.01) (2014)
TG-200 (770.исп.11) (2014)
TG-250 (2014)
TG-250 (2018)
TG-250 (782-80) (2017)
АсфК-3-02 (2010)
ГС-10.01 (2010)
ГС-10.07 (2019)
ГС-14.02 (2003)
ГС-14.02 (2009)
ГС-14.02 (2017)
ГС-14.02 (250-22) (2016)
ГС-14.03 (2009)
ГС-18.05 (2009)
ГС-18.05 (752-10) (2017)
ГС-18.05-20 (752-20) (2020)
ГС-18.07 (2009)
ГС-25.09 (2009)
ДЗ-143
ДЗ-180А (2000)
ФДХС-К-1000-01 (2010)
Схема
>
Не выбрано
Автогрейдер TG 250
Рисованное оглавление
Рама 782.01.00.00.000-11
Оборудование рабочее 776.07.00.00.000-80
Гидроцилиндр 257.07.02.00.000-02
Гидроцилиндр 776.02.00.00.000-80
Цилиндр фиксатора 257.07.07.00.000-80
Отвал 776.07.14.00.000
Мост передний 781.66.00.00.000-80
Гидромотор 781.66.02.00.000
Гидроцилиндр 776.06.07.00.000-80
Шарнир 257.66.08.01.000-01
Гидромотор 781.66.03.00.000
Трансмиссия 780.03.00.00.000
Установка коробки передач 760.03.01.00.000-06
Тележка задняя 257.03.06.00.000-02
Колесо 776.03.01.01.000
Отвал передний 776.21.00.00.000
Гидросистема отвала переднего 751.21.06.00.000-80
Установка кожухов 780.27.00.00.000-01
Установка крыльев задних 780.41.00.00.000
Установка крыльев передних 780.47.00.00.000
Установка кабины 730.04.00.00.000-80
Кабина 171.00.00.00.000-80
Кабина 171.01.00.00.000-80
Установка облицовки потолка 171.01.06.00.000
Установка интерьера кабины 171.01.16.00.000
Установка консоли управления с сиденьем 171.01.14.00.000
Установка стекол 171.01.09.00.000
Установка бачка омывательной жидкости 171.01.08.00.000
Установка воздушных фильтров 171.01.17.00.000
Гидросистема кабины 171.01.12.00.000-80
Педаль тормоза 730.11.01.00.000
Клапан стояночного тормоза 730.11.03.00.000
Установка дверей 171.01.10.00.000
Установка рулевой колонки 171.01.15.00.000
Установка воздушных каналов и теплообменника 171.01.03.00.000
Педаль газа 171.03.01.00.000
Облицовка 172.00.00.00.000-04
Облицовка левая 172.37.00.00.000
Облицовка правая 172.38.00.00.000
Установка кронштейнов фонарей задних 172.10.00.00.000
Установка замка капота 172.12.00.00.000
Установка ремня капота 172.30.00.00.000
Установка кронштейна номерного знака 172.35.00.00.000
Установка пружин газовых 172.34.00.00.000
Установка кронштейнов панелей боковых 730.36.00.00.000
Установка кронштейнов 760.26.00.00.000
Установка лестниц 771.28.00.00.000
Лестница левая 771.28.01.00.000
Ступенька 771.28.01.02.000
Фиксатор 730.28.01.03.100
Лестница правая 771.28.02.00.000
Ступенька 771.28.02.02.000
Фиксатор 730.28.01.03.200
Тяги управления 770.08.00.00.000-01
Блок баков 771.35.00.00.000-01
Установка климатическая 760.31.00.00.000-04
Установка компрессора 780.31.01.00.000-00
Установка силовая 770.22.00.00.000-03
Установка двигателя 760.22.01.00.000-01
Опора 780.22.01.01.000
Система охлаждения 760.22.02.00.000-05
Установка блока радиаторов 771.02.02.01.000-00
Установка глушителя 760.22.03.00.000
Установка термоленты 771.02.03.03.000
Установка воздухоочистителя 760.22.04.00.000-03
Система питания 780.22.05.00.000
Рыхлитель 159.29.00.00.000-80
Гидросистема 782.05.00.00.000-80
Гидросистема рамы подмоторной 782.05.04.00.000-80
Гидрораспределитель 257.05.01.01.000
Фильтр напорный 760.05.02.02.000-01
Тройник 257.05.01.07.000
Коллектор напорный 730.15.01.01.000
Клапан обратный 730.15.01.03.000
Переходник 730.15.01.03.100
Тройник 760.05.02.01.100
Тройник 760.05.02.01.200
Коллектор сливной 771.05.01.02.000
Гидросистема рамы передней 782.05.03.00.000-80
Гидрораспределитель 257.05.03.02.000
Гидрораспределитель 257.05.03.03.000
Гидрораспределитель 730.15.03.01.000
Клапан предохранительный 753.05.03.03.000
Тройник 730.15.03.04.000
Гидросистема рабочего оборудования 730.15.04.00.000-82
Блок клапанов 730.15.04.01.000-01
Гидросистема рыхлителя 159.07.00.00.000-81
Электрооборудование кабины
Электрооборудование кабины
Консоль управления в сборе с сиденьем
Рулевая колонка в сборе
Рулевая колонка в сборе
Электрооборудование
Установка аккумулятора
Установка выключателя "массы"
Установка датчиков на двигателе
Установка реле
Установка датчиков
Установка блока предохранителей и реле на двигателе
Установка топливного датчика
Установка розетки
Установка передних осветительных и акустических приборов
Установка задних осветительных приборов
Фонарь освещения номерного знака
Сигнал заднего хода
Электрооборудование переднего моста
Блок переднего моста 761.39.01.00.000
Гидросистема переднего моста 782.14.00.00.000-80
Делитель потока 780.14.01.00.000
Клапан свободного вращения 780.14.02.00.000
Клапан промывочный 761.12.03.00.000
Угольник 782.14.02.00.000
Фильтр всасывающий 782.14.01.00.000
Тройник 780.14.11.00.000
Угольник 257.12.08.00.000
Коллектор 780.14.04.00.000
Коллектор 780.14.12.00.000
Гидросистема тормозов 780.13.00.00.000-80
Коллектор 730.11.02.00.000
Тройник 257.11.05.00.000
Тройник 780.13.01.00.000
Тройник 780.13.02.00.000
Установка выключателя 730.11.06.00.000
Гидросистема КПП 760.20.00.00.000-80
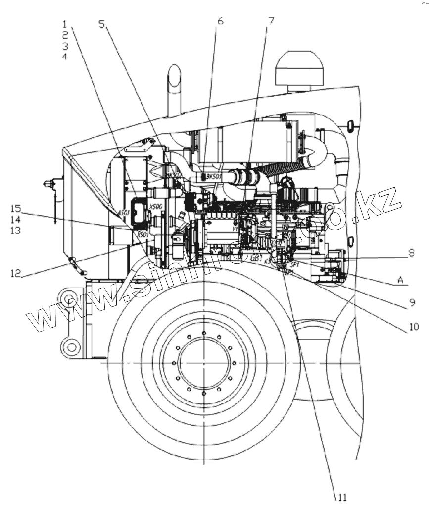
1
2
3
4
5
6
7
8
9
10
11
12
13
14
15
Позиция на иллюстрации
Заводской номер детали
Название детали
1
RC2-2/21+AS/AFC20
Контроллер
2
ВинтВ.М6х25
Винт
3
Шайба6.65Г
Шайба
4
ШайбаС6
Шайба
5
0538009252
Датчик температуры охлаждающей жидкости
6
0538009203
Датчик температуры воздуха
7
Соленоид
Соленоид подачи топлива
8
71.3747-11
Реле
9
СМ-7-14-3
Контроллер
10
3968300
Датчик давления масла 3968300
11
770.49.01.00.000
Жгут 7
12
770.49.04.00.000
Жгут
13
G012-8S8POL
Штекер
14
ВинтВ.М3х10
Винт
15
Шайба365Г
Шайба
Содержащиеся в справочниках-каталогах запасные части и детали не предлагаются к продаже, а носят исключительно информационный характер
Дополнительная информация
×
Название:
Номер:
Примечание: