Вернуться на главную
Поиск
Каталоги запчастей к технике
Спецтехника
Брянский Арсенал
TG-250
Отвал передний 776.21.00.00.000
Каталог запасных частей к технике: Брянский Арсенал TG-250. Отвал передний 776.21.00.00.000
zoom-in
zoom-out
enlarge
shrink
circle-right
circle-left
file-text2
info
cart
Тип техники
Не выбрано
Легковые автомобили
Грузовые автомобили и прицепы
Автобусы
Сельхозтехника
Спецтехника
Двигатели
Мототехника
Марка
Не выбрано
Ammann
BOMAG
CARMIX
CASE IH
Changlin
ChengGong
Dimex
Doosan
DYNAPAC
Foton
HAMM
Hidromek
Hitachi
Hyundai
JCB
JLG
John Deere
Komatsu
LIEBHERR
LiuGong
Lonking (LongGong)
Luneng
MANITOU
Mitsuber
New Holland
PENGPU
RM-Terex
SANY
SDLG
SEM
Shantui
Shehwa HBXG
Soosan
TIGARBO
VOGELE
Volvo
WAY
WIRTGEN
XCMG
XGMA
Xiamen
YTO
Yuchai
Zoomlion
Автокран
АЗСМ
Алтайлесмаш
Амкодор
АОМЗ
Атек
АТЗ
Балканкар Рекорд
БелАЗ
Беловеж
Борекс
Брянский Арсенал
Булат
ВЭКС
ГАЗ
Геомаш
Гидромаш
Донекс
Дормаш
Дормашина
Дорэлектромаш
ДЭЗ
ЕлАЗ
ЗЗГТ
Ижнефтемаш
Канаш-электрокар
КЗКТ
ККЗ
Клевер
Клинцовский автокрановый завод
КМЗ
КМЗ 1 Мая
Ковровец
Коммаш
Кранэкс
КЭЗ
КЭМЗ
ЛЗА
МАЗ
МЗИК
МЗКМ
МЗКТ
Михневский РМЗ
МоАЗ
Мозырский МЗ
МТЗ
ОЗП
Онежец
ПАО "ТЗА"
ППС Детва
Промтрактор
ПТЗ
Раскат
СпецАгрегат
ТВЭКС
ТТМ
УВЗ
Угличмаш
УЗТМ
ХТЗ
ЧЗКМ
ЧСДМ
ЧТЗ
ЭКСКО
ЭКСМАШ
ЮрМаш
Модель
Не выбрано
TG-140 (2014)
TG-140 (2019)
TG-180 (2013)
TG-180 (760-12) (2017)
TG-200 (770.исп.01) (2014)
TG-200 (770.исп.11) (2014)
TG-250 (2014)
TG-250 (2018)
TG-250 (782-80) (2017)
АсфК-3-02 (2010)
ГС-10.01 (2010)
ГС-10.07 (2019)
ГС-14.02 (2003)
ГС-14.02 (2009)
ГС-14.02 (2017)
ГС-14.02 (250-22) (2016)
ГС-14.03 (2009)
ГС-18.05 (2009)
ГС-18.05 (752-10) (2017)
ГС-18.05-20 (752-20) (2020)
ГС-18.07 (2009)
ГС-25.09 (2009)
ДЗ-143
ДЗ-180А (2000)
ФДХС-К-1000-01 (2010)
Схема
>
Не выбрано
Автогрейдер TG 250
Рисованное оглавление
Рама 780.01.00.00.000-11
776.07.00.00.000-01 Оборудование рабочее
Гидроцилиндр 257.07.02.00.000-02
Гидроцилиндр 776.02.00.00.000
Цилиндр фиксации 257.07.04.00.000
Отвал 776.07.14.00.000
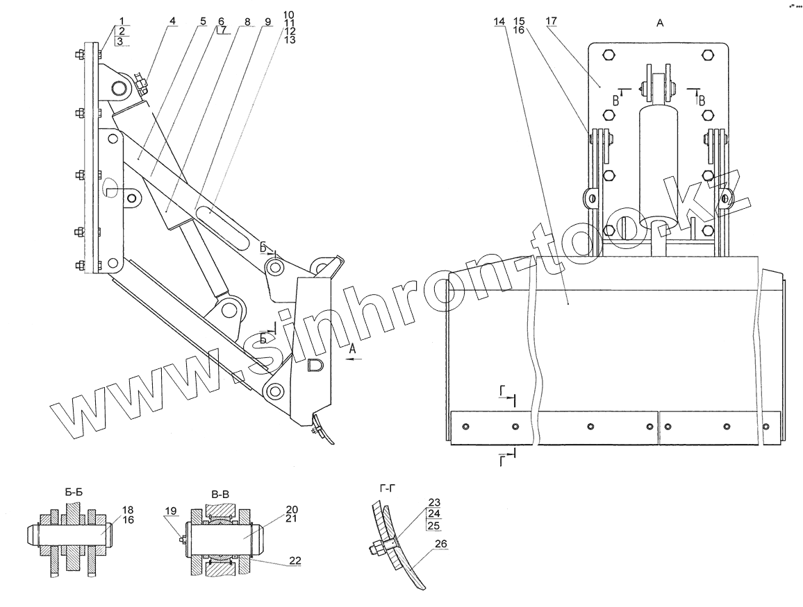
Отвал передний 776.21.00.00.000
Гидросистема отвала переднего 751.21.03.00.000
Рыхлитель 159.29.00.00.000
Мост передний 781.66.00.00.000
Гидромотор 781.66.02.00.000
Гидроцилиндр 776.06.07.00.000
Шарнир 257.66.08.01.000
Гидромотор 781.66.03.00.000
Трансмиссия 780.03.00.00.000
Установка коробки передач 760.03.01.000-01
Тележка задняя 257.03.06.00.000-02
Колесо 777.03.01.01.000
Установка кожухов 780.27.00.00.000-01
Установка крыльев задних 780.41.00.00.000
776.47.00.00.000-01 Установка крыльев передних
Установка кабины 730.04.00.00.000-03
Кабина 171.00.00.00.000-02
Кабина 171.01.00.00.000-01
Установка облицовки потолка 171.01.06.00.000
Установка интерьера кабины 171.01.16.00.000
Установка консоли управления с сиденьем 171.01.14.00.000
Установка стекол 171.01.09.00.000
Установка бачка омывательной жидкости 171.01.08.00.000
Установка воздушных фильтров 171.01.17.00.000
Гидросистема кабины 171.01.12.00.000
Педаль тормоза 730.11.01.00.000
Установка дверей 171.01.10.00.000
Педаль газа 171.03.01.00.000
Облицовка 172.00.00.00.000-02
Облицовка левая 172.25.00.00.000
Облицовка правая 172.26.00.00.000
172.10.00.00.000 Установка кронштейнов фонарей задних
Установка замка капота 172.12.00.00.000
Установка ремня капота 172.30.00.00.000
Установка кронштейна номерного знака 172.32.00.00.000
Установка пружин газовых 172.34.00.00.000
730.36.00.00.000 Установка кронштейнов панелей боковых
760.26.00.00.000 Установка кронштейнов
Установка лестниц 730.28.00.00.000
Лестница левая 730.28.01.00.000
Ступенька 730.28.01.03.000
Фиксатор 730.28.01.03.100
Лестница правая 730.28.02.00.000
Ступенька 730.28.02.03.000
Тяги управления 760.08.00.00.000-01
730.35.00.00.000-02 Блок баков
780.31.00.00.000 Установка климатическая
780.31.01.00.000 Установка компрессора
Установка силовая 770.22.00.00.000
Установка двигателя 780.22.01.00.000-03
Опора 780.22.01.01.000
Система охлаждения 770.22.02.00.000
Установка блока радиаторов 770.22.02.01.000
Установка глушителя 760.22.03.00.000
Установка воздухоочистителя 760.22.04.00.000-00
Система питания 780.22.05.00.000
Система подогрева 770.22.10.00.000
Гидросистема 780.05.00.00.000
Гидросистема рамы подмоторной 780.05.05.00.000
Гидрораспределитель 257.05.01.01.000
Фильтр напорный 257.05.01.02.000
Коллектор напорный 257.05.01.03.000
Тройник 257.05.01.07.000
Установка клапана зарядки 257.05.01.04.000
Клапан предохранительный 752.05.01.05.000
Коллектор сливной 761.05.01.01.000
Гидросистема рамы передней 780.05.06.00.000
Гидрораспределитель 257.05.03.02.000
Гидрораспределитель 257.05.03.03.000
Гидрораспределитель 753.05.03.01.000
Клапан предохранительный 753.05.03.03.000
Клапан 753.05.03.03.100
Гидросистема рабочего оборудования 780.05.04.00.000
Блок клапанов 761.05.04.01.000-01
Гидросистема рыхлителя 159.05.00.00.000-02
Гидросистема переднего моста 780.14.00.00.000
Делитель потока 780.14.01.00.000
Клапан свободного вращения 780.14.02.00.000
Клапан промывочный 761.12.03.00.000
Угольник 780.14.07.00.000
Фильтр всасывающий 780.14.09.00.000
Тройник 780.14.06.00.000
Угольник 257.12.08.00.000
Гидросистема тормозов 780.13.00.00.000
Коллектор 730.11.02.00.000
Тройник 257.11.05.00.000
Установка выключателя 730.11.06.00.000
Гидросистема КПП 760.20.00.00.000-01
Электрооборудование кабины
Электрооборудование кабины
Электрооборудование кабины
Электрооборудование кабины
Блок реле и предохранителей
Блок соединительный 760.09.01.00.000
Установка аккумулятора
Установка выключателя "массы"
Установка датчиков на двигателе
Установка реле времени
Установка датчика уровня топлива
Установка лампы подкапотной и розетки
Установка передних осветительных и акустических приборов
Установка задних осветительных приборов
Фонарь освещения номерного знака
Сигнал заднего хода
Электрооборудование переднего моста
761.19.01.00.000 Блок переднего моста
Подогреватели дизельного топлива (по отдельному заказу)
1
2
3
4
5
6
7
8
9
10
11
12
13
14
15
16
16
17
18
19
20
21
22
23
24
25
26
Позиция на иллюстрации
Заводской номер детали
Название детали
1
БолтМ36х130
Болт М36х130
2
ГайкаМ36
Гайка М36
3
Шайба36.65Г
Шайба 36.65Г
4
751.21.03.00.000
Гидросистема отвала переднего
5
255.51.04.00.000
Тяга
6
751.21.00.00.003
Ось
7
КольцоВ45
Кольцо В45
8
402.09.05.00.000
Гидроцилиндр
9
776.21.02.00.000
Рамка
10
255.51.00.00.005
Планка
11
БолтМ24х80
Болт М24х80
12
ГайкаМ24
Гайка М24
13
Шайба24.65Г
Шайба
14
776.21.03.00.000
Отвал
15
751.21.00.00.001
Ось
16
КольцоВ45
Кольцо В45
17
776.21.01.00.000
Опора
18
751.21.00.00.001-01
Ось
19
Масленка1.3
Масленка
20
751.21.00.00.002
Ось
21
КольцоВ68
Кольцо В68
22
255.21.00.00.003
Кольцо
23
225.07.04.00.001-02
Болт
24
ГайкаМ16
Гайка М16
25
Шайба16.65Г
Шайба16.65Г
26
258.07.03.00.004
Нож
Содержащиеся в справочниках-каталогах запасные части и детали не предлагаются к продаже, а носят исключительно информационный характер
Дополнительная информация
×
Название:
Номер:
Примечание: