Вернуться на главную
Поиск
Каталоги запчастей к технике
Спецтехника
Брянский Арсенал
TG-200 (770.исп.01)
Электрооборудование кабины
Каталог запасных частей к технике: Брянский Арсенал TG-200 (770.исп.01). Электрооборудование кабины
zoom-in
zoom-out
enlarge
shrink
circle-right
circle-left
file-text2
info
cart
Тип техники
Не выбрано
Легковые автомобили
Грузовые автомобили и прицепы
Автобусы
Сельхозтехника
Спецтехника
Двигатели
Мототехника
Марка
Не выбрано
Ammann
BOMAG
CARMIX
CASE IH
Changlin
ChengGong
Dimex
Doosan
DYNAPAC
Foton
HAMM
Hidromek
Hitachi
Hyundai
JCB
JLG
John Deere
Komatsu
LIEBHERR
LiuGong
Lonking (LongGong)
Luneng
MANITOU
Mitsuber
New Holland
PENGPU
RM-Terex
SANY
SDLG
SEM
Shantui
Shehwa HBXG
Soosan
TIGARBO
VOGELE
Volvo
WAY
WIRTGEN
XCMG
XGMA
Xiamen
YTO
Yuchai
Zoomlion
Автокран
АЗСМ
Алтайлесмаш
Амкодор
АОМЗ
Атек
АТЗ
Балканкар Рекорд
БелАЗ
Беловеж
Борекс
Брянский Арсенал
Булат
ВЭКС
ГАЗ
Геомаш
Гидромаш
Донекс
Дормаш
Дормашина
Дорэлектромаш
ДЭЗ
ЕлАЗ
ЗЗГТ
Ижнефтемаш
Канаш-электрокар
КЗКТ
ККЗ
Клевер
Клинцовский автокрановый завод
КМЗ
КМЗ 1 Мая
Ковровец
Коммаш
Кранэкс
КЭЗ
КЭМЗ
ЛЗА
МАЗ
МЗИК
МЗКМ
МЗКТ
Михневский РМЗ
МоАЗ
Мозырский МЗ
МТЗ
ОЗП
Онежец
ПАО "ТЗА"
ППС Детва
Промтрактор
ПТЗ
Раскат
СпецАгрегат
ТВЭКС
ТТМ
УВЗ
Угличмаш
УЗТМ
ХТЗ
ЧЗКМ
ЧСДМ
ЧТЗ
ЭКСКО
ЭКСМАШ
ЮрМаш
Модель
Не выбрано
TG-140 (2014)
TG-140 (2019)
TG-180 (2013)
TG-180 (760-12) (2017)
TG-200 (770.исп.01) (2014)
TG-200 (770.исп.11) (2014)
TG-250 (2014)
TG-250 (2018)
TG-250 (782-80) (2017)
АсфК-3-02 (2010)
ГС-10.01 (2010)
ГС-10.07 (2019)
ГС-14.02 (2003)
ГС-14.02 (2009)
ГС-14.02 (2017)
ГС-14.02 (250-22) (2016)
ГС-14.03 (2009)
ГС-18.05 (2009)
ГС-18.05 (752-10) (2017)
ГС-18.05-20 (752-20) (2020)
ГС-18.07 (2009)
ГС-25.09 (2009)
ДЗ-143
ДЗ-180А (2000)
ФДХС-К-1000-01 (2010)
Схема
>
Не выбрано
Автогрейдер TG 200
Рама 770.01.00.00.000-02
Оборудование рабочее 257.07.00.00.000-02
Гидроцилиндр 257.07.02.00.000
Кронштейн 257.07.03.00.000
Цилиндр фиксации 257.07.04.00.000
Отвал 723.07.12.00.000
Мост передний 257.66.00.00.000-04
Установка рыхлителя 159.00.00.00.000-01
Гидросистема рыхлителя159.05.00.00.000-01
Отвал передний 751.21.00.00.000
Облицовка 172.00.00.00.000-03
Облицовка левая 172.25.00.00.000
Облицовка правая 172.26.00.00.000
Установка кронштейнов фонарей задних 172.10.00.00.000
Установка замка капота 172.12.00.00.000
Установка ремня капота 172.30.00.00.000
Установка кронштейна номерного знака 172.32.00.00.000
Установка пружин газовых 172.34.00.00.000
Установка кронштейнов панелей боковых730.36.00.00.000
Установка силовая 770.22.00.00.000
Установка двигателя 780.22.01.00.000-03
Опора 780.22.01.01.000
Система охлаждения 780.22.01.01.000
Установка блока радиаторов 770.22.02.01.000
Установка глушителя 760.22.03.00.000
Установка воздухоочистителя 760.22.04.00.000
Система питания 780.22.05.00.000
Система подогрева 770.22.10.00.000
Трансмиссия 770.03.00.00.000
Установка коробки передач 770.03.01.00.000
Тележка задняя 257.03.06.00.000-02
Колесо 777.03.01.01.000
Установка кабины 730.04.00.00.000-02
Кабина 171.00.00.00.000-02
Кабина 171.01.00.00.000-01
Установка облицовки потолка 171.01.06.00.000
Установка интерьера кабины 171.01.16.00.000
Установка консоли управления с сиденьем 171.01.14.00.000
Установка стекол 171.01.09.00.000
Установка бачка омывательной жидкости171.01.08.00.000
Установка воздушных фильтров 171.01.17.00.000
Гидросистема кабины 171.01.12.00.000
Педаль тормоза 730.11.01.00.000
Установка дверей 171.01.10.00.000
Педаль газа 171.03.01.00.000
Установка лестниц 730.28.00.00.000
Лестница левая 730.28.01.00.000
Ступенька 730.28.01.03.000
Фиксатор 730.28.01.03.100
Лестница правая 730.28.02.00.000
Ступенька 730.28.02.03.000
Тяги управления 760.08.00.00.000-01
Электрооборудование 770.39.00.00.000
Электрооборудование кабины
Электрооборудование кабины
Электрооборудование кабины
Блок реле и предохранителей
Блок соединительный 760.09.01.00.000
Установка аккумулятора
Установка выключателя "массы"
Установка датчиков на двигателе
Установка реле ввемени
Установка датчика уровня топлива
Установка лампы подкапотной и розетки
Установка передних осветительных и акустических приборов
Установка задних осветительных приборов
Фонарь освещения номерного знака
Сигнал заднего хода
Электрооборудование переднего моста
Блок переднего моста 761.19.01.00.000
Установка климатическая 780.31.00.00.000
Установка компрессора 780.31.01.00.000
Установка крыльев задних 760.41.00.00.000
Установка кронштейнов760.26.00.00.000
Установка кожухов 761.27.00.00.000
Установка крыльев передних 770.47.00.00.000-01
Схема гидравлическая соединений. Гидросистема тормозов 760.11.00.00.000
Гидросистема тормозов 760.11.00.00.000
Коллектор 730.11.02.00.000
Тройник 257.11.05.00.000
Установка выключателя 730.11.06.00.000
Гидросистема КПП 760.20.00.00.000-01
Блок баков 730.35.00.00.000-01
Установка рыхлителя 159.00.00.00.000-01
Гидросистема рыхлителя159.05.00.00.000-02
Гидросистема 761.05.00.00.000-01
Гидросистема рамы подмоторной 760.05.01.00.000
Гидрораспределитель 257.05.01.01.000
Фильтр напорный 257.05.01.02.000
Коллектор напорный 257.05.01.03.000
Тройник 257.05.01.07.000
Установка клапана зарядки 257.05.01.04.000
Клапан предохранительный 752.05.01.05.000
Коллектор сливной 761.05.01.01.000
Схема гидравлическая соединений. Гидросистема рамы передней 761.05.03.00.000
Гидросистема рамы передней 761.05.03.00.000
Гидрораспределитель 257.05.03.02.000
Гидрораспределитель 257.05.03.03.000
Гидрораспределитель 753.05.03.01.000
Клапан предохранительный 753.05.03.03.000
Гидросистема рабочего оборудования 761.05.04.00.000
Блок клапанов 761.05.04.01.000-01
Гидросистема переднего моста 761.12.00.00.000
Клапан свободного вращения 257.12.04.00.000
Клапан промывочный 761.12.03.00.000
Угольник 257.12.08.00.000
Фильтр всасывающий 761.12.01.00.000
Коллектор 257.12.07.00.000
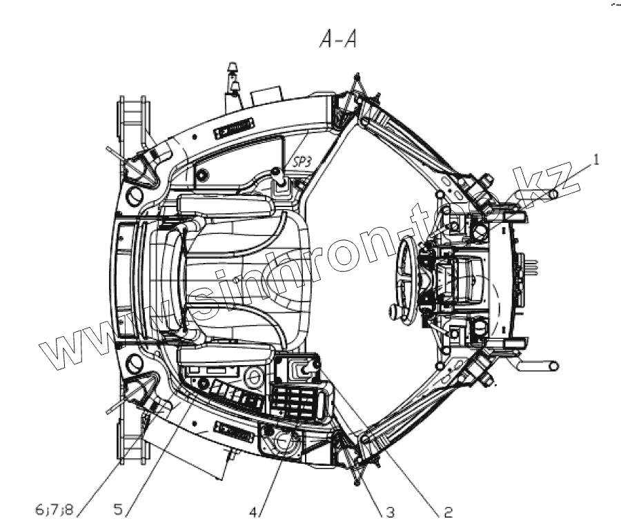
1
2
3
4
5
6
7
8
Позиция на иллюстрации
Заводской номер детали
Название детали
1
GAZ.003
Рулевая колонка в сборе
2
VTS3
Контроллер
3
Блок
Электронный блок у продления
4
Переключатель
Переключатель
5
Кнопкамассы
Кнопка выключателя массы
6
RU/MP3-219SAТУ6582-052-53906226-2012
Радиоприемник с USB, SD/MMC проигрывателем стереофонический автомобильный RU/MP3-219SA ТУ 6582-052-53906226-2012
7
UralAB-14
Антенна Ural AB-14
8
GAZ.104-PR
Комплект разъемов для авторадио GAZ.104-PR
Содержащиеся в справочниках-каталогах запасные части и детали не предлагаются к продаже, а носят исключительно информационный характер
Дополнительная информация
×
Название:
Номер:
Примечание: