Вернуться на главную
Поиск
Каталоги запчастей к технике
Спецтехника
Брянский Арсенал
TG-180 (760-12)
Установка коробки переключения передач
Каталог запасных частей к технике: Брянский Арсенал TG-180 (760-12). Установка коробки переключения передач
zoom-in
zoom-out
enlarge
shrink
circle-right
circle-left
file-text2
info
cart
Тип техники
Не выбрано
Легковые автомобили
Грузовые автомобили и прицепы
Автобусы
Сельхозтехника
Спецтехника
Двигатели
Мототехника
Марка
Не выбрано
Ammann
BOMAG
CARMIX
CASE IH
Changlin
ChengGong
Dimex
Doosan
DYNAPAC
Foton
HAMM
Hidromek
Hitachi
Hyundai
JCB
JLG
John Deere
Komatsu
LIEBHERR
LiuGong
Lonking (LongGong)
Luneng
MANITOU
Mitsuber
New Holland
PENGPU
RM-Terex
SANY
SDLG
SEM
Shantui
Shehwa HBXG
Soosan
TIGARBO
VOGELE
Volvo
WAY
WIRTGEN
XCMG
XGMA
Xiamen
YTO
Yuchai
Zoomlion
Автокран
АЗСМ
Алтайлесмаш
Амкодор
АОМЗ
Атек
АТЗ
Балканкар Рекорд
БелАЗ
Беловеж
Борекс
Брянский Арсенал
Булат
ВЭКС
ГАЗ
Геомаш
Гидромаш
Донекс
Дормаш
Дормашина
Дорэлектромаш
ДЭЗ
ЕлАЗ
ЗЗГТ
Ижнефтемаш
Канаш-электрокар
КЗКТ
ККЗ
Клевер
Клинцовский автокрановый завод
КМЗ
КМЗ 1 Мая
Ковровец
Коммаш
Кранэкс
КЭЗ
КЭМЗ
ЛЗА
МАЗ
МЗИК
МЗКМ
МЗКТ
Михневский РМЗ
МоАЗ
Мозырский МЗ
МТЗ
ОЗП
Онежец
ПАО "ТЗА"
ППС Детва
Промтрактор
ПТЗ
Раскат
СпецАгрегат
ТВЭКС
ТТМ
УВЗ
Угличмаш
УЗТМ
ХТЗ
ЧЗКМ
ЧСДМ
ЧТЗ
ЭКСКО
ЭКСМАШ
ЮрМаш
Модель
Не выбрано
TG-140 (2014)
TG-140 (2019)
TG-180 (2013)
TG-180 (760-12) (2017)
TG-200 (770.исп.01) (2014)
TG-200 (770.исп.11) (2014)
TG-250 (2014)
TG-250 (2018)
TG-250 (782-80) (2017)
АсфК-3-02 (2010)
ГС-10.01 (2010)
ГС-10.07 (2019)
ГС-14.02 (2003)
ГС-14.02 (2009)
ГС-14.02 (2017)
ГС-14.02 (250-22) (2016)
ГС-14.03 (2009)
ГС-18.05 (2009)
ГС-18.05 (752-10) (2017)
ГС-18.05-20 (752-20) (2020)
ГС-18.07 (2009)
ГС-25.09 (2009)
ДЗ-143
ДЗ-180А (2000)
ФДХС-К-1000-01 (2010)
Схема
>
Не выбрано
Автогрейдер TG 180
Рисованное оглавление
Установка кронштейнов 760.26.00.00.000
Установка кронштейнов двери 730.36.00.00.000
Установка кожухов 760.27.00.00.000-02
Блок баков 730.35.00.00.000-03
Облицовка 172.00.00.00.000-02
Облицовка левая 172.25.00.00.000
Облицовка правая 172.26.00.00.000
Установка ремня капота 172.30.00.00.000
Установка замка капота 172.12.00.00.000
Установка кронштейнов фонарей задних 172.10.00.00.000
Оборудование рабочее 257.07.00.00.000-02
Гидроцилиндры 257.07.02.00.000 и -01
Кронштейн 257.07.03.00.000
Цилиндр фиксатора 257.07.07.00.000
Отвал 257.07.12.00.000
Мост передний 237.06.00.00.000-04
Отвал передний 751.21.00.00.000-03
Кирковщик к автогрейдеру 159.00.00.00.000-05
Гидросистема рыхлителя 159.07.00.00.000
Установка крыльев задних 760.41.00.00.000
Установка крыльев передних 751.47.00.00.000
Установка лестниц 730.28.00.00.000
Лестница левая 730.28.01.00.000
Ступенька 730.28.01.03.000
Фиксатор 730.28.01.03.100
Лестница правая 730.28.02.00.000
Ступенька 730.28.02.03.000
Рама 760.01.00.00.000-04
Трансмиссия 760.03.00.00.000-05
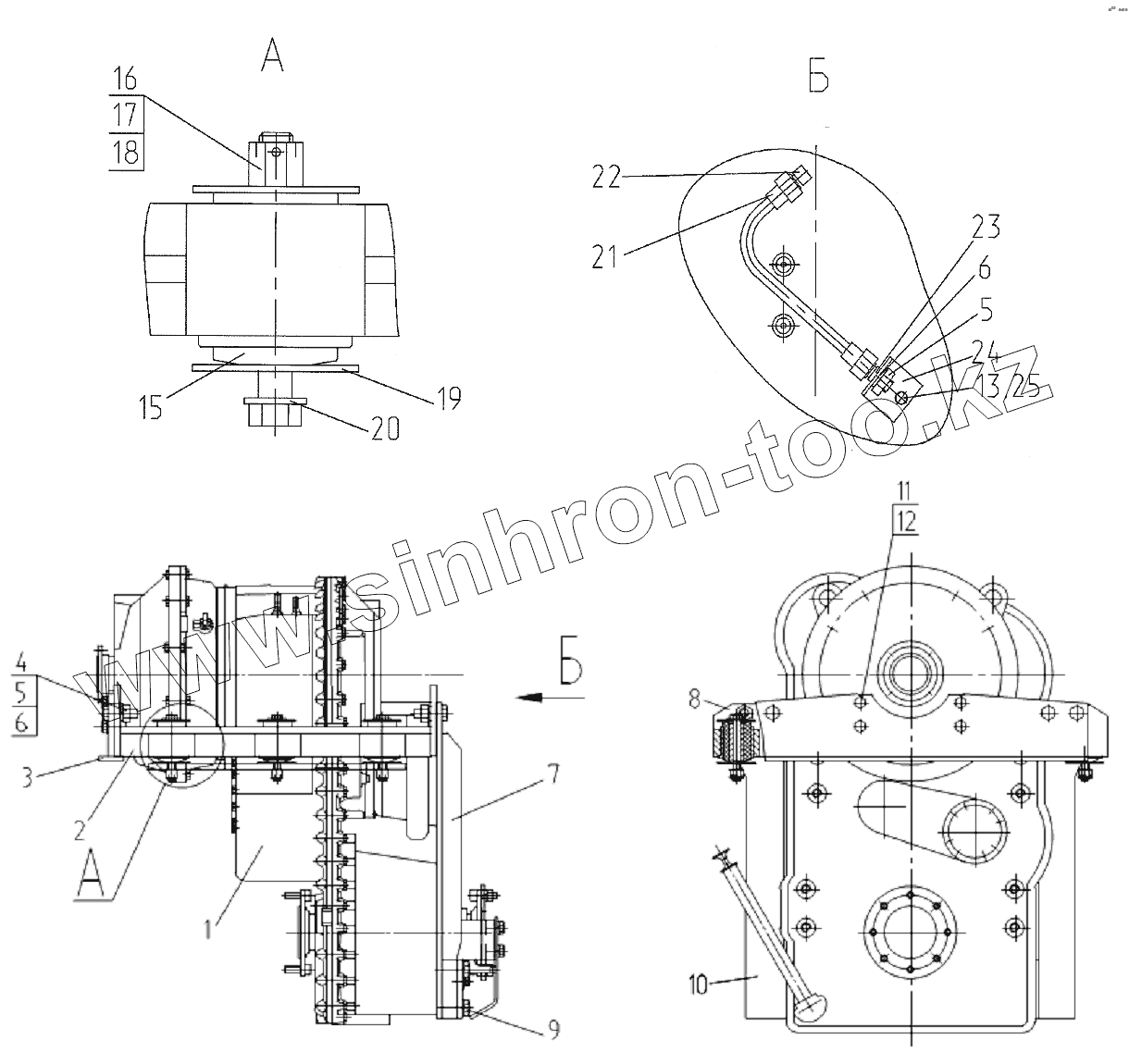
Установка коробки переключения передач
Тележка задняя 257.03.06.00.000-01
Колеса 257.06.04.00.000-02 (257.06.04.00.000-03)
Тяги управления 760.08.00.00.000-04
Электрооборудование кабины
Электрооборудование кабины
Консоль управления в сборе с сиденьем
Рулевая колонка в сборе
Рулевая колонка в сборе
Установка аккумулятора
Установка выключателя "массы"
Установка датчиков на двигателе
Установка блока предохранителей и реле на двигателе
Установка топливного датчика
Установка лампы подкапотной и розетки
Установка передних осветительных и электрических приборов
Установка задних осветительных приборов
Фонарь освещения номерного знака
Сигнал заднего хода
Гидросистема 760.15.00.00.000
Гидросистема рамы подмоторной 730.15.01.00.000
Гидрораспределитель 257.05.01.01.000
Тройник 257.05.01.07.000
Коллектор напорный 730.15.01.01.000
Коллектор сливной 730.15.01.02.000
Клапан обратный 730.15.01.03.000
Переходник 730.15.01.03.100
Тройник 730.15.01.05.000
Гидросистема привода вентилятора 760.05.02.01.000
Тройник 760.05.02.01.100
Тройник 760.05.02.01.200
Фильтр напорный 760.05.02.02.000-01
Гидросистема рамы передней 730.15.03.00.000
Гидрораспределитель 257.05.03.02.000
Гидрораспределитель 257.05.03.03.000
Гидрораспределитель 730.15.03.01.000
Клапан предохранительный 753.05.03.03.000
Клапан 753.05.03.03.100
Тройник 730.15.03.04.000
Гидросистема рабочего оборудования 730.15.04.00.000-01
Блок клапанов 730.15.04.01.000-01
Гидросистема КПП 760.20.00.00.000
Гидросистема тормозов 760.11.00.00.000
Коллектор 730.11.02.00.000
Тройник 257.11.05.00.000
Установка выключателя 730.11.06.00.000
Установка кабины 730.04.00.00.000-07
Кабина 171.00.00.00.000-07
Кабина 171.01.00.00.000-05
Установка консоли управления с сиденьем 171.01.14.00.000
Установка облицовки потолка 171.01.06.00.000
Установка интерьера кабины 171.01.16.00.000
Установка дверей 171.01.10.00.000
Установка рулевой колонки 171.01.15.00.000
Установка стекол 171.01.09.00.000
Установка бачка омывательной жидкости 171.01.08.00.000
Установка воздушных фильтров 171.01.17.00.00
Установка воздушных каналов и теплообменника 171.01.03.00.000
Установка шумоизоляционного коврика 171.01.07.00.000
Педаль газа 171.03.01.00.000
Установка кожуха 171.25.00.00.000
Гидросистема кабины 171.01.12.00.000
Педаль тормоза 730.11.01.00.000
Клапан стояночного тормоза 730.11.03.00.000
Установка силовая 760.22.00.00.000-00
Установка двигателя 760.22.01.00.000-00
Опора 780.22.01.01.000
Система охлаждения 760.22.02.00.000-04
Блок радиаторов 760.22.02.01.000-04
Установка глушителя 760.22.03.00.000
Установка воздухоочистителя 760.22.04.00.000-00
Система питания 780.22.05.00.000
Установка системы климатической 760.31.00.00.000-03
1
2
3
4
5
5
6
6
7
8
9
10
11
12
13
15
16
17
18
19
20
21
22
23
24
25
Позиция на иллюстрации
Заводской номер детали
Название детали
1
4657026112
Коробка передач 6WG-190
2
760.03.01.01.000
Кронштейн
3
760.03.01.03.000
Кронштейн
4
БолтМ20х60.8.8
Болт М20х60.8.8
5
ГайкаМ20
Гайка М20
6
Шайба20.65Г
Шайба 20.65Г
7
257.03.03.00.000
Кронштейн
8
760.03.01.02.000
Кронштейн
9
БолтМ20х40
Болт
10
257.03.04.00.000
Кронштейн
11
БолтМ16х35
Болт М16х35
12
Шайба16.65Г
Шайба16.65Г
13
Шайба14.65Г
Шайба 14.65Г
15
200.16.00.01.000
Амортизатор
16
225.02.05.00.007
Болт
17
ГайкаМ16
Гайка М16
18
Шплинт4х40
Шплинт 4х40
19
200.16.00.00.001-80
Шайба
20
200.08.00.00.053-80
Шайба
21
РВД6.23.500.М14х1,5
РВД
22
257.03.00.00.001
Штуцер
23
257.03.00.00.003
Кронштейн
24
257.03.00.00.004
Болт
25
БолтМ14х20
Болт М14х20
Содержащиеся в справочниках-каталогах запасные части и детали не предлагаются к продаже, а носят исключительно информационный характер
Дополнительная информация
×
Название:
Номер:
Примечание: