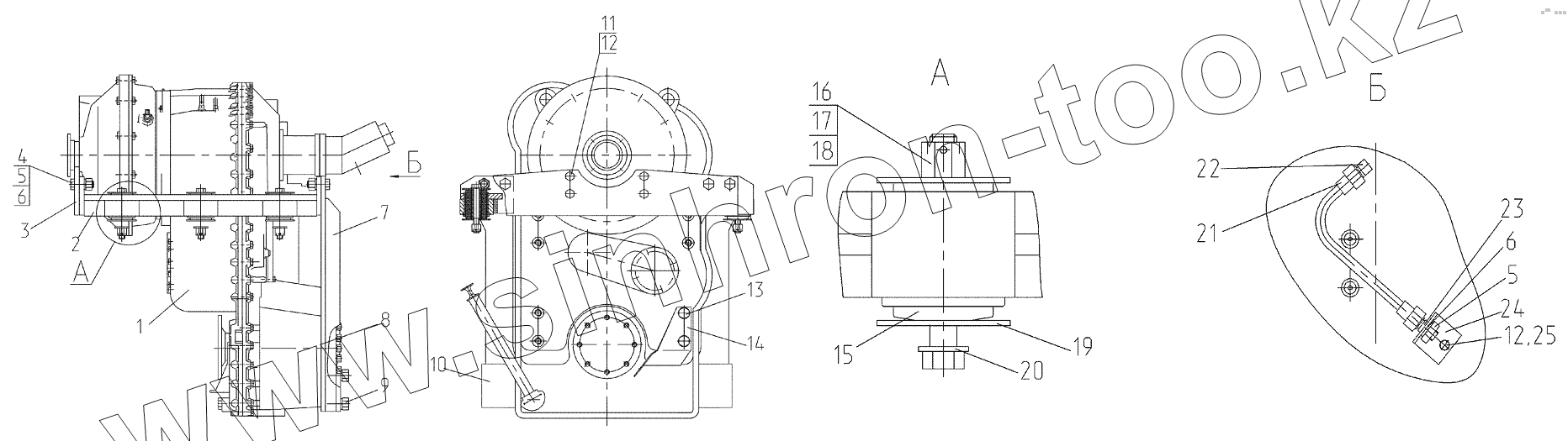
Каталог запасных частей к технике: Брянский Арсенал ГС-18.07. Установка коробки переключения передач
1
2
3
4
5
5
6
6
7
8
9
10
11
12
12
13
14
15
16
17
18
19
20
21
22
23
24
25
| Позиция на иллюстрации | Заводской номер детали | Название детали | |
|---|---|---|---|
| 1 | 6211 | Коробка передач 6WG-190 | |
| 2 | 257.02.02.00.000 | Кронштейн | |
| 3 | 283.13.01.00.000 | Кронштейн | |
| 4 | БолтМ20-8gх60.10.940Х | Болт | |
| 5 | ГайкаМ20-6Н.5 | Гайка | |
| 6 | Шайба20.65Г | Шайба 20.65Г | |
| 7 | 257.03.03.00.000 | Кронштейн | |
| 8 | 217.03.00.00.002 | Гайка | |
| 9 | БолтМ20-8gх40.10.940Х | Болт | |
| 10 | 257.03.04.00.000 | Кронштейн | |
| 11 | БолтМ16-8gх35.10.9.40Х | Болт | |
| 12 | Шайба16.65Г | Шайба16.65Г | |
| 13 | БолтМ20-6gх30.58 | Болт | |
| 14 | 257.03.00.00.006 | Кронштейн | |
| 15 | 200.16.00.01.000 | Амортизатор | |
| 16 | 225.02.05.00.007 | Болт | |
| 17 | ГайкаМ16-7Н.8 | Гайка | |
| 18 | Шплинт4х40 | Шплинт 4х40 | |
| 19 | Шайба | Шайба | |
| 20 | 200.16.00.00.001-80 | Шайба | |
| 21 | 200.08.00.00.053-80 | Шайба | |
| 22 | Штуцер | Штуцер | |
| 23 | 257.03.00.00.001 | Штуцер | |
| 24 | 257.03.00.00.003 | Кронштейн | |
| 25 | 257.03.00.00.004 | Болт |
Содержащиеся в справочниках-каталогах запасные части и детали не предлагаются к продаже, а носят исключительно информационный характер